- 您的位置:
- 标准下载网 >>
- 标准分类 >>
- 化工行业标准(HG) >>
- HG/T 3858-2006 稀释剂、防潮剂水分测定法
标准号:
HG/T 3858-2006
标准名称:
稀释剂、防潮剂水分测定法
标准类别:
化工行业标准(HG)
标准状态:
现行-
发布日期:
2006-07-27 -
实施日期:
2006-10-11 出版语种:
简体中文下载格式:
.rar.pdf下载大小:
119.57 KB
替代情况:
原标准号GB/T 1751-1992
点击下载
标准简介:
标准下载解压密码:www.bzxz.net
本标准规定了一般涂料稀释剂、防潮剂水分的定性测定和气相色谱定量分析方法。本标准的气相色谱定量分析适用于含水量0.02%~3%的稀释剂和防潮剂。当含水量为0.005%~0.02%或3%~5%,本方法仍可使用,但实验误差可能增大。特种稀释剂、特种防潮剂中的水分 测定,按有关产品标准规定进行。 HG/T 3858-2006 稀释剂、防潮剂水分测定法 HG/T3858-2006
部分标准内容:
中华人民共和国国家标准
稀释剂、防潮剂水分测定法
Determination of water of
thinners and retarders
1 主题内容与适用范围
GB/T 1751-92
代替 GB1751-79
本标准规定了一般涂料稀释剂、防潮剂水分的定性测定和气相色谱定量分析方法。本标准的气相色谱法定量分析适用于含水量0.02%~3%的稀释剂和防潮剂。当含水量为0.005%~0.02%或3%~5%时,本方法仍可使用,但实验误差可能增大。特种稀释剂、特种防潮剂中的水分测定,按有关产品标准规定进行。2引用标准
GB1922溶剂油
GB2366有机溶剂中的水分测定法气相色谱法GB9278涂料试样的状态调节和试验的温湿度GB9722化学试剂气相色谱法通则3定性测定
3.1方法提要
定性测定的原理为在稀释剂、防潮剂中加入规定的溶剂后,观寒其外观有无浑浊或分层现象来评定结果。
3.2材料和仪器
带磨口塞量简:100mL,
NY-200 溶剂油(GB 1922)。
3.3测定方法
在GB9278规定的恒温恒湿条件下,于100mL带磨口塞量简中,量取25mL稀释剂或防潮剂,再加入25mLNY-200溶剂油。用磨口塞塞住量简,用力振荡1min。在散射光线下观察,无浑浊或分层现象为合格。
4定量测定气相色谱法
4.1方法提要
本方法以高分子多孔微球为固定相,因为它对水的保留值最小,而且水的峰形陡直,对称性也好。采用外标法按水峰蜂蜂面积或蜂高进行定量。4.2试验条件
4.2.1仪器:气相色谱仪的灵敏度及稳定性应符合GB9722规定及4.2.3a要求。4.2.2检测器:热传导检测器。桥电流:150mA或参照仪器说明书规定。国家技术监督局1992-04-28批准1993-03-01实施
GB/T 1751-92
4.2.3固定相:高分子多孔微球(0.15~0.18mm、0.18~0.25mm)。只要能符合下列色谱柱指标均可使用。
a.对水敏感度≥3 mm/μg水。
配制含水量为0.2%的标准样,进行色谱分析。求取每够水所相当的水峰高,即为该色谱柱对水的敏感度。
b.峰底宽度≤55s。
用所使用的记录仪纸速将水峰蜂底宽度换算为时间(以s计)。c.调节柱温及载气流速,使被测样品申的水蜂与其后之相邻峰的分辨率R≥1。计算公式:
式中:tR(1)——水峰保留时间,s;tR(2)-—-—水后相邻蜂的保留时间,s Y(1)——水峰基线宽度,s,
Y(2)-水后相邻峰的基线宽度,s。4.2.4载气:Hz。
R=2Y+Ya
tR(2)tR(1)
4.2.5载气流量:20~~30mL/min,或适当流量。4.2.6柱温:100~~170℃,或适当柱温。4.2.7汽化室温度:150250℃。
4.2.8检测室温度:100~170℃,或适当温度。4.2.9柱长:1~3m不锈钢或玻璃柱。4.2.10进样器:10μL一支,50μL一支。:4.2.11进样量,1~8μL。必要时进样量可增加到40μL。4.3试剂
4.3.1丁酮:分析纯。
4.3.25A分子筛:在高温炉中500℃活化4h,置干燥器中备用。4.3.3无水丁酮或其他无水标样的制备:若被分析的稀释剂、防潮剂样品易制备成无水状态,并且又易溶解微量水制成标准样品,则选用其本身为底液来配制标准水样,否则,建议选用无水丁酮为底液来配制标准水样。
按上述方法选取的底液,经5A分子筛几次吸水后,在磨口瓶中保存,使用时,在所使用的色谱条件下,进样8μL不出水峰即可使用,若有微小水峰,记录作以后测量水蜂面积或峰高校正用。4.4特殊要求
4.4.1所使用的配样瓶、进样器等,应在烘箱中烘干,置干燥器中备用。4.4.2在配样、取样以及整个分析过程中避免环境的潮气侵入。4.4.3进样时,用被测样品反复冲洗进样器,取进样三次以上的平行结果之平均值为测定值。4.4.4载气流路最好是不锈钢管或尼龙管。为保证水的敏感度,需尽量使载气干燥,因此,载气干燥管需加长,并定期活化。
4.5测定方法外标法
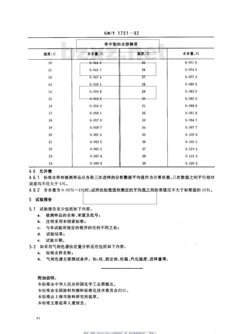
4.5.1估计被分析样品的大致含水量。在配有胶塞的三角瓶或10mL青霉素瓶中加入预先备好的无水底液,用称重法配-个数量级上与被分析样品含水量相近的标准水样。4.5.2标准水样应新配制,在短时间使用。测定时用4.2.10的进样器取标准水样进行测定,然后再取实测样品进行测定,分别进样三次。4.5.3如被测样品中水含量较低,外标可采用GB2366苯中饱和水的数据为基准。分析时苯中饱和水82
GB/T 1751—92
的峰高不应超过被测样品中水峰高的10倍,否则误差变大。苯-水平衡溶液的制备方法:将约150mL的苯(分析纯)置于分液漏斗中,与同体积的蒸馏水振荡、洗涤,除去水溶性物质。洗涤次数不少于五次。最后一次经充分振荡后连水一起装入苯-水平衡瓶(见图)或500mL试剂瓶中,静置10min后即可使用。每次使用前需搅拌或振荡30s以上,静置2min后则可作为某室温下的标准水样使用。根据室温查苯中饱和水溶解度表得出相应含水量。不锈翎搅拌棒
混度计
抽样孔
素四鐵乙婚事子
玻璃瓶
苯-水平衡瓶示意图
4.5.4计算方法(标准水样和被测样品进样量相同):Ar . w.. P × 100
式中:wx-
被测样品中水的质量百分含量,%,A.被测样品水峰面积(或蜂高)p.—被测样品的密度;
一标准水样的水的质量百分含量,%,A,——标准水样水峰面积(或峰高);0,n
标准水样的密度。
4.5.5为减少分析误差,进标准样和被测样品应使用同一支进样器,进样体积应相等。仪器衰减档数应相等。应尽可能配用色谱数据处理器代替手工测量色谱峰参数。水含量大于1%时,应优先采用峰面积法进行计算。
温度,℃
4.6允许差
水含量,%
GB/T 1751-92
苯中饱和水溶解度
温度,℃
水含量,%
4.6.1标准水样和被测样品应各取三次进样的分析数据平均值作为计算依据。三次数据之间平行相对误差均不应大于5%。
4.6.2含水量为0.02%~3%时,试样的标准值和测定的平均值之间的差值应不大于标准值的10%。5试验报告
5.1试验报告至少包括如下内容:a.
被测样品的名称、来源及批号;注明采用本国家标准;
与本试验所规定的程序的任何不同之处,试验结果;
试验日期。bzxZ.net
如采用气相色谱法定量分析还应包括如下内容:5.2
标准水样名称;
气相色谱主要测试条件。如:柱、固定相、柱温、汽化温度、进样量等。附加说明:
本标准由中华人民共和国化学工业部提出。本标准由全国涂料和额料标准化技术委员会归口。本标准由上海市涂料研究所起草。本标准主要起草人童国忠。
黑筋,绿椎17bzw.cn瓶熊糯卸饮龙蝉藕顏
小提示:此标准内容仅展示完整标准里的部分截取内容,若需要完整标准请到上方自行免费下载完整标准文档。
稀释剂、防潮剂水分测定法
Determination of water of
thinners and retarders
1 主题内容与适用范围
GB/T 1751-92
代替 GB1751-79
本标准规定了一般涂料稀释剂、防潮剂水分的定性测定和气相色谱定量分析方法。本标准的气相色谱法定量分析适用于含水量0.02%~3%的稀释剂和防潮剂。当含水量为0.005%~0.02%或3%~5%时,本方法仍可使用,但实验误差可能增大。特种稀释剂、特种防潮剂中的水分测定,按有关产品标准规定进行。2引用标准
GB1922溶剂油
GB2366有机溶剂中的水分测定法气相色谱法GB9278涂料试样的状态调节和试验的温湿度GB9722化学试剂气相色谱法通则3定性测定
3.1方法提要
定性测定的原理为在稀释剂、防潮剂中加入规定的溶剂后,观寒其外观有无浑浊或分层现象来评定结果。
3.2材料和仪器
带磨口塞量简:100mL,
NY-200 溶剂油(GB 1922)。
3.3测定方法
在GB9278规定的恒温恒湿条件下,于100mL带磨口塞量简中,量取25mL稀释剂或防潮剂,再加入25mLNY-200溶剂油。用磨口塞塞住量简,用力振荡1min。在散射光线下观察,无浑浊或分层现象为合格。
4定量测定气相色谱法
4.1方法提要
本方法以高分子多孔微球为固定相,因为它对水的保留值最小,而且水的峰形陡直,对称性也好。采用外标法按水峰蜂蜂面积或蜂高进行定量。4.2试验条件
4.2.1仪器:气相色谱仪的灵敏度及稳定性应符合GB9722规定及4.2.3a要求。4.2.2检测器:热传导检测器。桥电流:150mA或参照仪器说明书规定。国家技术监督局1992-04-28批准1993-03-01实施
GB/T 1751-92
4.2.3固定相:高分子多孔微球(0.15~0.18mm、0.18~0.25mm)。只要能符合下列色谱柱指标均可使用。
a.对水敏感度≥3 mm/μg水。
配制含水量为0.2%的标准样,进行色谱分析。求取每够水所相当的水峰高,即为该色谱柱对水的敏感度。
b.峰底宽度≤55s。
用所使用的记录仪纸速将水峰蜂底宽度换算为时间(以s计)。c.调节柱温及载气流速,使被测样品申的水蜂与其后之相邻峰的分辨率R≥1。计算公式:
式中:tR(1)——水峰保留时间,s;tR(2)-—-—水后相邻蜂的保留时间,s Y(1)——水峰基线宽度,s,
Y(2)-水后相邻峰的基线宽度,s。4.2.4载气:Hz。
R=2Y+Ya
tR(2)tR(1)
4.2.5载气流量:20~~30mL/min,或适当流量。4.2.6柱温:100~~170℃,或适当柱温。4.2.7汽化室温度:150250℃。
4.2.8检测室温度:100~170℃,或适当温度。4.2.9柱长:1~3m不锈钢或玻璃柱。4.2.10进样器:10μL一支,50μL一支。:4.2.11进样量,1~8μL。必要时进样量可增加到40μL。4.3试剂
4.3.1丁酮:分析纯。
4.3.25A分子筛:在高温炉中500℃活化4h,置干燥器中备用。4.3.3无水丁酮或其他无水标样的制备:若被分析的稀释剂、防潮剂样品易制备成无水状态,并且又易溶解微量水制成标准样品,则选用其本身为底液来配制标准水样,否则,建议选用无水丁酮为底液来配制标准水样。
按上述方法选取的底液,经5A分子筛几次吸水后,在磨口瓶中保存,使用时,在所使用的色谱条件下,进样8μL不出水峰即可使用,若有微小水峰,记录作以后测量水蜂面积或峰高校正用。4.4特殊要求
4.4.1所使用的配样瓶、进样器等,应在烘箱中烘干,置干燥器中备用。4.4.2在配样、取样以及整个分析过程中避免环境的潮气侵入。4.4.3进样时,用被测样品反复冲洗进样器,取进样三次以上的平行结果之平均值为测定值。4.4.4载气流路最好是不锈钢管或尼龙管。为保证水的敏感度,需尽量使载气干燥,因此,载气干燥管需加长,并定期活化。
4.5测定方法外标法
4.5.1估计被分析样品的大致含水量。在配有胶塞的三角瓶或10mL青霉素瓶中加入预先备好的无水底液,用称重法配-个数量级上与被分析样品含水量相近的标准水样。4.5.2标准水样应新配制,在短时间使用。测定时用4.2.10的进样器取标准水样进行测定,然后再取实测样品进行测定,分别进样三次。4.5.3如被测样品中水含量较低,外标可采用GB2366苯中饱和水的数据为基准。分析时苯中饱和水82
GB/T 1751—92
的峰高不应超过被测样品中水峰高的10倍,否则误差变大。苯-水平衡溶液的制备方法:将约150mL的苯(分析纯)置于分液漏斗中,与同体积的蒸馏水振荡、洗涤,除去水溶性物质。洗涤次数不少于五次。最后一次经充分振荡后连水一起装入苯-水平衡瓶(见图)或500mL试剂瓶中,静置10min后即可使用。每次使用前需搅拌或振荡30s以上,静置2min后则可作为某室温下的标准水样使用。根据室温查苯中饱和水溶解度表得出相应含水量。不锈翎搅拌棒
混度计
抽样孔
素四鐵乙婚事子
玻璃瓶
苯-水平衡瓶示意图
4.5.4计算方法(标准水样和被测样品进样量相同):Ar . w.. P × 100
式中:wx-
被测样品中水的质量百分含量,%,A.被测样品水峰面积(或蜂高)p.—被测样品的密度;
一标准水样的水的质量百分含量,%,A,——标准水样水峰面积(或峰高);0,n
标准水样的密度。
4.5.5为减少分析误差,进标准样和被测样品应使用同一支进样器,进样体积应相等。仪器衰减档数应相等。应尽可能配用色谱数据处理器代替手工测量色谱峰参数。水含量大于1%时,应优先采用峰面积法进行计算。
温度,℃
4.6允许差
水含量,%
GB/T 1751-92
苯中饱和水溶解度
温度,℃
水含量,%
4.6.1标准水样和被测样品应各取三次进样的分析数据平均值作为计算依据。三次数据之间平行相对误差均不应大于5%。
4.6.2含水量为0.02%~3%时,试样的标准值和测定的平均值之间的差值应不大于标准值的10%。5试验报告
5.1试验报告至少包括如下内容:a.
被测样品的名称、来源及批号;注明采用本国家标准;
与本试验所规定的程序的任何不同之处,试验结果;
试验日期。bzxZ.net
如采用气相色谱法定量分析还应包括如下内容:5.2
标准水样名称;
气相色谱主要测试条件。如:柱、固定相、柱温、汽化温度、进样量等。附加说明:
本标准由中华人民共和国化学工业部提出。本标准由全国涂料和额料标准化技术委员会归口。本标准由上海市涂料研究所起草。本标准主要起草人童国忠。
黑筋,绿椎17bzw.cn瓶熊糯卸饮龙蝉藕顏
小提示:此标准内容仅展示完整标准里的部分截取内容,若需要完整标准请到上方自行免费下载完整标准文档。
标准图片预览:




- 其它标准
- 热门标准
- 化工行业标准(HG)
- HG/T3534-2011 代替 HG/T 3534-2003 工业循环冷却水污垢和腐蚀产物中酸不溶物、磷、铁、铝、钙、镁、锌、铜含量测定方法
- HG/T2784-1996 工业用亚硫酸铵
- HG/T4519-2013 碱式碳酸钴
- HG/T5699-2020 扩散渗析阳膜
- HG2208-1991 甲霜灵可湿性粉剂
- HG/T2058.1-1991 搪玻璃温度计套
- HG/T2343-2012 硫化促进剂ETU
- HG/T20510-2014 仪表供气设计规范
- HG/T20704.3-2000 机泵专业工程设计阶段的工作程序
- HG/T20701.12-2000 容器、换热器和特殊设备专业厂商协调会工作程序及说明
- HG2975-1989 气体分析 标准混合气 混合物制备证书
- HG2207-1991 甲霜灵粉剂
- HG21607-1996 异形筒体和封头
- HG/T2192-1991 喷砂橡胶软管
- HG2418-1993 饲料添加剂 碘酸钙
- 行业新闻
请牢记:“bzxz.net”即是“标准下载”四个汉字汉语拼音首字母与国际顶级域名“.net”的组合。 ©2025 标准下载网 www.bzxz.net 本站邮件:bzxznet@163.com
网站备案号:湘ICP备2025141790号-2
网站备案号:湘ICP备2025141790号-2