- 您的位置:
- 标准下载网 >>
- 标准分类 >>
- 国家标准(GB) >>
- GB/T 246-2007 金属管 压扁试验方法
标准号:
GB/T 246-2007
标准名称:
金属管 压扁试验方法
标准类别:
国家标准(GB)
标准状态:
现行-
发布日期:
2007-07-18 -
实施日期:
2008-02-01 出版语种:
简体中文下载格式:
.rar.pdf下载大小:
123.80 KB
标准ICS号:
冶金>>金属材料试验>>77.040.10金属材料力学试验中标分类号:
冶金>>金属理化性能试验方法>>H23金属工艺性能试验方法
替代情况:
替代GB/T 246-1997采标情况:
IDT ISO 8492:1998
点击下载
标准简介:
标准下载解压密码:www.bzxz.net
本标准规定了测定圆形横截面金属管塑性变形能力的压扁试验方法。本标准适用于外径不超过600mm,壁厚不超过外径的15%的金属管。本标准适用的金属管外径和壁厚范围可以在相关的产品标准中做更详细的规定。 GB/T 246-2007 金属管 压扁试验方法 GB/T246-2007
部分标准内容:
ICS 77.040.10
中华人民共和国国家标准
GB/T246--2007/ISO84921998
代替GB/T246-1997
金属管
压扁试验方法
Metalmaterials-Tube-Flatteningtest(ISO8492:1998,IDT)
2007-07-18发布
中华人民共和国国家质量监督检验检疫总局数码防伤
中国国家标准化管理委员会
2008-02-01实施
本标准等同采用ISO8492:1998(E)《金属管本标准等同翻译ISO8492:1998(E)《金属管本标准做了下列编排性修改:
“本国际标准”一词改为“本标准”;a)
用小数点“”代替作为小数点的“,”;b)
压扁试验方法》。
压扁试验方法》。
删除了国际标准的前言,增加了本标准前言;GB/T246—2007/ISO8492:1998
d)将原标准第7章a)参考本国际标准,例如:ISO8492”改为“本标准号”。本标准代替GB/T246—1997《金属管压扁试验方法》,对原标准做了如下修改:扩大了适用范围;
删掉了原标准中“通常,试样长度为40mm”的规定;删除了原标准中对试样焊缝试验时位置的规定。本标准由中国钢铁工业协会提出。本标准由全国钢标准化技术委员会归口。本标准起草单位:天津钢管集团有限公司、首钢总公司、冶金工业信息标准研究院。本标准主要起草人:苏英群、孙宇、王萍、董莉。本标准所代替标准的历次版本发布情况为:GB246—1963、GB246—1982、GB/T246—1997。1
1范围
金属管
压扁试验方法
GB/T246—2007/ISO8492:1998
本标准规定了测定圆形横截面金属管塑性变形能力的压扁试验方法,包括显示其缺陷。本标准适用于外径不超过600mm,壁厚不超过外径的15%的金属管。本标准适用的金属管外径和壁厚范围可以在相关的产品标准中做更详细的规定。2符号、名称和单位
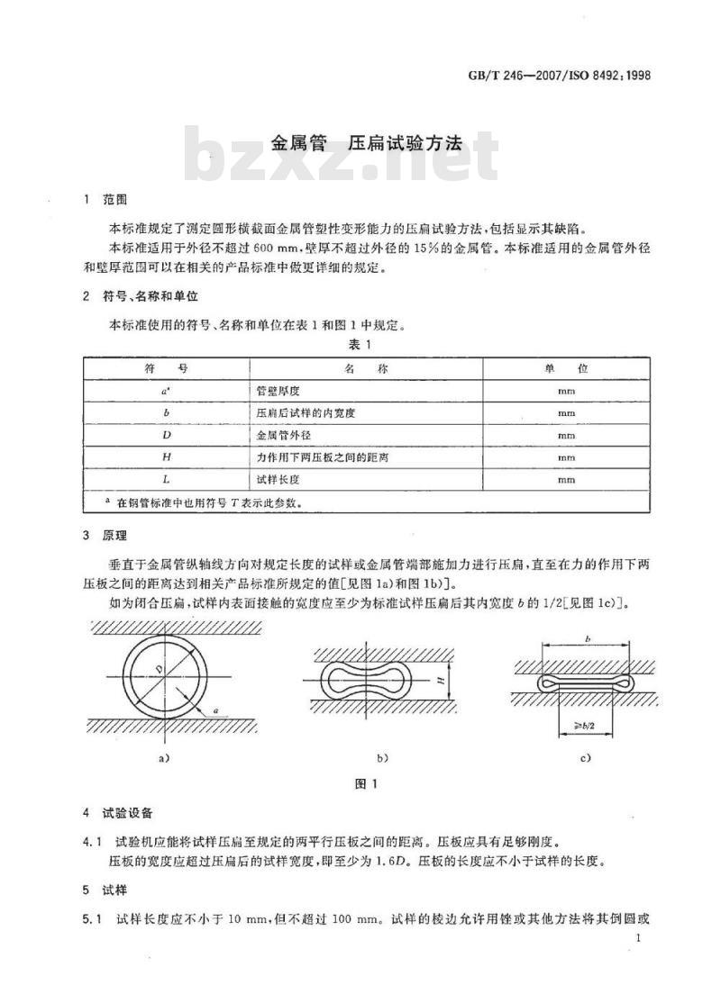
本标准使用的符号、名称和单位在表1和图1中规定。表1
管壁厚度
压扁后试样的内宽度
金属管外径
力作用下两压板之间的距离
试样长度
a在钢管标准中也用符号T表示此参数。3
垂直于金属管纵轴线方向对规定长度的试样或金属管端部施加力进行压扁,直至在力的作用下两压板之间的距离达到相关产品标准所规定的值[见图1a)和图1b)]。如为闭合压扁,试样内表面接触的宽度应至少为标准试样压扁后其内宽度6的1/2[见图1c)]。>b/2
4试验设备
4.1试验机应能将试样压扁至规定的两平行压板之间的距离。压板应具有足够刚度。c)
压板的宽度应超过压扁后的试样宽度,即至少为1.6D。压板的长度应不小于试样的长度。5试样
5.1试样长度应不小于10mm,但不超过100mm。试样的棱边允许用锉或其他方法将其倒圆或1
GB/T246—2007/ISO8492:1998
倒角。
注:如果试验结果满足试验要求,可以不对试样的棱边例圆或倒角。5.2如要在一根全长度管的管端进行试验时,应在距管端面为试样长度处垂直于管纵轴线切口,切割深度至少达外径的80%。
6试验程序
6.1试验一般应在10℃~35℃的室温范围内进行。对要求在控制条件下进行的试验,试验温度应为23℃±5℃。
6.2试样置于两压板之间。
6.3焊接管的焊缝应置于相关产品标准所规定的位置。6.4沿垂直于管子纵轴线方向移动压板进行压扁试验。6.5出现争议时,压板的移动速率不应超过25mm/min。6.6对压扁试验结果的说明应依据相关产品标准的要求。当产品标准中没做规定时,在不使用放大镜的情况下,如果无可见裂纹,应评定为合格。仅在试样棱角处的轻微开裂不应判废。试验报告
应根据产品标准的要求提供试验报告。试验报告至少应包含下列内容:a)本标准号;
b)试样标识;
c)试样尺寸;
d)压板间距;此内容来自标准下载网
如为焊接管,焊缝的位置;
试验结果。
GB/T246-2007
中华人民共和国
国家标准
金属管压扁试验方法
GB/T246—2007/ISO8492:1998
中国标准出版社出版发行
北京复兴门外三里河北街16号
邮政编码:100045
网址spc.net.cn
电话:6852394668517548
中国标准出版社秦皇岛印刷厂印刷各地新华书店经销
开本880×12301/16印张0.5字数6千字2007年9月第一版2007年9月第一次印刷*
如有印装差错由本社发行中心调换版权专有侵权必究
举报电话:(010)68533533
小提示:此标准内容仅展示完整标准里的部分截取内容,若需要完整标准请到上方自行免费下载完整标准文档。
中华人民共和国国家标准
GB/T246--2007/ISO84921998
代替GB/T246-1997
金属管
压扁试验方法
Metalmaterials-Tube-Flatteningtest(ISO8492:1998,IDT)
2007-07-18发布
中华人民共和国国家质量监督检验检疫总局数码防伤
中国国家标准化管理委员会
2008-02-01实施
本标准等同采用ISO8492:1998(E)《金属管本标准等同翻译ISO8492:1998(E)《金属管本标准做了下列编排性修改:
“本国际标准”一词改为“本标准”;a)
用小数点“”代替作为小数点的“,”;b)
压扁试验方法》。
压扁试验方法》。
删除了国际标准的前言,增加了本标准前言;GB/T246—2007/ISO8492:1998
d)将原标准第7章a)参考本国际标准,例如:ISO8492”改为“本标准号”。本标准代替GB/T246—1997《金属管压扁试验方法》,对原标准做了如下修改:扩大了适用范围;
删掉了原标准中“通常,试样长度为40mm”的规定;删除了原标准中对试样焊缝试验时位置的规定。本标准由中国钢铁工业协会提出。本标准由全国钢标准化技术委员会归口。本标准起草单位:天津钢管集团有限公司、首钢总公司、冶金工业信息标准研究院。本标准主要起草人:苏英群、孙宇、王萍、董莉。本标准所代替标准的历次版本发布情况为:GB246—1963、GB246—1982、GB/T246—1997。1
1范围
金属管
压扁试验方法
GB/T246—2007/ISO8492:1998
本标准规定了测定圆形横截面金属管塑性变形能力的压扁试验方法,包括显示其缺陷。本标准适用于外径不超过600mm,壁厚不超过外径的15%的金属管。本标准适用的金属管外径和壁厚范围可以在相关的产品标准中做更详细的规定。2符号、名称和单位
本标准使用的符号、名称和单位在表1和图1中规定。表1
管壁厚度
压扁后试样的内宽度
金属管外径
力作用下两压板之间的距离
试样长度
a在钢管标准中也用符号T表示此参数。3
垂直于金属管纵轴线方向对规定长度的试样或金属管端部施加力进行压扁,直至在力的作用下两压板之间的距离达到相关产品标准所规定的值[见图1a)和图1b)]。如为闭合压扁,试样内表面接触的宽度应至少为标准试样压扁后其内宽度6的1/2[见图1c)]。>b/2
4试验设备
4.1试验机应能将试样压扁至规定的两平行压板之间的距离。压板应具有足够刚度。c)
压板的宽度应超过压扁后的试样宽度,即至少为1.6D。压板的长度应不小于试样的长度。5试样
5.1试样长度应不小于10mm,但不超过100mm。试样的棱边允许用锉或其他方法将其倒圆或1
GB/T246—2007/ISO8492:1998
倒角。
注:如果试验结果满足试验要求,可以不对试样的棱边例圆或倒角。5.2如要在一根全长度管的管端进行试验时,应在距管端面为试样长度处垂直于管纵轴线切口,切割深度至少达外径的80%。
6试验程序
6.1试验一般应在10℃~35℃的室温范围内进行。对要求在控制条件下进行的试验,试验温度应为23℃±5℃。
6.2试样置于两压板之间。
6.3焊接管的焊缝应置于相关产品标准所规定的位置。6.4沿垂直于管子纵轴线方向移动压板进行压扁试验。6.5出现争议时,压板的移动速率不应超过25mm/min。6.6对压扁试验结果的说明应依据相关产品标准的要求。当产品标准中没做规定时,在不使用放大镜的情况下,如果无可见裂纹,应评定为合格。仅在试样棱角处的轻微开裂不应判废。试验报告
应根据产品标准的要求提供试验报告。试验报告至少应包含下列内容:a)本标准号;
b)试样标识;
c)试样尺寸;
d)压板间距;此内容来自标准下载网
如为焊接管,焊缝的位置;
试验结果。
GB/T246-2007
中华人民共和国
国家标准
金属管压扁试验方法
GB/T246—2007/ISO8492:1998
中国标准出版社出版发行
北京复兴门外三里河北街16号
邮政编码:100045
网址spc.net.cn
电话:6852394668517548
中国标准出版社秦皇岛印刷厂印刷各地新华书店经销
开本880×12301/16印张0.5字数6千字2007年9月第一版2007年9月第一次印刷*
如有印装差错由本社发行中心调换版权专有侵权必究
举报电话:(010)68533533
小提示:此标准内容仅展示完整标准里的部分截取内容,若需要完整标准请到上方自行免费下载完整标准文档。
标准图片预览:





- 其它标准
- 热门标准
- 国家标准(GB)
- GB/T38684-2020 金属材料 薄板和薄带 双轴应力-应变曲线胀形试验 光学测量方法
- GB5585.3-1985 电工用铜、铝及其合金母线 第3部分:铝母线
- GB/T19561-2004 寒地节能日光温室建造规程
- GB/T7574-1987 信息处理交换用磁带标号和文卷结构
- GB/T24715-2009 氧源转换器
- GB/T18442.6-2011 固定式真空绝热深冷压力容器 第6部分:安全防护
- GB∕T33370-2016 铜及铜合金软化温度的测定方法
- GB/Z18039.7-2011 电磁兼容 环境公用供电系统中的电压暂降、短时中断及其测量统计结果
- GB/T283-2007 滚动轴承圆柱滚子轴承外形尺寸
- GB/T21666-2008 尿吸收辅助器具 评价的一般指南
- GB/T21242-2019 烟花爆竹 禁限用物质定性检测方法
- GB/T19673.2-2013 滚动轴承 套筒型直线球轴承附件第2部分:5系列外形尺寸和公差
- GB/T12500-1990 信息处理系统 开放系统互连 面向连接的运输协议规范
- GB/T10006-2021 塑料 薄膜和薄片 摩擦系数的测定
- GB/T39088-2020 船舶和海上技术 声响接收系统
- 行业新闻
请牢记:“bzxz.net”即是“标准下载”四个汉字汉语拼音首字母与国际顶级域名“.net”的组合。 ©2025 标准下载网 www.bzxz.net 本站邮件:bzxznet@163.com
网站备案号:湘ICP备2025141790号-2
网站备案号:湘ICP备2025141790号-2