- 您的位置:
- 标准下载网 >>
- 标准分类 >>
- 轻工行业标准(QB) >>
- QB/T 2865-2007 制鞋机械 自动圆盘式塑胶鞋底注射成型机
标准号:
QB/T 2865-2007
标准名称:
制鞋机械 自动圆盘式塑胶鞋底注射成型机
标准类别:
轻工行业标准(QB)
标准状态:
现行-
发布日期:
2007-05-29 -
实施日期:
2007-12-01 出版语种:
简体中文下载格式:
.rar.pdf下载大小:
680.57 KB
点击下载
标准简介:
标准下载解压密码:www.bzxz.net
本标准规定了自动圆盘式塑胶鞋底注射成型机的分类、要求、试验方法、检验规则和标志、包装、运输、贮存,本标准适用于自动圆盘式塑胶鞋底注射成型机。 QB/T 2865-2007 制鞋机械 自动圆盘式塑胶鞋底注射成型机 QB/T2865-2007
部分标准内容:
ICS61.080
分类号:Y99
备案号:21459-2007
中华人民共和国轻工行业标准
QB/T2865-2007
制鞋机械
自动圆盘式塑胶鞋底注射成型机Footwearmachines
Automatic disk type plastic sole injection moulding machine2007-05-29发布
中华人民共和国国家发展和改革委员会2007-12-01实施
本标准的附录A为规范性附录。
本标准由中国轻工业联合会提出。前言
本标准由全国毛皮制革机械标准化中心归口。rKAoNYKAca=
QB/T2865-2007
本标准由温州志光制鞋机械有限公司负资起草,中国皮革和制鞋工业研究院参加起草。本标准主要起草人:何志光、姜国潘、黄水锋、黎忠平、孟常冰。本标准首次发布。
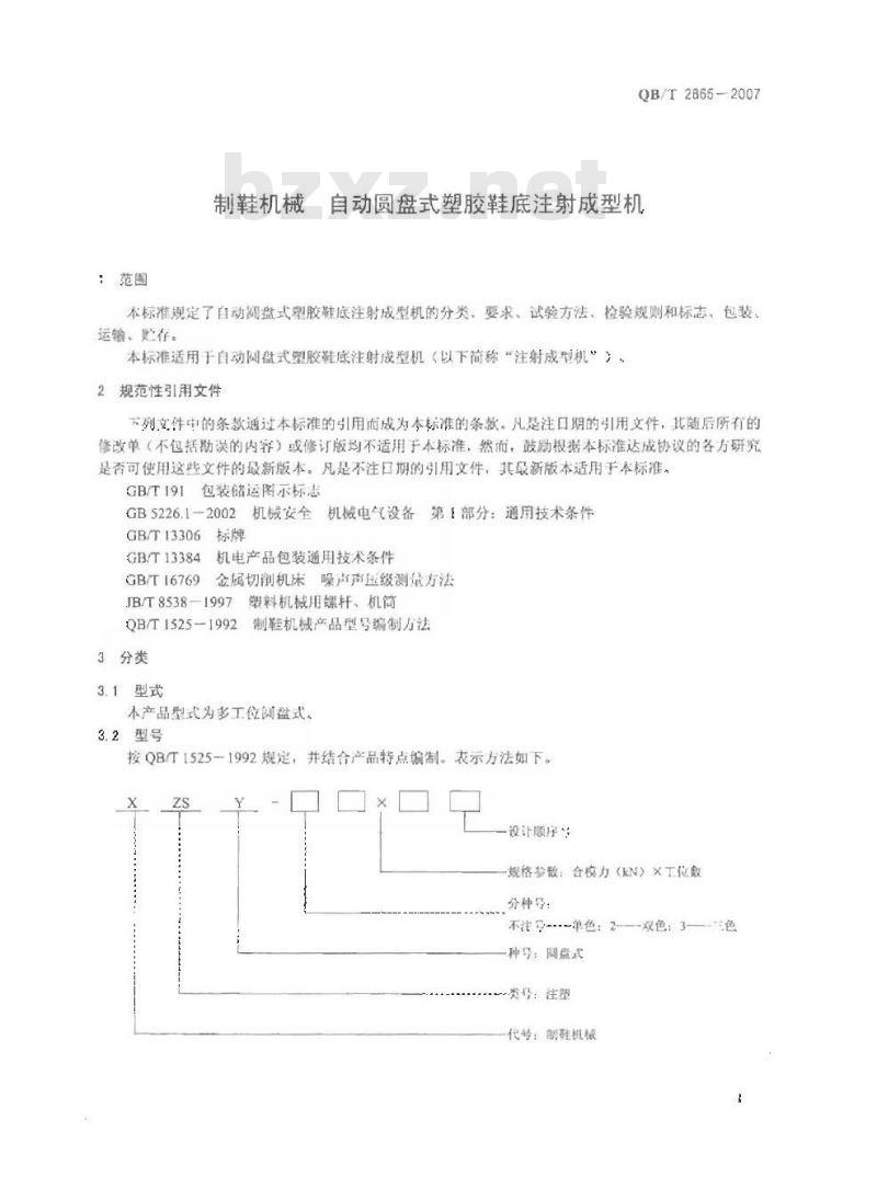
:范围
QB/T2865-2007
制鞋机械自动圆盘式塑胶鞋底注射成型机本标准规定了自动即盘式塑胶鞋底注射成型机的分类、要求,试验方法、检验规则和标志、包装:运输、更存。
本标准适用于自动刚盘式塑胶鞋底注射成型机《以下简称“注射成型机”)2规范性引用文件
下列文件中的条款通过本标准的引用而成为本标准的条款,凡是注口期的引用文件,其随后所有的修改单(不包括勘误的内容)或修订版均不适用于本标准,然而,鼓励根帮本标准达成协议的各方研究是否可使用这些文件的最新版本。凡是不注口期的引用文件,其最新版本适用于本标准,GB/T191包装储运图示标志
GB5226.1一2002机械安全机械电气设备第1部分:通用技术条件GB/T13306标牌
GB/T13384机电产品包装通用技术条件GB/T16769
金属切削机床噪声声压级测量方法塑料机械用螺杆、机筒
JB/T8538-[997
QB/T1525-1992
制鞋机产品型号编制方法
3分类
3.1型式
本产品型式为多工位圆盘式。
3.2型号
按QBT[525一1992规定,并结合产品特点编制。表示方法如下。设计顺序
规格分数:合校力(KN)×工化数分种号:
不注~单色:2——双色:3—色
种号:隔盘式
类经:注塑
代号:部鞋机械
QB/T2865-2007
3.3分类
注射成型机按制造的鞋底颜色种数分类,可分为单色机、双色机。空色机三类。3.4结构
3.4.1注射成型机主要由注射系统、液压系统、电气系统、合模机构、机架组合五个部分组成。注射系统由注射部分、塑化部分组成。3.4.2路
液压系统由合模控制部分、注射控制部分、转盘驱动部分组成3.43
电气系统由电源电路、温控电热装置、微机(控制)系统组成。34.4
3.4.5合模机构由上压机板、下压机板、模墩等部件组成。3.4.6机架组合由刹车机构、机器架体、旋转机构组成。3.5基本参数
注射成型机的基本参数见表]。
表1基本参数
工位数/个
合模力/KN
螺杆直径/mum
螺杆长径比
最大射程/mm
螺杆转速/(t/min)
理论注射容积/cm
实际注射质量(物料:TPR)7g
(TPR密度按0.93g/cm计)
塑化能力(物料:TPR)/(g/s)注射速率(物料:TPR)/(g/s)注射压力(压强)/MPa
合模空间/(mm×mm×mm)
合模行程/mm
温控段数/段
4要求
4.1基本要求
10.12.16,20,24,30
主机:75
制机:65
主机:880
副机:660
主机:818
副机:610
主机:45
副机:36
主机:320
刷机:200
600×320×250(棋摩120~250)250
主机:75
副机65
副机二、65
主机:880
耐机:660
副机二:660
主机:818
副机一:610
静机二:610
主机:45
刷机—:36
翻机二:36
主机:320
翻机—:200
副机二:200
4.1.1注射成型机应符合本标准要求,并按经规定程序批准的图样和技术文件制造、2
KAONiKAca=
QB/T2865-2007
4.1.2注射成型机采用的材料:应具有质量合格证书方可使用:仪器仪表、液压元件、电子元件、电机电器等配套件应符合国家有关标准的规定,并附有合格证方可进行装配。4.2整机性能
.2.1注射成型机应具有自动類化、注塑、成型,连续生产单色(或双色、或三色)、发泡或不发泡的PVC、TPR等塑胶鞋底的长本功能、.2、2注射成型机的合模力、螺杆直径、垃大射程、实际注射质献、塑化能力、注射速率、注射压力应符合表1规定
4.2.3注射成整机的运动部件动作应准确、平稳、可靠、灵活,不应有滞和明显的冲击现象。4.2.4注射成型机在触动安全门时,转盘应车即停。4.2.5合模部分应设有安全光电开关,异物或人体器盲进入合模空间时,安全光电开关感应立即停止合模和转整动作。
4.2.≤注射成型机的工作噪声(声压级)应不大于85dB(A)。鞋注射系统
4.3.1螺杆和料筒(机筒)应符合JB/T8538的规定。4.3.2注料精确,其相对误差(8)应符合-2%~2%4.3.3注射喷嘴动作应灵活,定位准确,不应有不出料或漏料现象。4.3.4注射喷嘴入料口后部的轴承部位,应有强制冷却装置,其温度应不超过70℃温升应不大于40℃。
4.4电气系统
4.4.1电气线路应排列整齐,接头牢固,所有接线端了应有明显标志。4.4.2每台注射机应有4段(套)温控电热装置,应有相应电流表,显示加热电。4.4.3微机系统险能可解地输入各种指令,以控制各类液压元件、各类计时器、电磁制车、计数器等执行元件按设定要求动作。微机系统应对整机工作状态实行全程监控,运行出现故障,应能报警,并显示故障的部位
4.4.4电气系统安全
4.4.3.1保护接地连续性应符合GB5226.1-2002中8.2.3的要求4.4.4.2动力电路导线和保护接地电路间的绝缘电阻应不小于1M%电气设备的所有电路导线与保护接地电路之间应经受耐压试验。微机系统电路应符合GB4.44.3
5226,1一2002中6.4的防护规定(无尚耐压试验)。4.5
液压系统
4.5.1工作时,油温不应超过60℃。液压系统中油箱、管道及集成块,在装配前应清洗干净。4.5.2
液压系统的液压元件及管路应无漏油、渗油现象。4.5.3
液压元件风动作准确,功能可靠,无异常噪声。45.4
45.5管路排列应整齐美观,便于维修与生产作业。管路育曲处应圆清,不应有明显皱播4.6合横机构
合模机构应能自动调整模具的平行度,具有快速合模,慢速锁模,快速开模,平稳定位的功能,不应有庭行、压现象,
4.7外现质量
整机应布局合理,操作方便,外观整洁,色彩和请4.7.1
钣金件表面应光洁平整,不应有扭曲变形、凸起、凹陷、毛刺等缺陷。4.7.2
4.7.3涂漆件表面应色泽均勾:漆层牢固,不应有气泡、流挂、露底等缺陷。4.7.4电镀件镀层应均匀牢固,平整光洁,不变色,QB/T2865-2007
4.7.5发黑件表面应色调一致,不应有斑点及锈蚀现象::试验方法
5.1整机性能的检验
5.:7对注射成型机进行试生产,目测检验其基本功能。5.3.2基本参数
5.12.1合模力
5.1.2.1.1检测条件
a)被测拉杆和试验块的温度为室温:b)液压系统工作压力为额定值
5..2.1.2检测方法
方法!:采用精度为0.2%的BK-1型测力传感器及配套仪器检验(优先)方法2:采用应变仪测量拉杆最大应变量的方法(见附录A5.1、2.2螺杆直径检验:用精度为0.02mm的游标卡尺测量,5.1.2.3最大射程检验:用钢直尺测量。5.1.2.4实际注射质量检验
注:实际注射质最。塑化能力、注时速率三项可间时检测。5.1.2.4.1检测条件
a)物料为TPR:
b)喷嘴处加热温度为(160±6):e)预塑时注射喷嘴处于闭锁状态:d)最大行程。
5.1.2.4.2检测方法
TKAONiKAca=
进行对空注射,待物料冷却后用标准衡器称出其质量,检测三次,取三次检测结果的算术平均值作为实际注射量值。
5.1.2.5塑化能力
5.1.2.5.1检测条件
按5.1.2.4.1规定。
5.1.2.5.2检测方法
用秒表或其他更精确的计时装置记录塑化全行程1/4~3/4处的塑化时间,然后对空注射,待物料冷却后用天平(感量为0.1g)称出其质量。5.1.2.5.3计算
塑化能力按式(1)进行计算:
式中:
——塑化能力,单位为克每秒(g/s):G
称出质量,单位为克(g):
塑化时间,单位为秒(s)。
如此检测三次,取三次计算结果的算术平均值,作为塑化能力值。5.1.2.6注射速率
5.1.2.61检测条件
按5.1.2.4.1规定,
5.1.2.6.2检测方法
QB/T2865-2007
进行对空注射,并用秒表或其他更精确的计时装置记录其注射时间,待物料冷却后用天平(感量为0.1g)称出其质量,
5.1.2.6.3计算
注射速率按式(2)违行计算:
式中:
注射速率,单位为克每秒(/s?:m
称出质量,单位为克(g):
注时时间,单位为秒(s),
如此检测三次,取次计算结果的算术平均值,作为注射速率值。5.1.2.7注射压强
在机器空载运行条件下,注射活塞到底,根据压强表确定工作压强,按式(3)计算注射压强:PS
武中:
·----注射压强,单位为兆帕斯卡(MPa)注射活塞有效截面积,单位为平方厘米(cm2):So
工作压强,单位为兆帕斯卡(MPa):螺杆截面积,单位为平方厘米(cm):一注射油缸数量。
6.1.3注射成型机运动机构运行时间不少于20min,目测检验应符合4.2.3规定。51.在工作状态下触动安全门5次,日测检验应符合4.2.4规定51.S对4.2.5用感官检验。
5.1.6按GB/T16769规定的方法测量噪声,应符合4.2.6规定,5.2注射系统的检验
螺杆和料筒(机筒)的质量检验按JB/T8538规定进行。(2
5.2.2注料量误差检验:测试转速取螺杆最大转速的60%,测试注射量为理论注射量的60%,共测试10次。用感量不大于0.1g天平测量,计算出注料量的算术平均值,满得的最大,最小注料量与算术平均值的相对误差(5)均应符合4.3.2的要求。5.2.3注射喷嘴动作要求,用感官检验,应符合4.3.3的要求。5.2.4拍承温升检测:注射成型机连续生产(启动强制冷却装置)2h,用温度计测放提拌轴轴承部位外表面的温度,并计算其温开。5.3电气系统的检验
5.3.1电气系统中4.4.1、4.4.2、4.4.3用感官检验。532
保护接地连续性按GB5226.1一2002中19.2的有关内容进行检验。5.3.3绝缘电阻用DC500V兆欧表测量。5.3.4耐压试验按GB5226.1-2002中19.4的有关内容进行检验。QB/T2865-2007
5.4液压系统的检验
5.4.1工作油温的检验:负载试验完毕后,在油箱(泵)的吸油侧用温度计进行检测5.4.2液压系统中第4.5.2~4.5.5用感官检验5.5合模机构的检验
合模机构用感官检验,应合4.6的要求。5.6外观质量的检验
外观质量用目测检验,应符合4.7的要求。6检验规则
产品检验分出厂检验和型式检验6.1出厂检验
6.1.1每台产品应经制造厂质检部门进行检验,检验合格并签发合格证后方可出厂,TKAONiKAca=
6.1,2出厂检验项目为本标准要求中4.2.3、4.2.4、4.2.5、4.3.3、4.4.1~4.4.3、4.4.4.1、4.4.4.2、4.5.3~4.5.5、4.6、4.7的内容。
6.1.3出厂检验应在注射成型机连续空载运行4h后进行。6.2型式检验
6.2.1有下列情况之一时,应进行型式检验,2)新产品或老产品转厂生产的试制定型鉴定时:5)正式生产后,如结构、材料、工艺有较大改变,可能响产品性能时:)产品停产一年以上,恢复生产时:d)正常生产情况下,每两年进行一次:)国家质量监机构提出进行型式检验要求时。谷.2.2型式检验项目为本标准第4章“要求”及7.“标志”的内容。、3抽样与判定
在.1型式检验样品在出厂检验合格品中随机抽取,数量为2台,,垫型式检验有不合格项自时,应加能抽样,对该不合格项月进行检验:如仍有不合格时,则判该次型式检验为不合格。
?标志、包装、运输、贮存
7.:标志
7.1产品应有标牌,标牌尺寸应符合GB/T13306的规定,标牌应有下列内容8)制造厂名称及商标:
b)产品名称及型号:
c)产品编号及出广日期:
d)主要技术参数。
7.1.2产品应有操作标志,电气设备的蓄告标志,部分转轴、象、电机的转向标志,液压控制元件的识别标志。
7.1.3包装运输的图示标志应符合GB/T191的规定,7.2包装
产品包装应符合GB/T13384的要求,在产品包装箱内,应装有下列技术文件:a)装箱单:
b)产品检验合格证:
c)产品使用说明书。
7.3运输
QB/T2865-2007
产品可分体为部件运输,应适合陆路、水路等运输及装载要求。运输时,应有这整,防止日晒、雨淋。
7.4贮存
7.4.1产品应贮存在通风,干燥的库房内,避免受潮,不能与有腐蚀性的物品共存2产品如露天存放时,应有防南、防地表水的措施,14.2
QB/T2865-2007
附录A
(规范性附录)
合模力检测方法
采用应变仪测量拉杆最大应变量的方法KAONiKAca=
A.:把试验块安装在固定模板中心位置处(见图A.I)。试验块材料为抗拉强度不小于370MPa的钢或铸铁,试验块尺寸技图A.2、表A.1规定,A2在每根拉杆上,按图1粘贴灵敏应变片两个以上(偶数个)。A3测出拉杆应变截(在合模机构合紧状态下进行)。A.4合模力按公式(A.1)进行计算:SEe
武中:
合模力,单位为干牛领(kN):第i根拉杆上所受的轴向力,单位为千牛顿(kN)拉杆别试处截面积,单位为9方厘米(cm):拉杆材料的弹性模量,单位为千牛顿每平方厘米(kNIcm*):第1根拉杆的应变量,
试验换
图A.1试验块安装示意图
够移动模板
温度补健片
灵敏应变片
翻定模板
拉杆有效距
200223
224-249
250~279
280~314
试验块结构
试验块尺寸
QB/T2865-2007
单位为量来
安装面平行度
华人民共和国
轻工行业标准
制鞋机械
-YKAONIKAca=
自动圆盘式塑胶鞋底注射成型机QB/T2865-2007
中国轻工业出版社出版发行
地址:北京东长安街6号
邮政编码:100740
发行电话:(010)65241695
网址:htp:/chlip.com.en
Email:cluo@chlip.com.cn
轻工业标准化编辑出版委员会编辑地址:北京西城区月坛北小街6号邮政编码:100037
电话:(010)68049923
版权所有www.bzxz.net
侵权必究
书号:153019.3069
印数:1-200所
定价:12.00元
小提示:此标准内容仅展示完整标准里的部分截取内容,若需要完整标准请到上方自行免费下载完整标准文档。
分类号:Y99
备案号:21459-2007
中华人民共和国轻工行业标准
QB/T2865-2007
制鞋机械
自动圆盘式塑胶鞋底注射成型机Footwearmachines
Automatic disk type plastic sole injection moulding machine2007-05-29发布
中华人民共和国国家发展和改革委员会2007-12-01实施
本标准的附录A为规范性附录。
本标准由中国轻工业联合会提出。前言
本标准由全国毛皮制革机械标准化中心归口。rKAoNYKAca=
QB/T2865-2007
本标准由温州志光制鞋机械有限公司负资起草,中国皮革和制鞋工业研究院参加起草。本标准主要起草人:何志光、姜国潘、黄水锋、黎忠平、孟常冰。本标准首次发布。
:范围
QB/T2865-2007
制鞋机械自动圆盘式塑胶鞋底注射成型机本标准规定了自动即盘式塑胶鞋底注射成型机的分类、要求,试验方法、检验规则和标志、包装:运输、更存。
本标准适用于自动刚盘式塑胶鞋底注射成型机《以下简称“注射成型机”)2规范性引用文件
下列文件中的条款通过本标准的引用而成为本标准的条款,凡是注口期的引用文件,其随后所有的修改单(不包括勘误的内容)或修订版均不适用于本标准,然而,鼓励根帮本标准达成协议的各方研究是否可使用这些文件的最新版本。凡是不注口期的引用文件,其最新版本适用于本标准,GB/T191包装储运图示标志
GB5226.1一2002机械安全机械电气设备第1部分:通用技术条件GB/T13306标牌
GB/T13384机电产品包装通用技术条件GB/T16769
金属切削机床噪声声压级测量方法塑料机械用螺杆、机筒
JB/T8538-[997
QB/T1525-1992
制鞋机产品型号编制方法
3分类
3.1型式
本产品型式为多工位圆盘式。
3.2型号
按QBT[525一1992规定,并结合产品特点编制。表示方法如下。设计顺序
规格分数:合校力(KN)×工化数分种号:
不注~单色:2——双色:3—色
种号:隔盘式
类经:注塑
代号:部鞋机械
QB/T2865-2007
3.3分类
注射成型机按制造的鞋底颜色种数分类,可分为单色机、双色机。空色机三类。3.4结构
3.4.1注射成型机主要由注射系统、液压系统、电气系统、合模机构、机架组合五个部分组成。注射系统由注射部分、塑化部分组成。3.4.2路
液压系统由合模控制部分、注射控制部分、转盘驱动部分组成3.43
电气系统由电源电路、温控电热装置、微机(控制)系统组成。34.4
3.4.5合模机构由上压机板、下压机板、模墩等部件组成。3.4.6机架组合由刹车机构、机器架体、旋转机构组成。3.5基本参数
注射成型机的基本参数见表]。
表1基本参数
工位数/个
合模力/KN
螺杆直径/mum
螺杆长径比
最大射程/mm
螺杆转速/(t/min)
理论注射容积/cm
实际注射质量(物料:TPR)7g
(TPR密度按0.93g/cm计)
塑化能力(物料:TPR)/(g/s)注射速率(物料:TPR)/(g/s)注射压力(压强)/MPa
合模空间/(mm×mm×mm)
合模行程/mm
温控段数/段
4要求
4.1基本要求
10.12.16,20,24,30
主机:75
制机:65
主机:880
副机:660
主机:818
副机:610
主机:45
副机:36
主机:320
刷机:200
600×320×250(棋摩120~250)250
主机:75
副机65
副机二、65
主机:880
耐机:660
副机二:660
主机:818
副机一:610
静机二:610
主机:45
刷机—:36
翻机二:36
主机:320
翻机—:200
副机二:200
4.1.1注射成型机应符合本标准要求,并按经规定程序批准的图样和技术文件制造、2
KAONiKAca=
QB/T2865-2007
4.1.2注射成型机采用的材料:应具有质量合格证书方可使用:仪器仪表、液压元件、电子元件、电机电器等配套件应符合国家有关标准的规定,并附有合格证方可进行装配。4.2整机性能
.2.1注射成型机应具有自动類化、注塑、成型,连续生产单色(或双色、或三色)、发泡或不发泡的PVC、TPR等塑胶鞋底的长本功能、.2、2注射成型机的合模力、螺杆直径、垃大射程、实际注射质献、塑化能力、注射速率、注射压力应符合表1规定
4.2.3注射成整机的运动部件动作应准确、平稳、可靠、灵活,不应有滞和明显的冲击现象。4.2.4注射成型机在触动安全门时,转盘应车即停。4.2.5合模部分应设有安全光电开关,异物或人体器盲进入合模空间时,安全光电开关感应立即停止合模和转整动作。
4.2.≤注射成型机的工作噪声(声压级)应不大于85dB(A)。鞋注射系统
4.3.1螺杆和料筒(机筒)应符合JB/T8538的规定。4.3.2注料精确,其相对误差(8)应符合-2%~2%4.3.3注射喷嘴动作应灵活,定位准确,不应有不出料或漏料现象。4.3.4注射喷嘴入料口后部的轴承部位,应有强制冷却装置,其温度应不超过70℃温升应不大于40℃。
4.4电气系统
4.4.1电气线路应排列整齐,接头牢固,所有接线端了应有明显标志。4.4.2每台注射机应有4段(套)温控电热装置,应有相应电流表,显示加热电。4.4.3微机系统险能可解地输入各种指令,以控制各类液压元件、各类计时器、电磁制车、计数器等执行元件按设定要求动作。微机系统应对整机工作状态实行全程监控,运行出现故障,应能报警,并显示故障的部位
4.4.4电气系统安全
4.4.3.1保护接地连续性应符合GB5226.1-2002中8.2.3的要求4.4.4.2动力电路导线和保护接地电路间的绝缘电阻应不小于1M%电气设备的所有电路导线与保护接地电路之间应经受耐压试验。微机系统电路应符合GB4.44.3
5226,1一2002中6.4的防护规定(无尚耐压试验)。4.5
液压系统
4.5.1工作时,油温不应超过60℃。液压系统中油箱、管道及集成块,在装配前应清洗干净。4.5.2
液压系统的液压元件及管路应无漏油、渗油现象。4.5.3
液压元件风动作准确,功能可靠,无异常噪声。45.4
45.5管路排列应整齐美观,便于维修与生产作业。管路育曲处应圆清,不应有明显皱播4.6合横机构
合模机构应能自动调整模具的平行度,具有快速合模,慢速锁模,快速开模,平稳定位的功能,不应有庭行、压现象,
4.7外现质量
整机应布局合理,操作方便,外观整洁,色彩和请4.7.1
钣金件表面应光洁平整,不应有扭曲变形、凸起、凹陷、毛刺等缺陷。4.7.2
4.7.3涂漆件表面应色泽均勾:漆层牢固,不应有气泡、流挂、露底等缺陷。4.7.4电镀件镀层应均匀牢固,平整光洁,不变色,QB/T2865-2007
4.7.5发黑件表面应色调一致,不应有斑点及锈蚀现象::试验方法
5.1整机性能的检验
5.:7对注射成型机进行试生产,目测检验其基本功能。5.3.2基本参数
5.12.1合模力
5.1.2.1.1检测条件
a)被测拉杆和试验块的温度为室温:b)液压系统工作压力为额定值
5..2.1.2检测方法
方法!:采用精度为0.2%的BK-1型测力传感器及配套仪器检验(优先)方法2:采用应变仪测量拉杆最大应变量的方法(见附录A5.1、2.2螺杆直径检验:用精度为0.02mm的游标卡尺测量,5.1.2.3最大射程检验:用钢直尺测量。5.1.2.4实际注射质量检验
注:实际注射质最。塑化能力、注时速率三项可间时检测。5.1.2.4.1检测条件
a)物料为TPR:
b)喷嘴处加热温度为(160±6):e)预塑时注射喷嘴处于闭锁状态:d)最大行程。
5.1.2.4.2检测方法
TKAONiKAca=
进行对空注射,待物料冷却后用标准衡器称出其质量,检测三次,取三次检测结果的算术平均值作为实际注射量值。
5.1.2.5塑化能力
5.1.2.5.1检测条件
按5.1.2.4.1规定。
5.1.2.5.2检测方法
用秒表或其他更精确的计时装置记录塑化全行程1/4~3/4处的塑化时间,然后对空注射,待物料冷却后用天平(感量为0.1g)称出其质量。5.1.2.5.3计算
塑化能力按式(1)进行计算:
式中:
——塑化能力,单位为克每秒(g/s):G
称出质量,单位为克(g):
塑化时间,单位为秒(s)。
如此检测三次,取三次计算结果的算术平均值,作为塑化能力值。5.1.2.6注射速率
5.1.2.61检测条件
按5.1.2.4.1规定,
5.1.2.6.2检测方法
QB/T2865-2007
进行对空注射,并用秒表或其他更精确的计时装置记录其注射时间,待物料冷却后用天平(感量为0.1g)称出其质量,
5.1.2.6.3计算
注射速率按式(2)违行计算:
式中:
注射速率,单位为克每秒(/s?:m
称出质量,单位为克(g):
注时时间,单位为秒(s),
如此检测三次,取次计算结果的算术平均值,作为注射速率值。5.1.2.7注射压强
在机器空载运行条件下,注射活塞到底,根据压强表确定工作压强,按式(3)计算注射压强:PS
武中:
·----注射压强,单位为兆帕斯卡(MPa)注射活塞有效截面积,单位为平方厘米(cm2):So
工作压强,单位为兆帕斯卡(MPa):螺杆截面积,单位为平方厘米(cm):一注射油缸数量。
6.1.3注射成型机运动机构运行时间不少于20min,目测检验应符合4.2.3规定。51.在工作状态下触动安全门5次,日测检验应符合4.2.4规定51.S对4.2.5用感官检验。
5.1.6按GB/T16769规定的方法测量噪声,应符合4.2.6规定,5.2注射系统的检验
螺杆和料筒(机筒)的质量检验按JB/T8538规定进行。(2
5.2.2注料量误差检验:测试转速取螺杆最大转速的60%,测试注射量为理论注射量的60%,共测试10次。用感量不大于0.1g天平测量,计算出注料量的算术平均值,满得的最大,最小注料量与算术平均值的相对误差(5)均应符合4.3.2的要求。5.2.3注射喷嘴动作要求,用感官检验,应符合4.3.3的要求。5.2.4拍承温升检测:注射成型机连续生产(启动强制冷却装置)2h,用温度计测放提拌轴轴承部位外表面的温度,并计算其温开。5.3电气系统的检验
5.3.1电气系统中4.4.1、4.4.2、4.4.3用感官检验。532
保护接地连续性按GB5226.1一2002中19.2的有关内容进行检验。5.3.3绝缘电阻用DC500V兆欧表测量。5.3.4耐压试验按GB5226.1-2002中19.4的有关内容进行检验。QB/T2865-2007
5.4液压系统的检验
5.4.1工作油温的检验:负载试验完毕后,在油箱(泵)的吸油侧用温度计进行检测5.4.2液压系统中第4.5.2~4.5.5用感官检验5.5合模机构的检验
合模机构用感官检验,应合4.6的要求。5.6外观质量的检验
外观质量用目测检验,应符合4.7的要求。6检验规则
产品检验分出厂检验和型式检验6.1出厂检验
6.1.1每台产品应经制造厂质检部门进行检验,检验合格并签发合格证后方可出厂,TKAONiKAca=
6.1,2出厂检验项目为本标准要求中4.2.3、4.2.4、4.2.5、4.3.3、4.4.1~4.4.3、4.4.4.1、4.4.4.2、4.5.3~4.5.5、4.6、4.7的内容。
6.1.3出厂检验应在注射成型机连续空载运行4h后进行。6.2型式检验
6.2.1有下列情况之一时,应进行型式检验,2)新产品或老产品转厂生产的试制定型鉴定时:5)正式生产后,如结构、材料、工艺有较大改变,可能响产品性能时:)产品停产一年以上,恢复生产时:d)正常生产情况下,每两年进行一次:)国家质量监机构提出进行型式检验要求时。谷.2.2型式检验项目为本标准第4章“要求”及7.“标志”的内容。、3抽样与判定
在.1型式检验样品在出厂检验合格品中随机抽取,数量为2台,,垫型式检验有不合格项自时,应加能抽样,对该不合格项月进行检验:如仍有不合格时,则判该次型式检验为不合格。
?标志、包装、运输、贮存
7.:标志
7.1产品应有标牌,标牌尺寸应符合GB/T13306的规定,标牌应有下列内容8)制造厂名称及商标:
b)产品名称及型号:
c)产品编号及出广日期:
d)主要技术参数。
7.1.2产品应有操作标志,电气设备的蓄告标志,部分转轴、象、电机的转向标志,液压控制元件的识别标志。
7.1.3包装运输的图示标志应符合GB/T191的规定,7.2包装
产品包装应符合GB/T13384的要求,在产品包装箱内,应装有下列技术文件:a)装箱单:
b)产品检验合格证:
c)产品使用说明书。
7.3运输
QB/T2865-2007
产品可分体为部件运输,应适合陆路、水路等运输及装载要求。运输时,应有这整,防止日晒、雨淋。
7.4贮存
7.4.1产品应贮存在通风,干燥的库房内,避免受潮,不能与有腐蚀性的物品共存2产品如露天存放时,应有防南、防地表水的措施,14.2
QB/T2865-2007
附录A
(规范性附录)
合模力检测方法
采用应变仪测量拉杆最大应变量的方法KAONiKAca=
A.:把试验块安装在固定模板中心位置处(见图A.I)。试验块材料为抗拉强度不小于370MPa的钢或铸铁,试验块尺寸技图A.2、表A.1规定,A2在每根拉杆上,按图1粘贴灵敏应变片两个以上(偶数个)。A3测出拉杆应变截(在合模机构合紧状态下进行)。A.4合模力按公式(A.1)进行计算:SEe
武中:
合模力,单位为干牛领(kN):第i根拉杆上所受的轴向力,单位为千牛顿(kN)拉杆别试处截面积,单位为9方厘米(cm):拉杆材料的弹性模量,单位为千牛顿每平方厘米(kNIcm*):第1根拉杆的应变量,
试验换
图A.1试验块安装示意图
够移动模板
温度补健片
灵敏应变片
翻定模板
拉杆有效距
200223
224-249
250~279
280~314
试验块结构
试验块尺寸
QB/T2865-2007
单位为量来
安装面平行度
华人民共和国
轻工行业标准
制鞋机械
-YKAONIKAca=
自动圆盘式塑胶鞋底注射成型机QB/T2865-2007
中国轻工业出版社出版发行
地址:北京东长安街6号
邮政编码:100740
发行电话:(010)65241695
网址:htp:/chlip.com.en
Email:cluo@chlip.com.cn
轻工业标准化编辑出版委员会编辑地址:北京西城区月坛北小街6号邮政编码:100037
电话:(010)68049923
版权所有www.bzxz.net
侵权必究
书号:153019.3069
印数:1-200所
定价:12.00元
小提示:此标准内容仅展示完整标准里的部分截取内容,若需要完整标准请到上方自行免费下载完整标准文档。
标准图片预览:





- 其它标准
- 热门标准
- 轻工行业标准(QB)
- QB/T2833-2006 运动营养食品 能量控制食品
- QB/T2058-1994 照相灯泡
- QB/T1949-2004 扬琴
- QB/T2956-2008 皮鞋外底
- QB/T1819-1993 R6纸板电池生产线
- QB/T2173-2001 尼龙拉链
- QB/T2421-1998 铝及铝合金不粘锅
- QB2176-1995 非公路自行车安全要求
- QB/T1753.3-1993 轻机产品图样及设计文件规定格式及填写要求
- QB/T4704-2014 腿脚按摩器
- QB/T2674-2004 皮鞋试穿检验规则
- QB/T1272-2012 毛皮 化学试验样品的准备
- QB/T1660-1992 猪鬃
- QB/T4427-2012 芸香浸膏 枫香树脂提取物
- QB6005-1992 麦芽厂设计规范
- 行业新闻
请牢记:“bzxz.net”即是“标准下载”四个汉字汉语拼音首字母与国际顶级域名“.net”的组合。 ©2025 标准下载网 www.bzxz.net 本站邮件:bzxznet@163.com
网站备案号:湘ICP备2025141790号-2
网站备案号:湘ICP备2025141790号-2