- 您的位置:
- 标准下载网 >>
- 标准分类 >>
- 冶金行业标准(YB) >>
- YB/T 4088-2000 石墨电极
标准号:
YB/T 4088-2000
标准名称:
石墨电极
标准类别:
冶金行业标准(YB)
英文名称:
Graphite Electrode标准状态:
现行-
发布日期:
2000-07-26 -
实施日期:
2000-12-01 出版语种:
简体中文下载格式:
.rar.pdf下载大小:
186.38 KB
替代情况:
YB/T 4088-1992采标情况:
IEC 60239-1997 MOD JISO R7201-1997 NEQ
起草人:
高勃、孙伟、赵梦周起草单位:
吉林炭素集团有限责任公司、冶金工业信息标准研究院、石家庄华南碳素厂归口单位:
冶金工业信息标准研究院提出单位:
冶金工业信息标准研究院发布部门:
国家冶金工业局相关标签:
石墨电极
点击下载
标准简介:
标准下载解压密码:www.bzxz.net
本标准规定了石墨电极的外形、尺寸及允许偏差、技术要求、试验方法、检验规则、包装、标志、储存、运输和质量证明书。本标准适用于以优质石油焦、沥青焦等为主要原料,经成型、焙烧、石墨化和机械加工制成,供电弧炉等作导电材料的普通功率石墨电极。 YB/T 4088-2000 石墨电极 YB/T4088-2000
部分标准内容:
YB/T 4088--2000
本标准在YB/T4088—1992《石墨电极》的基础上进行了修订。本标准等效采用IEC60239—1997《用于电弧炉的带有螺纹接头孔和接头的圆柱形石墨电极的公称尺寸》,并参照了JISR7201--1997《人造石墨电极》和有关样本。
本标准此次修订对下列条文进行了修改:-增加了规格和长度等级,
增加和调整了接头尺寸内容;
调整了技术指标;
将电极的电流负荷作为参考性指标置于附录中。本标准自实施之日起,代替YB/T4088—1992《石墨电极》。本标推的附录A是标准的附录,附录B是提示的附录。本标准由冶金工业信息标准研究院提出并归口。本标准起草单位:吉林炭索集团有限责任公司、冶金工业信息标准研究院、石家庄华南碳素厂。本标准主要起草人:高勃、孙伟、赵梦周。本标准于1992年12月首次发布。120
1范围
中华人民共和国黑色金属行业标准石墨电极
Graphite electrode
YB/T 4088-2000
代替YB/T4088—1992
本标准规定了石墨电极的外形、尺寸及允许偏差、技术要求、试验方法、检验规则、包装、标志、储存、运输和质量证明书。
本标准适用于以优质石油焦、沥青焦等为主要原料,经成型、焙烧、石墨化和机械加工制成,供电弧炉等作导电材料的普通功率石墨电极。2引用标准
下列标准所包含的条文,通过在本标准中引用而构成为本标准的条文。本标准出版时,所示版本均为有效。所有标准都会被修订,使用本标准的各方应探讨使用下列标准最新版本的可能性。GB/T1427—1988炭素材料取样方法GB/T1429—1985炭素材料灰分含量测定方法GB/T3074.1—1982石墨电极抗折强度测定方法GB/T3074.2—1982石墨电极弹性模量测定方法GB/T3074.4—1982石墨电极热膨胀系数(CTE)测定方法GB/T8170—1987数值修约规则
YB/T119-1997炭素材料体积密度测定方法YB/T 120—1997
炭素材料电阻率测定方法
YB/T 5212—1993
YB/T 8719—1997
声速法
整体石墨电极弹性模量试验
炭素材料及其制品的包装、标志、运输和质量证明书的一般规定3外形、尺寸及允许偏差
电极的直径及长度应符合表1的规定。表1
公称直径
实际直径
国家治金工业局2000-07-26批准黑皮部分小
2000-12-01实施
公称直径
YB/T 4088—2000
表1(完)
实际直径
电极的长度允许偏差应符合表2的规定。公称长度
标准长度偏差
3.3供货中每批允许短尺电极不超过15%黑皮部分最小
—100
3.4电极接头为圆锥形,接头的形状、尺寸按图1和表3的规定。L
1600/1800
1600/1800
1600/1800
1 600/1 800/2 000/2 200
1600/1800/2000/2200
1800/2000/2200/2400
1 800/2 000/2 200/2 400
2000/2200/2400
短尺长度偏差
领斜线
图1电极接头的形状、尺寸
3接头
YB/T4088-2000
接头孔
注:根据需方要求经供需双方协商,允许采用圆柱形及其他形状接头,圆柱形接头形状及尺寸按附录A(标准的附录)规定
5两根电极连接处端面间隙不大于0.4mm。3.5
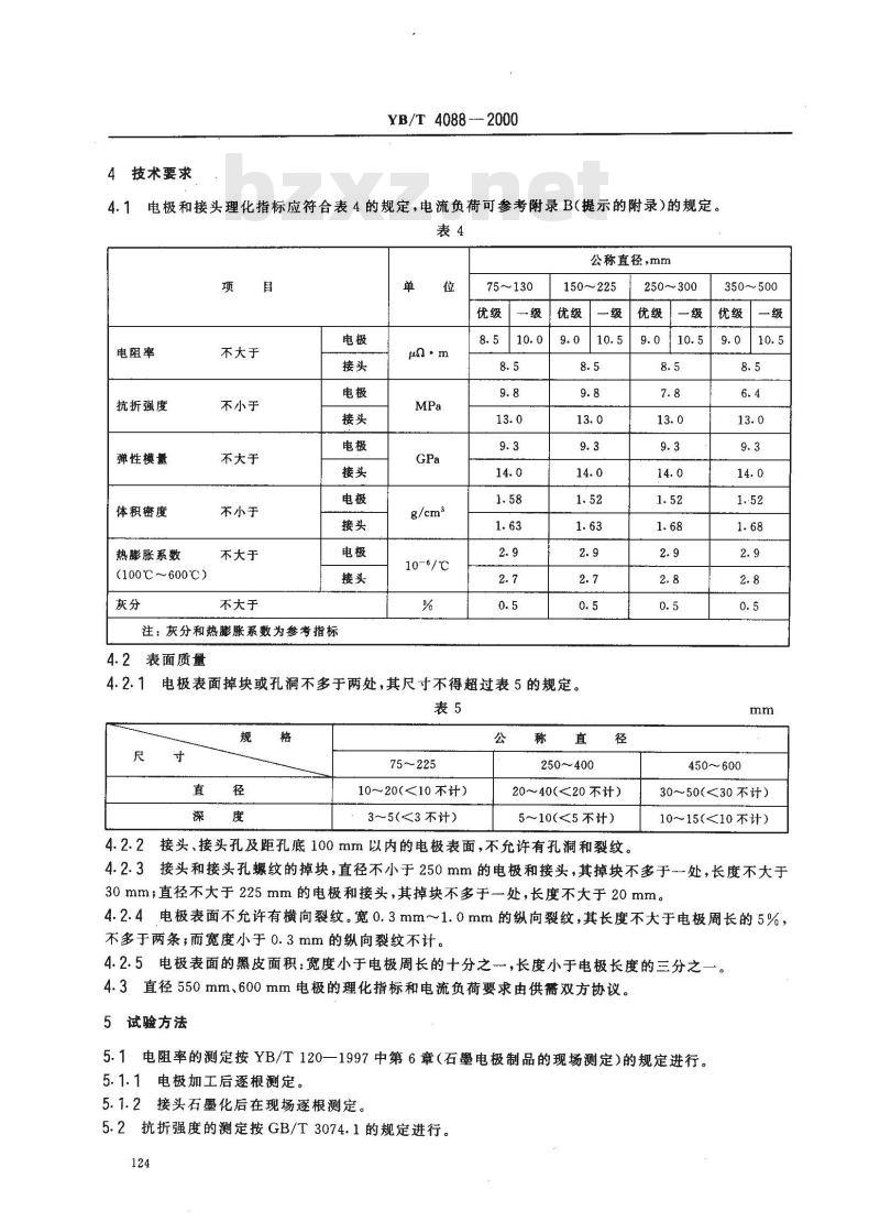
4技术要求
YB/T4088 -2000
电极和接头理化指标应符合表4的规定,电流负荷可参考附录B(提示的附录)的规定。4.1
公称直径,mm
电阻率
抗折强度
弹性模量
体积密度
热膨胀系数
(100℃~600℃)
不大于
不小于
不大于
不小于
不大于
不大于
注:灰分和热膨胀系数为参考指标4.2表面质量
μn·m
10-6/℃
75~130
150~225
电极表面掉块或孔洞不多于两处,其尺寸不得超过表5的规定。4.2.1
75~225
10~20(<10不计)
3~5(<3 不计)
250~400
20~40(<20不计)
5~10(<5不计)
4.2.2接头、接头孔及距孔底100mm以内的电极表面,不允许有孔洞和裂纹。250~300
350~500
450~~600
30~50(<30不计)
10~15(<10不计)
4.2.3接头和接头孔螺纹的掉块,直径不小于250mm的电极和接头,其掉块不多于一处,长度不大于30mm;直径不大于225mm的电极和接头,其掉块不多于一处,长度不大于20mm。4.2.4电极表面不允许有横向裂纹。宽0.3mm~1.0mm的纵向裂纹,其长度不大于电极周长的5%,不多于两条,而宽度小于0.3mm的纵向裂纹不计。4.2.5电极表面的黑皮面积:宽度小于电极周长的十分之,长度小于电极长度的三分之一4.3直径550mm、600mm电极的理化指标和电流负荷要求由供需双方协议。5试验方法
5.1电阻率的测定按YB/T120—1997中第6章(石墨电极制品的现场测定)的规定进行。5.1.1电极加工后逐根测定。
5.1.2接头石墨化后在现场逐根测定。5.2抗折强度的测定按GB/T3074.1的规定进行。124
YB/T4088-2000
弹性模量的测定按GB/T3074.2的规定进行。整体电极的测定按YB/T5212的规定进行。5.3
5.4体积密度的测定按YB/T119的规定进行。5.5热膨胀系数的测定按GB/T3074.4的规定进行。5.6灰分含量的测定按GB/T1429的规定进行。5.7
电极连接处端面间隙的测定使用塞尺。6检验规则
6.1电极的质量检查,由供方质量监督检验部门进行,需方可根据本标准的规定进行验收。6.2取样方法按GB/T1427的规定进行。6.3热膨胀系数(CTE)的批量及每批的取样数量。6.3.1同种品种、相同规格的电极,每月至少测定一次,接头每炉测定一次。6.3.2每次测定不少于2个试样,测定结果应写人质量证明书,以供用户参考。6.4数值的修约按GB/T8170的规定进行。7包装、标志、储存、运输和质量证明书7.1成品电极在与接头孔底相对应的电极表面上标出安全线。7.2电极、接头的包装、标志、储存、运输和质量证明书按.YB/T 8719的规定进行。125
YB/T 4088—2000
附录A
(标准的附录)
圆柱形接头形状和尺寸
A1圆柱形接头形状和尺寸见图A1和表A1。L
250152.40
300184.20
0.70285.10
0.70375.00
276.00+0.70265.10+0.70172.50297.70
附录B
(提示的附录)
石墨电极的电流负荷
B1石墨电极的电流负荷建议按表B1。表B1
公称直径.mm
允许电流负荷,A
1000~~1 400
1 500~2 400
2200~3400
3000~4500
接头孔
8. 47 2.372.82
12. 70 3. 674. 23bZxz.net
电流密度,A/cm2
公称直径,mm
YB/T 4088-2000
表B1(完)
允许电流负荷,A
5 000~~6 900
7000~10000
10 000~13 000
13500~18000
18 000~23 500
22 000~~27 000
25 000~32 000
电流密度,A/cm2
小提示:此标准内容仅展示完整标准里的部分截取内容,若需要完整标准请到上方自行免费下载完整标准文档。
本标准在YB/T4088—1992《石墨电极》的基础上进行了修订。本标准等效采用IEC60239—1997《用于电弧炉的带有螺纹接头孔和接头的圆柱形石墨电极的公称尺寸》,并参照了JISR7201--1997《人造石墨电极》和有关样本。
本标准此次修订对下列条文进行了修改:-增加了规格和长度等级,
增加和调整了接头尺寸内容;
调整了技术指标;
将电极的电流负荷作为参考性指标置于附录中。本标准自实施之日起,代替YB/T4088—1992《石墨电极》。本标推的附录A是标准的附录,附录B是提示的附录。本标准由冶金工业信息标准研究院提出并归口。本标准起草单位:吉林炭索集团有限责任公司、冶金工业信息标准研究院、石家庄华南碳素厂。本标准主要起草人:高勃、孙伟、赵梦周。本标准于1992年12月首次发布。120
1范围
中华人民共和国黑色金属行业标准石墨电极
Graphite electrode
YB/T 4088-2000
代替YB/T4088—1992
本标准规定了石墨电极的外形、尺寸及允许偏差、技术要求、试验方法、检验规则、包装、标志、储存、运输和质量证明书。
本标准适用于以优质石油焦、沥青焦等为主要原料,经成型、焙烧、石墨化和机械加工制成,供电弧炉等作导电材料的普通功率石墨电极。2引用标准
下列标准所包含的条文,通过在本标准中引用而构成为本标准的条文。本标准出版时,所示版本均为有效。所有标准都会被修订,使用本标准的各方应探讨使用下列标准最新版本的可能性。GB/T1427—1988炭素材料取样方法GB/T1429—1985炭素材料灰分含量测定方法GB/T3074.1—1982石墨电极抗折强度测定方法GB/T3074.2—1982石墨电极弹性模量测定方法GB/T3074.4—1982石墨电极热膨胀系数(CTE)测定方法GB/T8170—1987数值修约规则
YB/T119-1997炭素材料体积密度测定方法YB/T 120—1997
炭素材料电阻率测定方法
YB/T 5212—1993
YB/T 8719—1997
声速法
整体石墨电极弹性模量试验
炭素材料及其制品的包装、标志、运输和质量证明书的一般规定3外形、尺寸及允许偏差
电极的直径及长度应符合表1的规定。表1
公称直径
实际直径
国家治金工业局2000-07-26批准黑皮部分小
2000-12-01实施
公称直径
YB/T 4088—2000
表1(完)
实际直径
电极的长度允许偏差应符合表2的规定。公称长度
标准长度偏差
3.3供货中每批允许短尺电极不超过15%黑皮部分最小
—100
3.4电极接头为圆锥形,接头的形状、尺寸按图1和表3的规定。L
1600/1800
1600/1800
1600/1800
1 600/1 800/2 000/2 200
1600/1800/2000/2200
1800/2000/2200/2400
1 800/2 000/2 200/2 400
2000/2200/2400
短尺长度偏差
领斜线
图1电极接头的形状、尺寸
3接头
YB/T4088-2000
接头孔
注:根据需方要求经供需双方协商,允许采用圆柱形及其他形状接头,圆柱形接头形状及尺寸按附录A(标准的附录)规定
5两根电极连接处端面间隙不大于0.4mm。3.5
4技术要求
YB/T4088 -2000
电极和接头理化指标应符合表4的规定,电流负荷可参考附录B(提示的附录)的规定。4.1
公称直径,mm
电阻率
抗折强度
弹性模量
体积密度
热膨胀系数
(100℃~600℃)
不大于
不小于
不大于
不小于
不大于
不大于
注:灰分和热膨胀系数为参考指标4.2表面质量
μn·m
10-6/℃
75~130
150~225
电极表面掉块或孔洞不多于两处,其尺寸不得超过表5的规定。4.2.1
75~225
10~20(<10不计)
3~5(<3 不计)
250~400
20~40(<20不计)
5~10(<5不计)
4.2.2接头、接头孔及距孔底100mm以内的电极表面,不允许有孔洞和裂纹。250~300
350~500
450~~600
30~50(<30不计)
10~15(<10不计)
4.2.3接头和接头孔螺纹的掉块,直径不小于250mm的电极和接头,其掉块不多于一处,长度不大于30mm;直径不大于225mm的电极和接头,其掉块不多于一处,长度不大于20mm。4.2.4电极表面不允许有横向裂纹。宽0.3mm~1.0mm的纵向裂纹,其长度不大于电极周长的5%,不多于两条,而宽度小于0.3mm的纵向裂纹不计。4.2.5电极表面的黑皮面积:宽度小于电极周长的十分之,长度小于电极长度的三分之一4.3直径550mm、600mm电极的理化指标和电流负荷要求由供需双方协议。5试验方法
5.1电阻率的测定按YB/T120—1997中第6章(石墨电极制品的现场测定)的规定进行。5.1.1电极加工后逐根测定。
5.1.2接头石墨化后在现场逐根测定。5.2抗折强度的测定按GB/T3074.1的规定进行。124
YB/T4088-2000
弹性模量的测定按GB/T3074.2的规定进行。整体电极的测定按YB/T5212的规定进行。5.3
5.4体积密度的测定按YB/T119的规定进行。5.5热膨胀系数的测定按GB/T3074.4的规定进行。5.6灰分含量的测定按GB/T1429的规定进行。5.7
电极连接处端面间隙的测定使用塞尺。6检验规则
6.1电极的质量检查,由供方质量监督检验部门进行,需方可根据本标准的规定进行验收。6.2取样方法按GB/T1427的规定进行。6.3热膨胀系数(CTE)的批量及每批的取样数量。6.3.1同种品种、相同规格的电极,每月至少测定一次,接头每炉测定一次。6.3.2每次测定不少于2个试样,测定结果应写人质量证明书,以供用户参考。6.4数值的修约按GB/T8170的规定进行。7包装、标志、储存、运输和质量证明书7.1成品电极在与接头孔底相对应的电极表面上标出安全线。7.2电极、接头的包装、标志、储存、运输和质量证明书按.YB/T 8719的规定进行。125
YB/T 4088—2000
附录A
(标准的附录)
圆柱形接头形状和尺寸
A1圆柱形接头形状和尺寸见图A1和表A1。L
250152.40
300184.20
0.70285.10
0.70375.00
276.00+0.70265.10+0.70172.50297.70
附录B
(提示的附录)
石墨电极的电流负荷
B1石墨电极的电流负荷建议按表B1。表B1
公称直径.mm
允许电流负荷,A
1000~~1 400
1 500~2 400
2200~3400
3000~4500
接头孔
8. 47 2.372.82
12. 70 3. 674. 23bZxz.net
电流密度,A/cm2
公称直径,mm
YB/T 4088-2000
表B1(完)
允许电流负荷,A
5 000~~6 900
7000~10000
10 000~13 000
13500~18000
18 000~23 500
22 000~~27 000
25 000~32 000
电流密度,A/cm2
小提示:此标准内容仅展示完整标准里的部分截取内容,若需要完整标准请到上方自行免费下载完整标准文档。
标准图片预览:





- 其它标准
- 热门标准
- 冶金行业标准(YB)
- YB/T802-2009 冶金炉料用钢渣
- YB/T191.4-2001 铬矿石化学分析方法 重铬酸钾滴定法测定全铁含量
- YB/T5040-1993 氧化钼块化学分析方法 硫酸钡重量法测定硫
- YB/T4138-2005 焦粉和小颗粒焦炭
- YB/T5056-1993 钢钉检验、包装、标志、质量证明书及贮运的一般规定
- YB/T5354-2012 耐蚀合金冷轧板
- YB/T4261-2011 耐火热轧H型钢
- YB/T5145-1993 电石炉用自焙炭砖
- YB/T3223-1988 YZJ-19A型铰接式振动压路机技术条件
- YB(T)15-1986 60SiMn平面弹簧扁钢
- YBB0004-2003 急性全身毒性检查法(试行)
- YB/T5337-2006 金属点阵常数的测定方法 X射线衍射仪法
- YB/T5329-2009 五氧化二钒 硅含量的测定 硅钼蓝分光光度法
- YB/T069-2007 焊管用镀铜钢带
- YB/T5159-2007 高纯石墨制品中硅和铁的光谱测定 粉末法
- 行业新闻
请牢记:“bzxz.net”即是“标准下载”四个汉字汉语拼音首字母与国际顶级域名“.net”的组合。 ©2025 标准下载网 www.bzxz.net 本站邮件:bzxznet@163.com
网站备案号:湘ICP备2025141790号-2
网站备案号:湘ICP备2025141790号-2