- 您的位置:
- 标准下载网 >>
- 标准分类 >>
- 国家标准(GB) >>
- GB/T 11361-2008 同步带传动 梯形齿带轮
标准号:
GB/T 11361-2008
标准名称:
同步带传动 梯形齿带轮
标准类别:
国家标准(GB)
标准状态:
现行-
发布日期:
2008-04-16 -
实施日期:
2008-10-01 出版语种:
简体中文下载格式:
.rar.pdf下载大小:
283.16 KB
标准ICS号:
机械系统和通用件>>挠性传动和传送>>21.220.10带传动及其零件中标分类号:
机械>>通用零部件>>J18链传动、皮带传动与键联结
替代情况:
替代GB/T 11361-1989采标情况:
MOD ISO 5294:1989
点击下载
标准简介:
标准下载解压密码:www.bzxz.net
本标准规定了用来传递机械动力 准确定位或实现同步传动的同步带传动中梯形齿带轮的基本特征 包括:轮齿尺寸及极限偏差、带轮尺寸及极限偏差、带轮形位公差。 本标准修改采用ISO5294:1989《同步带传动 带轮》。相对国际标准,增加了同步带轮端面圆跳动检测和同步带轮径向圆跳动检测图示(图5和图6);编辑方法不同,并为区别曲线齿同步带轮,本标准同步带轮注明为梯形齿同步带轮。本标准是对GB/T11361—1989《同步带传动 带轮》的修订。本标准与GB/T11361—1989相比主要技术差异如下:———为区别曲线齿同步带轮,注明梯形齿带轮;———减少了挡圈厚度的规定;———增加了外径极限偏差值的规定范围;———删减轮宽b小于10mm 时,以10mm 计算带轮平行度和锥度的规定。 GB/T 11361-2008 同步带传动 梯形齿带轮 GB/T11361-2008
部分标准内容:
ICS21.220.10
中华人民共和国国家标准
GB/T11361-—2008
代替GB/T11361-1989
同步带传动
梯形齿带轮
Synchronous belt drives--Trapezoidal toothed pulleys(ISO 5294:1989,Synchronous belt drives--Pulleys ,MOD)2008-04-16发布
中华人民共和国国家质量监督检验检疫总局中国国家标准化管理委员会
2008-10-01实施
GB/T11361-2008
本标准修改采用ISO5294:1989《同步带传动带轮》。相对国际标准,增加了同步带轮端面圆跳动检测和同步带轮径向圆跳动检测图示(图5和图6);编辑方法不同,并为区别曲线齿同步带轮,本标准同步带轮注明为梯形齿同步带轮。本标准是对GB/T11361-1989《同步带传动带轮》的修订。本标准与GB/T11361-1989相比主要技术差异如下:为区别曲线齿同步带轮,注明梯形齿带轮;减少了挡圈厚度的规定,
增加了外径极限偏差值的规定范围;删减轮宽b小于10nm时,以10mm计算带轮平行度和锥度的规定。本标准由中国机械工业联合会提出并归口。本标准起草单位:中机生产力促进中心、宁波凯弛胶带有限公司、无锡太湖同步带轮厂。本标准主要起草人:秦书安、黄刚、胡志洪、冯晓平、谢炳生。本标准由中机生产力促进中心负责解释。本标准所代替标准的历次版本发布情况为:-GB/T11361—1989。
1范围
同步带传动
梯形齿带轮
GB/T11361—2008
本标准规定了用来传递机械动力,准确定位或实现同步传动的同步带传动中梯形齿带轮的基本特征,包括:轮齿尺寸及极限偏差、带轮尺寸及极限偏差、带轮形位公差。2规范性引用文件
下列文件中的条款通过本标准的引用而成为本标准的条款。凡是注日期的引用文件,其随后所有的修改单(不包括勘误的内容)或修订版均不适用于本标准,然而,鼓励根据本标准达成协议的各方研究是否可使用这些文件的最新版本。凡是不注日期的引用文件,其最新版本适用于本标准。GB/T6931.3—2008带传动术语第3部分:同步带传动术语(ISO5288:2001,MOD)GB/T11357—2008带轮的材质、表面粗糙度及平衡(ISO254:1998,MOD)3轮齿尺寸
3.1渐开线齿
齿条刀具的尺寸及极限偏差见图1和表1。图1加工渐开线齿的齿条刀具
GB/T11361—2008
齿半角
A±0.12/()
齿项厚
齿顶圆角半径
齿根圆角半径
两倍节根距
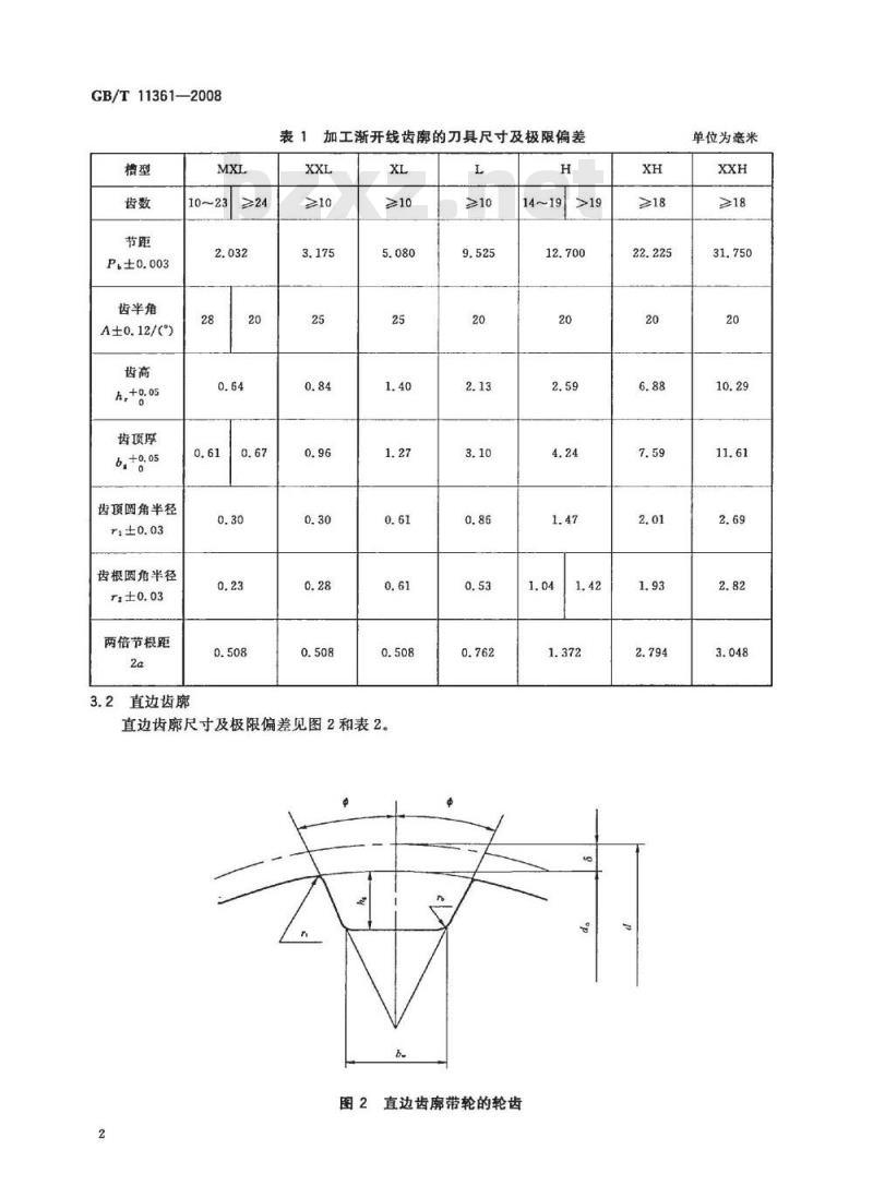
直边齿廊
表1加工渐开线齿廓的刀具尺寸及极限偏差XXL
直边齿廊尺寸及极限偏差见图2和表2。L
14~19>19
图2直边齿廓带轮的轮齿
单位为毫米
齿槽底宽b,
齿深h
齿槽半角
±1.5/()
齿项圆角半径,
齿根圆角半径
两倍节顶距28
表2直边齿廊带轮的轮齿尺寸及极限偏差XXL
0.96+8.05
0.84±0.05
0.69_8.05
0.13+g.05
0.84_8.05
0.3±0.05
1.32±0.05
1.65-8.08
0.64+g.05
3.05±0.1
2.67-8.10
1.17+g.13
4.19±0.13
3.05_8.13
带轮相邻齿间的节距公差及在90°弧以内的节距累计偏差见表3。表3节距偏差
带轮外径
d.≤25.4
25.450.8101.6177.8304.84带轮尺寸
任意两相邻齿
节距偏差
GB/T11361—2008
单位为毫米
7.90±0.15
7.14_8.13
2.39+8.13
12.17±0.18
10.31-0.13
3.18+g.13
单位为旁米
90°弧内累积
4.1带轮宽度基本尺寸及允许的最小实际宽度见图3和表4。有挡圈带轮包括带有单、双边挡圈的带轮。当传动中带轮平行性得到足够控制时,无挡圈带轮最小宽度可以减小,但不得小于有挡圈带轮的最小宽度。
图3带轮宽度
GB/T11361—2008
轮宽代号
表4带轮的宽度
轮宽基本尺寸
4.2带轮直径见表5,带轮外径极限偏差见表6。有挡圈带轮
最小宽度bt
单位为旁米
无挡圈带轮
最小宽度6;
GB/T11361—2008
GB/T11361-—2008
外径d。
d.≤25.4
25.450.8101.6177.8304.85087624.3带轮挡圈尺寸见图4和表7。
d。带轮外径,mm;
d.-—挡图弯曲处直径,mm
d.=(d.+o.38)±0.25;
挡圈最小高度,mm。
挡圈最小高度K
表6带轮外径极限偏差
8°~25
图4挡圈尺寸
表7带轮挡圈尺寸
锐角倒钝
极限偏差
单位为毫米
单位为毫米
5带轮形位公差
5.1带轮端面圆跳动见图5和表8。图5
5.2带轮径向圆跳动见图6和表8。两端面
同步带轮端面圆跳动检测
图6同步带轮径向圆跳动检测
表8带轮形位公差
外径d。
d.≤101.6
101.6d.≤203.2免费标准bzxz.net
端面圆跳动最大值
0.001d。
0.25+0.0005(d。254)
5.3带轮轮齿与轴线的平行度≤0.0016mm(b带轮宽度)。
GB/T11361-2008
单位为毫米
径向圆跳动最大值
0.13+0.0005(d。203.2)
5.4带轮外径在表6给定的公差范围内时,带轮锥度<0.0016mm(b带轮宽度)。GB/T11361-2008
中华人民共和
国家标准
同步带传动梯形齿带轮
GB/T11361—2008
中国标准出版社出版发行
北京复兴门外三里河北街16号
邮政编码:100045
网址spc.net.cn
电话:68523946
68517548
中国标准出版社秦皇岛印刷厂印刷各地新华书店经销
开本880×12301/16印张0.75
5字数15千字
2008年7月第一版2008年7月第一次印刷*
书号:155066·1-32022
如有印装差错由本社发行中心调换版权专有侵权必究
举报电话:(010)68533533
小提示:此标准内容仅展示完整标准里的部分截取内容,若需要完整标准请到上方自行免费下载完整标准文档。
中华人民共和国国家标准
GB/T11361-—2008
代替GB/T11361-1989
同步带传动
梯形齿带轮
Synchronous belt drives--Trapezoidal toothed pulleys(ISO 5294:1989,Synchronous belt drives--Pulleys ,MOD)2008-04-16发布
中华人民共和国国家质量监督检验检疫总局中国国家标准化管理委员会
2008-10-01实施
GB/T11361-2008
本标准修改采用ISO5294:1989《同步带传动带轮》。相对国际标准,增加了同步带轮端面圆跳动检测和同步带轮径向圆跳动检测图示(图5和图6);编辑方法不同,并为区别曲线齿同步带轮,本标准同步带轮注明为梯形齿同步带轮。本标准是对GB/T11361-1989《同步带传动带轮》的修订。本标准与GB/T11361-1989相比主要技术差异如下:为区别曲线齿同步带轮,注明梯形齿带轮;减少了挡圈厚度的规定,
增加了外径极限偏差值的规定范围;删减轮宽b小于10nm时,以10mm计算带轮平行度和锥度的规定。本标准由中国机械工业联合会提出并归口。本标准起草单位:中机生产力促进中心、宁波凯弛胶带有限公司、无锡太湖同步带轮厂。本标准主要起草人:秦书安、黄刚、胡志洪、冯晓平、谢炳生。本标准由中机生产力促进中心负责解释。本标准所代替标准的历次版本发布情况为:-GB/T11361—1989。
1范围
同步带传动
梯形齿带轮
GB/T11361—2008
本标准规定了用来传递机械动力,准确定位或实现同步传动的同步带传动中梯形齿带轮的基本特征,包括:轮齿尺寸及极限偏差、带轮尺寸及极限偏差、带轮形位公差。2规范性引用文件
下列文件中的条款通过本标准的引用而成为本标准的条款。凡是注日期的引用文件,其随后所有的修改单(不包括勘误的内容)或修订版均不适用于本标准,然而,鼓励根据本标准达成协议的各方研究是否可使用这些文件的最新版本。凡是不注日期的引用文件,其最新版本适用于本标准。GB/T6931.3—2008带传动术语第3部分:同步带传动术语(ISO5288:2001,MOD)GB/T11357—2008带轮的材质、表面粗糙度及平衡(ISO254:1998,MOD)3轮齿尺寸
3.1渐开线齿
齿条刀具的尺寸及极限偏差见图1和表1。图1加工渐开线齿的齿条刀具
GB/T11361—2008
齿半角
A±0.12/()
齿项厚
齿顶圆角半径
齿根圆角半径
两倍节根距
直边齿廊
表1加工渐开线齿廓的刀具尺寸及极限偏差XXL
直边齿廊尺寸及极限偏差见图2和表2。L
14~19>19
图2直边齿廓带轮的轮齿
单位为毫米
齿槽底宽b,
齿深h
齿槽半角
±1.5/()
齿项圆角半径,
齿根圆角半径
两倍节顶距28
表2直边齿廊带轮的轮齿尺寸及极限偏差XXL
0.96+8.05
0.84±0.05
0.69_8.05
0.13+g.05
0.84_8.05
0.3±0.05
1.32±0.05
1.65-8.08
0.64+g.05
3.05±0.1
2.67-8.10
1.17+g.13
4.19±0.13
3.05_8.13
带轮相邻齿间的节距公差及在90°弧以内的节距累计偏差见表3。表3节距偏差
带轮外径
d.≤25.4
25.4
任意两相邻齿
节距偏差
GB/T11361—2008
单位为毫米
7.90±0.15
7.14_8.13
2.39+8.13
12.17±0.18
10.31-0.13
3.18+g.13
单位为旁米
90°弧内累积
4.1带轮宽度基本尺寸及允许的最小实际宽度见图3和表4。有挡圈带轮包括带有单、双边挡圈的带轮。当传动中带轮平行性得到足够控制时,无挡圈带轮最小宽度可以减小,但不得小于有挡圈带轮的最小宽度。
图3带轮宽度
GB/T11361—2008
轮宽代号
表4带轮的宽度
轮宽基本尺寸
4.2带轮直径见表5,带轮外径极限偏差见表6。有挡圈带轮
最小宽度bt
单位为旁米
无挡圈带轮
最小宽度6;
GB/T11361—2008
GB/T11361-—2008
外径d。
d.≤25.4
25.4
d。带轮外径,mm;
d.-—挡图弯曲处直径,mm
d.=(d.+o.38)±0.25;
挡圈最小高度,mm。
挡圈最小高度K
表6带轮外径极限偏差
8°~25
图4挡圈尺寸
表7带轮挡圈尺寸
锐角倒钝
极限偏差
单位为毫米
单位为毫米
5带轮形位公差
5.1带轮端面圆跳动见图5和表8。图5
5.2带轮径向圆跳动见图6和表8。两端面
同步带轮端面圆跳动检测
图6同步带轮径向圆跳动检测
表8带轮形位公差
外径d。
d.≤101.6
101.6
端面圆跳动最大值
0.001d。
0.25+0.0005(d。254)
5.3带轮轮齿与轴线的平行度≤0.0016mm(b带轮宽度)。
GB/T11361-2008
单位为毫米
径向圆跳动最大值
0.13+0.0005(d。203.2)
5.4带轮外径在表6给定的公差范围内时,带轮锥度<0.0016mm(b带轮宽度)。GB/T11361-2008
中华人民共和
国家标准
同步带传动梯形齿带轮
GB/T11361—2008
中国标准出版社出版发行
北京复兴门外三里河北街16号
邮政编码:100045
网址spc.net.cn
电话:68523946
68517548
中国标准出版社秦皇岛印刷厂印刷各地新华书店经销
开本880×12301/16印张0.75
5字数15千字
2008年7月第一版2008年7月第一次印刷*
书号:155066·1-32022
如有印装差错由本社发行中心调换版权专有侵权必究
举报电话:(010)68533533
小提示:此标准内容仅展示完整标准里的部分截取内容,若需要完整标准请到上方自行免费下载完整标准文档。
标准图片预览:





- 热门标准
- 国家标准(GB)
- GB/T18204.4-2000 公共场所毛巾、床上卧具微生物检验方法细菌总数测定
- GB/T23892.3-2009 滑动轴承 稳态条件下流体动压可倾瓦块止推轴承 第3部分:可倾瓦块止推轴承计算的许用值
- GB/T11839-1989 二氧化铀芯块中硼的测定 姜黄素萃取光度法
- GB/T7433-1987 对称电缆载波通信系统抗无线电广播和通信干扰的指标
- GB/T21238-2007 玻璃纤维增强塑料夹砂管
- GB/T28809-2012 轨道交通 通信、信号和处理系统 信号用安全相关电子系统
- GB15603-2022 危险化学品仓库储存通则
- GB/T9239-1988 刚性转子平衡品质 许用不平衡的确定
- GB/T15917.3-1995 金属镝及氧化镝化学分析方法 对氯苯基荧光酮--溴化十六烷基三甲基胺分光光度法测定钽量
- GB/T5738-1995 瓶装酒、饮料塑料周转箱
- GB/T13985-1992 照相机操作力和强度
- GB/T6397-1986 金属拉伸试验试样
- GB5793-1986 字鼓式行式打印机色带卷轴基本尺寸
- GB/T16483-2008 化学品安全技术说明书 内容和项目顺序
- GB/T11813-2008 压水堆燃料棒氦质谱检漏
- 行业新闻
请牢记:“bzxz.net”即是“标准下载”四个汉字汉语拼音首字母与国际顶级域名“.net”的组合。 ©2025 标准下载网 www.bzxz.net 本站邮件:bzxznet@163.com
网站备案号:湘ICP备2025141790号-2
网站备案号:湘ICP备2025141790号-2