- 您的位置:
- 标准下载网 >>
- 标准分类 >>
- 建筑工业行业标准(JG) >>
- JG/T 226-2008 混凝土结构用成型钢筋
标准号:
JG/T 226-2008
标准名称:
混凝土结构用成型钢筋
标准类别:
建筑工业行业标准(JG)
标准状态:
现行-
发布日期:
2008-01-31 -
实施日期:
2008-08-01 出版语种:
简体中文下载格式:
.rar.pdf下载大小:
707.80 KB
标准ICS号:
建筑材料和建筑物>>建筑材料>>91.100.30混凝土和混凝土制品中标分类号:
>>>>P工程建设
点击下载
标准简介:
标准下载解压密码:www.bzxz.net
本标准根据我国混凝土结构用钢筋的特性、产生和应用的实际情况,参照采用了BS8666:2005《混凝土结构用钢筋的任务单代制、尺寸计算、弯曲和切断技术规范》中对钢筋的技术要求,增加了订货、交货、工程配料单等内容。本标准规定了混凝土结构用成型钢筋的定义、标记、要求、试验方法、检验规则、包装、标志、贮存。本标准适用于混凝土结构用以各种方式加工并满足设计和施工要求的成型钢筋。 JG/T 226-2008 混凝土结构用成型钢筋 JG/T226-2008
部分标准内容:
中华人民共和国建筑工业行业标准JG/T226—2008
混凝士结构用成型钢筋
Fabricated rebar for concrete structures2008-01-31发布
中华人民共和国建设部
2008-08-01实施
JG/T226—2008
本标准对应国际标准ISO3766:2003(E)《建筑图样——混凝土结构用钢筋的简单图样》,本标准与ISO3766:2003的一致性程度为非等效,主要差异如下:增加成型钢筋加工范围;
一增加成型钢筋形状代码内容;—增加试验方法内容;
增加检验规则内容;
一增加包装、标志及质量证明内容;一增加成型钢筋的订货、交货内容。本标准根据我国混凝土结构用钢筋的特性、产生和应用的实际情况,参照采用了BS8666:2005《混凝土结构用钢筋的任务单代制、尺寸计算、弯曲和切断技术规范》中对钢筋的技术要求,增加了订货、交货、工程配料单等内容。
本标准的附录A为规范性附录,附录B为资料性附录。本标准由建设部标准定额研究所提出。本标准由建设部建筑工程标准技术归口单位归口。本标准起草单位:中国建筑科学研究院、北京物资协作贸易公司、山东博远物流发展有限公司、北京城建五建设工程有限公司、北京建工混凝土构件有限公司、北京首钢新钢联科贸有限公司、成都成实冶金有限责任公司、成都西联钢铁集团有限公司、安徽宝业住宅产业化有限公司。本标准主要起草人:张学军、张会军、虞彤、王明寿、毛杰、张小力、李荣凯、周世中、陈宝玉、兰建华、林振宁、蔡国庆、高军、谢其盛。I
1范围
混凝土结构用成型钢筋
JG/T226—2008
本标准规定了混凝土结构用成型钢筋的定义、产品标记、要求、试验方法、检验规则、包装、标志、贮运。
本标准适用于混凝土结构用以各种方式加工并满足设计和施工要求的成型钢筋。2规范性引用文件
下列文件中的条款通过本标准的引用而成为本标准的条款。凡是注日期的引用文件,其随后所有的修改单(不包括勘误的内容)或修订版均不适用于本标准,然而,鼓励根据本标准达成协议的各方研究是否可使用这些文件的最新版本。凡是不注日期的引用文件,其最新版本适用于本标准。GB/T228金属材料室温拉伸试验
GB/T701低碳钢热轧圆盘条
GB1499钢筋混凝土用热轧带肋钢筋GB/T1499.3—2002钢筋混凝土用钢筋焊接网GB13013钢筋混凝土用热轧光圆钢筋GB13014
钢筋混凝土用余热处理钢筋
GB13788
冷轧带肋钢筋
混凝土结构设计规范
GB50010
GB50204混凝土结构工程施工质量验收规范JGJ18
钢筋焊接及验收规程
JGJ107
钢筋机械连接通用技术规程
3定义
下列定义适用于本标准。
fabricated rebar
成型钢筋
按规定尺寸、形状加工成型的非预应力钢筋制品。3.2
组合成型钢筋
assembledfabricatedrebar
将成型钢筋连接成平面体或空间体的钢筋制品。4产品标记
4.1成型钢筋标记
成型钢筋标记由形状代码、端头特性、钢筋牌号、公称直径、下料长度、总件数或根数组成。成型钢筋形状代码应符合附录A规定。成型钢筋应按下列内容次序标记:1
JG/T226-2008
总件数或根数,件或根
下料长度,mm
公称直径,m
钢筋牌号
端头特性:单端需要接头,T1
两端需要接头,T2
成型钢筋形状代码,见附录A
两次弯折形状2010型、两端需要螺纹接头T2,成型钢筋采用的钢筋原材牌号HRB335、钢筋直径22mm,下料长度2000mm,总件数23件的混凝土结构用成型钢筋,标记示例如下:成型钢筋2010T2HRB335/222000234.2钢筋焊接网标记
钢筋焊接网标记应符合GB/T1499.3—2002中第4章的规定。A型定型钢筋焊接网、网格间距200X200mm、钢筋直径10mm;长度方向钢筋牌号CRB550,宽度方向钢筋牌号CRB550;网片长度4800mm、网片宽度2400mm的钢筋焊接网,标记示例如下:钢筋焊接网A10;CRB550×CRB550;4800mmX2400mm。5要求
5.1钢筋原材
5.1.1成型钢筋应采用GB/T701,GB1499、GB13013.GB13014、GB13788规定牌号的钢筋原材。5.1.2成型钢筋采用的钢筋原材应按相应标准要求规定抽取试件做力学性能检验,其质量应符合相应现行国家标准的规定。
5.1.3成型钢筋及采用的钢筋原材应无损伤,表面不得有裂纹、结疤、油污、颗粒状或片状铁锈。5.1.4成型钢筋采用钢筋原材的几何尺寸、实际重量与理论重量允许偏差应符合相应现行国家标准的规定。
5.1.5成型钢筋采用钢筋原材的品种、级别或规格需作变更时,应办理设计变更文件。5.1.6钢筋原材有脆断、焊接性能不良或力学性能不正常等现象时,应对该批钢筋原材进行化学成分检验或其他专项检验。
5.1.7有抗震设防要求的结构,其纵向受力钢筋的强度应符合国家现行标准的要求。5.2加工
5.2.1成型钢筋加工前应对钢筋的规格、牌号、下料长度、数量等进行核对。5.2.2成型钢筋加工前,应编制钢筋配料单,如附录B所示。其内容包括:成型钢筋应用工程名称及混凝土结构部位,a)
成型钢筋品种、级别、规格、每件下料长度;成型钢筋形状代码、形状简图及尺寸;c)
成型钢筋单件根数、单件总根数、该工程使用总根数、总长度、总重量。d)
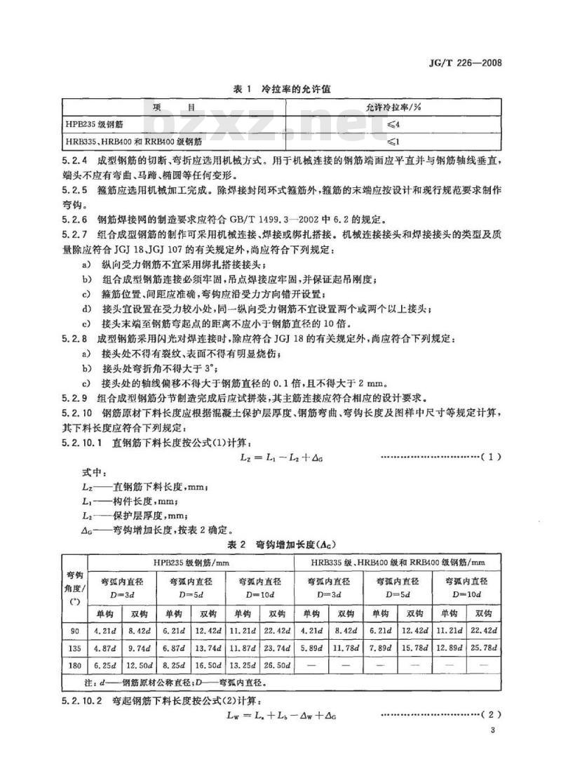
5.2.3成型钢筋调直宜采用机械方法。当采用冷拉方法调直钢筋时,应严格按照钢筋的级别、品种控制冷拉率。冷拉率应符合表1的规定。2
HPB235级钢筋
HRB335、HRB400和RRB400级钢筋表1冷拉率的允许值
允许冷拉率/%
JG/T226—2008
5.2.4成型钢筋的切断、弯折应选用机械方式。用于机械连接的钢筋端面应平直并与钢筋轴线垂直,端头不应有弯曲、马蹄、椭圆等任何变形。5.2.5箍筋应选用机械加工完成。除焊接封闭环式箍筋外,箍筋的末端应按设计和现行规范要求制作弯钩。
钢筋焊接网的制造要求应符合GB/T1499.3—2002中6.2的规定。组合成型钢筋的制作可采用机械连接、焊接或绑扎搭接。机械连接接头和焊接接头的类型及质5.2.7
量除应符合JGJ18、JGJ107的有关规定外,尚应符合下列规定:纵向受力钢筋不宜采用绑扎搭接接头a)
组合成型钢筋连接必须牢固,吊点焊接应牢固,并保证起吊刚度;箍筋位置、间距应推确,弯钩应沿受力方向错开设置:接头宜设置在受力较小处,同一纵向受力钢筋不宜设置两个或两个以上接头;接头末端至钢筋弯起点的距离不应小于钢筋直径的10倍。成型钢筋采用闪光对焊连接时,除应符合JGJ18的有关规定外,尚应符合下列规定:5.2.8
接头处不得有裂纹、表面不得有明显烧伤;a)
接头处弯折角不得大于3°
接头处的轴线偏移不得大于钢筋直径的0.1倍,且不得大于2mm。5.2.9
组合成型钢筋分节制造完成后应试拼装,其主筋连接应符合相应的设计要求。钢筋原材下料长度应根据混凝土保护层厚度、钢筋弯曲、弯钩长度及图样中尺寸等规定计算,5.2.10
其下料长度应符合下列规定:
5.2.10.1直钢筋下料长度按公式(1)计算:Lz=LL2十G
式中:
角度/
直钢筋下料长度,mm;
-构件长度,mm;
保护层厚度,mm;
弯钩增加长度,按表2确定。
2弯钩增加长度(Ac)
HPB235级钢筋/mm
弯弧内直径
注:d-
弯弧内直径
钢筋原材公称直径;D
弯弧内直径
弯弧内直径。
弯起钢筋下料长度按公式(2)计算:(1)
HRB335级、HRB400级和RRB400级钢筋/mm弯弧内直径
Lw= L,+ L,-Aw+Ac
弯弧内直径
弯弧内直径
(2)
JG/T226—2008
式中:
弯起钢筋下料长度,mm;
一直段长度,mm;
L—斜段长度,mm;
弯曲调整值总和,按表3确定。
成型钢筋用途
HPB235级撞筋
HPB235级主筋
HRB335级主筋
HRB400级主筋
平法框架主筋
轻骨料HPB235级主筋
式中:
弯弧内直径
D==16d
箍筋下料长度按公式(3)计算:单次弯曲调整值
LG=L+-4W
一箍筋下料长度,mm;
箍筋直段长度总和,mm;
弯钩增加长度,按表2确定;
4w——弯曲调整值总和,按表3确定。弯折角度/()
5.2.10.4其他类型(环形、螺旋、抛物线钢筋)下料长度按公式(4)计算:LQ=L+AG
式中:
LQ—其他类型下料长度,mm;
L—一钢筋长度计算值,mm;
△c——弯钩增加长度,按表2确定。5.3形状和尺寸
5.3.1成型钢筋形状、尺寸的允许偏差应符合表4的规定。表4成型钢筋加工的允许偏差
调直后每米弯曲度
受力成型钢筋顺长度方向全长的净尺寸成型钢筋弯折位置
箍筋内净尺寸
钢筋焊接网
允许偏差/mm
应符合GB/T1499.3—2002中6.3的规定钢筋笼和钢筋骨架
主筋间距
箍筋间距
高度、宽度、直径
总长度
表4(续)
允许偏差/mm
JG/T226—2008
5.3.2受力成型钢筋的弯钩和弯折除应符合设计要求外,弯弧内直径尚应符合表5的规定;弯钩和弯折角度、弯后平直部分长度还应符合下列规定:HPB235级钢筋原材末端应做成180°弯钩,弯钩的弯后平直部分长度不应小于钢筋原材直径a)
的3倍;
当设计要求成型钢筋末端需做成135°弯钩时,HRB335级、HRB400级钢筋原材弯后平直部分长度应符合设计要求;
箍筋弯钩的弯弧内直径除应符合上述的规定外,且不应小于受力钢筋原材直径。c)
表5弯曲和弯折的弯弧内直径
成型钢筋用途
HPB235级箍筋、拉筋
HPB235级主筋
HRB335级主筋
HRB400级和RRB400级主筋
平法框架主筋直径≤25mm
平法框架主筋直径>25mm
平法框架项层边节点主筋直径25mm平法框架主筋直径>25mm
轻骨料混凝土结构构件HPB235级主筋弯弧内直径D/mm
D=5d,且不小于主筋直径
D≥2.5d,且小于纵向受力成型钢筋直径D≥4d
D≥5d
D≥7d
5.3.3箍筋末端的弯钩形式应符合设计要求。当无具体要求时,应符合下列规定:a)
一般结构的弯钩角度不应小于90,有抗震要求的结构应为135°;一般结构箍筋弯后平直部分长度不应小于箍筋直径的5倍,有抗震要求的结构不应小于箍筋b)
直径的10倍且不小于75mm。
试验方法
成型钢筋应进行出厂检验,其试验项目、取样方法、试验方法应符合表6的规定。表6成型钢筋的试验项目、取样方法及试验方法试验项目
钢筋原材力学性能
成型钢筋尺寸
成型钢筋表面质量
试验数量
取样方法
按相应标准规定执行按相应标准规定执行1%;不少于3件
试验方法
GB/T228
用钢直尺、游标卡尺、
从同一批生产的同规格、同形状、重量不大于20t的一批成型钢筋中随机抽取
角度尺测量
本标准5.1.3、5.1.6
JG/T226—2008
试验项目
钢筋焊接网尺寸、抗
成型钢筋连接外观、
力学性能
组合成型钢筋
试验数量
按相应标准规定执行
按相应标准规定执行
表6(续)
取样方法
按相应标准规定取样
按相应标准规定取样
试验方法
GB/T1499.3
GB/T 228JGJ107
本标准5.2.7、5.2.8
用钢直尺、角度尺测
量,观察
6.2测量钢筋尺寸时,原材直径应精确到0.1mm,钢筋原材及成型钢筋加工尺寸应精确到1mm。7检验规则
7.1一般规定
7.1.1当判断成型钢筋质量是否符合要求时,应以交货检验结果为依据,钢筋原材的化学成分、力学性能应以供方提供的资料为依据,其他检验项目应按合同规定执行。7.1.2成型钢筋质量的检验分为出厂检验和交货检验。出厂检验工作应由供方承担,交货检验工作应由需方承担。
7.2组批规则
7.2.1成型钢筋应按批进行检查验收,每批应由同一工程、同一材料来源、同一组生产设备并在同一连续时段内制造的成型钢筋组成,重量不应大于20t。7.2.2钢筋焊接网、成型钢筋接头按批进行检查验收时,应符合GB/T1499.3、JGJ18与JGJ107的规定。
7.3复验与判定
成型钢筋的形状、尺寸检验结果符合本标准5.3的规定为合格;当不符合要求时,则应从该批成型钢筋中再取双倍试样进行不合格项目的检验,复验结果全部合格时,该批成型钢筋判定为合格。8包装、标志及贮存
8.1每捆成型钢筋应捆扎均匀、整齐、牢固,捆扎数不应少于3道,必要时应加刚性支撑或支架,防止运输吊装过程中成型钢筋发生变形。8.2成型钢筋应在明显处挂有不少于个标签,标志内容应与配料单相对应。包括工程名称、成型钢筋型号、数量、示意图及主要尺寸、生产厂名、生产日期、使用部位、检验印记等内容。8.3成型钢筋宜堆放在仓库式料棚内。露天存放应选择地势较高、土质坚实、较为平坦的场地,下面要加垫木、离地不少于200mm,宜覆盖防止锈蚀、碾轧、污染。8.4,钢筋机械连接头检验合格后应加保护帽,并按规格分类码放整齐。8.5同一项工程与同一构件的成型钢筋宜按施工先后顺序分类码放。形状代码
附录A
(规范性附录)
成型钢筋的形状代码
表A.1成型钢筋形状及代码
形状示意图
形状代码
JG/T226—2008
形状示意图
JG/T226—2008
形状代码bZxz.net
形状示意图
表A.1(续)
形状代码
形状示意图
形状代码
形状示意图
表A.1(续)
形状代码
JG/T226--2008
形状示意图
JG/T226—2008
形状代码
形状示意图
表A.1(续)
形状代码
形状示意图
小提示:此标准内容仅展示完整标准里的部分截取内容,若需要完整标准请到上方自行免费下载完整标准文档。
混凝士结构用成型钢筋
Fabricated rebar for concrete structures2008-01-31发布
中华人民共和国建设部
2008-08-01实施
JG/T226—2008
本标准对应国际标准ISO3766:2003(E)《建筑图样——混凝土结构用钢筋的简单图样》,本标准与ISO3766:2003的一致性程度为非等效,主要差异如下:增加成型钢筋加工范围;
一增加成型钢筋形状代码内容;—增加试验方法内容;
增加检验规则内容;
一增加包装、标志及质量证明内容;一增加成型钢筋的订货、交货内容。本标准根据我国混凝土结构用钢筋的特性、产生和应用的实际情况,参照采用了BS8666:2005《混凝土结构用钢筋的任务单代制、尺寸计算、弯曲和切断技术规范》中对钢筋的技术要求,增加了订货、交货、工程配料单等内容。
本标准的附录A为规范性附录,附录B为资料性附录。本标准由建设部标准定额研究所提出。本标准由建设部建筑工程标准技术归口单位归口。本标准起草单位:中国建筑科学研究院、北京物资协作贸易公司、山东博远物流发展有限公司、北京城建五建设工程有限公司、北京建工混凝土构件有限公司、北京首钢新钢联科贸有限公司、成都成实冶金有限责任公司、成都西联钢铁集团有限公司、安徽宝业住宅产业化有限公司。本标准主要起草人:张学军、张会军、虞彤、王明寿、毛杰、张小力、李荣凯、周世中、陈宝玉、兰建华、林振宁、蔡国庆、高军、谢其盛。I
1范围
混凝土结构用成型钢筋
JG/T226—2008
本标准规定了混凝土结构用成型钢筋的定义、产品标记、要求、试验方法、检验规则、包装、标志、贮运。
本标准适用于混凝土结构用以各种方式加工并满足设计和施工要求的成型钢筋。2规范性引用文件
下列文件中的条款通过本标准的引用而成为本标准的条款。凡是注日期的引用文件,其随后所有的修改单(不包括勘误的内容)或修订版均不适用于本标准,然而,鼓励根据本标准达成协议的各方研究是否可使用这些文件的最新版本。凡是不注日期的引用文件,其最新版本适用于本标准。GB/T228金属材料室温拉伸试验
GB/T701低碳钢热轧圆盘条
GB1499钢筋混凝土用热轧带肋钢筋GB/T1499.3—2002钢筋混凝土用钢筋焊接网GB13013钢筋混凝土用热轧光圆钢筋GB13014
钢筋混凝土用余热处理钢筋
GB13788
冷轧带肋钢筋
混凝土结构设计规范
GB50010
GB50204混凝土结构工程施工质量验收规范JGJ18
钢筋焊接及验收规程
JGJ107
钢筋机械连接通用技术规程
3定义
下列定义适用于本标准。
fabricated rebar
成型钢筋
按规定尺寸、形状加工成型的非预应力钢筋制品。3.2
组合成型钢筋
assembledfabricatedrebar
将成型钢筋连接成平面体或空间体的钢筋制品。4产品标记
4.1成型钢筋标记
成型钢筋标记由形状代码、端头特性、钢筋牌号、公称直径、下料长度、总件数或根数组成。成型钢筋形状代码应符合附录A规定。成型钢筋应按下列内容次序标记:1
JG/T226-2008
总件数或根数,件或根
下料长度,mm
公称直径,m
钢筋牌号
端头特性:单端需要接头,T1
两端需要接头,T2
成型钢筋形状代码,见附录A
两次弯折形状2010型、两端需要螺纹接头T2,成型钢筋采用的钢筋原材牌号HRB335、钢筋直径22mm,下料长度2000mm,总件数23件的混凝土结构用成型钢筋,标记示例如下:成型钢筋2010T2HRB335/222000234.2钢筋焊接网标记
钢筋焊接网标记应符合GB/T1499.3—2002中第4章的规定。A型定型钢筋焊接网、网格间距200X200mm、钢筋直径10mm;长度方向钢筋牌号CRB550,宽度方向钢筋牌号CRB550;网片长度4800mm、网片宽度2400mm的钢筋焊接网,标记示例如下:钢筋焊接网A10;CRB550×CRB550;4800mmX2400mm。5要求
5.1钢筋原材
5.1.1成型钢筋应采用GB/T701,GB1499、GB13013.GB13014、GB13788规定牌号的钢筋原材。5.1.2成型钢筋采用的钢筋原材应按相应标准要求规定抽取试件做力学性能检验,其质量应符合相应现行国家标准的规定。
5.1.3成型钢筋及采用的钢筋原材应无损伤,表面不得有裂纹、结疤、油污、颗粒状或片状铁锈。5.1.4成型钢筋采用钢筋原材的几何尺寸、实际重量与理论重量允许偏差应符合相应现行国家标准的规定。
5.1.5成型钢筋采用钢筋原材的品种、级别或规格需作变更时,应办理设计变更文件。5.1.6钢筋原材有脆断、焊接性能不良或力学性能不正常等现象时,应对该批钢筋原材进行化学成分检验或其他专项检验。
5.1.7有抗震设防要求的结构,其纵向受力钢筋的强度应符合国家现行标准的要求。5.2加工
5.2.1成型钢筋加工前应对钢筋的规格、牌号、下料长度、数量等进行核对。5.2.2成型钢筋加工前,应编制钢筋配料单,如附录B所示。其内容包括:成型钢筋应用工程名称及混凝土结构部位,a)
成型钢筋品种、级别、规格、每件下料长度;成型钢筋形状代码、形状简图及尺寸;c)
成型钢筋单件根数、单件总根数、该工程使用总根数、总长度、总重量。d)
5.2.3成型钢筋调直宜采用机械方法。当采用冷拉方法调直钢筋时,应严格按照钢筋的级别、品种控制冷拉率。冷拉率应符合表1的规定。2
HPB235级钢筋
HRB335、HRB400和RRB400级钢筋表1冷拉率的允许值
允许冷拉率/%
JG/T226—2008
5.2.4成型钢筋的切断、弯折应选用机械方式。用于机械连接的钢筋端面应平直并与钢筋轴线垂直,端头不应有弯曲、马蹄、椭圆等任何变形。5.2.5箍筋应选用机械加工完成。除焊接封闭环式箍筋外,箍筋的末端应按设计和现行规范要求制作弯钩。
钢筋焊接网的制造要求应符合GB/T1499.3—2002中6.2的规定。组合成型钢筋的制作可采用机械连接、焊接或绑扎搭接。机械连接接头和焊接接头的类型及质5.2.7
量除应符合JGJ18、JGJ107的有关规定外,尚应符合下列规定:纵向受力钢筋不宜采用绑扎搭接接头a)
组合成型钢筋连接必须牢固,吊点焊接应牢固,并保证起吊刚度;箍筋位置、间距应推确,弯钩应沿受力方向错开设置:接头宜设置在受力较小处,同一纵向受力钢筋不宜设置两个或两个以上接头;接头末端至钢筋弯起点的距离不应小于钢筋直径的10倍。成型钢筋采用闪光对焊连接时,除应符合JGJ18的有关规定外,尚应符合下列规定:5.2.8
接头处不得有裂纹、表面不得有明显烧伤;a)
接头处弯折角不得大于3°
接头处的轴线偏移不得大于钢筋直径的0.1倍,且不得大于2mm。5.2.9
组合成型钢筋分节制造完成后应试拼装,其主筋连接应符合相应的设计要求。钢筋原材下料长度应根据混凝土保护层厚度、钢筋弯曲、弯钩长度及图样中尺寸等规定计算,5.2.10
其下料长度应符合下列规定:
5.2.10.1直钢筋下料长度按公式(1)计算:Lz=LL2十G
式中:
角度/
直钢筋下料长度,mm;
-构件长度,mm;
保护层厚度,mm;
弯钩增加长度,按表2确定。
2弯钩增加长度(Ac)
HPB235级钢筋/mm
弯弧内直径
注:d-
弯弧内直径
钢筋原材公称直径;D
弯弧内直径
弯弧内直径。
弯起钢筋下料长度按公式(2)计算:(1)
HRB335级、HRB400级和RRB400级钢筋/mm弯弧内直径
Lw= L,+ L,-Aw+Ac
弯弧内直径
弯弧内直径
(2)
JG/T226—2008
式中:
弯起钢筋下料长度,mm;
一直段长度,mm;
L—斜段长度,mm;
弯曲调整值总和,按表3确定。
成型钢筋用途
HPB235级撞筋
HPB235级主筋
HRB335级主筋
HRB400级主筋
平法框架主筋
轻骨料HPB235级主筋
式中:
弯弧内直径
D==16d
箍筋下料长度按公式(3)计算:单次弯曲调整值
LG=L+-4W
一箍筋下料长度,mm;
箍筋直段长度总和,mm;
弯钩增加长度,按表2确定;
4w——弯曲调整值总和,按表3确定。弯折角度/()
5.2.10.4其他类型(环形、螺旋、抛物线钢筋)下料长度按公式(4)计算:LQ=L+AG
式中:
LQ—其他类型下料长度,mm;
L—一钢筋长度计算值,mm;
△c——弯钩增加长度,按表2确定。5.3形状和尺寸
5.3.1成型钢筋形状、尺寸的允许偏差应符合表4的规定。表4成型钢筋加工的允许偏差
调直后每米弯曲度
受力成型钢筋顺长度方向全长的净尺寸成型钢筋弯折位置
箍筋内净尺寸
钢筋焊接网
允许偏差/mm
应符合GB/T1499.3—2002中6.3的规定钢筋笼和钢筋骨架
主筋间距
箍筋间距
高度、宽度、直径
总长度
表4(续)
允许偏差/mm
JG/T226—2008
5.3.2受力成型钢筋的弯钩和弯折除应符合设计要求外,弯弧内直径尚应符合表5的规定;弯钩和弯折角度、弯后平直部分长度还应符合下列规定:HPB235级钢筋原材末端应做成180°弯钩,弯钩的弯后平直部分长度不应小于钢筋原材直径a)
的3倍;
当设计要求成型钢筋末端需做成135°弯钩时,HRB335级、HRB400级钢筋原材弯后平直部分长度应符合设计要求;
箍筋弯钩的弯弧内直径除应符合上述的规定外,且不应小于受力钢筋原材直径。c)
表5弯曲和弯折的弯弧内直径
成型钢筋用途
HPB235级箍筋、拉筋
HPB235级主筋
HRB335级主筋
HRB400级和RRB400级主筋
平法框架主筋直径≤25mm
平法框架主筋直径>25mm
平法框架项层边节点主筋直径25mm平法框架主筋直径>25mm
轻骨料混凝土结构构件HPB235级主筋弯弧内直径D/mm
D=5d,且不小于主筋直径
D≥2.5d,且小于纵向受力成型钢筋直径D≥4d
D≥5d
D≥7d
5.3.3箍筋末端的弯钩形式应符合设计要求。当无具体要求时,应符合下列规定:a)
一般结构的弯钩角度不应小于90,有抗震要求的结构应为135°;一般结构箍筋弯后平直部分长度不应小于箍筋直径的5倍,有抗震要求的结构不应小于箍筋b)
直径的10倍且不小于75mm。
试验方法
成型钢筋应进行出厂检验,其试验项目、取样方法、试验方法应符合表6的规定。表6成型钢筋的试验项目、取样方法及试验方法试验项目
钢筋原材力学性能
成型钢筋尺寸
成型钢筋表面质量
试验数量
取样方法
按相应标准规定执行按相应标准规定执行1%;不少于3件
试验方法
GB/T228
用钢直尺、游标卡尺、
从同一批生产的同规格、同形状、重量不大于20t的一批成型钢筋中随机抽取
角度尺测量
本标准5.1.3、5.1.6
JG/T226—2008
试验项目
钢筋焊接网尺寸、抗
成型钢筋连接外观、
力学性能
组合成型钢筋
试验数量
按相应标准规定执行
按相应标准规定执行
表6(续)
取样方法
按相应标准规定取样
按相应标准规定取样
试验方法
GB/T1499.3
GB/T 228JGJ107
本标准5.2.7、5.2.8
用钢直尺、角度尺测
量,观察
6.2测量钢筋尺寸时,原材直径应精确到0.1mm,钢筋原材及成型钢筋加工尺寸应精确到1mm。7检验规则
7.1一般规定
7.1.1当判断成型钢筋质量是否符合要求时,应以交货检验结果为依据,钢筋原材的化学成分、力学性能应以供方提供的资料为依据,其他检验项目应按合同规定执行。7.1.2成型钢筋质量的检验分为出厂检验和交货检验。出厂检验工作应由供方承担,交货检验工作应由需方承担。
7.2组批规则
7.2.1成型钢筋应按批进行检查验收,每批应由同一工程、同一材料来源、同一组生产设备并在同一连续时段内制造的成型钢筋组成,重量不应大于20t。7.2.2钢筋焊接网、成型钢筋接头按批进行检查验收时,应符合GB/T1499.3、JGJ18与JGJ107的规定。
7.3复验与判定
成型钢筋的形状、尺寸检验结果符合本标准5.3的规定为合格;当不符合要求时,则应从该批成型钢筋中再取双倍试样进行不合格项目的检验,复验结果全部合格时,该批成型钢筋判定为合格。8包装、标志及贮存
8.1每捆成型钢筋应捆扎均匀、整齐、牢固,捆扎数不应少于3道,必要时应加刚性支撑或支架,防止运输吊装过程中成型钢筋发生变形。8.2成型钢筋应在明显处挂有不少于个标签,标志内容应与配料单相对应。包括工程名称、成型钢筋型号、数量、示意图及主要尺寸、生产厂名、生产日期、使用部位、检验印记等内容。8.3成型钢筋宜堆放在仓库式料棚内。露天存放应选择地势较高、土质坚实、较为平坦的场地,下面要加垫木、离地不少于200mm,宜覆盖防止锈蚀、碾轧、污染。8.4,钢筋机械连接头检验合格后应加保护帽,并按规格分类码放整齐。8.5同一项工程与同一构件的成型钢筋宜按施工先后顺序分类码放。形状代码
附录A
(规范性附录)
成型钢筋的形状代码
表A.1成型钢筋形状及代码
形状示意图
形状代码
JG/T226—2008
形状示意图
JG/T226—2008
形状代码bZxz.net
形状示意图
表A.1(续)
形状代码
形状示意图
形状代码
形状示意图
表A.1(续)
形状代码
JG/T226--2008
形状示意图
JG/T226—2008
形状代码
形状示意图
表A.1(续)
形状代码
形状示意图
小提示:此标准内容仅展示完整标准里的部分截取内容,若需要完整标准请到上方自行免费下载完整标准文档。
标准图片预览:





- 其它标准
- 热门标准
- 建筑工业行业标准(JG)
- JG/T209-2012 建筑消能阻尼器
- JGJ28-1986 粉煤灰在混凝土和砂浆中应用技术规程
- JG/T349-2011 硅改性丙烯酸渗透性防水涂料
- JGJ75-2003 夏热冬暖地区居住建筑节能设计标准(附条文说明)
- JG/T230-2007 预拌砂浆
- JG/T245-2009 混凝土试验用振动台
- JG/T16-1999 建筑门窗用油灰
- JG144-2002 门式刚架轻型房屋钢构件
- JGJ/T199-2010 型钢水泥土搅拌墙技术规程
- JGJT172-2009 建筑陶瓷薄板应用技术规程
- JGJ310-2013 教育建筑电气设计规范
- JG/T410-2013 飞机库门
- JGJ132-2001 采暖居住建筑节能检验标准(附条文说明)
- JGJ2-1979 工业厂房墙板设计与施工规程
- JGJ85-2002 预应力筋用锚具 夹具和连接器应用技术规程
- 行业新闻
请牢记:“bzxz.net”即是“标准下载”四个汉字汉语拼音首字母与国际顶级域名“.net”的组合。 ©2025 标准下载网 www.bzxz.net 本站邮件:bzxznet@163.com
网站备案号:湘ICP备2025141790号-2
网站备案号:湘ICP备2025141790号-2