- 您的位置:
- 标准下载网 >>
- 标准分类 >>
- 国家标准(GB) >>
- GB/T 8878-2002 棉针织内衣
标准号:
GB/T 8878-2002
标准名称:
棉针织内衣
标准类别:
国家标准(GB)
英文名称:
Cotton knitted underwear标准状态:
现行-
发布日期:
2002-09-05 -
实施日期:
2003-02-01 出版语种:
简体中文下载格式:
.rar.pdf下载大小:
335.51 KB
替代情况:
替代GB/T 8878-1997;被GB/T 8878-2009代替采标情况:
ASTM 4234-2001
点击下载
标准简介:
标准下载解压密码:www.bzxz.net
本标准规定了棉针织内衣的产品分类和号型、要求、试验方法、判定规则、产品使用说明、包装、运输、贮存。本标准适用于鉴定纯棉针织内衣品质。棉混纺、交织等针织内衣可参照执行。 GB/T 8878-2002 棉针织内衣 GB/T8878-2002
部分标准内容:
ICS.61.020
中华人民共和国国家标准
GB/T8878—2002
代替GB/T8878-1997
棉针织内衣
Cotton knitted underwear
2002-09-05发布
中华人民共和国
国家质量监督检验检疫总局
2003-02-01实施
GB/T 8878--2002
本标准根据国际试验与材料协会标准ASTM4234--2001《女式成人及儿童针织晨衣、睡衣、睡袍、长衬裙和内衣织物的标准性能规格》起草,与ASTM4234一2001一致性程度为非等效。本标准代替GB/T8878--1997《棉针织内衣》。本标准与GB/T8878--1997相比主要变化如下:--关于引用文件的规则修订为:区分注日期和不注日期的引用文件(1997年版的2;本版的2);---修改产品分等规定(1997年版的4.1;本版的4.2);一对表面疵点评等规定进行调整,并对其内容进行简化(1997年版的4.1.4.3;本版的4. 4. 1.3);
增加纤维含量、甲醛含量、pH值的考核项目与试验方法(本版的4.3、5.4.6、5.4.7、5.4.8);一-取消干燥重量的考核项目与试验方法(1997年版的4.2.1和5.3.1);.-将缩水率项目修改为水洗尺寸变化率,对部分指标进行调整,并对其计算方法进行改动(1997年版4.2.2;本版的4.3和5.4.2.4.3);对弹子顶破强力、染色牢度部分指标进行调整讲增加涂料印花色牢度的考核项目及试验方法(1997年版4.2.1、4.2.3;本版的4.3、5.4.3、5.4.4);--增加成衣的测量部位及规定(本版的4,4.2);删除规格尺寸偏差中挂肩、背心肩带、短裤裤长的考核项目(1997年版4.1.4.4);—…一增加本身尺寸差异中两单肩宽窄不一考核项目(本版的4.4.4);简化缝制规定要求(1997年版4.3;本版的4.4.5)。本标准由中国纺织工业协会提出。本标准由全国纺织品标准化技术委员会针织品分会归口。本标准起草单位:国家针织产品质量监督检验中心、上海三枪集团有限公司、江苏AB集团有限责任公司、北京铜牛针织集团有限责任公司、南通东华九鼎针织服装有限公司。本标准主要起草人:邢志贵、王新丽、薛继凤、邬晓静、徐佩芳、左瑶。本标准于1964年首次发布。
本标准代替标准的历次版本发布情况为:FJ 265~281-1964、FJ265—1973、GBn 1973~~1977-—1979、GB 1808~1813—-1979、FJn 442-1980.GB/T 8878--1988.GB/T 88808882—1988.GB/T 8878--1997。122
1范围
棉针织内衣
GB/T8878—2002
本标准规定了棉针织内衣的产品分类和号型、要求、试验方法、判定规则、产品使用说明、包装、运输、贮存。
本标准适用于鉴定纯棉针织内衣品质。棉混纺、交织等针织内衣可参照执行。2规范性引用文件
下列文件中的条款通过本标准的引用而成为本标准的条款。凡是注日期的引用文件,其随后所有的修改单(不包括误的内容)或修订版均不适用于本标准,然而,鼓励根据本标准达成协议的各方研究是否可使用这些文件的最新版本。凡是不注日期的引用文件,其最新版本适用于本标准。GB250评定变色用灰色样卡(GB250-1995,idtISO105-A02:1993)GB251评定沾色用灰色样卡(GB251-1995,idtISO105-A03:1993)GB/T2910纺织品二组分纤维混纺产品定量化学分析方法(GB/T2910-1997,eqvISO1833:1977
纺织品三组分纤维混纺产品定量化学分析方法(GB/T2911—1997,eqvISO5088:GB/T 2911
GB/T 2912. 1
纺织品甲醛的测定第1部分:游离水解的甲醛(水萃取法)纺织品色牢度试验耐摩擦色牢度(GB/T3920--1997,eqv1SO105-X12:1993)GB/T 3920
纺织品色牢度试验耐洗色牢度:试验3(GB/T3921.3-1997eqvIS)105GB/T3921.3
C03:1989)
GB/T 3922
纺织品耐汗溃色牢度试验方法(GB/T3922-1995,eqvISO105-E04:1994)GB/T4856针棉织品包装
GB 5296. 4
消费品使用说明纺织品和服装使用说明GB/T 6411
GB/T 7573
棉针织内衣规格尺寸系列
纺织品水萃取液pH值的测定
数值修约规则
GB/T 8170
GB/T8629纺织品试验用家庭洗涤和干燥程序GB/T14801机织物和针织物纬斜和弓纬的试验方法FZ/T01053纺织品纤维含量的标识FZ/T01057(所有部分)纺织纤维鉴别试验方法FZ/T70004纺织品针织物疵点术语FZ/T73011—1998针织腹带
3产品分类和号型
3.1棉针织内衣按织物组织结构分为单面织物、双面织物、绒织物三类产品。3.2棉针织内衣号型按GB/T6411规定执行。423
GB/T 8878---2002
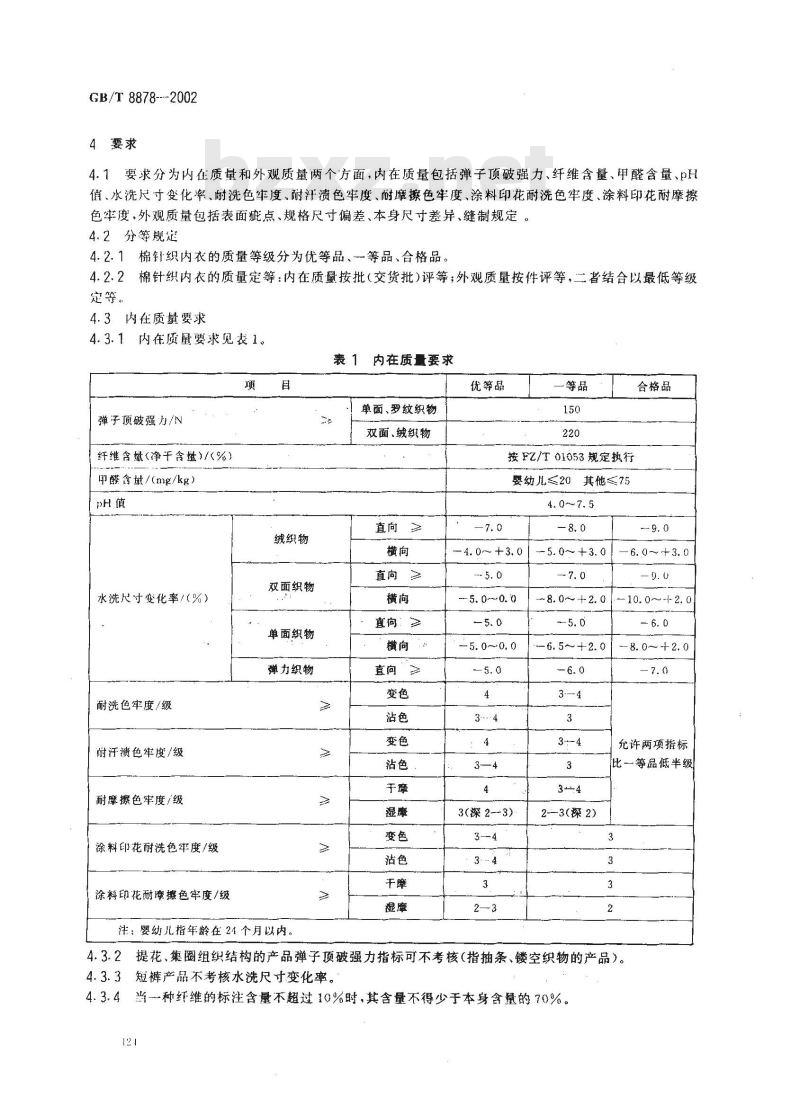
4要求
4.1要求分为内在质量和外观质量两个方面,内在质量包括弹子顶破强力、纤维含量、甲醛含量、pH俏、水洗尺寸变化率、耐洗色牢度、耐汗渍色牢度、耐摩擦色牢度、涂料印花耐洗色牢度、涂料印花耐摩擦色牢度,外观质量包括表面疵点、规格尺寸偏差、本身尺寸差异、缝制规定。4.2分等规延
4.2.1棉针织内衣的质量等级分为优等品、一等品、合格品。4.2.2棉针织内衣的质量定等:内在质量按批(交货批)评等外观质量按件评等,二者结合以最低等级定等。
4.3内在质量要求
4.3.1内在质量要求见表1。
表 1 内在质量要求
弹子顶破强力/N
纤维含量(净干含量)/(%)
甲醛含量/(mg/kg)
水洗尺寸变化率/(%)
耐洗色牢度/级
耐汗渍色牢度/级
耐摩擦色牢度/级
涂料印花耐洗色牢度/级
涂料印花耐摩擦色牢度/级
绒织物
双面织物
单面织物
弹力织物
注:婴幼儿指年龄在21个月以内。单面、罗纹织物
双面、绒织物
直向》
直向≥
直向≥
直向‘》
优等品
按FZ/T01053规定执行
婴幼儿≤20其他≤75
-5. 0~ 0. 0
3(深2--3)
5.0~+3.0
~8.0~+2.0
-6. 5~+2. 0
3-—4
2-—3(深2)
合格品
6. 0 ~ +3. 0
-10. 0 -- 2. 0
8.0~+2. 0
允许两项指标
比一等品低半级
提花、集圈组织结构的产品弹子顶破强力指标可不考核(指抽条、镂空织物的产品)。4.3.2
4.3.3短裤产品不考核水洗尺寸变化率。4.3.4当种红维的标注含量不超过10%时,其含量不得少于本身含量的70%。121
4.3.5湿摩擦色牢度指标为2级者,不允许再低半级。4.3.6内在质量各项指标,以试验结果最低一项作为该批产品的评等依据。4.4外观质量要求
4.4.1外观质量评等规定
GB/T 8878--2002
4.4.1.1外观质量评等按表面疵点、规格尺寸偏差、本身尺寸差异、缝制规定的评等来决定。在-件产品上发现属于不同品等的外观疵点时,按最低品等疵点评定。4.4.1.2在同一件产品上只允许有两个同等级的极限表面疵点存在,超过者应降低一个等级。4.4.1.3表面疵点评等规定见表2。表2表面疵点评等规定
疵点名称
粗纱、大肚纱、油纱、色纱、面子跳纱、里子纱露面、长花针
油棉飞花
纹路歪斜
起毛露底、脱绒、起毛不匀、极光印、色花、风溃、折印、印花疵点(缺花、露底、搭色、套版不正等)缝纫油污线
缝纫曲折高低
底边脱针
底边明针
重针(单针机除外)
浅淡油、污色渍
较深油、污色渍
细纱、断里子纱、断面子纱、单纱、修疤、锈斑、烫黄、针洞、破洞优等品
主要部位:不允许
次要部位:轻徽者允许
主要部位:不允许
一等品
轻微者允许
次要部位:无洞眼者0.5cm处
主要部位:不允许
次要部位:不明显者允许1针8cm处主料之间4级
主、副料之间3-4级
不大于6%
主要部位:不允许
次要部位:轻微者允许
主料之间4级
主副料之间 3 级
轻微者允许
浅淡1cm三处或2cm一处,领圈部位不允许0.5 cm
每面1针两处,但不得连续,骑缝处缝牢,脱针不超过1cm
小于0.2cm,骑缝处0.3cm,单面长不超过3cm每个过程除合理接头外,限4 cm一处(不包括领圈部位)
主要部位:不允许
次要部位:两处累计
主要部位:不允许
次要部位:两处累计
主要部位:两处累计
次要部位:三处累计
主要部位:两处累计
次要部位:三处累计
不充允许
合格品
明显者允许
无洞眼者0.5cm两处
或 1 cm 处
不明显者允许1针
15cm-处
主料之间3级
主、副料之间23级
不大于9%
明显者允许
浅淡的20cm.
较深的10cm
不考核
限4cm两处
累计6cm
累计2cm
GB/T 8878—2002
疵点名称
表2(续)
优等品
一等品
注1:主要部位是指上衣前身上部的三分之二(包括领窝露面部位),裤类无主要部位。注2:疵点程度的描述:
轻微…目视不明显,通过仔细辨认才可看到。明显
-不影响总体效果,但能感觉到疵点的存在。合格品
4.4.1.3.1测量表面疵点的长度以疵点最长长度(直径)计量,如遇有较细(0.1cm及以下)长的污渍疵点,应按表2规定加一倍考核。4.4.1.3.2表面疵点长度及疵点数量均为最大极限值。4.4.1.3.3凡遇条文未规定的表面疵点参照相似疵点酌情处理。4.4.1.3.4色差按GB250评定。
4.4.2成衣测量部位及规定
4.4.2.1上衣测量部位见图1。
4.4.2.2裤子测量部位1见图2。
4.4.2.3裤子测量部位1见图3。
4.4.2.4背心测量部位见图4。
—衣长;
胸宽,
1--—单肩宽;
5---挂肩。
图 1 上衣测量部位
6.裤长;
-直裆;
8横档。
9.-腰宽。
1 --—衣长;
2--胸宽;
10--肩带宽。
5成衣测量部位规定见表3。
裤子测量部位1
8cm~10cm
图3裤子测量部位Ⅱ
图4背心测量部位
GB/T 8878-2002
GB/T 8878--2002
肩带宽
表3成衣测量部位规定
测量方法
由肩缝最高处量到底边,连肩的由肩宽中点量到底边由袖隆缝与肋缝缝合处向下2 cm水平横量由肩缝与袖瘙缝的交点到袖口边,插肩式由后领中点量到袖口处由肩缝最高处量到肩缝与袖隆缝交点大身和衣袖接缝处自肩到腋的直线距离后腰宽的1/4处向下直量到裤口边裤身相对折,从腰边口向下斜量到裆角处裤身相对折,从档角处横量
侧腰边向下8cm~10cm处横量
肩带合缝处横量
注:各部位测量值精确至 0.1 cm。4.4.3规格尺寸偏差
见表4。
表4规格尺寸偏差
胸(腰)宽
优等品
儿童、中童
注:凡圆简合肩或印满身花产品胸宽偏差增加0.5cm。4.4.4wwW.bzxz.Net
本身尺寸差异
见表5。
合格品
表5本身尺寸差异
衣长不
袖长不-—
前后身及左右腰缝
袖阔不-—
优等品
优等品
一等品
一等品
单位为厘米
合格品
单位为厘米
合格品
胸宽不
裤长不一
挂肩不
两单肩宽窄不
背心肩带不一
背心胸背不一
上、下不~(宝塔型)
前后片宽度不·
腿阔不
4.4.5缝制规定
表5(续)
优等品
4.4.5.1优等品、等品、合格品按本规定执行。等品
GB/T 8878—2002
单位为厘米
合格品
4.4.5.2加固部位:合肩处、裤档叉子合缝处。裤裆叉子合缝处加固可用四线或五线包缝机缝制,袖口、领口、下摆、裤口与罗纹接缝处应采用双针绷缝加固或用四线或五线包缝机缝制。4.4.5.3平缝机、包缝机的针迹缝到边口处应加固。4.4.5.4用夹边(嘴子)滚领、袖边、腰边的合缝处应加固。4.4.5.5
针迹密度规定见表6。
表6针迹密度规定
机种(针迹数不低于)
绒织物
双面织物
单面织物
平双针
4.4.5.6测量针迹密度以-一个缝纫过程的中间处计量,4.4. 5.7
单位为针迹数/2厘米
锁眼机针迹密度按角计量,每厘米不低于8针,两端各打套结不低于2针。4.4.5.8钉扣机的针迹密度,每个扣眼不低于.4针。4.4.5.9包缝机缝边宽度不低于0.3cm,四线不低于0.4cm,五线不低于0.6cm。宽紧带
4.4.5.10缝纫针迹密度低于表6规定及双针绷缝机的跳针单针1针分散2处,1件按0.5件漏疵计算,平缝机的跳针允许1针分散2处。5试验方法
5.1抽样数量
5.1.1外观质量按交货批分品种、色别、规格尺寸随机采样1%~3%,但至少不得少于20件。5.1.2内在质量按交货批分品种,色别、规格尺寸随机采样4件,不足时可增加件数。5.2外观质量检验条件
5.2.1一般采用灯光检验,用40W青光或白光日光灯一支,上面加灯罩,灯罩与检验台面中心垂直距离为 80cm±5 cm。
5.2.2如在室内利用自然光检验,光源射人方向为北向左(或右)上角,不能使阳光直射产品。429
GB/T 8878—2002
5.2.3检验时应将产品平摊在检验台上,台面铺白布一层,检验人员的视线应正视产品的表面,双目与产品中间距离为35cm以上。
5.3试样准备和试验条件
5.3.1所取的试样不应有影响试验的疵点。5.3.2进行弹子顶破强力、水洗尺寸变化率试验时,需将试样在常温下展开平放20h,然后在试验室温度为(20±2))C,相对湿度为(65士3)%条件下,放置4h后进行试验。5.4试验项目
5.4.1弹子顶破强力试验
5.4.1.1仪器:弹子顶破强力机,下降速度为10cm/min~11cm/min,弹子直径为2cm,圆环内径为2.5cm。
5.4.1.2试验操作:在成衣的不同部位取试样5块,将试样夹人圆环后正面接触弹子即行测定。试验时若试样从圆环中滑出,试验结果无效,应另取一块试样重新试验。待试样完全顶破后,指针所指示的数值即为强力数据。试验结果取5块试样的平均值,并精确到个位数。5.4.2水洗尺寸变化率试验
5.4.2.1仪器和工具
自动洗衣机(采用GB/T8629标准中规定使用的卧式转鼓型前装料式洗衣机)、量尺(精确至0. 1 cm)、直径为2 cm~3cm的竿。5.4.2.2测量部位
上衣取身长与胸围作为直向和横向的测量部位,身长以前后身左右四处的平均值作为计算依据,裤子取裤长与中腿作为直向和横向的测量部位,裤长以左右二处的平均值作为计算依据。并在测量时做出标记,以便水洗后测量,上衣测量部位见图5,裤子测量部位见图6,背心测量部位见图7。5cm
上衣水洗前后测量部位
图6裤子水洗前后测量部位
图 7 背心水洗前后测量部位
5.4.2.3水洗尺寸变化率测量部位说明见表7。
表7水洗尺寸变化率测量部位说明类
5.4.2.4试验操作
测量方法
连肩的由肩宽中点量到底边,合肩(拷肩)的由肩最高处量到底边由袖隆缝与肋继缝合处向下 5 cm 处横量由后腰的四分之一处间下直量到裤边由横档测量线向下10cm(儿童、中童8cm)处横量GB/T 8878—2002
5.4.2.4.1水洗尺寸变化率试验按GB/T8629规定执行。采用5A洗涤程序。试验件数3件。5.4.2.4.2晾干:采用悬挂晾干法。上衣用竿穿过两袖,使胸围挂肩处保持平直,并从下端用手将两片分开理平。裤子对折搭晾,使横档部位在晾竿上,并轻轻理平,将晾干后的试样,放置在温度为(20士2)C,相对湿度为(65士3)%条件下的平台上,停放4h以上,轻轻拍平折痕,再进行测量5.4.2.4.3结果计算和表示:按式(1)计算直向或横向的水洗尺寸变化率,以负号()表示尺寸收缩,以正号(十)表示尺寸伸长。最终结果修约精确到0.1。 L1= Lo× 100
式中:
A一一直向或横向水洗尺寸变化率,%;L直向或横向水洗后尺寸的平均值;I.。—直向或横向水洗前尺寸的平均值。5.4.3耐洗(含涂料印花)色牢度试验按GB/T3921.3规定执行。
5.4.4耐摩擦(含涂料印花)色牢度试验按GB/T3920规定执行。试验只做直向。5.4.5耐汗溃色牢度试验
按GB/T3922规定执行。
5.4.6甲醛含量试验
按GB/T2912.1规定执行。其中印花、贴合特殊处理产品试验做印花、贴合部位。5. 4. 7 pH 值试验
(1)
GB/T 8878 --2002
按GB/T7573规定执行。
5.4.8纤维含量试验
按G3/T2910、GB/T2911、FZ/T01057、FZ/T.73011规定执行。5.4.9色牢度评级
按GB250及GB251评定。
5.4.10纹路歪斜试验
按GB/T14801规定执行。
6判定规则
6.1外观质量
按品种、色别、规格尺寸计算不符品等率。凡不符品等率在5.0%及以内者,判定该批产品合格;不符品等率在5.0%以上者,判定该批产品不合格。内包装标志差错按件计算,不充许有外包装差错。6.2内在质量
6.2.1弹子顶破强力取全部被测试样的算术平均值,合格者判定该批产品合格。不合格者判定该批产品不合格。
6.2.2水洗尺寸变化率以全部试样的算术平均值作为检验结果,平均合格为合格。若同时存在收缩与倒涨试验结果时,以收缩(或倒涨)的二件试样的算术平均值作为检验结果,合格者判定该批产品合格。不合格者判定该批产品不合格。6.2.3纤维含量、甲醛含量、pH值检验结果合格者,判定该批产品合格。不合格者判定该批产品不合格。
6.2.4耐洗、耐汗渍、耐摩擦色牢度检验结果合格者,判定该批产品合格。不合格者分色别判定该批产品不合格。
6.2.5涂料印花耐洗、耐摩擦色牢度检验结果合格者,判定该批产品合格。不合格者判定该批产品不合格。
6.3复验
6.3.1检验时任何一方对所检验的结果有异议时,或交货时未经验收的产品在规定期限内对所有异议的项目,均可要求复验。
6.3.2提请复验时,必须保留提请复验数量的全部。6.3.3复验时检验数量为验收时检验数量的2倍,复验结果按本标准6.1~6.2规定处理,以复验结果为准。
7产品便用说明、包装、运输、存7.1产品使用说明按GB5296.4规定执行。7.2包装按GB/T4856或企业自定。7.3产品的运输应防潮、防火、防污染。7.4产品应存放在阴凉、通风、干燥、清洁的库房内,并防蛀、防癣。432
小提示:此标准内容仅展示完整标准里的部分截取内容,若需要完整标准请到上方自行免费下载完整标准文档。
中华人民共和国国家标准
GB/T8878—2002
代替GB/T8878-1997
棉针织内衣
Cotton knitted underwear
2002-09-05发布
中华人民共和国
国家质量监督检验检疫总局
2003-02-01实施
GB/T 8878--2002
本标准根据国际试验与材料协会标准ASTM4234--2001《女式成人及儿童针织晨衣、睡衣、睡袍、长衬裙和内衣织物的标准性能规格》起草,与ASTM4234一2001一致性程度为非等效。本标准代替GB/T8878--1997《棉针织内衣》。本标准与GB/T8878--1997相比主要变化如下:--关于引用文件的规则修订为:区分注日期和不注日期的引用文件(1997年版的2;本版的2);---修改产品分等规定(1997年版的4.1;本版的4.2);一对表面疵点评等规定进行调整,并对其内容进行简化(1997年版的4.1.4.3;本版的4. 4. 1.3);
增加纤维含量、甲醛含量、pH值的考核项目与试验方法(本版的4.3、5.4.6、5.4.7、5.4.8);一-取消干燥重量的考核项目与试验方法(1997年版的4.2.1和5.3.1);.-将缩水率项目修改为水洗尺寸变化率,对部分指标进行调整,并对其计算方法进行改动(1997年版4.2.2;本版的4.3和5.4.2.4.3);对弹子顶破强力、染色牢度部分指标进行调整讲增加涂料印花色牢度的考核项目及试验方法(1997年版4.2.1、4.2.3;本版的4.3、5.4.3、5.4.4);--增加成衣的测量部位及规定(本版的4,4.2);删除规格尺寸偏差中挂肩、背心肩带、短裤裤长的考核项目(1997年版4.1.4.4);—…一增加本身尺寸差异中两单肩宽窄不一考核项目(本版的4.4.4);简化缝制规定要求(1997年版4.3;本版的4.4.5)。本标准由中国纺织工业协会提出。本标准由全国纺织品标准化技术委员会针织品分会归口。本标准起草单位:国家针织产品质量监督检验中心、上海三枪集团有限公司、江苏AB集团有限责任公司、北京铜牛针织集团有限责任公司、南通东华九鼎针织服装有限公司。本标准主要起草人:邢志贵、王新丽、薛继凤、邬晓静、徐佩芳、左瑶。本标准于1964年首次发布。
本标准代替标准的历次版本发布情况为:FJ 265~281-1964、FJ265—1973、GBn 1973~~1977-—1979、GB 1808~1813—-1979、FJn 442-1980.GB/T 8878--1988.GB/T 88808882—1988.GB/T 8878--1997。122
1范围
棉针织内衣
GB/T8878—2002
本标准规定了棉针织内衣的产品分类和号型、要求、试验方法、判定规则、产品使用说明、包装、运输、贮存。
本标准适用于鉴定纯棉针织内衣品质。棉混纺、交织等针织内衣可参照执行。2规范性引用文件
下列文件中的条款通过本标准的引用而成为本标准的条款。凡是注日期的引用文件,其随后所有的修改单(不包括误的内容)或修订版均不适用于本标准,然而,鼓励根据本标准达成协议的各方研究是否可使用这些文件的最新版本。凡是不注日期的引用文件,其最新版本适用于本标准。GB250评定变色用灰色样卡(GB250-1995,idtISO105-A02:1993)GB251评定沾色用灰色样卡(GB251-1995,idtISO105-A03:1993)GB/T2910纺织品二组分纤维混纺产品定量化学分析方法(GB/T2910-1997,eqvISO1833:1977
纺织品三组分纤维混纺产品定量化学分析方法(GB/T2911—1997,eqvISO5088:GB/T 2911
GB/T 2912. 1
纺织品甲醛的测定第1部分:游离水解的甲醛(水萃取法)纺织品色牢度试验耐摩擦色牢度(GB/T3920--1997,eqv1SO105-X12:1993)GB/T 3920
纺织品色牢度试验耐洗色牢度:试验3(GB/T3921.3-1997eqvIS)105GB/T3921.3
C03:1989)
GB/T 3922
纺织品耐汗溃色牢度试验方法(GB/T3922-1995,eqvISO105-E04:1994)GB/T4856针棉织品包装
GB 5296. 4
消费品使用说明纺织品和服装使用说明GB/T 6411
GB/T 7573
棉针织内衣规格尺寸系列
纺织品水萃取液pH值的测定
数值修约规则
GB/T 8170
GB/T8629纺织品试验用家庭洗涤和干燥程序GB/T14801机织物和针织物纬斜和弓纬的试验方法FZ/T01053纺织品纤维含量的标识FZ/T01057(所有部分)纺织纤维鉴别试验方法FZ/T70004纺织品针织物疵点术语FZ/T73011—1998针织腹带
3产品分类和号型
3.1棉针织内衣按织物组织结构分为单面织物、双面织物、绒织物三类产品。3.2棉针织内衣号型按GB/T6411规定执行。423
GB/T 8878---2002
4要求
4.1要求分为内在质量和外观质量两个方面,内在质量包括弹子顶破强力、纤维含量、甲醛含量、pH俏、水洗尺寸变化率、耐洗色牢度、耐汗渍色牢度、耐摩擦色牢度、涂料印花耐洗色牢度、涂料印花耐摩擦色牢度,外观质量包括表面疵点、规格尺寸偏差、本身尺寸差异、缝制规定。4.2分等规延
4.2.1棉针织内衣的质量等级分为优等品、一等品、合格品。4.2.2棉针织内衣的质量定等:内在质量按批(交货批)评等外观质量按件评等,二者结合以最低等级定等。
4.3内在质量要求
4.3.1内在质量要求见表1。
表 1 内在质量要求
弹子顶破强力/N
纤维含量(净干含量)/(%)
甲醛含量/(mg/kg)
水洗尺寸变化率/(%)
耐洗色牢度/级
耐汗渍色牢度/级
耐摩擦色牢度/级
涂料印花耐洗色牢度/级
涂料印花耐摩擦色牢度/级
绒织物
双面织物
单面织物
弹力织物
注:婴幼儿指年龄在21个月以内。单面、罗纹织物
双面、绒织物
直向》
直向≥
直向≥
直向‘》
优等品
按FZ/T01053规定执行
婴幼儿≤20其他≤75
-5. 0~ 0. 0
3(深2--3)
5.0~+3.0
~8.0~+2.0
-6. 5~+2. 0
3-—4
2-—3(深2)
合格品
6. 0 ~ +3. 0
-10. 0 -- 2. 0
8.0~+2. 0
允许两项指标
比一等品低半级
提花、集圈组织结构的产品弹子顶破强力指标可不考核(指抽条、镂空织物的产品)。4.3.2
4.3.3短裤产品不考核水洗尺寸变化率。4.3.4当种红维的标注含量不超过10%时,其含量不得少于本身含量的70%。121
4.3.5湿摩擦色牢度指标为2级者,不允许再低半级。4.3.6内在质量各项指标,以试验结果最低一项作为该批产品的评等依据。4.4外观质量要求
4.4.1外观质量评等规定
GB/T 8878--2002
4.4.1.1外观质量评等按表面疵点、规格尺寸偏差、本身尺寸差异、缝制规定的评等来决定。在-件产品上发现属于不同品等的外观疵点时,按最低品等疵点评定。4.4.1.2在同一件产品上只允许有两个同等级的极限表面疵点存在,超过者应降低一个等级。4.4.1.3表面疵点评等规定见表2。表2表面疵点评等规定
疵点名称
粗纱、大肚纱、油纱、色纱、面子跳纱、里子纱露面、长花针
油棉飞花
纹路歪斜
起毛露底、脱绒、起毛不匀、极光印、色花、风溃、折印、印花疵点(缺花、露底、搭色、套版不正等)缝纫油污线
缝纫曲折高低
底边脱针
底边明针
重针(单针机除外)
浅淡油、污色渍
较深油、污色渍
细纱、断里子纱、断面子纱、单纱、修疤、锈斑、烫黄、针洞、破洞优等品
主要部位:不允许
次要部位:轻徽者允许
主要部位:不允许
一等品
轻微者允许
次要部位:无洞眼者0.5cm处
主要部位:不允许
次要部位:不明显者允许1针8cm处主料之间4级
主、副料之间3-4级
不大于6%
主要部位:不允许
次要部位:轻微者允许
主料之间4级
主副料之间 3 级
轻微者允许
浅淡1cm三处或2cm一处,领圈部位不允许0.5 cm
每面1针两处,但不得连续,骑缝处缝牢,脱针不超过1cm
小于0.2cm,骑缝处0.3cm,单面长不超过3cm每个过程除合理接头外,限4 cm一处(不包括领圈部位)
主要部位:不允许
次要部位:两处累计
主要部位:不允许
次要部位:两处累计
主要部位:两处累计
次要部位:三处累计
主要部位:两处累计
次要部位:三处累计
不充允许
合格品
明显者允许
无洞眼者0.5cm两处
或 1 cm 处
不明显者允许1针
15cm-处
主料之间3级
主、副料之间23级
不大于9%
明显者允许
浅淡的20cm.
较深的10cm
不考核
限4cm两处
累计6cm
累计2cm
GB/T 8878—2002
疵点名称
表2(续)
优等品
一等品
注1:主要部位是指上衣前身上部的三分之二(包括领窝露面部位),裤类无主要部位。注2:疵点程度的描述:
轻微…目视不明显,通过仔细辨认才可看到。明显
-不影响总体效果,但能感觉到疵点的存在。合格品
4.4.1.3.1测量表面疵点的长度以疵点最长长度(直径)计量,如遇有较细(0.1cm及以下)长的污渍疵点,应按表2规定加一倍考核。4.4.1.3.2表面疵点长度及疵点数量均为最大极限值。4.4.1.3.3凡遇条文未规定的表面疵点参照相似疵点酌情处理。4.4.1.3.4色差按GB250评定。
4.4.2成衣测量部位及规定
4.4.2.1上衣测量部位见图1。
4.4.2.2裤子测量部位1见图2。
4.4.2.3裤子测量部位1见图3。
4.4.2.4背心测量部位见图4。
—衣长;
胸宽,
1--—单肩宽;
5---挂肩。
图 1 上衣测量部位
6.裤长;
-直裆;
8横档。
9.-腰宽。
1 --—衣长;
2--胸宽;
10--肩带宽。
5成衣测量部位规定见表3。
裤子测量部位1
8cm~10cm
图3裤子测量部位Ⅱ
图4背心测量部位
GB/T 8878-2002
GB/T 8878--2002
肩带宽
表3成衣测量部位规定
测量方法
由肩缝最高处量到底边,连肩的由肩宽中点量到底边由袖隆缝与肋缝缝合处向下2 cm水平横量由肩缝与袖瘙缝的交点到袖口边,插肩式由后领中点量到袖口处由肩缝最高处量到肩缝与袖隆缝交点大身和衣袖接缝处自肩到腋的直线距离后腰宽的1/4处向下直量到裤口边裤身相对折,从腰边口向下斜量到裆角处裤身相对折,从档角处横量
侧腰边向下8cm~10cm处横量
肩带合缝处横量
注:各部位测量值精确至 0.1 cm。4.4.3规格尺寸偏差
见表4。
表4规格尺寸偏差
胸(腰)宽
优等品
儿童、中童
注:凡圆简合肩或印满身花产品胸宽偏差增加0.5cm。4.4.4wwW.bzxz.Net
本身尺寸差异
见表5。
合格品
表5本身尺寸差异
衣长不
袖长不-—
前后身及左右腰缝
袖阔不-—
优等品
优等品
一等品
一等品
单位为厘米
合格品
单位为厘米
合格品
胸宽不
裤长不一
挂肩不
两单肩宽窄不
背心肩带不一
背心胸背不一
上、下不~(宝塔型)
前后片宽度不·
腿阔不
4.4.5缝制规定
表5(续)
优等品
4.4.5.1优等品、等品、合格品按本规定执行。等品
GB/T 8878—2002
单位为厘米
合格品
4.4.5.2加固部位:合肩处、裤档叉子合缝处。裤裆叉子合缝处加固可用四线或五线包缝机缝制,袖口、领口、下摆、裤口与罗纹接缝处应采用双针绷缝加固或用四线或五线包缝机缝制。4.4.5.3平缝机、包缝机的针迹缝到边口处应加固。4.4.5.4用夹边(嘴子)滚领、袖边、腰边的合缝处应加固。4.4.5.5
针迹密度规定见表6。
表6针迹密度规定
机种(针迹数不低于)
绒织物
双面织物
单面织物
平双针
4.4.5.6测量针迹密度以-一个缝纫过程的中间处计量,4.4. 5.7
单位为针迹数/2厘米
锁眼机针迹密度按角计量,每厘米不低于8针,两端各打套结不低于2针。4.4.5.8钉扣机的针迹密度,每个扣眼不低于.4针。4.4.5.9包缝机缝边宽度不低于0.3cm,四线不低于0.4cm,五线不低于0.6cm。宽紧带
4.4.5.10缝纫针迹密度低于表6规定及双针绷缝机的跳针单针1针分散2处,1件按0.5件漏疵计算,平缝机的跳针允许1针分散2处。5试验方法
5.1抽样数量
5.1.1外观质量按交货批分品种、色别、规格尺寸随机采样1%~3%,但至少不得少于20件。5.1.2内在质量按交货批分品种,色别、规格尺寸随机采样4件,不足时可增加件数。5.2外观质量检验条件
5.2.1一般采用灯光检验,用40W青光或白光日光灯一支,上面加灯罩,灯罩与检验台面中心垂直距离为 80cm±5 cm。
5.2.2如在室内利用自然光检验,光源射人方向为北向左(或右)上角,不能使阳光直射产品。429
GB/T 8878—2002
5.2.3检验时应将产品平摊在检验台上,台面铺白布一层,检验人员的视线应正视产品的表面,双目与产品中间距离为35cm以上。
5.3试样准备和试验条件
5.3.1所取的试样不应有影响试验的疵点。5.3.2进行弹子顶破强力、水洗尺寸变化率试验时,需将试样在常温下展开平放20h,然后在试验室温度为(20±2))C,相对湿度为(65士3)%条件下,放置4h后进行试验。5.4试验项目
5.4.1弹子顶破强力试验
5.4.1.1仪器:弹子顶破强力机,下降速度为10cm/min~11cm/min,弹子直径为2cm,圆环内径为2.5cm。
5.4.1.2试验操作:在成衣的不同部位取试样5块,将试样夹人圆环后正面接触弹子即行测定。试验时若试样从圆环中滑出,试验结果无效,应另取一块试样重新试验。待试样完全顶破后,指针所指示的数值即为强力数据。试验结果取5块试样的平均值,并精确到个位数。5.4.2水洗尺寸变化率试验
5.4.2.1仪器和工具
自动洗衣机(采用GB/T8629标准中规定使用的卧式转鼓型前装料式洗衣机)、量尺(精确至0. 1 cm)、直径为2 cm~3cm的竿。5.4.2.2测量部位
上衣取身长与胸围作为直向和横向的测量部位,身长以前后身左右四处的平均值作为计算依据,裤子取裤长与中腿作为直向和横向的测量部位,裤长以左右二处的平均值作为计算依据。并在测量时做出标记,以便水洗后测量,上衣测量部位见图5,裤子测量部位见图6,背心测量部位见图7。5cm
上衣水洗前后测量部位
图6裤子水洗前后测量部位
图 7 背心水洗前后测量部位
5.4.2.3水洗尺寸变化率测量部位说明见表7。
表7水洗尺寸变化率测量部位说明类
5.4.2.4试验操作
测量方法
连肩的由肩宽中点量到底边,合肩(拷肩)的由肩最高处量到底边由袖隆缝与肋继缝合处向下 5 cm 处横量由后腰的四分之一处间下直量到裤边由横档测量线向下10cm(儿童、中童8cm)处横量GB/T 8878—2002
5.4.2.4.1水洗尺寸变化率试验按GB/T8629规定执行。采用5A洗涤程序。试验件数3件。5.4.2.4.2晾干:采用悬挂晾干法。上衣用竿穿过两袖,使胸围挂肩处保持平直,并从下端用手将两片分开理平。裤子对折搭晾,使横档部位在晾竿上,并轻轻理平,将晾干后的试样,放置在温度为(20士2)C,相对湿度为(65士3)%条件下的平台上,停放4h以上,轻轻拍平折痕,再进行测量5.4.2.4.3结果计算和表示:按式(1)计算直向或横向的水洗尺寸变化率,以负号()表示尺寸收缩,以正号(十)表示尺寸伸长。最终结果修约精确到0.1。 L1= Lo× 100
式中:
A一一直向或横向水洗尺寸变化率,%;L直向或横向水洗后尺寸的平均值;I.。—直向或横向水洗前尺寸的平均值。5.4.3耐洗(含涂料印花)色牢度试验按GB/T3921.3规定执行。
5.4.4耐摩擦(含涂料印花)色牢度试验按GB/T3920规定执行。试验只做直向。5.4.5耐汗溃色牢度试验
按GB/T3922规定执行。
5.4.6甲醛含量试验
按GB/T2912.1规定执行。其中印花、贴合特殊处理产品试验做印花、贴合部位。5. 4. 7 pH 值试验
(1)
GB/T 8878 --2002
按GB/T7573规定执行。
5.4.8纤维含量试验
按G3/T2910、GB/T2911、FZ/T01057、FZ/T.73011规定执行。5.4.9色牢度评级
按GB250及GB251评定。
5.4.10纹路歪斜试验
按GB/T14801规定执行。
6判定规则
6.1外观质量
按品种、色别、规格尺寸计算不符品等率。凡不符品等率在5.0%及以内者,判定该批产品合格;不符品等率在5.0%以上者,判定该批产品不合格。内包装标志差错按件计算,不充许有外包装差错。6.2内在质量
6.2.1弹子顶破强力取全部被测试样的算术平均值,合格者判定该批产品合格。不合格者判定该批产品不合格。
6.2.2水洗尺寸变化率以全部试样的算术平均值作为检验结果,平均合格为合格。若同时存在收缩与倒涨试验结果时,以收缩(或倒涨)的二件试样的算术平均值作为检验结果,合格者判定该批产品合格。不合格者判定该批产品不合格。6.2.3纤维含量、甲醛含量、pH值检验结果合格者,判定该批产品合格。不合格者判定该批产品不合格。
6.2.4耐洗、耐汗渍、耐摩擦色牢度检验结果合格者,判定该批产品合格。不合格者分色别判定该批产品不合格。
6.2.5涂料印花耐洗、耐摩擦色牢度检验结果合格者,判定该批产品合格。不合格者判定该批产品不合格。
6.3复验
6.3.1检验时任何一方对所检验的结果有异议时,或交货时未经验收的产品在规定期限内对所有异议的项目,均可要求复验。
6.3.2提请复验时,必须保留提请复验数量的全部。6.3.3复验时检验数量为验收时检验数量的2倍,复验结果按本标准6.1~6.2规定处理,以复验结果为准。
7产品便用说明、包装、运输、存7.1产品使用说明按GB5296.4规定执行。7.2包装按GB/T4856或企业自定。7.3产品的运输应防潮、防火、防污染。7.4产品应存放在阴凉、通风、干燥、清洁的库房内,并防蛀、防癣。432
小提示:此标准内容仅展示完整标准里的部分截取内容,若需要完整标准请到上方自行免费下载完整标准文档。
标准图片预览:





- 其它标准
- 上一篇: GB/T 8875-1988 碾米工业名词术语
- 下一篇: GB/T 8883-1988 食用小麦淀粉
- 热门标准
- 国家标准(GB)
- GB/T2828.1-2012 计数抽样检验程序 第1部分:按接收质量限(AQL)检索的逐批检验抽样计划
- GB/T8566-2022 系统与软件工程 软件生存周期过程
- GB175-2023 通用硅酸盐水泥
- GB/T30917—2014 /ISo 29941:2010 天然胶乳橡胶避孕套中可迁移亚硝胺的测定
- GB/T9124.1-2019 钢制管法兰 第1部分:PN 系列
- GB/T1182-2018 产品几何技术规范(GPS) 几何公差 形状、方向、位置和跳动公差标注
- GB/T12777-1999 金属波纹管膨胀节通用技术条件
- GB/T29633.4-2020 南极地名 第4部分:罗马字母拼写
- GB/T50062-2008 电力装置的继电保护和自动装置设计规范
- GB/T30544.5-2014 纳米科技 术语 第5部分纳米/生物界面
- GB4706.3-1986 家用和类似用途电器的安全食物搅碎器及类似用途电器的特殊要求
- GB15193.5-2003 骨髓细胞微核试验
- GB15985-1995 丝虫病诊断标准及处理原则
- GB16844-1997 普通照明用自镇流灯的安全要求
- GB/T7407-1997 中国及世界主要海运贸易港口代码
- 行业新闻
请牢记:“bzxz.net”即是“标准下载”四个汉字汉语拼音首字母与国际顶级域名“.net”的组合。 ©2025 标准下载网 www.bzxz.net 本站邮件:bzxznet@163.com
网站备案号:湘ICP备2025141790号-2
网站备案号:湘ICP备2025141790号-2