- 您的位置:
- 标准下载网 >>
- 标准分类 >>
- 国家标准(GB) >>
- GB/T 8731-1988 易切削结构钢技术条件
标准号:
GB/T 8731-1988
标准名称:
易切削结构钢技术条件
标准类别:
国家标准(GB)
英文名称:
Technical requirements for free-cutting structural steel标准状态:
已作废-
发布日期:
1988-02-22 -
实施日期:
1989-03-01 -
作废日期:
2009-05-01 出版语种:
简体中文下载格式:
.rar.pdf下载大小:
208.30 KB
替代情况:
替代YB 191-1975;被GB/T 8731-2008代替采标情况:
NEQ ГОСТ 1414:1975
点击下载
标准简介:
标准下载解压密码:www.bzxz.net
本标准适用于普通机床和自动机床切削加工用的热轧、冷拉条钢和钢丝。其化学成分同样适用于锭、坯及其制品。 GB/T 8731-1988 易切削结构钢技术条件 GB/T8731-1988
部分标准内容:
中华人民共和国国家标准
易切削结构钢技术条件
Free-cutting steel Technlcal requirementsUDC: 699. 14. 018
GB8731-88
本标准适用于普通机床和自动机床切削加工用的热轧、冷拉条钢和钢丝。其化学成分同样适眉于链、坏及其制品。
「尺寸、外形
1.1热轧、冷拉条钢、钢丝及银亮钢的尺寸,外形及充许偏差应符合表1的规定裴1
穴角钢
银亮钢
相应标准
GB 702— B6
GB 705— B3
GB 702—86
尺心精度技外形级别
根据需方要求,也可按较表1更商级的精度交货。相应标准
GB 905—82
GB 906— B2
.GB 342—82
GB 3207- 82
尺寸精度及外形级别
9、10级
用剪断机剪切的热轧条钢两端变形长度不得大于20mm。根据需方要求,条钢两端毛刺应予1.2
清除。
1.3冷拉条钢的端头不应切弯。用剪断机剪切钢材时,被切的一端允许有剪划变形,变形后,端头的最大尺寸不得大于公称尺寸如公差。在包装时应将前切变形的一端朝··个方向放置。2技术要求
2.1牌号及化学成分
2.1.1钢的化学成分(熔炼分析)应符合表2的规定。2.1.2成品钢材的化学成分允许偏差,其中钙元素允许偏差为±8.8。,其他元素允许偏差应符合0.0005
C222—84&钢的化学分析用试样取样法及成品化学成分充许偏差》中表2的规定。中华人民共和国治金工业部1988-02-02批准1989-03-01实施
¥40Mn
Y 45ca
0. 08 ~ 0. 71.6
C. 08~0. 16
0.10~0.18
0.10~0.18
0. 17 ~ 0. 25
GB 8731- 88
0. 16 ~-0. 351
0.70~1.00
0.16 ~-0. 35
0. 70--1. 10
0.80~1.20
0. 80~1. 20
0. 70~-1. 00
0.70~~1. 00
0. 27 ~ 0. 35
0. 15~~0. 35
0. 32~~0. 40
0. 37~0. 45
0. 42-~0.50
0. 15 ~0. 35
0. 70~1. 00
0. 15~-0. 35
1.20~~1. 55
0. 20~0. 40 0. 60~0. 90
0. 10~- 0. 20
0.15~0.25
0. 23~~0. 33
0. 23~~0. 33
D. 08 ~~ 0. 15
0. 08 ~~ 0. 15
0.08~~0.15
0. 20 ~~0. 30
0. 04~0. 08
0. 08 -~ 0. 15
0. 05~- 0. 10
0. 05~ 0. 10
[. 05 ~-0. 10
.0. 06
0. 15 ~ 0. 35
0. 15 ~~0. 35
0.002~0.006
2.1. 3Y15Ca 钢中残余元素 Ni、Cr、Cu 含量各不大于 0.25%;供热压力加工用时,铜含量不大于0.20%。供方能保证不大了此值时可不做分析。2.2交货状态
Y40Mn以热轧或冷拉后高温回火状态交货,其他钢号以热轧或冷拉状态交货,交货状态应在合同中注明。根据需方要求也可按其他状态交货,其力学性能指标由供需双方协商。2.3力学性能
2.3.1以热轧状态交货的条钢和盘条,其纵向力学性能和布氏硬度应符合表3的规定。表3
力学性能
抗拉强度α
390~540
$90~540
390--540
390--540
450~600
510~655
510~655
590735
600~745
伸长率品,
不小于
收缩率助
不小于
布氏硬度HB
不大于
对于直径大丁16mm的钢材,用经热处理毛坏制造的试样测定钢的力学性能应符合表4规定。
服点。
GB873188
力学性能
抗拉强度
伸长率6:
不小于
冲击As
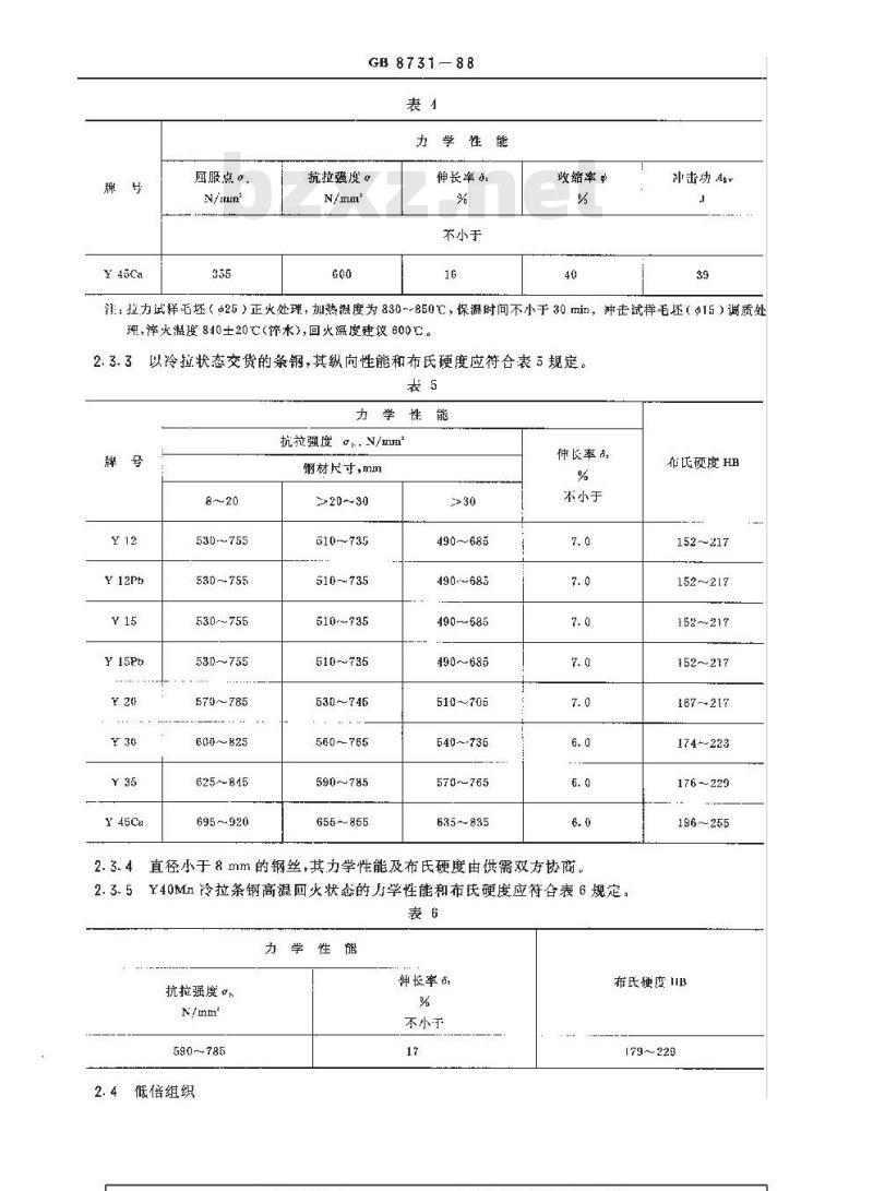
汇:拉力试样毛坏(a25)正火处理,加热激度为830~850C,保温时间不小于30min,冲击试样毛还(g15)调质处现,率火温度840士20℃(济水),回火度建议600。2. 3. 3
以冷拉状态交货的条钢,其纵向性能和布氏硬度应符合表5规定。表5
力学性能
抗拉强度o.N/mm
8~20
530--755
530-755
530-~755
530-~755
570785
600825
625~815
695920
钢材尺寸,mm
>20~30
510~735
510~735
510~735
510~735
530-746
560--765
590-~785
655--855
490~685
490-~685
490-685
490~685
510~705
640--736
570~765
635--835
神长率
不小于
直径小于8mm的钢丝,其力学性能及布氏硬度由供需双方协商。Y40Mn冷拉条钢高温回火状态的学性能和布氏硬度应符合表6规定:2. 3. 5
力学性能
抗拉强度价
590-785
低倍组织
押长率:
不小于
布医硬度HB
152~217
152~~217
152~217
152~~217
167--217
174--223
176~229
196255
布氏硬度 IB
179~229
GB8731-88
2.4.1钢材的横截面酸浸低倍组织试片上不得有肉眼可见的缔孔、气泡、夹杂、裂纹、分层、翻皮及点。评定低倍组织级别时,一般疏松,中心疏松和偏析均不应超过3级。2.4.2根据需方要求,钢材可作塔形检验,台格标由供需双方协商。2.5脱碳层
根据带力要求,含碳量大于0.30%的钢可检验一逆总脱碳层深度(铁素体十过渡层),合格标准由供需双方协商
2.6非金属夹杂物
据需方要求,钢材可检验脆性夹杂物,其级别不人于3缀。2.7表面质量
2.7.1热轧条钢和盘条的表面不得有裂纹、折叠,撕裂和结疤。上述缺陷必须清除,清理深度不得超出公差之半。热轧条钢和盘条表面不得有超过公差之半的划痕、黑斑和麻点,而发纹深度不得人于公差的四分之一。
2.7.2冷拉条钢和钢丝表面必须洁净、平滑、光亮,不得有裂纹、结疤、爽杂、发纹、折叠、气孔和氧化皮。以热处理状态供应的条钢表面允许有氧化色,11级精度条钢和钢丝表面允许有个别的小划恢、凹面、气孔、黑斑和少量麻点,其深度不得天于从实际尺寸算起的公差之半。根据需方要求,深度可不大丁公差的四分之一。供冷机械加工(车削、磨削)用的11级精度条钢和钢丝表面上允许有深度不超过从实际尺寸算起的公差之半的划伤、麻点,四凹坑和清理痕迹,允许有不大于公差之半的个别微小发纹,但不得使条钢小于最小尺寸。
2.7.3银完钢表面不允许有任何缺陷。3试验方法
3.1钢材的尺寸采用样板和卡量工具进行卡量。3.2钢材的表面质量用肉眼逐根检查,必要时可用链刀、矽轮进行打磨后检查,或酸洗后检查。3.3每批钢材的检验项月、取样要求和试验方法按表7的规定。序号
检验项目
化学成芬
低倍组织
布氏硕度
拉神武验
神击功
脱磁层
非金属夹杂物
GB 873188
试验方法
GB 223. 1~ 223. 5— 81
B 223. 29— 84
GB 226— 77
GB 1979:80
GI 231— 84
GB228—87bzxz.net
GB22984
GD 224— 87
YB 25—77
联祥要求
GB 222— 84
相当于辋锭头部的钢逐或
钢材端部
杆意三根钢材端部
GB 2975—82
任意一鼠钢端部
任意两盘
GB 2975- 82
任意两根钢材端部
不间根钢材
不同根钢材
江,()钙含量用原子吸收光谱法分析,具体规定暂按供需双方商定的企业标准取样数量,个
)条钢进行拉试验时,试样标距 L=5d,其t&为试样直径,试样直径接表8规定。丝试样标距为100mml。
钢材尺寸
试样直整
检验规则
4.1检查和验收
不经加!
钢材的检查和验收由供方技术监督部门进行。4.2组批规则
220~30
4.2.1条钢应成批验收,每批由同钢号,同炉罐号、同热处理炉欢(当以热处理状态供应时),同一尺寸、同,-供应状态的钢材组成。4.2.2钢丝的组批规则应符合GB2103一88《钢丝验收、包装、标志及质量证明书的-般规定》的有关规定。
4.3最样数品
钢材检验的取样数量按表7规定。4.4复验判定规则
4. 4.1条钢的复验和判定规则应符合GB 2101一80 型钢验收、包装、标志及质量证明书的一般规定的有关规定。
4. 4.2钢丝的复验利判定应符合GB2.103一88的有关规定。5包装、标志和质量证明书
条钢和钢丝的包装,标志和量证明书应分别符合 GD 2101一80和GB 2103—88的规定。银亮钢的包装、标志和质量证明书应符合 YB 247一 64 的规定附加说明:
GB 873188
本标准由冶金工业部情报标准研究总所提出。本标准由首都钢铁公司负起草。木标准士要起草人刘乐凯
自本标准实施之日起,原冶金工业部部标准YB3191一75≤易切削结构钢技术条件》作废本标准水半等级标记
GB 8731— 88 1
小提示:此标准内容仅展示完整标准里的部分截取内容,若需要完整标准请到上方自行免费下载完整标准文档。
易切削结构钢技术条件
Free-cutting steel Technlcal requirementsUDC: 699. 14. 018
GB8731-88
本标准适用于普通机床和自动机床切削加工用的热轧、冷拉条钢和钢丝。其化学成分同样适眉于链、坏及其制品。
「尺寸、外形
1.1热轧、冷拉条钢、钢丝及银亮钢的尺寸,外形及充许偏差应符合表1的规定裴1
穴角钢
银亮钢
相应标准
GB 702— B6
GB 705— B3
GB 702—86
尺心精度技外形级别
根据需方要求,也可按较表1更商级的精度交货。相应标准
GB 905—82
GB 906— B2
.GB 342—82
GB 3207- 82
尺寸精度及外形级别
9、10级
用剪断机剪切的热轧条钢两端变形长度不得大于20mm。根据需方要求,条钢两端毛刺应予1.2
清除。
1.3冷拉条钢的端头不应切弯。用剪断机剪切钢材时,被切的一端允许有剪划变形,变形后,端头的最大尺寸不得大于公称尺寸如公差。在包装时应将前切变形的一端朝··个方向放置。2技术要求
2.1牌号及化学成分
2.1.1钢的化学成分(熔炼分析)应符合表2的规定。2.1.2成品钢材的化学成分允许偏差,其中钙元素允许偏差为±8.8。,其他元素允许偏差应符合0.0005
C222—84&钢的化学分析用试样取样法及成品化学成分充许偏差》中表2的规定。中华人民共和国治金工业部1988-02-02批准1989-03-01实施
¥40Mn
Y 45ca
0. 08 ~ 0. 71.6
C. 08~0. 16
0.10~0.18
0.10~0.18
0. 17 ~ 0. 25
GB 8731- 88
0. 16 ~-0. 351
0.70~1.00
0.16 ~-0. 35
0. 70--1. 10
0.80~1.20
0. 80~1. 20
0. 70~-1. 00
0.70~~1. 00
0. 27 ~ 0. 35
0. 15~~0. 35
0. 32~~0. 40
0. 37~0. 45
0. 42-~0.50
0. 15 ~0. 35
0. 70~1. 00
0. 15~-0. 35
1.20~~1. 55
0. 20~0. 40 0. 60~0. 90
0. 10~- 0. 20
0.15~0.25
0. 23~~0. 33
0. 23~~0. 33
D. 08 ~~ 0. 15
0. 08 ~~ 0. 15
0.08~~0.15
0. 20 ~~0. 30
0. 04~0. 08
0. 08 -~ 0. 15
0. 05~- 0. 10
0. 05~ 0. 10
[. 05 ~-0. 10
.0. 06
0. 15 ~ 0. 35
0. 15 ~~0. 35
0.002~0.006
2.1. 3Y15Ca 钢中残余元素 Ni、Cr、Cu 含量各不大于 0.25%;供热压力加工用时,铜含量不大于0.20%。供方能保证不大了此值时可不做分析。2.2交货状态
Y40Mn以热轧或冷拉后高温回火状态交货,其他钢号以热轧或冷拉状态交货,交货状态应在合同中注明。根据需方要求也可按其他状态交货,其力学性能指标由供需双方协商。2.3力学性能
2.3.1以热轧状态交货的条钢和盘条,其纵向力学性能和布氏硬度应符合表3的规定。表3
力学性能
抗拉强度α
390~540
$90~540
390--540
390--540
450~600
510~655
510~655
590735
600~745
伸长率品,
不小于
收缩率助
不小于
布氏硬度HB
不大于
对于直径大丁16mm的钢材,用经热处理毛坏制造的试样测定钢的力学性能应符合表4规定。
服点。
GB873188
力学性能
抗拉强度
伸长率6:
不小于
冲击As
汇:拉力试样毛坏(a25)正火处理,加热激度为830~850C,保温时间不小于30min,冲击试样毛还(g15)调质处现,率火温度840士20℃(济水),回火度建议600。2. 3. 3
以冷拉状态交货的条钢,其纵向性能和布氏硬度应符合表5规定。表5
力学性能
抗拉强度o.N/mm
8~20
530--755
530-755
530-~755
530-~755
570785
600825
625~815
695920
钢材尺寸,mm
>20~30
510~735
510~735
510~735
510~735
530-746
560--765
590-~785
655--855
490~685
490-~685
490-685
490~685
510~705
640--736
570~765
635--835
神长率
不小于
直径小于8mm的钢丝,其力学性能及布氏硬度由供需双方协商。Y40Mn冷拉条钢高温回火状态的学性能和布氏硬度应符合表6规定:2. 3. 5
力学性能
抗拉强度价
590-785
低倍组织
押长率:
不小于
布医硬度HB
152~217
152~~217
152~217
152~~217
167--217
174--223
176~229
196255
布氏硬度 IB
179~229
GB8731-88
2.4.1钢材的横截面酸浸低倍组织试片上不得有肉眼可见的缔孔、气泡、夹杂、裂纹、分层、翻皮及点。评定低倍组织级别时,一般疏松,中心疏松和偏析均不应超过3级。2.4.2根据需方要求,钢材可作塔形检验,台格标由供需双方协商。2.5脱碳层
根据带力要求,含碳量大于0.30%的钢可检验一逆总脱碳层深度(铁素体十过渡层),合格标准由供需双方协商
2.6非金属夹杂物
据需方要求,钢材可检验脆性夹杂物,其级别不人于3缀。2.7表面质量
2.7.1热轧条钢和盘条的表面不得有裂纹、折叠,撕裂和结疤。上述缺陷必须清除,清理深度不得超出公差之半。热轧条钢和盘条表面不得有超过公差之半的划痕、黑斑和麻点,而发纹深度不得人于公差的四分之一。
2.7.2冷拉条钢和钢丝表面必须洁净、平滑、光亮,不得有裂纹、结疤、爽杂、发纹、折叠、气孔和氧化皮。以热处理状态供应的条钢表面允许有氧化色,11级精度条钢和钢丝表面允许有个别的小划恢、凹面、气孔、黑斑和少量麻点,其深度不得天于从实际尺寸算起的公差之半。根据需方要求,深度可不大丁公差的四分之一。供冷机械加工(车削、磨削)用的11级精度条钢和钢丝表面上允许有深度不超过从实际尺寸算起的公差之半的划伤、麻点,四凹坑和清理痕迹,允许有不大于公差之半的个别微小发纹,但不得使条钢小于最小尺寸。
2.7.3银完钢表面不允许有任何缺陷。3试验方法
3.1钢材的尺寸采用样板和卡量工具进行卡量。3.2钢材的表面质量用肉眼逐根检查,必要时可用链刀、矽轮进行打磨后检查,或酸洗后检查。3.3每批钢材的检验项月、取样要求和试验方法按表7的规定。序号
检验项目
化学成芬
低倍组织
布氏硕度
拉神武验
神击功
脱磁层
非金属夹杂物
GB 873188
试验方法
GB 223. 1~ 223. 5— 81
B 223. 29— 84
GB 226— 77
GB 1979:80
GI 231— 84
GB228—87bzxz.net
GB22984
GD 224— 87
YB 25—77
联祥要求
GB 222— 84
相当于辋锭头部的钢逐或
钢材端部
杆意三根钢材端部
GB 2975—82
任意一鼠钢端部
任意两盘
GB 2975- 82
任意两根钢材端部
不间根钢材
不同根钢材
江,()钙含量用原子吸收光谱法分析,具体规定暂按供需双方商定的企业标准取样数量,个
)条钢进行拉试验时,试样标距 L=5d,其t&为试样直径,试样直径接表8规定。丝试样标距为100mml。
钢材尺寸
试样直整
检验规则
4.1检查和验收
不经加!
钢材的检查和验收由供方技术监督部门进行。4.2组批规则
220~30
4.2.1条钢应成批验收,每批由同钢号,同炉罐号、同热处理炉欢(当以热处理状态供应时),同一尺寸、同,-供应状态的钢材组成。4.2.2钢丝的组批规则应符合GB2103一88《钢丝验收、包装、标志及质量证明书的-般规定》的有关规定。
4.3最样数品
钢材检验的取样数量按表7规定。4.4复验判定规则
4. 4.1条钢的复验和判定规则应符合GB 2101一80 型钢验收、包装、标志及质量证明书的一般规定的有关规定。
4. 4.2钢丝的复验利判定应符合GB2.103一88的有关规定。5包装、标志和质量证明书
条钢和钢丝的包装,标志和量证明书应分别符合 GD 2101一80和GB 2103—88的规定。银亮钢的包装、标志和质量证明书应符合 YB 247一 64 的规定附加说明:
GB 873188
本标准由冶金工业部情报标准研究总所提出。本标准由首都钢铁公司负起草。木标准士要起草人刘乐凯
自本标准实施之日起,原冶金工业部部标准YB3191一75≤易切削结构钢技术条件》作废本标准水半等级标记
GB 8731— 88 1
小提示:此标准内容仅展示完整标准里的部分截取内容,若需要完整标准请到上方自行免费下载完整标准文档。
标准图片预览:





- 其它标准
- 热门标准
- 国家标准(GB)
- GB/T7534-1987 工业用挥发性有机液体沸程的测定
- GB/T50772-2012 木结构工程施工规范
- GB50367-2013 混凝土结构加固设计规范
- GB50666-2011 混凝土结构工程施工规范
- GB/T18204.4-2000 公共场所毛巾、床上卧具微生物检验方法细菌总数测定
- GB8552-1987 电子器件详细规范 低功率非线绕固定电阻器 RJ13型金属膜固定电阻器评定水平E(可供认证用)
- GB/T11379-2008 金属覆盖层 工程用铬电镀层
- GB/T23892.3-2009 滑动轴承 稳态条件下流体动压可倾瓦块止推轴承 第3部分:可倾瓦块止推轴承计算的许用值
- GB/T20976-2023 软冰淇淋预拌粉质量要求
- GB/T15917.3-1995 金属镝及氧化镝化学分析方法 对氯苯基荧光酮--溴化十六烷基三甲基胺分光光度法测定钽量
- GB/T11839-1989 二氧化铀芯块中硼的测定 姜黄素萃取光度法
- GB/T6122.1-2002 圆角铣刀 第1部分:型式和尺寸
- GB/T7433-1987 对称电缆载波通信系统抗无线电广播和通信干扰的指标
- GB/T12053-1989 光学识别用字母数字字符集 第一部分:OCR-A字符集印刷图象的形状和尺寸
- GB/T14463-2022 粘胶短纤维
- 行业新闻
请牢记:“bzxz.net”即是“标准下载”四个汉字汉语拼音首字母与国际顶级域名“.net”的组合。 ©2025 标准下载网 www.bzxz.net 本站邮件:bzxznet@163.com
网站备案号:湘ICP备2025141790号-2
网站备案号:湘ICP备2025141790号-2