- 您的位置:
- 标准下载网 >>
- 标准分类 >>
- 国家标准(GB) >>
- GB 8582-1988 电工、电子设备机械结构术语
标准号:
GB 8582-1988
标准名称:
电工、电子设备机械结构术语
标准类别:
国家标准(GB)
标准状态:
已作废-
发布日期:
1988-01-15 -
实施日期:
1988-08-01 出版语种:
简体中文下载格式:
.rar.pdf下载大小:
675.34 KB
中标分类号:
电工>>电工综合>>K04基础标准与通用方法
替代情况:
被GB/T 8582-2000替代
点击下载
标准简介:
标准下载解压密码:www.bzxz.net
本标准规定了电工、电子设备机械结构的常用术语。主要供从事电工、电子设备机械结构专业工作的有关人员使用。凡本标准中未作规定的术语,需要时可在有关各类标准中给予规定。 GB 8582-1988 电工、电子设备机械结构术语 GB8582-1988
部分标准内容:
中华人民共和国国家标准
电工、电子设备机械结构术语
Terminology for mechanical strue tures forelectrotechnical and elec tranic equipmentUDC 621. 3 : 001. 4
GB 8582-88
本标准规定了电工,电子设备机械结构的常用术语。主要供从亦电工,电子设备机械结构专业工作的有关人员使用。
凡本标准中未作规定的术语,需要时可在有关各类标推中给予规定。1方位
beight
定义或释义
设备在三维坐标X轴方
尚(左右方向>所占有的尺
设备在三维坐标Y轴方
向(前后方向)所占有的尺
设备在.三维坐标 7. 轴方
向(上下方向)所占有的尺
设备与操作者相对的主
要操作面或监测面,一般装
有操作和监测元件和器件
水利电力部1988-01-15批准
1988-08-01实施
backarear
bottom
监副面
monitoriag
surface
操作面
operating surface
书写面
writing surface
水平面
垂直面
normal surface
bevel face
2 模数,尺寸与空间
2.1模数
GB 8582—88
定义或释义
设备中与前面相对的面
设备在操作者左侧的面
设备在操作者右侧的面
设备顶部的面
设备底部的面
安装监视与测量元件、器
件的面
主要安装操作、控制元
件、器件的面
主要供操作者书写用
与游平面平行的面
与水平面垂直的面
与水平面或垂直面成某
一倾斜角度的面
定义或释义
在电工、电子设备机械结
构设计中,用来确定尺寸增
演变化关系的基本尺寸
(M)。用这个尺寸与优选确
定的乘数相所得到的系
列尺寸,能够尽可能地用几
个小尺寸的器件,面换大尺
寸的器件,反之亦然
书写面
操作面临测面
基本模数
base modul
模数值
mduiar value
模数系列
modular order
factor
模敦尺寸
modular dimension
携数尺寸系列
modular dinzenaion
模数降
modular grids
网格线
grid lines
网格点
grid points
基本格距
base pitch
倍数格距
multiple pitch
安装格距
maunting pitch
madular
GB8582—88
定义或释文
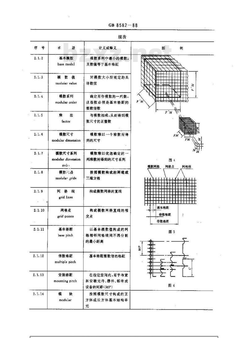
模数系列中最小的模数,
其数值等于基本格距
对模数大小所规定的具
体数值
确定用作模数的一列数,
这些数必频是基本格距的
整数倍教
与模数相乘,从而得到校
数尺寸的正整数
棋数乘以一个垂数所得
到的尺寸
模数采以优选确定的一
列乘数所得到的尺寸系列
按胆模数构成的两维或
三维方格
构成模数网格的直线
构成模数网格直线的相
以基本模数值构成的网
格相邻网格线间不再分割
的最小距离
基本格距整数借的格距
在指定空闻内,用于布置
和安装元件、器件、部件或
设备的间距(MP)
按照模数尺寸构成的正
方体或长方体基本结构单
慎数网格
网格点
基本格距
疫数格距
倍数格距
网格载
2.2尺寸
外形尺寸
over all dimengion
公称外形尺寸
nominal ovcrall
dimension
有效安装面积尺寸
active size
of maunted area
有效安装空间尺寸
active Bize
of mounted space
维修空间尺寸
spacesize
for maint enance
并孔尺寸
dimension of aperture
配位尺小
co-ordinatian
dlimensiun
插箱面板安装尺寸
mpunting size
af ffont janel
for sub-rack
GB 8582—8B
定义或释义
设备在二维坐标 X、Y、Z
轴上所占有的最大尽寸
设备主要外形在三维坐
标X、Y、Z轴上所占有的尺
寸B、D、II(不包括个别
出部分)
安装面上可供安装元件、
器件等的平面范围
在设备结构内,可供安装
零件、部件、元件、器件等的
空间范围
为了维护和修理,在设备
结构内,人体或部份人体与
工具所需要的活动空间范
为了安装元件,器件和仪
表在设备的面板或门上所
开孔的尺寸 ab,比等
用来协调安装、对接等机
械关系的尺小(C),它不是
带公差的加工尽寸,见图行
插箱面板安装到架或柜
穿上的位置尺寸B
开尺寸
插箱面板
架的安装立柱
2.3空间
3结构
3.1型式
设备安装尺寸
mounting girc
of enui pment
插箱面板槽口战
安装孔尺寸
size nf mvunting
hole ar cut-out
for sub-rack
接口尺寸
dimengian nf
inlerface
compartment
并启角度
opening angle
固定式结构
fixed consrructien;
stationary
canstrucuion
GB 8582-88
定义或释义
设备安装孔的位骨和儿
箱面板安装到架或柜
上的摘口或孔的儿何尺寸
元件、器件,部件或设备
之间相互连接处连接件的
配合或配位尺寸
定义或释义
除进行内部接线,控制或
通风需要打开外,通带总是
封闭的空间
门、回转框架、活动盖板
等一轴线转动的部件,可
整转的最大角度
是义或释义
安装位置固定的设备结
见图27
见图26
移动式结构
movable
construction
便携式结构
porteble
construction
散开式结构
unenclosed
constructian
筋护式结构
protective
conatruction
封闭式结构
enclosed
conetruction
瘤封式结构
sealed
construction
嵌装式结构
iluah type
canstruction
插接式结构
plug-in
construction
GB8582—88
定义或释义
可以变换工作位暨的设
备结构
便于携带使用的设备结
设餐的元件、器件和部件
等均无专门防护,防护等级
相当于 IP00(GB 420%—84
(外壳防护等级的分类\)的
设备结构
具有能峰防止直径大于
12 mm 长度大于 80 mm 的
固悼界物进人的防护外亮、
能防止手指触及充内带电
部分或运动部件,其防护等
级相当于 IP1 ×至 IP2 ×
(GB4208--84)的设备结构
具有能龄防直径或厚度
为 12 mm 以下的固体异物
或尘埃进入的封闭外荒其
防护等级相当于 IP3 X 至
IP5 × (GB 420B—84)的设
备结椅
具有水密性或气密性外
亮其防护等级相当于IP6?
(GB 4208—84)以上的设备
元件,器件,仪表或部件
的结构主体部分入巢、柜
或屏的前面并进行安装的
采用连接器进行电气连
接的结构
组合式结构
composite
construetion
积木式结构
cordwood syatem
construction
板材结构
plate conatrsetion
型材结构
teraplate conatruction
户内安装结构
Btructure for
indoor installation
户外安装结构
structurefor
outdoar installation
3.2整体结构
rackframe
GB 8582—88
定义或释文
可将多个结构单元,方便
地组装成所需设备的一种
按照模数尺寸制成的各
种结构单元,可方便地进行
叠放,拼加或重换,构成所
需设备的结构
设备或部件的主要构件:
是用板材加工后装配或焊
接面成的结构
设备或部件的主要构件,
是用型材加工后装配而成
的结构
在室内使用的设备结构
安装在风,丽、雷、冰、、
积尘等露天环境条件下工
作的设备结构
定义或释义
供安装元件、舒件和部
件,并能自由站立或固定安
装的一种结构免费标准下载网bzxz
side-by-gide
side-by-side
framcs
条形架
narrow rack;
narrow frame
条形架列
side-by-side
narrow racks;
side-by-side
narrow frames
GB 8582—88
定义或释义
组并列安装的、通常为
同高等深的架
一种窄长条形的、上下固
定安装的架
一组并列安装的条形架,
这些条形架的公称外形尺
通常基相等的
side-by-aide
panels
cahinet;
cubicle
GB 8582--88
定义或释义
带有固定式面板的架
一维并列安装的、通常为
同高等深的屏
用门和板包容的、能自由
站立或固定安装的一种结
构(可无前门或后门)
side-by-side
cabinetay
side-by-side
cubicles
箱(机箱)
casetbox
multi-cabes+
multi-boxea
derkicongole
GB 8582—88
定义或释义
一组并列安装的,通常为
同高等深的柜
安放在桌、台上或安装在
垂直面上的一种封闭式结
若干个箱安装在一起的
具有水平或倾斜安装面(或
兼有垂直安装面)的一种结
构,用于安装元件、器件、控
制电路和仪衰等
见图3
3.3插入单元
序号國
3.4零部件
plug-in unit
sub-rack
drawer
GE 8582--88
定义或释义
插入架、柜或插箱的内
部,以导执导向、支承的结
构单元。一般装有印制电路
供安装多个插件及连接
器并可装入架,桓等内的一
种结构单元
供安装印制电路板、元
件、器件和连接器并插入
架、柜内的一种框架式结构
定义或释义
结构中水平方向的支撑
column
caster
机亮(外亮)
enclosure
front panel
back panel
side panel
top panel
bottom panel
GB 8582 -88
定义或释义
结构中垂直方向的支撑
结构中底部的支承件,一
般为框形
为便于设备自由移动,安
装在设备底部,由轮子和支
架构成的部件
包围设备内部元件、器
件、电路和部件的整个壳体
设备或结构单元前面的
板。 通常装有显示、监测器
件和仪表,并有指示字符
设备后面的板
设备两侧面的板
设备顶面的板
设备底面的板
设备机旁中,-种可转动
或可滑动的板式构件
开启角度
小提示:此标准内容仅展示完整标准里的部分截取内容,若需要完整标准请到上方自行免费下载完整标准文档。
电工、电子设备机械结构术语
Terminology for mechanical strue tures forelectrotechnical and elec tranic equipmentUDC 621. 3 : 001. 4
GB 8582-88
本标准规定了电工,电子设备机械结构的常用术语。主要供从亦电工,电子设备机械结构专业工作的有关人员使用。
凡本标准中未作规定的术语,需要时可在有关各类标推中给予规定。1方位
beight
定义或释义
设备在三维坐标X轴方
尚(左右方向>所占有的尺
设备在三维坐标Y轴方
向(前后方向)所占有的尺
设备在.三维坐标 7. 轴方
向(上下方向)所占有的尺
设备与操作者相对的主
要操作面或监测面,一般装
有操作和监测元件和器件
水利电力部1988-01-15批准
1988-08-01实施
backarear
bottom
监副面
monitoriag
surface
操作面
operating surface
书写面
writing surface
水平面
垂直面
normal surface
bevel face
2 模数,尺寸与空间
2.1模数
GB 8582—88
定义或释义
设备中与前面相对的面
设备在操作者左侧的面
设备在操作者右侧的面
设备顶部的面
设备底部的面
安装监视与测量元件、器
件的面
主要安装操作、控制元
件、器件的面
主要供操作者书写用
与游平面平行的面
与水平面垂直的面
与水平面或垂直面成某
一倾斜角度的面
定义或释义
在电工、电子设备机械结
构设计中,用来确定尺寸增
演变化关系的基本尺寸
(M)。用这个尺寸与优选确
定的乘数相所得到的系
列尺寸,能够尽可能地用几
个小尺寸的器件,面换大尺
寸的器件,反之亦然
书写面
操作面临测面
基本模数
base modul
模数值
mduiar value
模数系列
modular order
factor
模敦尺寸
modular dimension
携数尺寸系列
modular dinzenaion
模数降
modular grids
网格线
grid lines
网格点
grid points
基本格距
base pitch
倍数格距
multiple pitch
安装格距
maunting pitch
madular
GB8582—88
定义或释文
模数系列中最小的模数,
其数值等于基本格距
对模数大小所规定的具
体数值
确定用作模数的一列数,
这些数必频是基本格距的
整数倍教
与模数相乘,从而得到校
数尺寸的正整数
棋数乘以一个垂数所得
到的尺寸
模数采以优选确定的一
列乘数所得到的尺寸系列
按胆模数构成的两维或
三维方格
构成模数网格的直线
构成模数网格直线的相
以基本模数值构成的网
格相邻网格线间不再分割
的最小距离
基本格距整数借的格距
在指定空闻内,用于布置
和安装元件、器件、部件或
设备的间距(MP)
按照模数尺寸构成的正
方体或长方体基本结构单
慎数网格
网格点
基本格距
疫数格距
倍数格距
网格载
2.2尺寸
外形尺寸
over all dimengion
公称外形尺寸
nominal ovcrall
dimension
有效安装面积尺寸
active size
of maunted area
有效安装空间尺寸
active Bize
of mounted space
维修空间尺寸
spacesize
for maint enance
并孔尺寸
dimension of aperture
配位尺小
co-ordinatian
dlimensiun
插箱面板安装尺寸
mpunting size
af ffont janel
for sub-rack
GB 8582—8B
定义或释义
设备在二维坐标 X、Y、Z
轴上所占有的最大尽寸
设备主要外形在三维坐
标X、Y、Z轴上所占有的尺
寸B、D、II(不包括个别
出部分)
安装面上可供安装元件、
器件等的平面范围
在设备结构内,可供安装
零件、部件、元件、器件等的
空间范围
为了维护和修理,在设备
结构内,人体或部份人体与
工具所需要的活动空间范
为了安装元件,器件和仪
表在设备的面板或门上所
开孔的尺寸 ab,比等
用来协调安装、对接等机
械关系的尺小(C),它不是
带公差的加工尽寸,见图行
插箱面板安装到架或柜
穿上的位置尺寸B
开尺寸
插箱面板
架的安装立柱
2.3空间
3结构
3.1型式
设备安装尺寸
mounting girc
of enui pment
插箱面板槽口战
安装孔尺寸
size nf mvunting
hole ar cut-out
for sub-rack
接口尺寸
dimengian nf
inlerface
compartment
并启角度
opening angle
固定式结构
fixed consrructien;
stationary
canstrucuion
GB 8582-88
定义或释义
设备安装孔的位骨和儿
箱面板安装到架或柜
上的摘口或孔的儿何尺寸
元件、器件,部件或设备
之间相互连接处连接件的
配合或配位尺寸
定义或释义
除进行内部接线,控制或
通风需要打开外,通带总是
封闭的空间
门、回转框架、活动盖板
等一轴线转动的部件,可
整转的最大角度
是义或释义
安装位置固定的设备结
见图27
见图26
移动式结构
movable
construction
便携式结构
porteble
construction
散开式结构
unenclosed
constructian
筋护式结构
protective
conatruction
封闭式结构
enclosed
conetruction
瘤封式结构
sealed
construction
嵌装式结构
iluah type
canstruction
插接式结构
plug-in
construction
GB8582—88
定义或释义
可以变换工作位暨的设
备结构
便于携带使用的设备结
设餐的元件、器件和部件
等均无专门防护,防护等级
相当于 IP00(GB 420%—84
(外壳防护等级的分类\)的
设备结构
具有能峰防止直径大于
12 mm 长度大于 80 mm 的
固悼界物进人的防护外亮、
能防止手指触及充内带电
部分或运动部件,其防护等
级相当于 IP1 ×至 IP2 ×
(GB4208--84)的设备结构
具有能龄防直径或厚度
为 12 mm 以下的固体异物
或尘埃进入的封闭外荒其
防护等级相当于 IP3 X 至
IP5 × (GB 420B—84)的设
备结椅
具有水密性或气密性外
亮其防护等级相当于IP6?
(GB 4208—84)以上的设备
元件,器件,仪表或部件
的结构主体部分入巢、柜
或屏的前面并进行安装的
采用连接器进行电气连
接的结构
组合式结构
composite
construetion
积木式结构
cordwood syatem
construction
板材结构
plate conatrsetion
型材结构
teraplate conatruction
户内安装结构
Btructure for
indoor installation
户外安装结构
structurefor
outdoar installation
3.2整体结构
rackframe
GB 8582—88
定义或释文
可将多个结构单元,方便
地组装成所需设备的一种
按照模数尺寸制成的各
种结构单元,可方便地进行
叠放,拼加或重换,构成所
需设备的结构
设备或部件的主要构件:
是用板材加工后装配或焊
接面成的结构
设备或部件的主要构件,
是用型材加工后装配而成
的结构
在室内使用的设备结构
安装在风,丽、雷、冰、、
积尘等露天环境条件下工
作的设备结构
定义或释义
供安装元件、舒件和部
件,并能自由站立或固定安
装的一种结构免费标准下载网bzxz
side-by-gide
side-by-side
framcs
条形架
narrow rack;
narrow frame
条形架列
side-by-side
narrow racks;
side-by-side
narrow frames
GB 8582—88
定义或释义
组并列安装的、通常为
同高等深的架
一种窄长条形的、上下固
定安装的架
一组并列安装的条形架,
这些条形架的公称外形尺
通常基相等的
side-by-aide
panels
cahinet;
cubicle
GB 8582--88
定义或释义
带有固定式面板的架
一维并列安装的、通常为
同高等深的屏
用门和板包容的、能自由
站立或固定安装的一种结
构(可无前门或后门)
side-by-side
cabinetay
side-by-side
cubicles
箱(机箱)
casetbox
multi-cabes+
multi-boxea
derkicongole
GB 8582—88
定义或释义
一组并列安装的,通常为
同高等深的柜
安放在桌、台上或安装在
垂直面上的一种封闭式结
若干个箱安装在一起的
具有水平或倾斜安装面(或
兼有垂直安装面)的一种结
构,用于安装元件、器件、控
制电路和仪衰等
见图3
3.3插入单元
序号國
3.4零部件
plug-in unit
sub-rack
drawer
GE 8582--88
定义或释义
插入架、柜或插箱的内
部,以导执导向、支承的结
构单元。一般装有印制电路
供安装多个插件及连接
器并可装入架,桓等内的一
种结构单元
供安装印制电路板、元
件、器件和连接器并插入
架、柜内的一种框架式结构
定义或释义
结构中水平方向的支撑
column
caster
机亮(外亮)
enclosure
front panel
back panel
side panel
top panel
bottom panel
GB 8582 -88
定义或释义
结构中垂直方向的支撑
结构中底部的支承件,一
般为框形
为便于设备自由移动,安
装在设备底部,由轮子和支
架构成的部件
包围设备内部元件、器
件、电路和部件的整个壳体
设备或结构单元前面的
板。 通常装有显示、监测器
件和仪表,并有指示字符
设备后面的板
设备两侧面的板
设备顶面的板
设备底面的板
设备机旁中,-种可转动
或可滑动的板式构件
开启角度
小提示:此标准内容仅展示完整标准里的部分截取内容,若需要完整标准请到上方自行免费下载完整标准文档。
标准图片预览:





- 其它标准
- 热门标准
- 国家标准(GB)
- GB/T12053-1989 光学识别用字母数字字符集 第一部分:OCR-A字符集印刷图象的形状和尺寸
- GB/T18204.4-2000 公共场所毛巾、床上卧具微生物检验方法细菌总数测定
- GB/T23892.3-2009 滑动轴承 稳态条件下流体动压可倾瓦块止推轴承 第3部分:可倾瓦块止推轴承计算的许用值
- GB/T11839-1989 二氧化铀芯块中硼的测定 姜黄素萃取光度法
- GB/T6122.1-2002 圆角铣刀 第1部分:型式和尺寸
- GB50209-2002 建筑地面工程施工质量验收规范
- GB/T7433-1987 对称电缆载波通信系统抗无线电广播和通信干扰的指标
- GB/T21238-2007 玻璃纤维增强塑料夹砂管
- GB17945-2024 消防应急照明和疏散指示系统
- GB/T24974—2010 收费用手动栏杆
- GB/T9239-1988 刚性转子平衡品质 许用不平衡的确定
- GB/T15917.3-1995 金属镝及氧化镝化学分析方法 对氯苯基荧光酮--溴化十六烷基三甲基胺分光光度法测定钽量
- GB/T13985-1992 照相机操作力和强度
- GB17378.4-2007 海洋监测规范 第4部分:海水分析
- GB/T11813-2008 压水堆燃料棒氦质谱检漏
- 行业新闻
请牢记:“bzxz.net”即是“标准下载”四个汉字汉语拼音首字母与国际顶级域名“.net”的组合。 ©2025 标准下载网 www.bzxz.net 本站邮件:bzxznet@163.com
网站备案号:湘ICP备2025141790号-2
网站备案号:湘ICP备2025141790号-2