- 您的位置:
- 标准下载网 >>
- 标准分类 >>
- 国家标准(GB) >>
- GB/T 2497-2008 船用柴油机增压空气冷却器
标准号:
GB/T 2497-2008
标准名称:
船用柴油机增压空气冷却器
标准类别:
国家标准(GB)
标准状态:
现行-
发布日期:
2008-06-19 -
实施日期:
2008-12-15 出版语种:
简体中文下载格式:
.rar.pdf下载大小:
3.15 MB
点击下载
标准简介:
标准下载解压密码:www.bzxz.net
本标准规定了船用柴油机增压空气冷却器的分类、技术要求、试验方法、检验规则和标志包装等。本标准适用于各种类型船用柴油机空冷器及其他用途柴油机空冷器的设计、制造与验收。 GB/T 2497-2008 船用柴油机增压空气冷却器 GB/T2497-2008
部分标准内容:
ICS47.020.20
中华人民共和国国家标准
GB/T2497--2008
代替GB/T2497—1993,GB/T7028-1986船用柴油机增压空气冷却器
Charge air coolers for marine diesel engines2008-06-19发布
中华人民共和国国家质量监督检验检疫总局中国国家标准化管理委员会
2008-12-15实施
中华人民共和国
国家标准
船用柴油机增压空气冷却器
GB/T 2497-2008
中国标准出版社出版发行
北京复兴门外三里河北街16号
邮政编码:100045
网址www.spc.net.cn
电话:6852394668517548
中国标准出版社秦皇岛印剧厂印剧各地新华书店经销
开本880×12301/16
“印张1-
字数24千字
2008年9月第一版
2008年9月第一次印刷
书号:155066·1-32899
如有印装差错
由本社发行中心调换
版权专有
侵权必究
举报电话:(010)68533533
GB/T2497--2008
本标准是针对GB/T2497—1993《船用柴油机增压空气冷却器》和GB/T7028—1986《船用柴油机空气冷却器试验方法》进行整合修订。本标准与GB/T24971993的不同之处如下:-以满足现行技术要求为基础对内容和形式进行了修改;在试验方法及检验规则中增加GB/T7028一1986相关内容。本标准的附录A为资料性附录,附录B为规范性附录。本标准由中国船舶重工集团公司提出。本标准由全国船用机械标准化技术委员会归口。本标准起草单位:中国船舶重工集团公司第七一一研究所。本标准主要起草人:孙朋林、胡艳泳、李建华、陈可珍、季文、陈晓华。本标准所代替标准的历次版本发布情况为:GB2497—1981.GB2498—1981.GB/T2497—1993;GB/T7028-1986。
1范围
船用柴油机增压空气冷却器
GB/T2497—2008
本标准规定了船用柴油机增压空气冷却器(简称空冷器)的分类、技术要求、试验方法、检验规则和标志包装等。
本标准适用于各种类型船用柴油机空冷器及其他用途柴油机空冷器的设计、制造与验收。2规范性引用文件
下列文件中的条款通过本标准的引用而成为本标准的条款。凡是注日期的引用文件,其随后所有的修改单(不包括勘误的内容)或修订版均不适用于本标准,然而,鼓励根据本标准达成协议的各方研究是否可使用这些文件的最新版本。凡是不注日期的引用文件,其最新版本适用于本标准。GB/T700碳素结构钢(GB/T700—2006,ISO630:1995,NEQ)GB712船体用结构钢
GB/T1173
GB/T1176
GB/T1348
GB/T2059
GB/T2531
GB/T8890
GB/T9439
GB/T13238
铸造铝合金(GB/T1173—1995,ncqASTMB26:1992)铸造铜合金技术条件(GB/T1176—1987,ncqISO1338:1977)球墨铸铁件
铜及铜合金带材
热交换器固定板用黄铜板
热交换器用铜合金无缝管
灰铸铁件
铜钢复合钢板
GB/T13306
GB/T18816
船用热交换器通用技术条件
YS/T2883
空调机换热器铜管
3产品分类
3.1分类
空冷器按冷却元件结构形式和适用范围的不同分为重型空冷器和轻型空冷器。3.2结构形式和基本参数
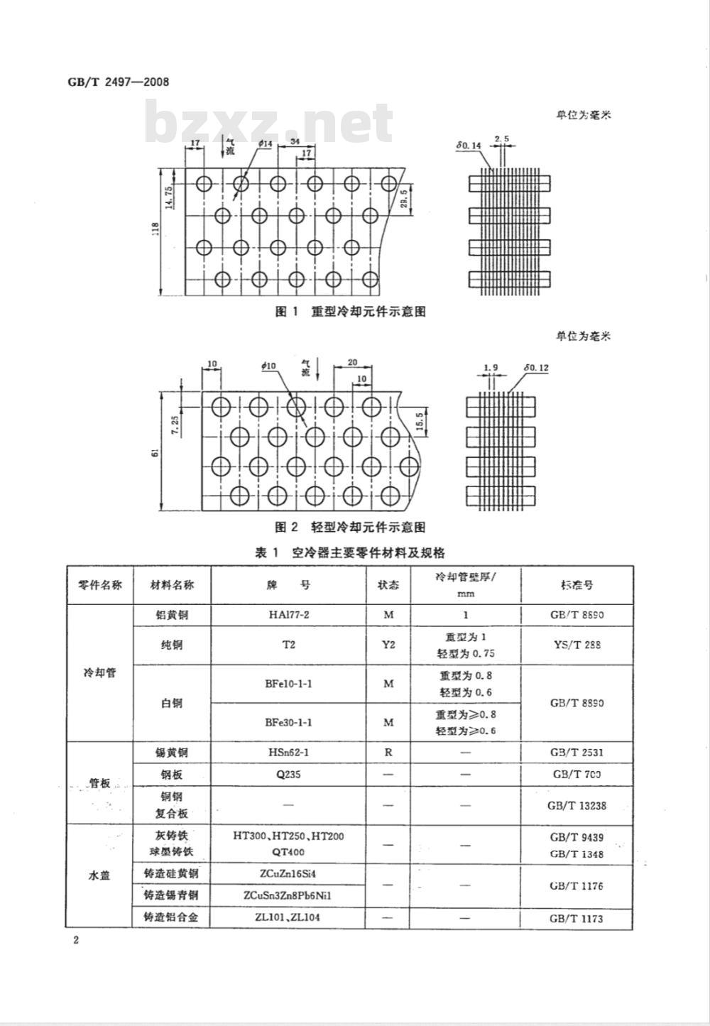
3.2.1重型空冷器冷却元件为多管片式,结构如图1所示。冷却管为圆管,壁厚按表1规定,翅片带有强化传热的扰动结构,翅片厚度为0.14mm;重型空冷器基本参数按表2的规定。7::3.2.2轻型空冷器冷却元件为多管片式,结构如图2所示。冷却管为圆管,壁厚按表1规定;翅片带有强化传热的扰动结构,翅片厚度为0.12mm;轻型空冷器基本参数按表3的规定。3.3产品系列型谱
3.3.1重型空冷器系列型谱按图3和表2的规定。3.3.2轻型空冷器系列型谱按图4和表3的规定。.\3.3.3为适应各种柴油机布置的要求,在保持空冷器对应档迎风面积不变的情况下,允许变动对应的宽度和高度尺寸。
GB/T2497—2008
零件名称
冷却管
材料名称
铝黄铜
锡黄铜
复合板
灰铸铁
球塑铸铁
铸造硅黄铜
铸造锡青铜
铸造铝合金
图1重型冷却元件示意图
图2轻型冷却元件示意图
表1空冷器主要零件材料及规格
HA177-2
BFe10-1-1
BFe30-1-1
HSn62-1
HT300、HT250、HT200
ZCuZn16Si4
ZCuSn3Zn8Pb6Nil
ZL101、ZL104
冷却管壁厚/
重型为1
轻型为0.75
重型为0.8
轻型为0.6
重型为≥0.8
轻型为≥0.6
单位为毫米
单位为毫米
标准号
GB/T8890
YS/T288
GB/T8890
GB/T2531
GB/T7C
GB/T13238
GB/T9439
GB/T1348
GB/T1176
GB/T1173
零件名称
壳体侧边板
材料名称
黄铜带
纯铜带
冷却效率≥/%
气侧压力损失
Px·Apx/
(kg·m-}.Pa)
水流速度
空气质量流速
[kg/(m2· s)]
产品型号
KLZ105
KLZ127
KLZ158
KLZ198
KLZ251
KLZ317
KLZ401
KLZ507
-+KLZ634bzxz.net
KLZ792
KLZ950
空冷器深度有效尺寸
对应的水流程数为2
表1(续)
船体结构钢A级
船体结构钢B级
TPI、T2
重型冷却器基本参数
冷却管壁厚/
空冷器空气质量流盘
Gk/(kg/s)
590(20排冷却管)
GB/T2497—2008
标准号
GB/T700
GB/T2059
空冷器迎风
冷却水体
积流量
(m2/h)
面有效尺寸
宽×商
(mmXmm)
272×493
340×493
340×612
408×612
408×734
510×734
510×918
646×918
646×1162
816×1162
816×1469
1.020×1469
1020×1836
1224×1836
GB/T2497—2008
冷却效率/%
气侧压力损失
Pk·△px/
(kg·m-3.Pa)
水流速度
空气质量流速
[kg/(m*·s)]
产品型号
空冷器深度有效尺寸
对应的水流程数为2
3.4产品标记
3.4.1型号的组成
型号组成如下:
KL□-口
表3轻型冷却器基本参数
空冷器空气质量流量
Gx/(kg/s)
-用数字表示气侧换热面积,m
型式,Z表示重型;Q表示轻型
空冷器
244(16排冷却管)
冷却水体
积流量
空冷器理
面有效尺寸
宽×商
(mmXmm)
100×185
120×185
120×222
160×222
160×296
200×295
200×373
240×373
240×444
300×444
300×555
380×555
380×703
480×703
480×888
GB/T 2497-2008
(s/3x)/
16'℃
E6'℃
GB/T2497—2008
(s/gx)/*)
3.4.2标记示例
气侧换热面积为105m2的重型空冷器,标记为:空冷器GB/T2497-—2008KLZ105
4技术要求
4.1空冷器应按经规定程序批准的图样和技术文件制造,并应符合本标准的规定。4.2空冷器设计要满足表2、表3的参数要求,并按照GB/T18816进行强度计算。GB/T2497—2008
4.3翅片冲制应确保胀接质量的要求,二次翻边不能有裂纹。确保翅片与冷却管的连接坚固密合。4.44
每个空冷器的水盖、冷却芯子和总成应按标准要求进行密封性试验。4.5冷却管与管板的连接应耐振、可靠。4.6
空冷器冷却管堵塞的数量不得大于总数的0.5%。4.7
空冷器内腔应清洗干净,不得有任何残存杂物。空冷器主要零件的材料及规格见表1规定。4.9
管板材料为Q235钢板时,应进行防蚀处理。4.10
空冷器产品试验按第5章规定的方法进行。空冷器总成和冷却芯子应进行防锈处理。4.11
5试验方法
5.1试验总则
5.1.1按图纸要求,利用量其检测空冷器外形安装尺寸,对合格产品进行试验。5.1.2性能试验确定空冷器传热系数K、空气压力损失Pk·△pk、水压损失△pL。新结构冷却元件应进行性能试验,试验方法按5.2.2的规定。每型空冷器首制产品应进行性能试验,小型空冷器可在试验台上进行,试验方法按5.2.3.1的规定;当大型空冷器无条件在试验台上进行试验时,由冷却元件在试验台的试验代替,如要求配机试验可按5.2.3.2的规定。5.1.3产品型式试验时按6.1.3进行翅片与冷却管连接的密合性检验。5.1.4压力试验检查空冷器零部件的强度和总体结构的密封性。每个空冷器的端盖应按5.3.1的规定进行压力试验。产品出厂前应按5.3.2的规定进行压力试验。有独立壳体的空冷器还应对气腔按5.3.3的规定进行气密性试验。
5.1.5可靠性试验考核空冷器冷却管与管板连接的可靠性。每一种连接方法(包括工艺改变)按本标准5.4的规定进行试验件振动试验。大型产品可在配机时进行可靠性考核。5.1.6目测冷却管堵塞数量。
5.1.7目测冷却器内腔清洁度。
5.2性能试验
5.2.1试验台
测量系统由测量流量、温度和压力所需的各种仪器组成。流量测量仪表精度需达到0.5级;温度测量仪表显示精度需达到0.1℃,测量精度不小于士0.5℃;压力测量仪表精度需达到0.5级。空气系统由风源加热器、整流段(稳压段)、试验段(包括试件和测量段)、风量调节设备、风温调节设备等组成。测量段收缩角不大于30°;扩展角不大于15°。风源风量须满足5.2.2.2的要求。试件迎风面速度场系数不低于0.9。从空气加热器至试件出口测量段外部必须有良好隔热层。冷却水系统由水泵、蓄水箱、水量测量箱、水量调节设备、水温调节设备、排气装置等组成。水泵流量应满足.5.2.2.3的要求。
5.2.2冷却元件试验方法
5.2.2.1试件迎风面不小于250mm×250mm,深度方向(气流方向)不小于100mm,试验结果的有效GB/T 24972008
数据热平衡误差不得超出士5%。5.2.2.2以水流速U为参变量,空气重量流速Uk为自变量,得出传热系数K和空气重量流速Ux的关系曲线。参变量在1.0m/s~2.5m/s范围内至少取三个。自变量Uk在表2、表3规定标准流速的50%~150%的范围内至少取六个。逐个测量,得出三条K=f(Uk)关系曲线。同时测定各试验点空气进出口压力和压力差,得出空气压力损失Pk·△pk=f(Uk)关系曲线。5.2.2.3在水流速1.0m/s~2.5m/s范围内至少选取六个值,分别测定水的压力损失△pL.5.2.2.4各试验点空气和水进口温差为80℃左右,允许在(80土2.5)℃范围内变动,各试验点水进口温度的波动不得超过土0.2℃。
5.2.2.5按5.2.2.2的方法逐个固定水流速。变动空气重量流速,待各参数稳定后进行测量。各试验点的参数测量三次,取其平均值。5.2.3首制产品试验方法
5.2.3.1在试验台上的试验
试验装置、测量参数、测量仪器应符合5.2.1的规定。以设计水流量为固定参数,改变空气重量流速(至少取六个值,变化范围必须包括工况点),逐一测量其参数。5.2.3.2配机试验
试验方法可按柴油机负荷特性试验方法进行或由用户依所配机型的具体情况与空冷器生产厂商定。5.2.4试验台性能试验数据的处理试验结果应以试验报告形式固定下来,内容应包括:a)主要测量参数值(三次记录的平均值)和计算数据表(参见附录A));b)性能曲线(按附录B的规定)。5.3压力试验
5.3.1水盖的试验压力为设计压力的2倍,试验时间为30min,不变形,不泄漏。5.3.2芯组和总成试验压力为设计压力的1.5倍,但不得小于0.4MPa。试验时对水腔级慢地加压,达到规定压力后稳定30min,所有连接处应无泄漏,5.3.3有独立壳体的空冷器气腔试验压力为4.9×10*Pa~9.8×10*Pa,历时30min,所有连接处应无泄漏。
5.4冷却管与管板连接可靠性试验5.4.1试验条件
试验条件如下:
a)试件在振动试验机上水平安装,迎风面与振动试验机用螺钉刚性连接;b)试验时水腔应充满压力水,水压为49×10*Pa。5.4.2探查性试验
试验频率及振幅为:频率为4Hz~33Hz,振幅为士0.25mm,频率为34Hz~50Hz,报幅为土0.076mm,频率间隔为1Hz,停留时间15s,确定被振试件在整个试验额率中是否存在共据。5.4.3耐振试验
如果有共振,则在共振频率下至少进行2-h耐振试验。如果没有共振,则以频率为50Hz,振幅为士0.4mm进行耐振试验,振动时间2h。6检验规则
空冷器的检验分型式检验和出厂检验。6.1型式检验
6.1.1检验要求
有下列情况之一时,应进行型式检验:8
小提示:此标准内容仅展示完整标准里的部分截取内容,若需要完整标准请到上方自行免费下载完整标准文档。
中华人民共和国国家标准
GB/T2497--2008
代替GB/T2497—1993,GB/T7028-1986船用柴油机增压空气冷却器
Charge air coolers for marine diesel engines2008-06-19发布
中华人民共和国国家质量监督检验检疫总局中国国家标准化管理委员会
2008-12-15实施
中华人民共和国
国家标准
船用柴油机增压空气冷却器
GB/T 2497-2008
中国标准出版社出版发行
北京复兴门外三里河北街16号
邮政编码:100045
网址www.spc.net.cn
电话:6852394668517548
中国标准出版社秦皇岛印剧厂印剧各地新华书店经销
开本880×12301/16
“印张1-
字数24千字
2008年9月第一版
2008年9月第一次印刷
书号:155066·1-32899
如有印装差错
由本社发行中心调换
版权专有
侵权必究
举报电话:(010)68533533
GB/T2497--2008
本标准是针对GB/T2497—1993《船用柴油机增压空气冷却器》和GB/T7028—1986《船用柴油机空气冷却器试验方法》进行整合修订。本标准与GB/T24971993的不同之处如下:-以满足现行技术要求为基础对内容和形式进行了修改;在试验方法及检验规则中增加GB/T7028一1986相关内容。本标准的附录A为资料性附录,附录B为规范性附录。本标准由中国船舶重工集团公司提出。本标准由全国船用机械标准化技术委员会归口。本标准起草单位:中国船舶重工集团公司第七一一研究所。本标准主要起草人:孙朋林、胡艳泳、李建华、陈可珍、季文、陈晓华。本标准所代替标准的历次版本发布情况为:GB2497—1981.GB2498—1981.GB/T2497—1993;GB/T7028-1986。
1范围
船用柴油机增压空气冷却器
GB/T2497—2008
本标准规定了船用柴油机增压空气冷却器(简称空冷器)的分类、技术要求、试验方法、检验规则和标志包装等。
本标准适用于各种类型船用柴油机空冷器及其他用途柴油机空冷器的设计、制造与验收。2规范性引用文件
下列文件中的条款通过本标准的引用而成为本标准的条款。凡是注日期的引用文件,其随后所有的修改单(不包括勘误的内容)或修订版均不适用于本标准,然而,鼓励根据本标准达成协议的各方研究是否可使用这些文件的最新版本。凡是不注日期的引用文件,其最新版本适用于本标准。GB/T700碳素结构钢(GB/T700—2006,ISO630:1995,NEQ)GB712船体用结构钢
GB/T1173
GB/T1176
GB/T1348
GB/T2059
GB/T2531
GB/T8890
GB/T9439
GB/T13238
铸造铝合金(GB/T1173—1995,ncqASTMB26:1992)铸造铜合金技术条件(GB/T1176—1987,ncqISO1338:1977)球墨铸铁件
铜及铜合金带材
热交换器固定板用黄铜板
热交换器用铜合金无缝管
灰铸铁件
铜钢复合钢板
GB/T13306
GB/T18816
船用热交换器通用技术条件
YS/T2883
空调机换热器铜管
3产品分类
3.1分类
空冷器按冷却元件结构形式和适用范围的不同分为重型空冷器和轻型空冷器。3.2结构形式和基本参数
3.2.1重型空冷器冷却元件为多管片式,结构如图1所示。冷却管为圆管,壁厚按表1规定,翅片带有强化传热的扰动结构,翅片厚度为0.14mm;重型空冷器基本参数按表2的规定。7::3.2.2轻型空冷器冷却元件为多管片式,结构如图2所示。冷却管为圆管,壁厚按表1规定;翅片带有强化传热的扰动结构,翅片厚度为0.12mm;轻型空冷器基本参数按表3的规定。3.3产品系列型谱
3.3.1重型空冷器系列型谱按图3和表2的规定。3.3.2轻型空冷器系列型谱按图4和表3的规定。.\3.3.3为适应各种柴油机布置的要求,在保持空冷器对应档迎风面积不变的情况下,允许变动对应的宽度和高度尺寸。
GB/T2497—2008
零件名称
冷却管
材料名称
铝黄铜
锡黄铜
复合板
灰铸铁
球塑铸铁
铸造硅黄铜
铸造锡青铜
铸造铝合金
图1重型冷却元件示意图
图2轻型冷却元件示意图
表1空冷器主要零件材料及规格
HA177-2
BFe10-1-1
BFe30-1-1
HSn62-1
HT300、HT250、HT200
ZCuZn16Si4
ZCuSn3Zn8Pb6Nil
ZL101、ZL104
冷却管壁厚/
重型为1
轻型为0.75
重型为0.8
轻型为0.6
重型为≥0.8
轻型为≥0.6
单位为毫米
单位为毫米
标准号
GB/T8890
YS/T288
GB/T8890
GB/T2531
GB/T7C
GB/T13238
GB/T9439
GB/T1348
GB/T1176
GB/T1173
零件名称
壳体侧边板
材料名称
黄铜带
纯铜带
冷却效率≥/%
气侧压力损失
Px·Apx/
(kg·m-}.Pa)
水流速度
空气质量流速
[kg/(m2· s)]
产品型号
KLZ105
KLZ127
KLZ158
KLZ198
KLZ251
KLZ317
KLZ401
KLZ507
-+KLZ634bzxz.net
KLZ792
KLZ950
空冷器深度有效尺寸
对应的水流程数为2
表1(续)
船体结构钢A级
船体结构钢B级
TPI、T2
重型冷却器基本参数
冷却管壁厚/
空冷器空气质量流盘
Gk/(kg/s)
590(20排冷却管)
GB/T2497—2008
标准号
GB/T700
GB/T2059
空冷器迎风
冷却水体
积流量
(m2/h)
面有效尺寸
宽×商
(mmXmm)
272×493
340×493
340×612
408×612
408×734
510×734
510×918
646×918
646×1162
816×1162
816×1469
1.020×1469
1020×1836
1224×1836
GB/T2497—2008
冷却效率/%
气侧压力损失
Pk·△px/
(kg·m-3.Pa)
水流速度
空气质量流速
[kg/(m*·s)]
产品型号
空冷器深度有效尺寸
对应的水流程数为2
3.4产品标记
3.4.1型号的组成
型号组成如下:
KL□-口
表3轻型冷却器基本参数
空冷器空气质量流量
Gx/(kg/s)
-用数字表示气侧换热面积,m
型式,Z表示重型;Q表示轻型
空冷器
244(16排冷却管)
冷却水体
积流量
空冷器理
面有效尺寸
宽×商
(mmXmm)
100×185
120×185
120×222
160×222
160×296
200×295
200×373
240×373
240×444
300×444
300×555
380×555
380×703
480×703
480×888
GB/T 2497-2008
(s/3x)/
16'℃
E6'℃
GB/T2497—2008
(s/gx)/*)
3.4.2标记示例
气侧换热面积为105m2的重型空冷器,标记为:空冷器GB/T2497-—2008KLZ105
4技术要求
4.1空冷器应按经规定程序批准的图样和技术文件制造,并应符合本标准的规定。4.2空冷器设计要满足表2、表3的参数要求,并按照GB/T18816进行强度计算。GB/T2497—2008
4.3翅片冲制应确保胀接质量的要求,二次翻边不能有裂纹。确保翅片与冷却管的连接坚固密合。4.44
每个空冷器的水盖、冷却芯子和总成应按标准要求进行密封性试验。4.5冷却管与管板的连接应耐振、可靠。4.6
空冷器冷却管堵塞的数量不得大于总数的0.5%。4.7
空冷器内腔应清洗干净,不得有任何残存杂物。空冷器主要零件的材料及规格见表1规定。4.9
管板材料为Q235钢板时,应进行防蚀处理。4.10
空冷器产品试验按第5章规定的方法进行。空冷器总成和冷却芯子应进行防锈处理。4.11
5试验方法
5.1试验总则
5.1.1按图纸要求,利用量其检测空冷器外形安装尺寸,对合格产品进行试验。5.1.2性能试验确定空冷器传热系数K、空气压力损失Pk·△pk、水压损失△pL。新结构冷却元件应进行性能试验,试验方法按5.2.2的规定。每型空冷器首制产品应进行性能试验,小型空冷器可在试验台上进行,试验方法按5.2.3.1的规定;当大型空冷器无条件在试验台上进行试验时,由冷却元件在试验台的试验代替,如要求配机试验可按5.2.3.2的规定。5.1.3产品型式试验时按6.1.3进行翅片与冷却管连接的密合性检验。5.1.4压力试验检查空冷器零部件的强度和总体结构的密封性。每个空冷器的端盖应按5.3.1的规定进行压力试验。产品出厂前应按5.3.2的规定进行压力试验。有独立壳体的空冷器还应对气腔按5.3.3的规定进行气密性试验。
5.1.5可靠性试验考核空冷器冷却管与管板连接的可靠性。每一种连接方法(包括工艺改变)按本标准5.4的规定进行试验件振动试验。大型产品可在配机时进行可靠性考核。5.1.6目测冷却管堵塞数量。
5.1.7目测冷却器内腔清洁度。
5.2性能试验
5.2.1试验台
测量系统由测量流量、温度和压力所需的各种仪器组成。流量测量仪表精度需达到0.5级;温度测量仪表显示精度需达到0.1℃,测量精度不小于士0.5℃;压力测量仪表精度需达到0.5级。空气系统由风源加热器、整流段(稳压段)、试验段(包括试件和测量段)、风量调节设备、风温调节设备等组成。测量段收缩角不大于30°;扩展角不大于15°。风源风量须满足5.2.2.2的要求。试件迎风面速度场系数不低于0.9。从空气加热器至试件出口测量段外部必须有良好隔热层。冷却水系统由水泵、蓄水箱、水量测量箱、水量调节设备、水温调节设备、排气装置等组成。水泵流量应满足.5.2.2.3的要求。
5.2.2冷却元件试验方法
5.2.2.1试件迎风面不小于250mm×250mm,深度方向(气流方向)不小于100mm,试验结果的有效GB/T 24972008
数据热平衡误差不得超出士5%。5.2.2.2以水流速U为参变量,空气重量流速Uk为自变量,得出传热系数K和空气重量流速Ux的关系曲线。参变量在1.0m/s~2.5m/s范围内至少取三个。自变量Uk在表2、表3规定标准流速的50%~150%的范围内至少取六个。逐个测量,得出三条K=f(Uk)关系曲线。同时测定各试验点空气进出口压力和压力差,得出空气压力损失Pk·△pk=f(Uk)关系曲线。5.2.2.3在水流速1.0m/s~2.5m/s范围内至少选取六个值,分别测定水的压力损失△pL.5.2.2.4各试验点空气和水进口温差为80℃左右,允许在(80土2.5)℃范围内变动,各试验点水进口温度的波动不得超过土0.2℃。
5.2.2.5按5.2.2.2的方法逐个固定水流速。变动空气重量流速,待各参数稳定后进行测量。各试验点的参数测量三次,取其平均值。5.2.3首制产品试验方法
5.2.3.1在试验台上的试验
试验装置、测量参数、测量仪器应符合5.2.1的规定。以设计水流量为固定参数,改变空气重量流速(至少取六个值,变化范围必须包括工况点),逐一测量其参数。5.2.3.2配机试验
试验方法可按柴油机负荷特性试验方法进行或由用户依所配机型的具体情况与空冷器生产厂商定。5.2.4试验台性能试验数据的处理试验结果应以试验报告形式固定下来,内容应包括:a)主要测量参数值(三次记录的平均值)和计算数据表(参见附录A));b)性能曲线(按附录B的规定)。5.3压力试验
5.3.1水盖的试验压力为设计压力的2倍,试验时间为30min,不变形,不泄漏。5.3.2芯组和总成试验压力为设计压力的1.5倍,但不得小于0.4MPa。试验时对水腔级慢地加压,达到规定压力后稳定30min,所有连接处应无泄漏,5.3.3有独立壳体的空冷器气腔试验压力为4.9×10*Pa~9.8×10*Pa,历时30min,所有连接处应无泄漏。
5.4冷却管与管板连接可靠性试验5.4.1试验条件
试验条件如下:
a)试件在振动试验机上水平安装,迎风面与振动试验机用螺钉刚性连接;b)试验时水腔应充满压力水,水压为49×10*Pa。5.4.2探查性试验
试验频率及振幅为:频率为4Hz~33Hz,振幅为士0.25mm,频率为34Hz~50Hz,报幅为土0.076mm,频率间隔为1Hz,停留时间15s,确定被振试件在整个试验额率中是否存在共据。5.4.3耐振试验
如果有共振,则在共振频率下至少进行2-h耐振试验。如果没有共振,则以频率为50Hz,振幅为士0.4mm进行耐振试验,振动时间2h。6检验规则
空冷器的检验分型式检验和出厂检验。6.1型式检验
6.1.1检验要求
有下列情况之一时,应进行型式检验:8
小提示:此标准内容仅展示完整标准里的部分截取内容,若需要完整标准请到上方自行免费下载完整标准文档。
标准图片预览:





- 其它标准
- 上一篇: GB/T 2496-2008 弹性环联轴器
- 下一篇: GB/T 2660-2008 衬衫
- 热门标准
- 国家标准(GB)
- GB/T2828.1-2012 计数抽样检验程序 第1部分:按接收质量限(AQL)检索的逐批检验抽样计划
- GB50367-2013 混凝土结构加固设计规范
- GB/T228.1-2021 金属材料 拉伸试验 第1部分:室温试验方法
- GB/T3836.1-2021 爆炸性环境 第1部分:设备 通用要求
- GB/T29863-2023 服装制图
- GB/T18204.4-2000 公共场所毛巾、床上卧具微生物检验方法细菌总数测定
- GB5009.225-2023 食品安全国家标准 酒和食用酒精中乙醇浓度的测定
- GB/T23892.3-2009 滑动轴承 稳态条件下流体动压可倾瓦块止推轴承 第3部分:可倾瓦块止推轴承计算的许用值
- GB/T9145-2003 普通螺纹 中等精度、优选系列的极限尺寸
- GB/T11839-1989 二氧化铀芯块中硼的测定 姜黄素萃取光度法
- GB5725-2009 安全网
- GB/T18380.33-2022 电缆和光缆在火焰条件下的燃烧试验 第33部分:垂直安装的成束电线电缆火焰垂直蔓延试验 A类
- GB/T9239-1988 刚性转子平衡品质 许用不平衡的确定
- GB/T15917.3-1995 金属镝及氧化镝化学分析方法 对氯苯基荧光酮--溴化十六烷基三甲基胺分光光度法测定钽量
- GB50209-2002 建筑地面工程施工质量验收规范
- 行业新闻
请牢记:“bzxz.net”即是“标准下载”四个汉字汉语拼音首字母与国际顶级域名“.net”的组合。 ©2025 标准下载网 www.bzxz.net 本站邮件:bzxznet@163.com
网站备案号:湘ICP备2025141790号-2
网站备案号:湘ICP备2025141790号-2