- 您的位置:
- 标准下载网 >>
- 标准分类 >>
- 国家标准(GB) >>
- GB 8594-1988 土方机械 燃料加油口尺寸
标准号:
GB 8594-1988
标准名称:
土方机械 燃料加油口尺寸
标准类别:
国家标准(GB)
英文名称:
Dimensions of fuel filling ports for earth-moving machinery标准状态:
已作废-
发布日期:
1988-01-13 -
实施日期:
1989-01-01 出版语种:
简体中文下载格式:
.rar.pdf下载大小:
143.59 KB
部分标准内容:
中华人民共和国国家标准
土方机械燃料加油口尺寸
Earth-moving machineryDimensionsof fuel filler opening
:621.43.032
GB 8594-88
本标准等效采用国际标准ISO3541—1985%土方机械一燃料加油口尺寸”。主题内容与适用范围
1.1本标准规定了土方机械燃料加油口和加油口盖的型式和尺寸。1.2本标准适合于土方机械。
2术语
2.1燃料加油口有关零部件的术语如图1所示。2.2
图1中的术语,适用于不同结构的燃料加油口。薪封
香封塑
燃料加油口
螺纹式
3型式与公称尺寸免费标准下载网bzxz
燃料加油口
卡日式
3.1燃料加油口的型式分为螺纹式和卡口式,其公称尺寸应符合表1的规定。国家机械工业委员会1987-12-23批准1989-01-01实施
娜纹式
卡口式
GB 8594—88
表1·燃料加油口的型式和公称尺寸公称尺寸
燃料加油口的型式和公称尺寸由制造厂选择。在选择时应考虑到下列要求,a.
加油方便;
口径的大小要使加油管能够插入;防止异物进入油箱;
使用滤油网,滤油网在尺寸和结构上要保证加注燃油时有足够的流量;可用油尺代替燃油液位指示器测盘油位。螺纹式加油口尺寸
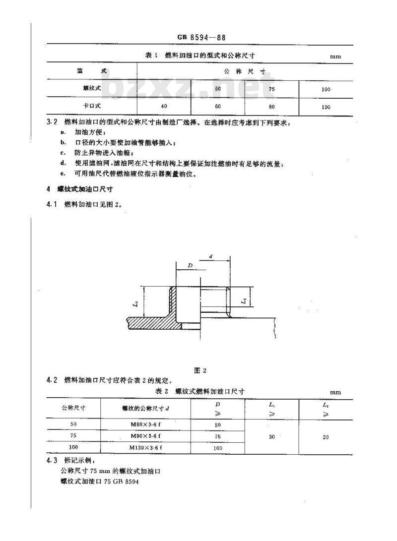
燃料加油口见图2。
4.2燃料加油口尺寸应符合表2的规定。表2螺纹式燃料如油口尺寸
公称尺寸
4.3标记示例,
螺纹的公称尽寸d
M60X 3-6 f
M90X3-6 f
M120X3-6 f
公称尺寸75mm的螺纹式加油口
螺纹式加油口75GB8594
加油口盖见图3
4.5加油口盖尺寸应符合表3的规定。GB 8594--88
表3螺纹式燃料加油口盖尺寸
公称尺寸
4.6标记示例
公称尺寸 75 mm的螺纹式加油口盖。螺纹式加油口盖75GB8594。
5卡口式加油口尺寸
燃料加油口见图4。
5. 2 燃料加油口尺寸应符合表 4 的规定。螺纹的公称尺寸
M60X3-6 H
M90X3-6H
M120X3-6H
B-B展开
公称尺寸
5.3标记示例
CB8594-88
卡口式燃料加油口尺寸
公称尺80 mm的卡口式地猫口。
卡口式加油口 80 GB 8594。
5.4加油口盖见图5。
图5并没有限定加油口盖的结构,其结构由制造厂选定。2
5.5加油口盖尺寸应符合表5的规定。6
公称尺寸
标记示例
GB 8594—88
卡口式燃料媚油口盖尺寸
公称尺寸 80 mm 的卡口式加油口盖。卡口式加油口盖80GB8594。
6加油口蓝的系结
加油口盖应通过链、绳索等水久性地系在燃油箱上或机器上。连接方式应适合于机器类型和燃油种附加说期:
本标准由天津工程机械研究所归口并负责起草。
小提示:此标准内容仅展示完整标准里的部分截取内容,若需要完整标准请到上方自行免费下载完整标准文档。
土方机械燃料加油口尺寸
Earth-moving machineryDimensionsof fuel filler opening
:621.43.032
GB 8594-88
本标准等效采用国际标准ISO3541—1985%土方机械一燃料加油口尺寸”。主题内容与适用范围
1.1本标准规定了土方机械燃料加油口和加油口盖的型式和尺寸。1.2本标准适合于土方机械。
2术语
2.1燃料加油口有关零部件的术语如图1所示。2.2
图1中的术语,适用于不同结构的燃料加油口。薪封
香封塑
燃料加油口
螺纹式
3型式与公称尺寸免费标准下载网bzxz
燃料加油口
卡日式
3.1燃料加油口的型式分为螺纹式和卡口式,其公称尺寸应符合表1的规定。国家机械工业委员会1987-12-23批准1989-01-01实施
娜纹式
卡口式
GB 8594—88
表1·燃料加油口的型式和公称尺寸公称尺寸
燃料加油口的型式和公称尺寸由制造厂选择。在选择时应考虑到下列要求,a.
加油方便;
口径的大小要使加油管能够插入;防止异物进入油箱;
使用滤油网,滤油网在尺寸和结构上要保证加注燃油时有足够的流量;可用油尺代替燃油液位指示器测盘油位。螺纹式加油口尺寸
燃料加油口见图2。
4.2燃料加油口尺寸应符合表2的规定。表2螺纹式燃料如油口尺寸
公称尺寸
4.3标记示例,
螺纹的公称尽寸d
M60X 3-6 f
M90X3-6 f
M120X3-6 f
公称尺寸75mm的螺纹式加油口
螺纹式加油口75GB8594
加油口盖见图3
4.5加油口盖尺寸应符合表3的规定。GB 8594--88
表3螺纹式燃料加油口盖尺寸
公称尺寸
4.6标记示例
公称尺寸 75 mm的螺纹式加油口盖。螺纹式加油口盖75GB8594。
5卡口式加油口尺寸
燃料加油口见图4。
5. 2 燃料加油口尺寸应符合表 4 的规定。螺纹的公称尺寸
M60X3-6 H
M90X3-6H
M120X3-6H
B-B展开
公称尺寸
5.3标记示例
CB8594-88
卡口式燃料加油口尺寸
公称尺80 mm的卡口式地猫口。
卡口式加油口 80 GB 8594。
5.4加油口盖见图5。
图5并没有限定加油口盖的结构,其结构由制造厂选定。2
5.5加油口盖尺寸应符合表5的规定。6
公称尺寸
标记示例
GB 8594—88
卡口式燃料媚油口盖尺寸
公称尺寸 80 mm 的卡口式加油口盖。卡口式加油口盖80GB8594。
6加油口蓝的系结
加油口盖应通过链、绳索等水久性地系在燃油箱上或机器上。连接方式应适合于机器类型和燃油种附加说期:
本标准由天津工程机械研究所归口并负责起草。
小提示:此标准内容仅展示完整标准里的部分截取内容,若需要完整标准请到上方自行免费下载完整标准文档。
标准图片预览:





- 其它标准
- 热门标准
- 国家标准(GB)
- GB∕T39755.2-2021 电子文件管理能力体系 第2部分:评估规范
- GB/T38731-2020 表面活性剂工业仲烷基硫酸钠试验方法
- GB/T28022-2011 玩具适用年龄判定指南
- GB/T30137-2013 电能质量 电压暂降与短时中断
- GB/T27788-2011 微束分析 扫描电镜 图像放大倍率校准导则
- GB/T42513.4-2023 镍合金化学分析方法 第4部分:硅含量的测定 一氧化二氮-火焰原子吸收光谱法和钼蓝分光光度法
- GB11504-1989 职业性慢性铅中毒诊断标准及处理原则
- GB/T31728-2015 带充电装置的可移式灯具
- GB/T21666-2008 尿吸收辅助器具 评价的一般指南
- GB/T41658-2022 金属粉末(不包括硬质合金) 铜基浸渗粉检验方法
- GB/T2901-1982 文献目录信息交换用磁带格式
- GB/T20000.7-2006 标准化工作指南 第7部分管理体系标准的论证和制定
- GB∕T37949-2019 有机发光二极管显示器用有机小分子发光材料纯度测定 高效液相色谱法
- GB∕T38992-2020 军民通用资源 语义关系分类与表示
- GB/T42459-2023 信息技术 系统间远程通信和信息交换 局域网和城域网 特定要求 站点和媒体访问控制连通性发现
- 行业新闻
请牢记:“bzxz.net”即是“标准下载”四个汉字汉语拼音首字母与国际顶级域名“.net”的组合。 ©2025 标准下载网 www.bzxz.net 本站邮件:bzxznet@163.com
网站备案号:湘ICP备2025141790号-2
网站备案号:湘ICP备2025141790号-2