- 您的位置:
 - 标准下载网 >>
 - 标准分类 >>
 - 国家标准(GB) >>
 - GB/T 3745-2008 卡套式三通管接头
 
标准号:
GB/T 3745-2008
标准名称:
卡套式三通管接头
标准类别:
国家标准(GB)
标准状态:
现行- 
          	
发布日期:
2008-05-07 - 
		 
实施日期:
2008-11-01 出版语种:
简体中文下载格式:
.rar.pdf下载大小:
778.88 KB
点击下载
标准简介:
										 标准下载解压密码:www.bzxz.net
					 					 
						 
	        
	      本标准规定了卡套式三通管接头和接头体的尺寸、标记及技术要求。本标准适用于管子外径为4㎜~42㎜,最大工作压力10MPa~63MPa的液压流体传动和一般用途的管路系统。 GB/T 3745-2008 卡套式三通管接头 GB/T3745-2008
部分标准内容:
					
					ICS 21. 060. 60
华民工利医家标际准
GB/13745-2008
代替 GB/T 3745,1—1983,GB/T 3745.2.--1983卡套式三通管接头
24° cone connectors—Union tee2008-05-07发布
中华人民共和国国家质量监督检验检疫总局中国国家标准化管理委员会
2008-11-01实施
本标准是卡套管接头系列标雅之。前言
GB/T 3745--2008
本标摊中管接头结构型式和尺寸与IS08434-1:2007《用于流体传动和-股用途的金属管接头第1部分:24\压缩式管接头》(英文版)的相关部分基本一致。本标准是对GB/T3745.1--1983《卡套式三管接头》利CB/T3715.21983《卡套式三通接头体》的修订。主要修订内容如下:将两个标准的内容进行了整合;修改了英文名称;
-将公称压力G(250)和J(400)修改为最大工作压力10MPa-~63MPa,并分为LL、L利S三个系列,系列的产品尺范围作了调整;…-将接头体扳手尺寸收为制和机械加工两类;一-调整了管子外径尺寸系列,并修改了相关尺寸;减少了部分应由制造商控制的参数;\—取消了重晟数据;
取消了表面粗糙度标注,表面想髓度要求在GB/T3765≤卡套式管接头技术条件》中给出本标准自实施之II起代替GB/T3745.1—1983和GB/T3745.2—1983。本标准出中国机械工业送合会提出本标滩冉全国管路附件标准化技术委员会归口,本标准负责起草单位:中机生产力促进中心,嘉兴迈思特管件制造有限公司。本标准参加起幸单位:海盐管件制造有限公司、伊顺(宁波)流体连接件有限公司、建湖县特佳液压管件有限公司、浙江华夏阅门有限公司,海盐高博管件有限公司、海盐县海管管件制造有限公司、焦作市路通液压附件有限公司。
本标准上要起草人:李维策、陶忠明、耿志学、用舜华、冯峰、左学俊、阮浩丰、周剑飞、徐长祥、王利民,
本标准所代替标准的厉次版本发布情沉为:-GB/T 3745., 1—1983;
-GB/T3745.2---1983
1范围
卡套式三通管接头
本标准规定了卡套式三通管接头和接头体的尺寸、标记及技术要求,GB/T 3745—2008
1r载生推症力10MPa~63MPa的液压流体传动称-般本标推适用于管子外径为 4mm~
用途的管路系统:
2规范性引用文件
下列文作中的条款通遵标准的引用而成为本标准的条款,是注片想的引用文件,其随后所有的修改单(不包括勘谋的的或修订版息不适用于本标,然而,鼓励银据本标准达成协议的各方研究是否可使用这些文传最新版本
最新版靠适用本标准。
GR/T 3759-
GB/T 3764-
G3/13765
3尺寸
卡套式
G3/T 3764的
4.1标记方法
卡套或三
4.2标记示例
接头系列为
管接头
卡套式
卡套武
头和接头位
和接头体
卡径为
接头系列为L,管家郊
的规定,接葚体套端尺寸应符合R
三通管接头款记为:
10mm,装面镀锌处理的锅制卡套式专通接类体标记为:接头体CB/T37
5技术要求
技本要求按GB/T3765的规定%
GB/T 3745—2008
卡套式三通管接头此内容来自标准下载网
图2卡套式三通接头体
GB/T 3759—200R
GB/T3764—2008
玉力/
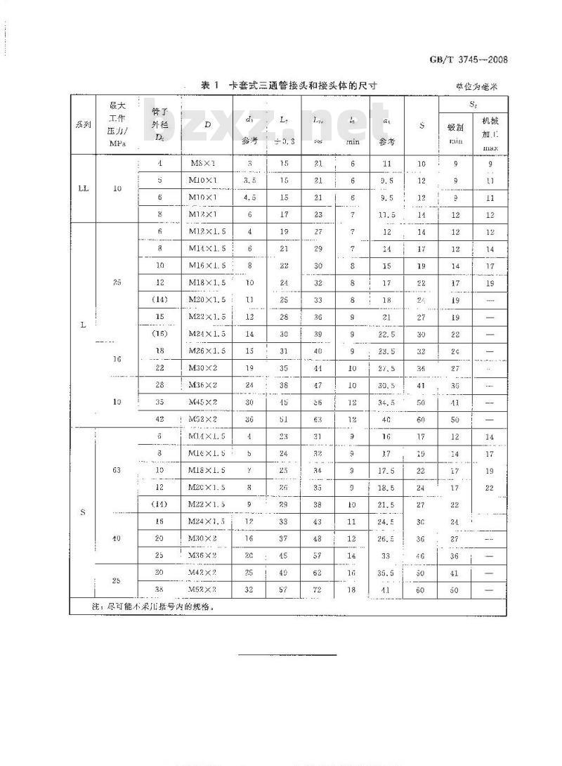
表1卡套式三通管接头和接头体的尺寸D
M10×1
M45×2
M52×2
M36×%
注:尽可能不采而括号内的规格:c
GB/T 3745--2008
单位为些米
GB/1 3745-2008
中华人民共利国
国家标滩
卡套式三通臂接头
GB/T 3745-2008
中国标证出版社出版发行
北京复兴门外三里河北街16号
邮政缔码:1.0004%
网斯 spe. net. cn
电话:6852394668517548
菌标源毕版社奈皇岛印刷!印刷各地新华拓店经销
开本880×12301/16印张0.5
学数 8千字
2008 年 9 片第一版
2038年9月第一次印刷
书号:155066:1-32283
由本社发行中心调换
如有印装差错
版权专有侵权必究
举报电话:(010)68533533
小提示:此标准内容仅展示完整标准里的部分截取内容,若需要完整标准请到上方自行免费下载完整标准文档。
	 
	        
	      华民工利医家标际准
GB/13745-2008
代替 GB/T 3745,1—1983,GB/T 3745.2.--1983卡套式三通管接头
24° cone connectors—Union tee2008-05-07发布
中华人民共和国国家质量监督检验检疫总局中国国家标准化管理委员会
2008-11-01实施
本标准是卡套管接头系列标雅之。前言
GB/T 3745--2008
本标摊中管接头结构型式和尺寸与IS08434-1:2007《用于流体传动和-股用途的金属管接头第1部分:24\压缩式管接头》(英文版)的相关部分基本一致。本标准是对GB/T3745.1--1983《卡套式三管接头》利CB/T3715.21983《卡套式三通接头体》的修订。主要修订内容如下:将两个标准的内容进行了整合;修改了英文名称;
-将公称压力G(250)和J(400)修改为最大工作压力10MPa-~63MPa,并分为LL、L利S三个系列,系列的产品尺范围作了调整;…-将接头体扳手尺寸收为制和机械加工两类;一-调整了管子外径尺寸系列,并修改了相关尺寸;减少了部分应由制造商控制的参数;\—取消了重晟数据;
取消了表面粗糙度标注,表面想髓度要求在GB/T3765≤卡套式管接头技术条件》中给出本标准自实施之II起代替GB/T3745.1—1983和GB/T3745.2—1983。本标准出中国机械工业送合会提出本标滩冉全国管路附件标准化技术委员会归口,本标准负责起草单位:中机生产力促进中心,嘉兴迈思特管件制造有限公司。本标准参加起幸单位:海盐管件制造有限公司、伊顺(宁波)流体连接件有限公司、建湖县特佳液压管件有限公司、浙江华夏阅门有限公司,海盐高博管件有限公司、海盐县海管管件制造有限公司、焦作市路通液压附件有限公司。
本标准上要起草人:李维策、陶忠明、耿志学、用舜华、冯峰、左学俊、阮浩丰、周剑飞、徐长祥、王利民,
本标准所代替标准的厉次版本发布情沉为:-GB/T 3745., 1—1983;
-GB/T3745.2---1983
1范围
卡套式三通管接头
本标准规定了卡套式三通管接头和接头体的尺寸、标记及技术要求,GB/T 3745—2008
1r载生推症力10MPa~63MPa的液压流体传动称-般本标推适用于管子外径为 4mm~
用途的管路系统:
2规范性引用文件
下列文作中的条款通遵标准的引用而成为本标准的条款,是注片想的引用文件,其随后所有的修改单(不包括勘谋的的或修订版息不适用于本标,然而,鼓励银据本标准达成协议的各方研究是否可使用这些文传最新版本
最新版靠适用本标准。
GR/T 3759-
GB/T 3764-
G3/13765
3尺寸
卡套式
G3/T 3764的
4.1标记方法
卡套或三
4.2标记示例
接头系列为
管接头
卡套式
卡套武
头和接头位
和接头体
卡径为
接头系列为L,管家郊
的规定,接葚体套端尺寸应符合R
三通管接头款记为:
10mm,装面镀锌处理的锅制卡套式专通接类体标记为:接头体CB/T37
5技术要求
技本要求按GB/T3765的规定%
GB/T 3745—2008
卡套式三通管接头此内容来自标准下载网
图2卡套式三通接头体
GB/T 3759—200R
GB/T3764—2008
玉力/
表1卡套式三通管接头和接头体的尺寸D
M10×1
M45×2
M52×2
M36×%
注:尽可能不采而括号内的规格:c
GB/T 3745--2008
单位为些米
GB/1 3745-2008
中华人民共利国
国家标滩
卡套式三通臂接头
GB/T 3745-2008
中国标证出版社出版发行
北京复兴门外三里河北街16号
邮政缔码:1.0004%
网斯 spe. net. cn
电话:6852394668517548
菌标源毕版社奈皇岛印刷!印刷各地新华拓店经销
开本880×12301/16印张0.5
学数 8千字
2008 年 9 片第一版
2038年9月第一次印刷
书号:155066:1-32283
由本社发行中心调换
如有印装差错
版权专有侵权必究
举报电话:(010)68533533
小提示:此标准内容仅展示完整标准里的部分截取内容,若需要完整标准请到上方自行免费下载完整标准文档。
标准图片预览:





- 热门标准
 - 国家标准(GB)
 
- GB/T13070-1991 铀矿石中铀的测定 电位滴定法
 - GB/T21666-2008 尿吸收辅助器具 评价的一般指南
 - GB/T2670.2-2017 内六角花形沉头自攻螺钉
 - GB/T19561-2004 寒地节能日光温室建造规程
 - GB/T7574-1987 信息处理交换用磁带标号和文卷结构
 - GB/T24715-2009 氧源转换器
 - GB/T38684-2020 金属材料 薄板和薄带 双轴应力-应变曲线胀形试验 光学测量方法
 - GB/T9003-1988 调音台基本特性测量方法
 - GB5585.3-1985 电工用铜、铝及其合金母线 第3部分:铝母线
 - GB11564-2008 机动车回复反射器
 - GB/Z21193.2-2008 矿物燃烧蒸汽发电站 第2部分:汽包水位控制
 - GB/T18442.6-2011 固定式真空绝热深冷压力容器 第6部分:安全防护
 - GB∕T33370-2016 铜及铜合金软化温度的测定方法
 - GB/Z18039.7-2011 电磁兼容 环境公用供电系统中的电压暂降、短时中断及其测量统计结果
 - GB/T283-2007 滚动轴承圆柱滚子轴承外形尺寸
 
- 行业新闻
 
请牢记:“bzxz.net”即是“标准下载”四个汉字汉语拼音首字母与国际顶级域名“.net”的组合。 ©2025 标准下载网 www.bzxz.net 本站邮件:bzxznet@163.com
网站备案号:湘ICP备2025141790号-2
网站备案号:湘ICP备2025141790号-2