- 您的位置:
- 标准下载网 >>
- 标准分类 >>
- 国家标准(GB) >>
- GB/T 21295-2007 服装理化性能的技术要求
标准号:
GB/T 21295-2007
标准名称:
服装理化性能的技术要求
标准类别:
国家标准(GB)
标准状态:
现行-
发布日期:
2007-12-05 -
实施日期:
2008-09-01 出版语种:
简体中文下载格式:
.rar.pdf下载大小:
187.95 KB
标准ICS号:
服装工业>>61.020服装中标分类号:
轻工、文化与生活用品>>服装、鞋、帽与其他缝制品>>Y75服装、鞋、帽综合
点击下载
标准简介:
标准下载解压密码:www.bzxz.net
本标准规定了服装产品的理化性能技术要求。本标准适用于以纺织机织物为主要原料生产的服装产品。 GB/T 21295-2007 服装理化性能的技术要求 GB/T21295-2007
部分标准内容:
ICS61.020
中华人民共和国国家标准
GB/T21295—2007
服装理化性能的技术要求
Requirement of the garments' intrinsic quality2007-12-05发布
中华人民共和国国家质量监督检验检疫总局中国国家标准化管理委员会
2008-09-01实施
本标准由中国纺织工业协会提出。前言
本标准由全国服装标准化技术委员会(SAC/TC219)归口。本标准主要起草单位:上海市服装研究所、国家服装质量监督检验中心(上海)。本标准主要起草人:胡丽玲、许鉴、陈璐、冯宪、朱炳荣、秦威、王宏明、吴继周。本标准由全国服装标准化技术委员会负责解释。rKAoNiKAca
GB/T21295—2007
1范围
服装理化性能的技术要求
本标准规定了服装产品的理化性能技术要求。本标准适用于以纺织机织物为主要原料生产的服装产品。2规范性引用文件
GB/T21295—2007
下列文件中的条款通过本标准的引用而成为本标准的条款。凡是注日期的引用文件,其随后所有的修改单(不包括勘误的内容)或修订版均不适用于本标准,然而,鼓励根据本标准达成协议的各方研究是否可使用这些文件的最新版本。凡是不注日期的引用文件,其最新版本适用于本标准。GB/T3291.2纺织材料性能和试验术语第2部分:织物GB/T4841.3染料染色标准深度色卡2/1、1/3、1/6、1/12、1/25GB/T15557服装术语
FZ/T01053纺织品纤维含量的标识3术语和定义
GB/T3291.2、GB/T15557中确立的以及下列术语和定义适用于本标准。3.1
保温率heatretention
无试样时的散热量和有试样时的散热量之差与无试样时的散热量之比的百分率。3.2
透气率airpermeability
试样透过空气的能力。在规定的压差条件下,测得一定时间内垂直道过试样给定面积的气流流量,计算出透气率。
透湿量watervapourtransmissionrate:WVT在织物两面分别存在恒定的水蒸气压的条件下,规定时间内通过单位面积织物的水蒸气的质量,以该条件下的g/(m2,d)表示。
燃烧性能flammability
在规定的试验条件下,测定织物燃烧后的损毁状况,或有焰燃烧能力。3.5
waterrepellency
抗水(拒水)性
织物抵抗吸收喷淋水的能力。以在指定的人造淋雨器下,在规定的时间内织物表面的沾湿程度或织物的吸水量表征。
婴幼儿用品productsforbabies
年龄在24个月及以内的婴幼儿使用的产品。GB/T21295—2007
4要求
4.1色牢度
4.1.1成品色牢度允许程度按表1规定。项
耐干洗
耐酸汗渍
耐碱汗渍
耐摩擦
耐唾液
耐光汗复合
色牢度充许程度合格品要求
婴幼儿产品
其他成品
浅色3--4,深色3
浅色3—4,深色3
浅色3,深色2—3
THiKAoNrKAca-
单位为级
里料不考核
考核单层服装
注:按GB/T4841.3规定,颜色大于1/12标准深度为深色,颜色小于等于1/12标准深度为浅色。4.1.2缝纫线、装饰线及绣花线的耐洗沾色色牢度不小于3一4级4.2尺寸变化率
4.2.1成品水洗后的尺寸变化率按表2规定表2
裤(裙)长
水洗尺寸变化率的合格品要求
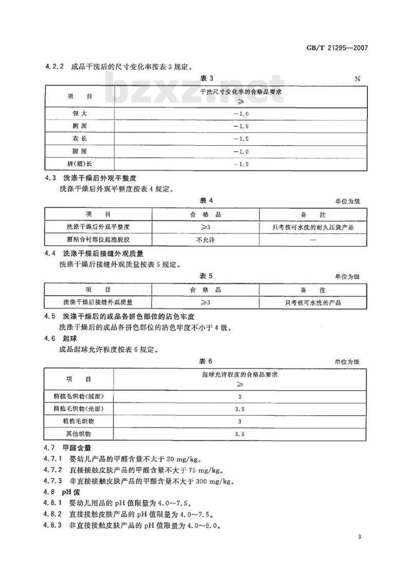
成品干洗后的尺寸变化率按表3规定。4.2.2
裤(裙)长
洗涤干燥后外观平整度
洗涤干燥后外观平整度按表4规定。项目
洗涤干燥后外观平整度
覆粘合衬部位起泡脱胶
洗涤干燥后接缝外观质量
洗涤干燥后接缝外观质量按表5规定。项
洗涤于燥后接缝外观质量
干洗尺寸变化率的合格品要求
合格品
不允许
合格品
洗涤干燥后的成品各拼色部位的沾色牢度洗涤干燥后的成品各拼色部位的沾色牢度不小于4级。起球
成品起球允许程度按表6规定。
精梳毛织物(绒面)
精梳毛织物(光面)
粗梳毛织物
其他织物
甲醛含量
4.7.1婴幼儿产品的甲醛含量不大于20mg/kg。GB/T21295—2007
单位为级
只考核可水洗的耐久压烫产品
单位为级
只考核可水洗的产品
单位为级
起球允许程度的合格品要求
4.7.2直接接触皮肤产品的甲醛含量不大于75mg/kg。4.7.3非直接接触皮肤产品的甲醛含量不大于300mg/kg。4.8PH值
4.8.1婴幼儿用品的pH值限量为4.0~7.5。4.8.2直接接触皮肤产品的pH值限量为4.0~7.5。4.8.3非直接接触皮肤产品的pH值限量为4.0~9.0。3
GB/T21295—2007
9可萃取重金属含量
成品可萃取重金属含量按表7规定。项
锑(Sb)
砷(As)
铅(Pb)
锯(Cd)bzxZ.net
铬(Cr)
铬(Cr)(VI)
钴(Co)
铜(Cu)
镍(Ni)
汞(Hg)
4.10异味
成品不允许有异味。
4.11可分解芳香胺染料
婴幼儿用品
成品禁用可分解芳香胺染料。
4.12原料的成分和含量允许偏差表7
原料的成分和含量允许偏差按FZ/T01053规定。4.13保温率
有保温要求的成品的保温率不小于30%。4.14透气率
有透气要求的成品的透气率不小于180mm/s。4.15透湿量
直接接触皮肤产品
低于检出限0.5
有透湿要求的成品的透湿量不小于2500g/(m.d)。4.16燃烧性能
有延迟燃烧要求的成品按表8规定。表8
产品分类
婴幼儿服装
成人服装
抗水(拒水)性
未起绒
有抗水(拒水)要求的成品的沾水等级不小于4级。4.18覆粘合衬部位剥离强力
成品覆粘合衬部位的剥离强力不小于6N。4.19纰裂
损毁长度/cm
KAONrKAca=
单位为毫克每千克
非直接接触皮肤产品
火焰蔓延时间/s
4.19.1单位面积质量在50g以下的成品的缝子纸裂合格品允许程度不大于0.8cm。其他成品主要部位的缝子批裂合格品允许程度不大于0.6cm。4.19.2
4.20断裂强力
面料的断裂强力按表9规定。
产品分类
精梳毛织物及其混纺织物
单位面积质量低于220g/m
粗梳毛织物及其混纺织物
精梳羊绒织物
(羊绒含量5%及以上)
粗梳羊绒织物
(羊绒含量30%及以上)
其他织物
4.21裤后裆缝接缝强力
面料不小于140N,里料不小于80N。4.22撕破强力
面料的撕破强力按表10规定。
产品分类
一般织物
蚕丝织物
纯棉织物单位面积质量低于140g/m2GB/T21295—2007
单位为牛
断裂强力
单位为牛
撕破强力
GB/T21295-2007
-TT KAONr KAca-
中华人民共和
国家标准
服装理化性能的技术要求
GB/T21295—2007
中国标准出版社出版发行
北京复兴门外三里河北街16号
邮政编码:100045
网址spc.net.cn
68517548
电话:68523946
中国标准出版社案皇岛印刷厂印刷各地新华书店经销
开本880×12301/16
印张0.75
字数I1千字
2008年3月第一版2008年3月第一次印刷*
书号:155066·1-30798
告由本社发行中心调换
如有印装差错
版权专有侵权必究
举报电话:(010)68533533
小提示:此标准内容仅展示完整标准里的部分截取内容,若需要完整标准请到上方自行免费下载完整标准文档。
中华人民共和国国家标准
GB/T21295—2007
服装理化性能的技术要求
Requirement of the garments' intrinsic quality2007-12-05发布
中华人民共和国国家质量监督检验检疫总局中国国家标准化管理委员会
2008-09-01实施
本标准由中国纺织工业协会提出。前言
本标准由全国服装标准化技术委员会(SAC/TC219)归口。本标准主要起草单位:上海市服装研究所、国家服装质量监督检验中心(上海)。本标准主要起草人:胡丽玲、许鉴、陈璐、冯宪、朱炳荣、秦威、王宏明、吴继周。本标准由全国服装标准化技术委员会负责解释。rKAoNiKAca
GB/T21295—2007
1范围
服装理化性能的技术要求
本标准规定了服装产品的理化性能技术要求。本标准适用于以纺织机织物为主要原料生产的服装产品。2规范性引用文件
GB/T21295—2007
下列文件中的条款通过本标准的引用而成为本标准的条款。凡是注日期的引用文件,其随后所有的修改单(不包括勘误的内容)或修订版均不适用于本标准,然而,鼓励根据本标准达成协议的各方研究是否可使用这些文件的最新版本。凡是不注日期的引用文件,其最新版本适用于本标准。GB/T3291.2纺织材料性能和试验术语第2部分:织物GB/T4841.3染料染色标准深度色卡2/1、1/3、1/6、1/12、1/25GB/T15557服装术语
FZ/T01053纺织品纤维含量的标识3术语和定义
GB/T3291.2、GB/T15557中确立的以及下列术语和定义适用于本标准。3.1
保温率heatretention
无试样时的散热量和有试样时的散热量之差与无试样时的散热量之比的百分率。3.2
透气率airpermeability
试样透过空气的能力。在规定的压差条件下,测得一定时间内垂直道过试样给定面积的气流流量,计算出透气率。
透湿量watervapourtransmissionrate:WVT在织物两面分别存在恒定的水蒸气压的条件下,规定时间内通过单位面积织物的水蒸气的质量,以该条件下的g/(m2,d)表示。
燃烧性能flammability
在规定的试验条件下,测定织物燃烧后的损毁状况,或有焰燃烧能力。3.5
waterrepellency
抗水(拒水)性
织物抵抗吸收喷淋水的能力。以在指定的人造淋雨器下,在规定的时间内织物表面的沾湿程度或织物的吸水量表征。
婴幼儿用品productsforbabies
年龄在24个月及以内的婴幼儿使用的产品。GB/T21295—2007
4要求
4.1色牢度
4.1.1成品色牢度允许程度按表1规定。项
耐干洗
耐酸汗渍
耐碱汗渍
耐摩擦
耐唾液
耐光汗复合
色牢度充许程度合格品要求
婴幼儿产品
其他成品
浅色3--4,深色3
浅色3—4,深色3
浅色3,深色2—3
THiKAoNrKAca-
单位为级
里料不考核
考核单层服装
注:按GB/T4841.3规定,颜色大于1/12标准深度为深色,颜色小于等于1/12标准深度为浅色。4.1.2缝纫线、装饰线及绣花线的耐洗沾色色牢度不小于3一4级4.2尺寸变化率
4.2.1成品水洗后的尺寸变化率按表2规定表2
裤(裙)长
水洗尺寸变化率的合格品要求
成品干洗后的尺寸变化率按表3规定。4.2.2
裤(裙)长
洗涤干燥后外观平整度
洗涤干燥后外观平整度按表4规定。项目
洗涤干燥后外观平整度
覆粘合衬部位起泡脱胶
洗涤干燥后接缝外观质量
洗涤干燥后接缝外观质量按表5规定。项
洗涤于燥后接缝外观质量
干洗尺寸变化率的合格品要求
合格品
不允许
合格品
洗涤干燥后的成品各拼色部位的沾色牢度洗涤干燥后的成品各拼色部位的沾色牢度不小于4级。起球
成品起球允许程度按表6规定。
精梳毛织物(绒面)
精梳毛织物(光面)
粗梳毛织物
其他织物
甲醛含量
4.7.1婴幼儿产品的甲醛含量不大于20mg/kg。GB/T21295—2007
单位为级
只考核可水洗的耐久压烫产品
单位为级
只考核可水洗的产品
单位为级
起球允许程度的合格品要求
4.7.2直接接触皮肤产品的甲醛含量不大于75mg/kg。4.7.3非直接接触皮肤产品的甲醛含量不大于300mg/kg。4.8PH值
4.8.1婴幼儿用品的pH值限量为4.0~7.5。4.8.2直接接触皮肤产品的pH值限量为4.0~7.5。4.8.3非直接接触皮肤产品的pH值限量为4.0~9.0。3
GB/T21295—2007
9可萃取重金属含量
成品可萃取重金属含量按表7规定。项
锑(Sb)
砷(As)
铅(Pb)
锯(Cd)bzxZ.net
铬(Cr)
铬(Cr)(VI)
钴(Co)
铜(Cu)
镍(Ni)
汞(Hg)
4.10异味
成品不允许有异味。
4.11可分解芳香胺染料
婴幼儿用品
成品禁用可分解芳香胺染料。
4.12原料的成分和含量允许偏差表7
原料的成分和含量允许偏差按FZ/T01053规定。4.13保温率
有保温要求的成品的保温率不小于30%。4.14透气率
有透气要求的成品的透气率不小于180mm/s。4.15透湿量
直接接触皮肤产品
低于检出限0.5
有透湿要求的成品的透湿量不小于2500g/(m.d)。4.16燃烧性能
有延迟燃烧要求的成品按表8规定。表8
产品分类
婴幼儿服装
成人服装
抗水(拒水)性
未起绒
有抗水(拒水)要求的成品的沾水等级不小于4级。4.18覆粘合衬部位剥离强力
成品覆粘合衬部位的剥离强力不小于6N。4.19纰裂
损毁长度/cm
KAONrKAca=
单位为毫克每千克
非直接接触皮肤产品
火焰蔓延时间/s
4.19.1单位面积质量在50g以下的成品的缝子纸裂合格品允许程度不大于0.8cm。其他成品主要部位的缝子批裂合格品允许程度不大于0.6cm。4.19.2
4.20断裂强力
面料的断裂强力按表9规定。
产品分类
精梳毛织物及其混纺织物
单位面积质量低于220g/m
粗梳毛织物及其混纺织物
精梳羊绒织物
(羊绒含量5%及以上)
粗梳羊绒织物
(羊绒含量30%及以上)
其他织物
4.21裤后裆缝接缝强力
面料不小于140N,里料不小于80N。4.22撕破强力
面料的撕破强力按表10规定。
产品分类
一般织物
蚕丝织物
纯棉织物单位面积质量低于140g/m2GB/T21295—2007
单位为牛
断裂强力
单位为牛
撕破强力
GB/T21295-2007
-TT KAONr KAca-
中华人民共和
国家标准
服装理化性能的技术要求
GB/T21295—2007
中国标准出版社出版发行
北京复兴门外三里河北街16号
邮政编码:100045
网址spc.net.cn
68517548
电话:68523946
中国标准出版社案皇岛印刷厂印刷各地新华书店经销
开本880×12301/16
印张0.75
字数I1千字
2008年3月第一版2008年3月第一次印刷*
书号:155066·1-30798
告由本社发行中心调换
如有印装差错
版权专有侵权必究
举报电话:(010)68533533
小提示:此标准内容仅展示完整标准里的部分截取内容,若需要完整标准请到上方自行免费下载完整标准文档。
标准图片预览:





- 其它标准
- 热门标准
- 国家标准(GB)
- GB/T2828.1-2012 计数抽样检验程序 第1部分:按接收质量限(AQL)检索的逐批检验抽样计划
- GB/T29863-2023 服装制图
- GB/T3836.1-2021 爆炸性环境 第1部分:设备 通用要求
- GB50367-2013 混凝土结构加固设计规范
- GB/T228.1-2021 金属材料 拉伸试验 第1部分:室温试验方法
- GB5009.225-2023 食品安全国家标准 酒和食用酒精中乙醇浓度的测定
- GB/T18204.4-2000 公共场所毛巾、床上卧具微生物检验方法细菌总数测定
- GB/T23892.3-2009 滑动轴承 稳态条件下流体动压可倾瓦块止推轴承 第3部分:可倾瓦块止推轴承计算的许用值
- GB/T9145-2003 普通螺纹 中等精度、优选系列的极限尺寸
- GB/T11839-1989 二氧化铀芯块中硼的测定 姜黄素萃取光度法
- GB/T12053-1989 光学识别用字母数字字符集 第一部分:OCR-A字符集印刷图象的形状和尺寸
- GB5725-2009 安全网
- GB/T18380.33-2022 电缆和光缆在火焰条件下的燃烧试验 第33部分:垂直安装的成束电线电缆火焰垂直蔓延试验 A类
- GB/T9239-1988 刚性转子平衡品质 许用不平衡的确定
- GB/T15917.3-1995 金属镝及氧化镝化学分析方法 对氯苯基荧光酮--溴化十六烷基三甲基胺分光光度法测定钽量
- 行业新闻
请牢记:“bzxz.net”即是“标准下载”四个汉字汉语拼音首字母与国际顶级域名“.net”的组合。 ©2025 标准下载网 www.bzxz.net 本站邮件:bzxznet@163.com
网站备案号:湘ICP备2025141790号-2
网站备案号:湘ICP备2025141790号-2