- 您的位置:
- 标准下载网 >>
- 标准分类 >>
- 有色金属行业标准(YS) >>
- YS/T 428-2000 五氧化二铌
标准号:
YS/T 428-2000
标准名称:
五氧化二铌
标准类别:
有色金属行业标准(YS)
标准状态:
现行-
发布日期:
2000-03-29 -
实施日期:
2000-10-01 出版语种:
简体中文下载格式:
.rar.pdf下载大小:
121.73 KB
替代情况:
原标准号GB/T 3627-1983
起草人:
霍行凤、万明远、余江陵、张静芳起草单位:
宁夏东方钽业股份有限公司和株洲硬质合金厂归口单位:
中国有色金属工业标准计量质量研究所提出单位:
中国有色金属工业标准量质量研究所发布部门:
中国有色金属工业总公司相关标签:
氧化
点击下载
标准简介:
标准下载解压密码:www.bzxz.net
本标准规定了五氧化二铌的技术要求、试验方法、检验规则及包装标志、运输和贮存。本标准适用于液-液萃取法制得的五氧化二铌,供生产铌粉、铌条和陶瓷 电容器等用。 YS/T 428-2000 五氧化二铌 YS/T428-2000
部分标准内容:
中华人民共和国有色金属行业标准YS/T 428—2000
五氧化二锯
Niobium pentaoxide
2000-03-29发布
国家有色金属工业局发布
2000~10-01实施
YS/T42B—2000
国家标准GB/T3627一1983五氧化二锟技术条件实施至今已长达16年之久,近几年五氧化二锯的生产技术水平有了较大提高,该国标已不能满足生产和使用的需求,必须加以修订。五氧化二主要供生产铌粉等的原料,制定为行业标准更能及时满足需要,故将原国家标准转化为行业标准,并将名称改为五氧化二铌。本标准依据技术上先进、经济上合理的原则对GB/T3627:1983中的三个牌号均降低了杂质含量,并规定了物理性能的检测方法,标准水平提高较大。本标准自生效之日起,同时废止GB/T3627-1983。本标推由中国有色金属工业标推计量质量研究所提出并归口。本标准由宁夏东方钮业股份有限公司和株洲硬质合金厂负责起草。本标准主要起草人:霍红凤、方明远、余江陵、张静芳。1范围
中华人民共和国有色金属行业标准五氧化二锯
Niobium pentaoxide
YS/T 428—2000
本标准规定了五氧化二的技术要求,试验方法、检验规则及包装标志、运输和贮存,本标准适用丁液·液萃取法制得的五氧化二锟,供生产铌粉、锟条租陶瓷电容器等用。2引用标准
下列标准所包含的条文,通过在本标准中引用而构成为本标准的条文。本标准出版时.所示版本均为有效。所有标准都会被修订,使用本标准的各方应探讨使用下列标准最新版本的可能性GB/T1479—1984金属粉木松装密度的测定第部分漏斗法GB/T11107--1989金属及其化合物粉末比表面积和粒度测定空气透过法
(1/T13390)1992金属粉末比表面积的测定氮吸附法GB/T15076.1~15076.15—1994钼铌化学分析方法3技术要求
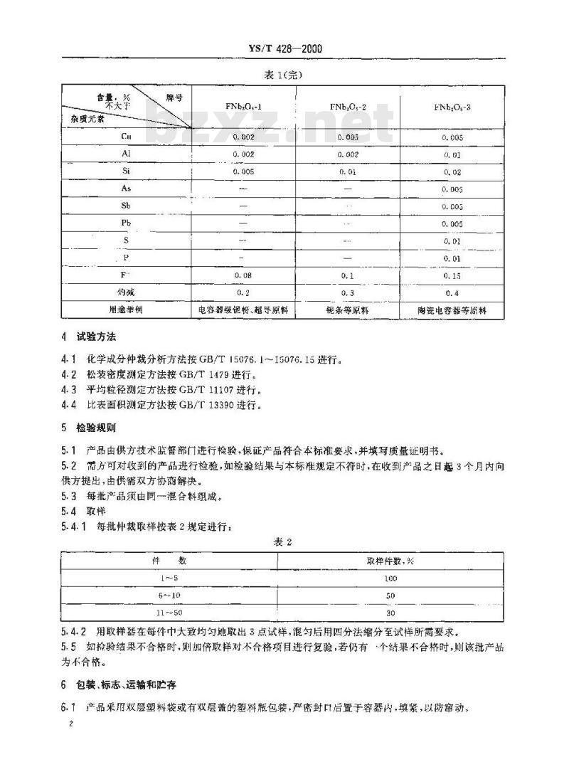
3.1根据使用要求及化学成分不同,产品划分为;FVb,,-1、FNb,O,-2和 FNb:0:-3一个牌号。各牌号的化学成分应符合表1规定。
3.2品应通过250μm(60自)筛孔,3.3提供产品平均粒径、比表面积和松装密度的实测数据3.4产品为粉米状.呈白色或浅黄色,产品无肉眼可见的爽杂物,3.5需方如有特殊要求.供需双方协商议定。表丨
含量,%
苯大于
杂质元素
FNb:O,-1
国家有色金属工业局2000-03-29批准FNh20:-2
2000-10-01实施
食業尖筝
杂质元案
用途举例
试验方法
YS/T 428—2000
表1(完)
电容器级铌粉、超导原料
锯条等原料
4.1化学成分仲裁分析方法按GB/T15076.1~15076.15进行。4.2松装密度测定方法按GB/T1479进行。4.3平均粒径测定方法按GB/T11107进行。4.4比表面积测定方法按GB/T13390进行。5检验规则
陶瓷电容器等原料
5.1产品由供方技术监督部门进行检验,保证产品符合本标准要求,并填写质量证明书,5.2需方可对收到的产品进行检验,如检验结果与本标准规定不符时,在收到产品之日起3个月内向供方提出,由供需双方协商解决。5.3每批产品须由同混含料组成。5.4取样
5.4.1每批仲裁取样按表2规定进行:表2
1~~~5
11-~50bzxZ.net
取样件数,%
5.4.2用取样器在每件中大致均勾地取出3点试样,混匀后用四分法缩分至试样所需要求。5.5如检验结果不合格时,则加倍取样对不合格项目进行复验,若仍有个结果不合格时,则该批产品为不合格。
6包装、标志、运输和贮存
6.1产品采用双层塑料袋或有双层盖的塑料瓶包装,严密封口后置于容器内,填紧,以防窜动,2
YS/T 428—2000
6.2每箱上应注明产品名称牌号,批号,净重和出厂口期,并有“防潮\字样或标志。6.3每件产品应附有质量证明书,注明:a)供方名称:
b)产品牌号;
c)产品批号、净重、件数:
d)各项分析检验结果及检验部门印记;e)本标准编号;
f)检验日期。
6.4产品运输时必缬用有篷运输工具,不得露天堆放5产品应密封存放十无酸、碱气氛之处,严防潮凝吸水。产品存放期不宜超过1年。6.5
小提示:此标准内容仅展示完整标准里的部分截取内容,若需要完整标准请到上方自行免费下载完整标准文档。
五氧化二锯
Niobium pentaoxide
2000-03-29发布
国家有色金属工业局发布
2000~10-01实施
YS/T42B—2000
国家标准GB/T3627一1983五氧化二锟技术条件实施至今已长达16年之久,近几年五氧化二锯的生产技术水平有了较大提高,该国标已不能满足生产和使用的需求,必须加以修订。五氧化二主要供生产铌粉等的原料,制定为行业标准更能及时满足需要,故将原国家标准转化为行业标准,并将名称改为五氧化二铌。本标准依据技术上先进、经济上合理的原则对GB/T3627:1983中的三个牌号均降低了杂质含量,并规定了物理性能的检测方法,标准水平提高较大。本标准自生效之日起,同时废止GB/T3627-1983。本标推由中国有色金属工业标推计量质量研究所提出并归口。本标准由宁夏东方钮业股份有限公司和株洲硬质合金厂负责起草。本标准主要起草人:霍红凤、方明远、余江陵、张静芳。1范围
中华人民共和国有色金属行业标准五氧化二锯
Niobium pentaoxide
YS/T 428—2000
本标准规定了五氧化二的技术要求,试验方法、检验规则及包装标志、运输和贮存,本标准适用丁液·液萃取法制得的五氧化二锟,供生产铌粉、锟条租陶瓷电容器等用。2引用标准
下列标准所包含的条文,通过在本标准中引用而构成为本标准的条文。本标准出版时.所示版本均为有效。所有标准都会被修订,使用本标准的各方应探讨使用下列标准最新版本的可能性GB/T1479—1984金属粉木松装密度的测定第部分漏斗法GB/T11107--1989金属及其化合物粉末比表面积和粒度测定空气透过法
(1/T13390)1992金属粉末比表面积的测定氮吸附法GB/T15076.1~15076.15—1994钼铌化学分析方法3技术要求
3.1根据使用要求及化学成分不同,产品划分为;FVb,,-1、FNb,O,-2和 FNb:0:-3一个牌号。各牌号的化学成分应符合表1规定。
3.2品应通过250μm(60自)筛孔,3.3提供产品平均粒径、比表面积和松装密度的实测数据3.4产品为粉米状.呈白色或浅黄色,产品无肉眼可见的爽杂物,3.5需方如有特殊要求.供需双方协商议定。表丨
含量,%
苯大于
杂质元素
FNb:O,-1
国家有色金属工业局2000-03-29批准FNh20:-2
2000-10-01实施
食業尖筝
杂质元案
用途举例
试验方法
YS/T 428—2000
表1(完)
电容器级铌粉、超导原料
锯条等原料
4.1化学成分仲裁分析方法按GB/T15076.1~15076.15进行。4.2松装密度测定方法按GB/T1479进行。4.3平均粒径测定方法按GB/T11107进行。4.4比表面积测定方法按GB/T13390进行。5检验规则
陶瓷电容器等原料
5.1产品由供方技术监督部门进行检验,保证产品符合本标准要求,并填写质量证明书,5.2需方可对收到的产品进行检验,如检验结果与本标准规定不符时,在收到产品之日起3个月内向供方提出,由供需双方协商解决。5.3每批产品须由同混含料组成。5.4取样
5.4.1每批仲裁取样按表2规定进行:表2
1~~~5
11-~50bzxZ.net
取样件数,%
5.4.2用取样器在每件中大致均勾地取出3点试样,混匀后用四分法缩分至试样所需要求。5.5如检验结果不合格时,则加倍取样对不合格项目进行复验,若仍有个结果不合格时,则该批产品为不合格。
6包装、标志、运输和贮存
6.1产品采用双层塑料袋或有双层盖的塑料瓶包装,严密封口后置于容器内,填紧,以防窜动,2
YS/T 428—2000
6.2每箱上应注明产品名称牌号,批号,净重和出厂口期,并有“防潮\字样或标志。6.3每件产品应附有质量证明书,注明:a)供方名称:
b)产品牌号;
c)产品批号、净重、件数:
d)各项分析检验结果及检验部门印记;e)本标准编号;
f)检验日期。
6.4产品运输时必缬用有篷运输工具,不得露天堆放5产品应密封存放十无酸、碱气氛之处,严防潮凝吸水。产品存放期不宜超过1年。6.5
小提示:此标准内容仅展示完整标准里的部分截取内容,若需要完整标准请到上方自行免费下载完整标准文档。
标准图片预览:





- 其它标准
- 上一篇: YS/T 427-2000 五氧化二钽
- 下一篇: YS/T 43-1992 高纯砷
- 热门标准
- 有色金属行业标准(YS)
- YS/T539.11-2009 镍基合金粉化学分析方法 第11部分:钨量的测定 辛可宁称量法
- YS/T539.6-2006 镍基合金粉化学分析方法三氯化钛-重铬酸钾滴定法测定铁量
- YS/T360.1-2011 钛铁矿精矿化学分析方法 第1部分:二氧化钛量的测定 硫酸铁铵滴定法
- YS/T102.2-2003 铅、锌冶炼企业产品能耗 第二部分:锌冶炼企业产品能耗
- YS/T546-2008 高纯碳酸锂
- YS/T7-2008 铝电解多功能机组
- YS/T240.6-2007 铋精矿化学分析方法 铁量的测定 重铬酸钾滴定法
- YS/T539.1-2006 镍基合金粉化学分析方法中和滴定法测定硼量
- YS/T555.8-2006 钼精矿化学分析方法 钨量的测定
- YS/T555.10-2009 钼精矿化学分析方法 铼量的测定 硫氰酸盐分光光度法
- YS/T887-2013 锆及锆合金焊丝
- YS/T65-2012 铝电解用阴极糊
- YS/T820.15-2012 红土镍矿化学分析方法 第15部分:镉量的测定 火焰原子吸收光谱法
- YS/T484-2005 金属氢化物 镍电池负极用储氢合金比容量的测定
- YS/T240.9-2007 铋精矿化学分析方法 铜量的测定 碘量法和火焰原子吸收光谱法
- 行业新闻
请牢记:“bzxz.net”即是“标准下载”四个汉字汉语拼音首字母与国际顶级域名“.net”的组合。 ©2025 标准下载网 www.bzxz.net 本站邮件:bzxznet@163.com
网站备案号:湘ICP备2025141790号-2
网站备案号:湘ICP备2025141790号-2