- 您的位置:
- 标准下载网 >>
- 标准分类 >>
- 烟草行业标准(YC) >>
- YC/T 103-1996 烟草机械 ZJ16型卷接机组
标准号:
YC/T 103-1996
标准名称:
烟草机械 ZJ16型卷接机组
标准类别:
烟草行业标准(YC)
标准状态:
已作废-
发布日期:
1996-07-08 -
实施日期:
1996-11-01 -
作废日期:
2006-02-27 出版语种:
简体中文下载格式:
.rar.pdf下载大小:
244.29 KB
部分标准内容:
YC/T103-1996
本标准规定了ZJ16型卷接机组的技术要求、试验方法、检验、标志、包装、运输及贮存等。可作为ZJ16型卷接机组生产、质量检验、选购验收、使用维护、修理和洽谈贸易的技术依据。ZJ16型卷接机组由YJ16型卷烟机、YJ26型滤嘴接装机和YJ35型装盘机组成。与本标准相关的产品标准有:
YC/T101-1996
烟草机械YJ16型卷烟机;
YJ26型滤嘴接装机:
YC/T 102--1996
烟草机械
YJ35、YJ35A型装盘机。
YC/T109-1996烟草机械
本标准从1996年11月1日起实施,1997年11月1日起所有制造的ZJ16型卷接机组,均应符合本标准的规定。
本标准的附录 A、附录 B、附录 C都是标准的附录。本标准由国家烟草专卖局提出。本标准由全国烟草标准化技术委员会归口。本标准起草单位:常德烟草工业机械厂。本标准主要起草人:徐祖发、刘建军、高绍梁、王志远、诸扬振。115
1范围
中华人民共和国烟草行业标准
烟草机械
ZJ16型卷接机组
Tobacco machinery
Model ZJ16 cigarette making and filter assembling groupYC/T 103-1996
本标准规定了ZJ16型卷接机组的技术要求、试验方法、检验、标志、包装、运输及贮存等。本标准适用于ZJ16型卷接机组(以下简称机组)。2引用标准
下列标准所包含的条文,通过在本标准中引用而构成为本标准的条文。本标准出版时,所示版本均为有效。所有标准都会被修订,使用本标准的各方应探讨使用下列标准最新版本的可能性。GB 2894--1988
安全标志
GB/T3768—1983
GB/T 5605—1988
GB 5606.3—1996
简易法
噪声源声功率级的测定
醋酸纤维滤棒
卷烟卷制技术要求
GB/T 12655-1990
GB/T 13306—1991
YC/T 1--1994
卷烟纸
烟草机械产品型号编制规则
YC/T 10.10-
YC/T 10.11--1993
YC/T 10. 12-
YC/T 10.14—1993
YC/T 10. 16-
YC/T 11. 2--1993
YC/T 15—1994
YC/T 101---1996
YC/T102—1996
YC/T 109-—1996
卷烟工艺规范
3分类与命名
烟草机械
烟草机械免费标准下载网bzxz
烟草机械
烟草机械
烟草机械
烟草机械
通用技术条件
通用技术条件
通用技术条件
通用技术条件
通用技术条件
装有电子器件的电控设备
电气装配
产品图样及设计文件基本要求
烟草机械产品命名方法
烟草机械
烟草机械
烟草机械
YJ16型卷烟机
YJ26型滤嘴接装机
YJ35、YJ35A型装盘机
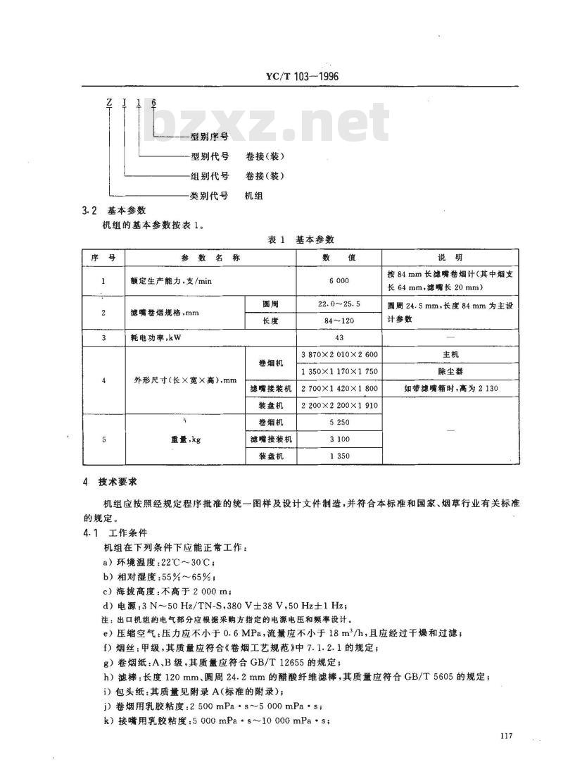
分类与命名按YC/T1和YC/T15执行。3.1型号
机组型号如下:
国家烟草专卖局1996-07-08批准116
1996-11-01实施
3.2基本参数
型别序号
型别代号
组别代号
类别代号
机组的基本参数按表1。
参数名称
额定生产能力,支/min
滤嘴卷烟规格,mm
耗电功率,kw
外形尺寸(长×宽×高),mm
重量,kg
4技术要求
YC/T 103—-1996
卷接(装)
卷接(装)
表 1基本参数
卷烟机
滤嘴接装机
装盘机
卷烟机
滤接装机
装盘机
22.0~25.5
84~120
3870×2 010×2 600
1350×1170X1750
2700×1420×1800
2200×2200×1910
按84mm长滤嘴卷烟计(其中烟支长64mm,滤嘴长20mm)
圆周24.5mm,长度84 mm为主设
计参数
除尘器
如带滤端箱时,高为2130
机组应按照经规定程序批准的统一图样及设计文件制造,并符合本标准和国家、烟草行业有关标准的规定。
4.1工作条件
机组在下列条件下应能正常工作:a)环境温度:22℃~30℃;
b)相对湿度:55%~~~65%,
c)海拔高度:不高于2000m;
d)电源:3N50Hz/TN-S,380V±38V,50Hz±1Hz注:出口机组的电气部分应根据采购方指定的电源电压和频率设计。e)压缩空气:压力应不小于0.6MPa,流量应不小于18m/h,且应经过干燥和过滤,f)烟丝:甲级,其质量应符合《卷烟工艺规范》中7.1.2、1的规定;g)卷烟纸:A、B级,其质量应符合GB/T12655的规定;h)滤棒:长度120mm、圆周24.2mm的醋酸纤维滤棒,其质量应符合GB/T5605的规定;i)包头纸:其质量见附录A(标准的附录);j)卷烟用乳胶粘度:2500mPa·s~5000mPa·s;k)接嘴用乳胶粘度:5000mPa·s~10000mPa·s;117
YC/T 103-1996
1)烟盘尺寸符合YC/T109—1996中3.2序号3。烟盘不应有明显的变形和缺损;m)油墨:应符合《卷烟.l艺规范》中7.1.2.5的规定。4.2使用性能
机组在符合4.1规定的工作条件下应能正常工作并达到下列要求:a)额定生产能力应不小于6000支/min;b)卷烟质量应符合GB5606.3的有关规定;c)有效运行率应不小于85%;
注:自前生产的机组有效运行率还较低,可暂按不小于80%考核,今后应逐步提高,达到本标准规定。d)烟丝、卷烟纸、滤嘴棒和包头纸的损耗率应符合《卷烟工艺规范》中7.1.1.5的规定;e)烟支在烟盘内方向应满足用户要求。4.3安全、卫生及环境保护
4.3.1对人身易造成伤害的运动部件及对机器易造成损坏的部位,应设置安全防护装置。4.3.2机组主传动系统和烟丝、滤棒(嘴)传递系统应设置过载安全停机装置,并在显示屏上显示故障原因和部位。
4.3.3绝缘电阻:电控设备非电连接的独立电路相互间及各带电回路与机壳之间的绝缘电阻应大于1MQ。
4.3.4介电强度:电控设备非电连接的独立电路相互间及带电回路与机壳之间,应能承受50Hz、1500V交流电压、持续1min的介电强度试验,无击穿或闪络现象。4.3.5保护接地:外部保护接线端子与电气设备任何裸露导体零件和机壳之间的电阻应小于0.12。4.3.6机组噪声声压级不应大于85dB(A)。4.4装配
4.4.1装配应符合YC/T10.11和YC/T10.16。4.4.2机组装配应符合YC/T101、YC/T102和YC/T109的有关要求。4.4.3组机组的各整机之间对接正确,能使烟支交接准确可靠,并保持交接前质量。4.5空载运行
机组应以额定速度连续空载运行不少于4h,并达到下列要求:a)机组运行正常可靠,控制系统应能满足空载运行所需的各种功能;b)各操作机构、电磁离合器、微动开关、限位开关等动作灵活、准确;c)传动系统运行平稳,应无松动、卡阻现象,无异常噪声和撞击声,各部件动作准确、协调一致,d)润滑系统工作可靠,润滑标志清晰,各润滑油路畅通,各润滑部位润滑良好;e)气路和润滑系统及其他部位均不应漏气、漏油;f)主轴部位等轴承达到稳定温度时其温度应不大于70C,温升应不大于40℃;g)电烙铁、搓烟板电热正常,通电15min之内电烙铁、搓烟板的温度控制仪器应能使电烙铁、搓烟板温度达到并保持在下列规定范围内:1)前烙铁300C~320℃;
2)后烙铁280℃~~300C;
3)搓烟板140℃~160℃;
h)高压风机运转正常,所产生的负压应能使风室烟道三孔处负压不小于6.668Pa,且自左至右依次增大,使烟道本体上排孔处负压不小于686Pa,下排三孔处负压不小于785Pa,且自左至右依次增大,
i)风机、风泵运转正常.风机应能使主墙板气腔的负压应不小于6.5kPa,风泵所产生的负压应不小于 10 kPa。
4.6负载运行
YC/T 103--1996
机组应以6000支/min的额定生产能力进行负载运行21h以上,并达到下列要求:a)机组运行正常,控制系统应能满足负载运行所需的各种功能;b)烟支、滤棒运行平稳、交接可靠;c)使用性能达到4.2的规定。
4.7外观
4.7.1外表面涂漆质量应符合YC/T10.100—1993中4.3.5的有关规定。
4.7.2各整机组成机组后涂漆色泽应协调。5试验方法
5.1额定生产能力
从生产能力数据显示表上直接读取。当发生争议时,用测速仪测量卷烟机主轴转速,当主轴转速不小于3000r/min时,则机组额定生产能力不小于6000支/min。5.2卷烟质量
滤嘴卷烟质量检验按《卷烟工艺规范》中9.2.3.29~~9.2.3.34和GB5606.3的有关规定。5.3有效运行率
机组以6000支/min的额定生产能力在连续运行三天,每天一班,每班不少于7h的考核时间(若不能保证每班7h考核运行时间,应延长该班工作时间或重新考核),有效运行率按式(1)计算:机组有效运行率(%)=实际合格量产量× 100额定产量
式中:额定产量=额定生产能力×(考核时间一非机组故障停机时间)..(1)
注:机组有效运行率的计算与采购方日常使用机组时有效作业率的考核是有区别的,后者存在资源配置、环境条件、企业管理等因素的影响!
5.4噪声
机组噪声声压级测试方法见附录B(标准的附录)。5.5电气安全性能
机组电气安全性能测试方法按YC/T10.14—1993中4.2~~4.4执行。5.6轴承温度
用点温计在轴承表面可测部位测量。5.7电烙铁、搓烟板温度
从温度控制仪上直接读取。
5.8风室烟道和烟道本体负压值
用负压表插人孔中测量。
5.9风机、风泵负压值
分别从压力表上直接读取。
6检验
6.1出」检验
6.1.1机组出厂前应按4.3~4.5和4.7及7.1、7.2.1、7.2.2进行检验。6.1.2机组应经制造厂质量检验部门检验合格,并附有产品合格证方可出厂。6.2验收检验
6.2.1机组应按4.5和4.6进行验收检验6.2.2机组验收检验宜在用户方进行。验收检验时,应作好工作条件记录和验收记录,作为验收凭证。工作条件记录和验收记录见附录C(标准的附录)。119
6.3型式检验
YC/T103-—1996
6.3.1有下列情况之一时,机组应进行型式检验:a)新产品或老产品转厂生产的试制定型鉴定;b)正式生产后,如设计有较大改变,可能影响机组性能时;c)正常生产时,每积累50套产量后,应周期性进行一次检验;d)机组停产三年后恢复生产时;e)出厂检验结果与上次型式检验有较大差异时;f)国家技术监督机构提出进行型式检验的要求时。6.3.2型式检验的项目为本标准所有技术要求及产品质量特性重要度分级表中的关键特性项目和重要特性项目。
6.3.3型式检验的机组应在出厂检验合格的产品中随机抽取,抽样率10%,但应不少于二套。6.4判定规则
6.4.1在各项检验中,检验结果均符合本标准的规定时,则判定产品为合格。6.4.2在检验中,当某项指标未达到本标准规定时,允许调试后进行复验,若复验两次仍达不到规定时,则判定产品为不合格。
7标志、包装、运输及贮存
7.1标志
7.1.1标志应符合GB2894.GB/T13306有关规定。铭牌内容至少应包括:a)机组型号及名称;
b)额定生产能力;
c)制造厂名称;
d)出广日期和出厂编号。
7.1.2包装、运输及贮存标志应符合YC/T10.12—1993中3.5的规定。7.2包装、运输及贮存
7.2.1包装应符合YC/T10.12的有关规定。7.2.2随机文件应符合YC/T11.2的有关规定7.2.3运输、贮存应符合YC/T10.12-—1993中第4章的要求。在开箱验货前,若采购方在露天放置包装箱时,应采取防雨、水措施。8产品责任
产品责任宜在采购方同供方签订的合同中予以明确。注
1建议至少在合同中明确:采购方在遵守本标准和使用说明书规定的条件下,机组自开箱验货确认无误之日起13个月内,若因制造质量而不能正常使用,供方应及时免费修理或更换。2采购方与供方商定的不同于本标准规定的技术要求,应在合同中予以明确。如机组有效运行率。120
YC/T103—1996
附录A
(标准的附录)
包头纸质量要求
A1包头纸为盘纸。盘纸宽度为48mm士0.5mm。包头纸的质量指标应符合表A1规定:A2
指标名称
定量,g/m2
紧度·g/cm3
纵向伸长率,%
纵向抗张力,N
施胶度,mm
水分,%
允许误差
2~3级
A3纸张纤维组织均勾。纸面应平整,不应有严重泡泡纱、鸡爪印等。不应有折子、皱纹、砂眼、硬质块及迎光可见的孔眼等影响使用的外观缺陷。A4应对纸面进行轻微施胶,以适合卷制烟支滤嘴的需要A5纸的切边应整齐、洁净,每只盘纸接头不应多于五个,接头处应有标记,接头应接牢,胶水不应过多,不应粘住它层纸页。
附录B
(标准的附录)
机组噪声声压级的测定
B1测试环境
机组周不应放置障碍物。
B1.2机组与墙壁的距离不应少于2000mm。B1.3背景噪声的要求按GB/T3768--1983中的3.2执行。B1.4在进行测量时,机组应处在正常运行状态。B2
测试仪器
测量机组噪声声压级应用精密声级计,A计权网络,测试仪器按GB/T3768一1983中第4章执行。B3测量方法
B3.1传声器应面向机组噪声源,并与水平面平行。B3.2传声器距离地面高度1500mm。B3.3传声器到机组的距离1000mm。B3.4测点数与测点布置如图B1所示。B3.5背景噪声的修正按GB/T3768—1983中6.5执行。121
声压级计算
蒙發装机
YC/T 103—1996
卷烟机
测点布置图
机组噪声声压级的计算按GB/T3768—1983中7.1执行。附录C
(标准的附录)
工作条件记录和验收记录
C1工作条件记录见表C1。
产品型号、名称
制造厂名称
制造日期、出厂编号
测试地点、时间
测试人员(签字)
环境温度
相对湿度
海拔高度
电源:3N~50Hz/TN-S
压缩空气压力
压缩空气流量
烟丝(甲级)质量
卷烟纸(A、B级)质量
YC/T 103---1996
表C1工作条件记录
ZJ16型卷接机组
标准规定
20℃~30℃
55%~65%
≤2000m
380V±38V
50 Hz±1 Hz
≥0.6 MPa
≥18 m/h
符合《卷烟工艺规范》
中7.1.2.2的规定
符合GB/T12655规定
滤棒(长120mm,圆周24.2mm醋
酸纤维滤棒)
包头纸质量
卷烟用乳胶粘度
接嘴用乳胶粘度
评价:
符合GB/T5605规定
符合附录A规定
2 500 mPa- s
5 000 mPa* s
5 000 mPa - s~
10 000 mPa * s
验收记录见表C2
产品型号、名称
制造厂名称
制造日期、出厂编号
验收地点、时间
项目名称
额定生产能力
卷烟质量
有效运行率
卷烟纸、烟丝、滤嘴棒和包头纸损耗率
机组运行正常,控制系统功能齐全、稳定
结论:
采购方代表(签字):
供方代表(签字):
YC/T 103—1996
验收记录
2J16型卷接机组
标准规定
≥6 000 支/min
符合 GB5606.3
有关规定
≥85%
符合《卷烟工艺规范》
中7.1.1.5的规定
采购方单位(签章):
供方单位(签章):
年月日
小提示:此标准内容仅展示完整标准里的部分截取内容,若需要完整标准请到上方自行免费下载完整标准文档。
本标准规定了ZJ16型卷接机组的技术要求、试验方法、检验、标志、包装、运输及贮存等。可作为ZJ16型卷接机组生产、质量检验、选购验收、使用维护、修理和洽谈贸易的技术依据。ZJ16型卷接机组由YJ16型卷烟机、YJ26型滤嘴接装机和YJ35型装盘机组成。与本标准相关的产品标准有:
YC/T101-1996
烟草机械YJ16型卷烟机;
YJ26型滤嘴接装机:
YC/T 102--1996
烟草机械
YJ35、YJ35A型装盘机。
YC/T109-1996烟草机械
本标准从1996年11月1日起实施,1997年11月1日起所有制造的ZJ16型卷接机组,均应符合本标准的规定。
本标准的附录 A、附录 B、附录 C都是标准的附录。本标准由国家烟草专卖局提出。本标准由全国烟草标准化技术委员会归口。本标准起草单位:常德烟草工业机械厂。本标准主要起草人:徐祖发、刘建军、高绍梁、王志远、诸扬振。115
1范围
中华人民共和国烟草行业标准
烟草机械
ZJ16型卷接机组
Tobacco machinery
Model ZJ16 cigarette making and filter assembling groupYC/T 103-1996
本标准规定了ZJ16型卷接机组的技术要求、试验方法、检验、标志、包装、运输及贮存等。本标准适用于ZJ16型卷接机组(以下简称机组)。2引用标准
下列标准所包含的条文,通过在本标准中引用而构成为本标准的条文。本标准出版时,所示版本均为有效。所有标准都会被修订,使用本标准的各方应探讨使用下列标准最新版本的可能性。GB 2894--1988
安全标志
GB/T3768—1983
GB/T 5605—1988
GB 5606.3—1996
简易法
噪声源声功率级的测定
醋酸纤维滤棒
卷烟卷制技术要求
GB/T 12655-1990
GB/T 13306—1991
YC/T 1--1994
卷烟纸
烟草机械产品型号编制规则
YC/T 10.10-
YC/T 10.11--1993
YC/T 10. 12-
YC/T 10.14—1993
YC/T 10. 16-
YC/T 11. 2--1993
YC/T 15—1994
YC/T 101---1996
YC/T102—1996
YC/T 109-—1996
卷烟工艺规范
3分类与命名
烟草机械
烟草机械免费标准下载网bzxz
烟草机械
烟草机械
烟草机械
烟草机械
通用技术条件
通用技术条件
通用技术条件
通用技术条件
通用技术条件
装有电子器件的电控设备
电气装配
产品图样及设计文件基本要求
烟草机械产品命名方法
烟草机械
烟草机械
烟草机械
YJ16型卷烟机
YJ26型滤嘴接装机
YJ35、YJ35A型装盘机
分类与命名按YC/T1和YC/T15执行。3.1型号
机组型号如下:
国家烟草专卖局1996-07-08批准116
1996-11-01实施
3.2基本参数
型别序号
型别代号
组别代号
类别代号
机组的基本参数按表1。
参数名称
额定生产能力,支/min
滤嘴卷烟规格,mm
耗电功率,kw
外形尺寸(长×宽×高),mm
重量,kg
4技术要求
YC/T 103—-1996
卷接(装)
卷接(装)
表 1基本参数
卷烟机
滤嘴接装机
装盘机
卷烟机
滤接装机
装盘机
22.0~25.5
84~120
3870×2 010×2 600
1350×1170X1750
2700×1420×1800
2200×2200×1910
按84mm长滤嘴卷烟计(其中烟支长64mm,滤嘴长20mm)
圆周24.5mm,长度84 mm为主设
计参数
除尘器
如带滤端箱时,高为2130
机组应按照经规定程序批准的统一图样及设计文件制造,并符合本标准和国家、烟草行业有关标准的规定。
4.1工作条件
机组在下列条件下应能正常工作:a)环境温度:22℃~30℃;
b)相对湿度:55%~~~65%,
c)海拔高度:不高于2000m;
d)电源:3N50Hz/TN-S,380V±38V,50Hz±1Hz注:出口机组的电气部分应根据采购方指定的电源电压和频率设计。e)压缩空气:压力应不小于0.6MPa,流量应不小于18m/h,且应经过干燥和过滤,f)烟丝:甲级,其质量应符合《卷烟工艺规范》中7.1.2、1的规定;g)卷烟纸:A、B级,其质量应符合GB/T12655的规定;h)滤棒:长度120mm、圆周24.2mm的醋酸纤维滤棒,其质量应符合GB/T5605的规定;i)包头纸:其质量见附录A(标准的附录);j)卷烟用乳胶粘度:2500mPa·s~5000mPa·s;k)接嘴用乳胶粘度:5000mPa·s~10000mPa·s;117
YC/T 103-1996
1)烟盘尺寸符合YC/T109—1996中3.2序号3。烟盘不应有明显的变形和缺损;m)油墨:应符合《卷烟.l艺规范》中7.1.2.5的规定。4.2使用性能
机组在符合4.1规定的工作条件下应能正常工作并达到下列要求:a)额定生产能力应不小于6000支/min;b)卷烟质量应符合GB5606.3的有关规定;c)有效运行率应不小于85%;
注:自前生产的机组有效运行率还较低,可暂按不小于80%考核,今后应逐步提高,达到本标准规定。d)烟丝、卷烟纸、滤嘴棒和包头纸的损耗率应符合《卷烟工艺规范》中7.1.1.5的规定;e)烟支在烟盘内方向应满足用户要求。4.3安全、卫生及环境保护
4.3.1对人身易造成伤害的运动部件及对机器易造成损坏的部位,应设置安全防护装置。4.3.2机组主传动系统和烟丝、滤棒(嘴)传递系统应设置过载安全停机装置,并在显示屏上显示故障原因和部位。
4.3.3绝缘电阻:电控设备非电连接的独立电路相互间及各带电回路与机壳之间的绝缘电阻应大于1MQ。
4.3.4介电强度:电控设备非电连接的独立电路相互间及带电回路与机壳之间,应能承受50Hz、1500V交流电压、持续1min的介电强度试验,无击穿或闪络现象。4.3.5保护接地:外部保护接线端子与电气设备任何裸露导体零件和机壳之间的电阻应小于0.12。4.3.6机组噪声声压级不应大于85dB(A)。4.4装配
4.4.1装配应符合YC/T10.11和YC/T10.16。4.4.2机组装配应符合YC/T101、YC/T102和YC/T109的有关要求。4.4.3组机组的各整机之间对接正确,能使烟支交接准确可靠,并保持交接前质量。4.5空载运行
机组应以额定速度连续空载运行不少于4h,并达到下列要求:a)机组运行正常可靠,控制系统应能满足空载运行所需的各种功能;b)各操作机构、电磁离合器、微动开关、限位开关等动作灵活、准确;c)传动系统运行平稳,应无松动、卡阻现象,无异常噪声和撞击声,各部件动作准确、协调一致,d)润滑系统工作可靠,润滑标志清晰,各润滑油路畅通,各润滑部位润滑良好;e)气路和润滑系统及其他部位均不应漏气、漏油;f)主轴部位等轴承达到稳定温度时其温度应不大于70C,温升应不大于40℃;g)电烙铁、搓烟板电热正常,通电15min之内电烙铁、搓烟板的温度控制仪器应能使电烙铁、搓烟板温度达到并保持在下列规定范围内:1)前烙铁300C~320℃;
2)后烙铁280℃~~300C;
3)搓烟板140℃~160℃;
h)高压风机运转正常,所产生的负压应能使风室烟道三孔处负压不小于6.668Pa,且自左至右依次增大,使烟道本体上排孔处负压不小于686Pa,下排三孔处负压不小于785Pa,且自左至右依次增大,
i)风机、风泵运转正常.风机应能使主墙板气腔的负压应不小于6.5kPa,风泵所产生的负压应不小于 10 kPa。
4.6负载运行
YC/T 103--1996
机组应以6000支/min的额定生产能力进行负载运行21h以上,并达到下列要求:a)机组运行正常,控制系统应能满足负载运行所需的各种功能;b)烟支、滤棒运行平稳、交接可靠;c)使用性能达到4.2的规定。
4.7外观
4.7.1外表面涂漆质量应符合YC/T10.100—1993中4.3.5的有关规定。
4.7.2各整机组成机组后涂漆色泽应协调。5试验方法
5.1额定生产能力
从生产能力数据显示表上直接读取。当发生争议时,用测速仪测量卷烟机主轴转速,当主轴转速不小于3000r/min时,则机组额定生产能力不小于6000支/min。5.2卷烟质量
滤嘴卷烟质量检验按《卷烟工艺规范》中9.2.3.29~~9.2.3.34和GB5606.3的有关规定。5.3有效运行率
机组以6000支/min的额定生产能力在连续运行三天,每天一班,每班不少于7h的考核时间(若不能保证每班7h考核运行时间,应延长该班工作时间或重新考核),有效运行率按式(1)计算:机组有效运行率(%)=实际合格量产量× 100额定产量
式中:额定产量=额定生产能力×(考核时间一非机组故障停机时间)..(1)
注:机组有效运行率的计算与采购方日常使用机组时有效作业率的考核是有区别的,后者存在资源配置、环境条件、企业管理等因素的影响!
5.4噪声
机组噪声声压级测试方法见附录B(标准的附录)。5.5电气安全性能
机组电气安全性能测试方法按YC/T10.14—1993中4.2~~4.4执行。5.6轴承温度
用点温计在轴承表面可测部位测量。5.7电烙铁、搓烟板温度
从温度控制仪上直接读取。
5.8风室烟道和烟道本体负压值
用负压表插人孔中测量。
5.9风机、风泵负压值
分别从压力表上直接读取。
6检验
6.1出」检验
6.1.1机组出厂前应按4.3~4.5和4.7及7.1、7.2.1、7.2.2进行检验。6.1.2机组应经制造厂质量检验部门检验合格,并附有产品合格证方可出厂。6.2验收检验
6.2.1机组应按4.5和4.6进行验收检验6.2.2机组验收检验宜在用户方进行。验收检验时,应作好工作条件记录和验收记录,作为验收凭证。工作条件记录和验收记录见附录C(标准的附录)。119
6.3型式检验
YC/T103-—1996
6.3.1有下列情况之一时,机组应进行型式检验:a)新产品或老产品转厂生产的试制定型鉴定;b)正式生产后,如设计有较大改变,可能影响机组性能时;c)正常生产时,每积累50套产量后,应周期性进行一次检验;d)机组停产三年后恢复生产时;e)出厂检验结果与上次型式检验有较大差异时;f)国家技术监督机构提出进行型式检验的要求时。6.3.2型式检验的项目为本标准所有技术要求及产品质量特性重要度分级表中的关键特性项目和重要特性项目。
6.3.3型式检验的机组应在出厂检验合格的产品中随机抽取,抽样率10%,但应不少于二套。6.4判定规则
6.4.1在各项检验中,检验结果均符合本标准的规定时,则判定产品为合格。6.4.2在检验中,当某项指标未达到本标准规定时,允许调试后进行复验,若复验两次仍达不到规定时,则判定产品为不合格。
7标志、包装、运输及贮存
7.1标志
7.1.1标志应符合GB2894.GB/T13306有关规定。铭牌内容至少应包括:a)机组型号及名称;
b)额定生产能力;
c)制造厂名称;
d)出广日期和出厂编号。
7.1.2包装、运输及贮存标志应符合YC/T10.12—1993中3.5的规定。7.2包装、运输及贮存
7.2.1包装应符合YC/T10.12的有关规定。7.2.2随机文件应符合YC/T11.2的有关规定7.2.3运输、贮存应符合YC/T10.12-—1993中第4章的要求。在开箱验货前,若采购方在露天放置包装箱时,应采取防雨、水措施。8产品责任
产品责任宜在采购方同供方签订的合同中予以明确。注
1建议至少在合同中明确:采购方在遵守本标准和使用说明书规定的条件下,机组自开箱验货确认无误之日起13个月内,若因制造质量而不能正常使用,供方应及时免费修理或更换。2采购方与供方商定的不同于本标准规定的技术要求,应在合同中予以明确。如机组有效运行率。120
YC/T103—1996
附录A
(标准的附录)
包头纸质量要求
A1包头纸为盘纸。盘纸宽度为48mm士0.5mm。包头纸的质量指标应符合表A1规定:A2
指标名称
定量,g/m2
紧度·g/cm3
纵向伸长率,%
纵向抗张力,N
施胶度,mm
水分,%
允许误差
2~3级
A3纸张纤维组织均勾。纸面应平整,不应有严重泡泡纱、鸡爪印等。不应有折子、皱纹、砂眼、硬质块及迎光可见的孔眼等影响使用的外观缺陷。A4应对纸面进行轻微施胶,以适合卷制烟支滤嘴的需要A5纸的切边应整齐、洁净,每只盘纸接头不应多于五个,接头处应有标记,接头应接牢,胶水不应过多,不应粘住它层纸页。
附录B
(标准的附录)
机组噪声声压级的测定
B1测试环境
机组周不应放置障碍物。
B1.2机组与墙壁的距离不应少于2000mm。B1.3背景噪声的要求按GB/T3768--1983中的3.2执行。B1.4在进行测量时,机组应处在正常运行状态。B2
测试仪器
测量机组噪声声压级应用精密声级计,A计权网络,测试仪器按GB/T3768一1983中第4章执行。B3测量方法
B3.1传声器应面向机组噪声源,并与水平面平行。B3.2传声器距离地面高度1500mm。B3.3传声器到机组的距离1000mm。B3.4测点数与测点布置如图B1所示。B3.5背景噪声的修正按GB/T3768—1983中6.5执行。121
声压级计算
蒙發装机
YC/T 103—1996
卷烟机
测点布置图
机组噪声声压级的计算按GB/T3768—1983中7.1执行。附录C
(标准的附录)
工作条件记录和验收记录
C1工作条件记录见表C1。
产品型号、名称
制造厂名称
制造日期、出厂编号
测试地点、时间
测试人员(签字)
环境温度
相对湿度
海拔高度
电源:3N~50Hz/TN-S
压缩空气压力
压缩空气流量
烟丝(甲级)质量
卷烟纸(A、B级)质量
YC/T 103---1996
表C1工作条件记录
ZJ16型卷接机组
标准规定
20℃~30℃
55%~65%
≤2000m
380V±38V
50 Hz±1 Hz
≥0.6 MPa
≥18 m/h
符合《卷烟工艺规范》
中7.1.2.2的规定
符合GB/T12655规定
滤棒(长120mm,圆周24.2mm醋
酸纤维滤棒)
包头纸质量
卷烟用乳胶粘度
接嘴用乳胶粘度
评价:
符合GB/T5605规定
符合附录A规定
2 500 mPa- s
5 000 mPa* s
5 000 mPa - s~
10 000 mPa * s
验收记录见表C2
产品型号、名称
制造厂名称
制造日期、出厂编号
验收地点、时间
项目名称
额定生产能力
卷烟质量
有效运行率
卷烟纸、烟丝、滤嘴棒和包头纸损耗率
机组运行正常,控制系统功能齐全、稳定
结论:
采购方代表(签字):
供方代表(签字):
YC/T 103—1996
验收记录
2J16型卷接机组
标准规定
≥6 000 支/min
符合 GB5606.3
有关规定
≥85%
符合《卷烟工艺规范》
中7.1.1.5的规定
采购方单位(签章):
供方单位(签章):
年月日
小提示:此标准内容仅展示完整标准里的部分截取内容,若需要完整标准请到上方自行免费下载完整标准文档。
标准图片预览:





- 其它标准
- 热门标准
- 烟草行业标准(YC)
- YC/T207-2014 烟用纸张中溶剂残留的测定 顶空气相色谱质谱联用法
- YC/T10.5-2006 烟草机械 通用技术条件 第5部分:球墨铸铁件
- YC/T169.10-2002 烟用丝束测定系列标准 第10部分:残余丙酮含量
- YC/Z240-2008 烟草及烟草制品标准体系
- YC/T214.3-2006 烟草机械 二氧化碳膨胀叶丝生产线 第3部分:验收导则
- YC/T304-2009 烟草商业企业卷烟物流配送中心绩效评价
- YC/T11.6-1993 烟草机械 产品图样及设计文件 更改办法
- YC/T169.1-2002 烟用丝束测定系列标准 第1部分:丝束线密度
- YC/T89.2-1996 烟草机械 振动式筛分机 第2部分:技术条件
- YC301-2009 储烟虫害治理 磷化氢与二氧化碳混合熏蒸安全规程
- YC/T493.1-2014 烟草行业企业应用集成技术规范 第1部分门户集成
- YC/T145.3-2012 烟用香精 折光指数的测定
- YC/T176-2003 烟草及烟草制品 石油醚提取物的测定
- YC/T174-2003 烟草及烟草制品 钙的测定 原子吸收法
- YC/T145.5-1998 烟用香精澄清度的评估
- 行业新闻
请牢记:“bzxz.net”即是“标准下载”四个汉字汉语拼音首字母与国际顶级域名“.net”的组合。 ©2025 标准下载网 www.bzxz.net 本站邮件:bzxznet@163.com
网站备案号:湘ICP备2025141790号-2
网站备案号:湘ICP备2025141790号-2