- 您的位置:
- 标准下载网 >>
- 标准分类 >>
- 城镇建设行业标准(CJ) >>
- CJ/T 3051-1995 锤式垃圾破碎机
标准号:
CJ/T 3051-1995
标准名称:
锤式垃圾破碎机
标准类别:
城镇建设行业标准(CJ)
标准状态:
现行-
发布日期:
1995-12-26 -
实施日期:
1994-12-01 出版语种:
简体中文下载格式:
.rar.pdf下载大小:
118.35 KB
部分标准内容:
中华人民共和国城镇建设行业标准CJ/T3051—1995
锤式垃圾破碎机
Hammer waste crushers
1995-12-26发布
中华人民共和国建设部发布
1996-06-30实施
引用标准
型号及基本参数
技术要求·
试验方法
检验规则
标志、包装、运输和贮存
保证期
KAONi KAca-
CJ/T3051—1995
本标准为首次制订。
本标准由建设部标准定额研究所提出。言
本标准由建设部城镇环境卫生标准技术归口单位上海市环境卫生管理局归口。本标准由天津市环境卫生工程设计研究所负责起草。,本标准起草人:刘伯群。
本标准委托天津市环境卫生工程设计研究所负责解释。1范围
中华人民共和国城镇建设行业标准锤式垃圾破碎机
Hammer waste crushers
CJ/T 30511995
本标准规定了锤式垃圾破碎机的破碎形式和基本参数、技术要求、试验方法,检验规则及标志、包装、运输、贮存等内容。
本标准适用于破碎生活垃圾转子直径为800 mm的垃圾破碎机的制造、试验和验收。2引用标准
下列标准所包含的条文,通过在本标准中引用而构成为本标准的条文。本标准出版时,所示版本均为有效。所有标准都会被修订,使用本标准的各方应探讨使用下列标准最新版本的可能性。GB699优质碳素结构钢技术条件
GB1184形状和位置公差未注公差的规定GB 1804
一般公差线性尺寸的未注公差
噪声源声功率级的测定简易法
GB 3768
JB8产品标牌
矿山、工程、起重运输机械产品涂漆颜色和安全标志JB2299
JB 2759
机电产品包装通用技术条件
CJ/T3035,城镇建设和建筑工业产品型号编制规则3定义
本标准采用下列定义:
3.1转子
旋转的破碎工作部件。
3.2锤头
固定在转子上的刚性零件。
3.3反击刃板
静止的破碎工作部件。免费标准下载网bzxz
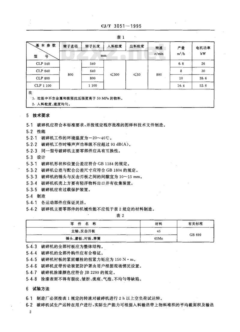
4型号及基本参数
4.1垃圾破碎机型号编制按CJ/T3035规定执行。4.2破碎机的基本参数应符合表1的规定。中华人民共和国建设部1995-12-26批准KAoNiKAca-
1996-06-30实施
本参数
CLP540
CLP640
CLP800
CLP1100
转子直径
转子长度
CJ/T3051-—1995
人料粒度
1.垃圾中不含金属和极限抗压强度高于50MPa的物料,2.入料粒度、速度均匀。
技术要求
出料粒度
5.1破碎机应符合本标准要求,并按规定程序批推的图样和技术文件制造。5.2性能
5.2.1破碎机工作的环境温度为一20~40℃。5.2.2破碎机工作时噪声声功率级不应超过93dB(A)。5.2.3,同一型号破碎机主要零部件应具有互换性。5.3设计
5.3.1破碎机形状和位置公差应符合GB1184的规定。5.3.2破碎机公差与配合公差尺寸应符合GB1804的规定。5.3.3破碎机的锤头与反击刃板之间的间隙宜为10~15mm。5.3.4破碎机机壳上方要有轻浮物料出口并有收集装置。5.3.5破碎机应有过载保护装置。5.4制造
各运动部件应保证灵活。
5.4.2破碎机主要零部件的机械性能不应低于表2规定的材料制造。表2
零件名称
主轴、反击刃板
锤头、磨板、衬板、弹簧
5.4.3破碎机的全部衬板应为整体结构。5.4.4破碎机的全部外购件应有合格证。5.4.5破碎机衬板的紧固螺栓的扭紧力矩应为150N·m。5.4.6破碎机皮带传动装置防护罩由用户根据现场情况设置。5.4.7破碎机涂漆颜色应符合JB2299的规定。5.4.8涂漆表面不得有裂纹、皱折、流痕、气泡、不均匀等缺陷。6试验方法
6.1制造厂必须按表1规定的转速对破碎机进行2h以上空负荷试运转。产量
电机功率
有关标准
6.2破碎机试生产运转在用户进行,实际生产能力可根据入料输送带上物料堆积的平均截面积及输送2
带速度计算。
CJ/T 3051—1995
6.3投入含水率为50%~~60%的垃圾持续时间不应大于10min。6.4投入单位时间生产能力的10%~15%的极限抗压强度应为50MPa的垃圾,持续时间不应大于5 min。
6.5破碎机工作噪声的测定应符合GB3768的规定。6.6长度大于800mm的转子必须做动平衡实验。6.7破碎机要作过载保护试验。
7检验规则
7.1每台破碎机必须经检验,合格后方可出厂。7.2破碎机空负荷试运转应符合下列要求:7.2.1无异常噪声。
7.3破碎机试生产运转应满足下列要求:7.3.1轴承温升不应大于40℃,最高温度不应大于80℃。7.3.2破碎机工作噪声应满足5.2.2的规定。7.3.3按6.3的方法投料无堵塞现象。7.3.4按6.4的方法投料无转子卡住现象。7.4转子动平衡试验要小于许用偏心距数值。7.5过载保护装置应安全可靠。
8标志、包装、运输和贮存
8.1标志
每台破碎机应在明显的位置上牢固固定产品铭牌,其尺寸及技术要求应符合IB8的规定,铭牌内容应包括:
产品的名称和型号;
主要技术参数:主机转速(r/min)、产量(m/h)、电机功率(kW)、机器重量(t);b.
产品制造编号和出厂日期:
制造厂名称。
8.2包装和运输
破碎机装箱前凡外露加工表面必须涂以防锈油剂。破碎机的包装应符合JB2759的规定。随同破碎机装箱的技术文件应封存在防水袋内,内容包括:装箱单,
产品合格证;
使用说明书;
安装地基图。
包装箱外壁应有明显标志,内容包括:a..产品名称、型号、出厂编号;b.
收货单位名称和地址、邮政编码;制造广名称和地址、邮政编码;外型尺寸、毛重、净重;
标有保证产品安全运输的防雨、切勿倒置、吊装部位等标志。8.3贮存
HKAoNiKAca
CJ/T3051—1995
破碎机在安装使用前应存放在干燥、通风、有遮蔽的场所。9保证期
在用户恰当选用产品和遵守使用及贮存的条件下,从破碎机发货之日起不超过18个月,产品因制造质量不良而发生损坏或不能正常工作时,制造厂应免费为用户修理机器或更换零件(不包括易损件)。
小提示:此标准内容仅展示完整标准里的部分截取内容,若需要完整标准请到上方自行免费下载完整标准文档。
锤式垃圾破碎机
Hammer waste crushers
1995-12-26发布
中华人民共和国建设部发布
1996-06-30实施
引用标准
型号及基本参数
技术要求·
试验方法
检验规则
标志、包装、运输和贮存
保证期
KAONi KAca-
CJ/T3051—1995
本标准为首次制订。
本标准由建设部标准定额研究所提出。言
本标准由建设部城镇环境卫生标准技术归口单位上海市环境卫生管理局归口。本标准由天津市环境卫生工程设计研究所负责起草。,本标准起草人:刘伯群。
本标准委托天津市环境卫生工程设计研究所负责解释。1范围
中华人民共和国城镇建设行业标准锤式垃圾破碎机
Hammer waste crushers
CJ/T 30511995
本标准规定了锤式垃圾破碎机的破碎形式和基本参数、技术要求、试验方法,检验规则及标志、包装、运输、贮存等内容。
本标准适用于破碎生活垃圾转子直径为800 mm的垃圾破碎机的制造、试验和验收。2引用标准
下列标准所包含的条文,通过在本标准中引用而构成为本标准的条文。本标准出版时,所示版本均为有效。所有标准都会被修订,使用本标准的各方应探讨使用下列标准最新版本的可能性。GB699优质碳素结构钢技术条件
GB1184形状和位置公差未注公差的规定GB 1804
一般公差线性尺寸的未注公差
噪声源声功率级的测定简易法
GB 3768
JB8产品标牌
矿山、工程、起重运输机械产品涂漆颜色和安全标志JB2299
JB 2759
机电产品包装通用技术条件
CJ/T3035,城镇建设和建筑工业产品型号编制规则3定义
本标准采用下列定义:
3.1转子
旋转的破碎工作部件。
3.2锤头
固定在转子上的刚性零件。
3.3反击刃板
静止的破碎工作部件。免费标准下载网bzxz
4型号及基本参数
4.1垃圾破碎机型号编制按CJ/T3035规定执行。4.2破碎机的基本参数应符合表1的规定。中华人民共和国建设部1995-12-26批准KAoNiKAca-
1996-06-30实施
本参数
CLP540
CLP640
CLP800
CLP1100
转子直径
转子长度
CJ/T3051-—1995
人料粒度
1.垃圾中不含金属和极限抗压强度高于50MPa的物料,2.入料粒度、速度均匀。
技术要求
出料粒度
5.1破碎机应符合本标准要求,并按规定程序批推的图样和技术文件制造。5.2性能
5.2.1破碎机工作的环境温度为一20~40℃。5.2.2破碎机工作时噪声声功率级不应超过93dB(A)。5.2.3,同一型号破碎机主要零部件应具有互换性。5.3设计
5.3.1破碎机形状和位置公差应符合GB1184的规定。5.3.2破碎机公差与配合公差尺寸应符合GB1804的规定。5.3.3破碎机的锤头与反击刃板之间的间隙宜为10~15mm。5.3.4破碎机机壳上方要有轻浮物料出口并有收集装置。5.3.5破碎机应有过载保护装置。5.4制造
各运动部件应保证灵活。
5.4.2破碎机主要零部件的机械性能不应低于表2规定的材料制造。表2
零件名称
主轴、反击刃板
锤头、磨板、衬板、弹簧
5.4.3破碎机的全部衬板应为整体结构。5.4.4破碎机的全部外购件应有合格证。5.4.5破碎机衬板的紧固螺栓的扭紧力矩应为150N·m。5.4.6破碎机皮带传动装置防护罩由用户根据现场情况设置。5.4.7破碎机涂漆颜色应符合JB2299的规定。5.4.8涂漆表面不得有裂纹、皱折、流痕、气泡、不均匀等缺陷。6试验方法
6.1制造厂必须按表1规定的转速对破碎机进行2h以上空负荷试运转。产量
电机功率
有关标准
6.2破碎机试生产运转在用户进行,实际生产能力可根据入料输送带上物料堆积的平均截面积及输送2
带速度计算。
CJ/T 3051—1995
6.3投入含水率为50%~~60%的垃圾持续时间不应大于10min。6.4投入单位时间生产能力的10%~15%的极限抗压强度应为50MPa的垃圾,持续时间不应大于5 min。
6.5破碎机工作噪声的测定应符合GB3768的规定。6.6长度大于800mm的转子必须做动平衡实验。6.7破碎机要作过载保护试验。
7检验规则
7.1每台破碎机必须经检验,合格后方可出厂。7.2破碎机空负荷试运转应符合下列要求:7.2.1无异常噪声。
7.3破碎机试生产运转应满足下列要求:7.3.1轴承温升不应大于40℃,最高温度不应大于80℃。7.3.2破碎机工作噪声应满足5.2.2的规定。7.3.3按6.3的方法投料无堵塞现象。7.3.4按6.4的方法投料无转子卡住现象。7.4转子动平衡试验要小于许用偏心距数值。7.5过载保护装置应安全可靠。
8标志、包装、运输和贮存
8.1标志
每台破碎机应在明显的位置上牢固固定产品铭牌,其尺寸及技术要求应符合IB8的规定,铭牌内容应包括:
产品的名称和型号;
主要技术参数:主机转速(r/min)、产量(m/h)、电机功率(kW)、机器重量(t);b.
产品制造编号和出厂日期:
制造厂名称。
8.2包装和运输
破碎机装箱前凡外露加工表面必须涂以防锈油剂。破碎机的包装应符合JB2759的规定。随同破碎机装箱的技术文件应封存在防水袋内,内容包括:装箱单,
产品合格证;
使用说明书;
安装地基图。
包装箱外壁应有明显标志,内容包括:a..产品名称、型号、出厂编号;b.
收货单位名称和地址、邮政编码;制造广名称和地址、邮政编码;外型尺寸、毛重、净重;
标有保证产品安全运输的防雨、切勿倒置、吊装部位等标志。8.3贮存
HKAoNiKAca
CJ/T3051—1995
破碎机在安装使用前应存放在干燥、通风、有遮蔽的场所。9保证期
在用户恰当选用产品和遵守使用及贮存的条件下,从破碎机发货之日起不超过18个月,产品因制造质量不良而发生损坏或不能正常工作时,制造厂应免费为用户修理机器或更换零件(不包括易损件)。
小提示:此标准内容仅展示完整标准里的部分截取内容,若需要完整标准请到上方自行免费下载完整标准文档。
标准图片预览:





- 其它标准
- 热门标准
- 城镇建设行业标准(CJ)
- CJ/T121-2000 再生树脂复合材料检查井盖
- CJJ11-1993 城市桥梁设计准则
- CJ/T449-2014 切断型膜式燃气表
- CJ/T114-2000 高密度聚乙烯外护管聚氨酯泡沫塑料预制直埋保温管
- CJ/T208-2005 可曲挠橡胶接头
- CJ/T3008.2-1993 城市排水流量堰槽测量标准 矩形薄壁堰
- CJ/T3013.1-1993 给水输配专用管件--可曲挠橡胶接头
- CJ/T261-2007 给水排水用蝶阀
- CJ/T112-2008 IC卡膜式燃气表
- CJJ/T81-2013 城镇供热直埋热水管道技术规程
- CJJ/T82-1999 城市绿化工程施工及验收规范
- CJ266-2008 饮用水冷水水表安全规则
- CJ/T313-2009 生活垃圾采样和分析方法
- CJJ/T210-2014 城镇排水管道非开挖修复更新工程技术规程
- CJ/T442-2013 建筑排水低噪声硬聚氯乙烯(PVC-U)管材
- 行业新闻
请牢记:“bzxz.net”即是“标准下载”四个汉字汉语拼音首字母与国际顶级域名“.net”的组合。 ©2025 标准下载网 www.bzxz.net 本站邮件:bzxznet@163.com
网站备案号:湘ICP备2025141790号-2
网站备案号:湘ICP备2025141790号-2