- 您的位置:
- 标准下载网 >>
- 标准分类 >>
- 国家标准(GB) >>
- GB/T 10819-2005 木制底盘
标准号:
GB/T 10819-2005
标准名称:
木制底盘
标准类别:
国家标准(GB)
英文名称:
Wooden skid标准状态:
现行-
发布日期:
2005-05-25 -
实施日期:
2005-11-01 出版语种:
简体中文下载格式:
.rar.pdf下载大小:
370.57 KB
标准ICS号:
货物的包装和调运>>货运调运>>55.180.20通用托盘中标分类号:
综合>>标志、包装、运输、贮存>>A85集装箱、托盘、货架
替代情况:
GB/T 10819-1989采标情况:
MOD JIS Z 1405:1984
点击下载
标准简介:
标准下载解压密码:www.bzxz.net
本标准规定了内装物质量为500 kg~40 ooo kg的运输包装用木制底盘的结构型式、构件尺寸、试验方法等。本标准适用于木制底盘的设计、生产制造。 GB/T 10819-2005 木制底盘 GB/T10819-2005
本标准规定了内装物质量为500 kg~40 ooo kg的运输包装用木制底盘的结构型式、构件尺寸、试验方法等。
本标准适用于木制底盘的设计、生产制造。
部分标准内容:
ICS55.180.20
中华人民共和国国家标准
GB/T10819—2005
代替GB/T10819--1989
木制底盘
Wooden skid
2005-05-25发布
中华人民共和国国家质量监督检验检疫总局数码肪伪
中国国家标准化管理委员会
2005-11-01实施
GB/T10819—2005
本标准修改采用日本工业规格JISZ1405-84《木制底盘(出口商品包装用)》。对GB10819—-1989《运输包装用木制底盘》进行修订。与JISZ1405标准相比,主要差异如下:按照汉语习惯对标准中的一些编排顺序进行了修改;—适用范围由500kg~60000kg改为500kg~40000kg;一增加了叉车搬运的概念;
一增加了术材防虫害处理的要求;本标推与GB10819—1989相比主要变化如下:增加了叉车搬运的概念;
增加了木材防虫害处理的要求。本标准自实施之日起,同时代替GB10819-1989。本标准由中国机械工业联合会提出。本标准由全国包装标准化技术委员会归口。本标推主要起草单位:中机生产力促进中心、北京航天万源电器公司、北京方大华远包装制品有限公司。
本标准主要起草人:黄雪、周澍、张晓建、穆林、司维新。1范围
木制底盘
GB/T10819—2005
本标准规定了内装物质量为500kg~40000kg的运输包装用木制底盘(以下简称底盘)的结构型式、构件尺寸、试验方法等。
本标准适用于术制底盘的设计、生产制造。2规范性引用文件
下列文件中的条款通过本标准的引用而成为本标准的条款。凡是注日期的引用文件,其随后所有的修改单(不包括勘误的内容)或修订版均不适用于本标准,然雨,鼓励根据本标准达成协议的各方研究是否可使用这些文件的最新版本。凡是不注日期的引用文件,其最新版本适用于本标准。六角螺母C级
GB/T41
GB/T95
平垫圈C级
GB/T96.2大垫圈C级
GB/T953
GB/T5398
等长双头螺柱C级
大型运输包装件试验方法
六角头螺栓C级
GB/T5780
GB/T13384
GB/T18927
GJB2711
YB/T025
机电产品包装通用技术条件
包装容器金属辅件
军用运输包装件试验方法
包装用钢带
YB/T5002
一般用途圆钢钉
3结构型式
底盘的结构型式根据储运过程中的装卸方式按表1划分。表1底盘类型
装卸方式
利用底盘进行起吊或滚杠、叉车装卸、搬运直接起吊内装物本身,仅利用底盘进行滚杠装卸、搬运适用范围
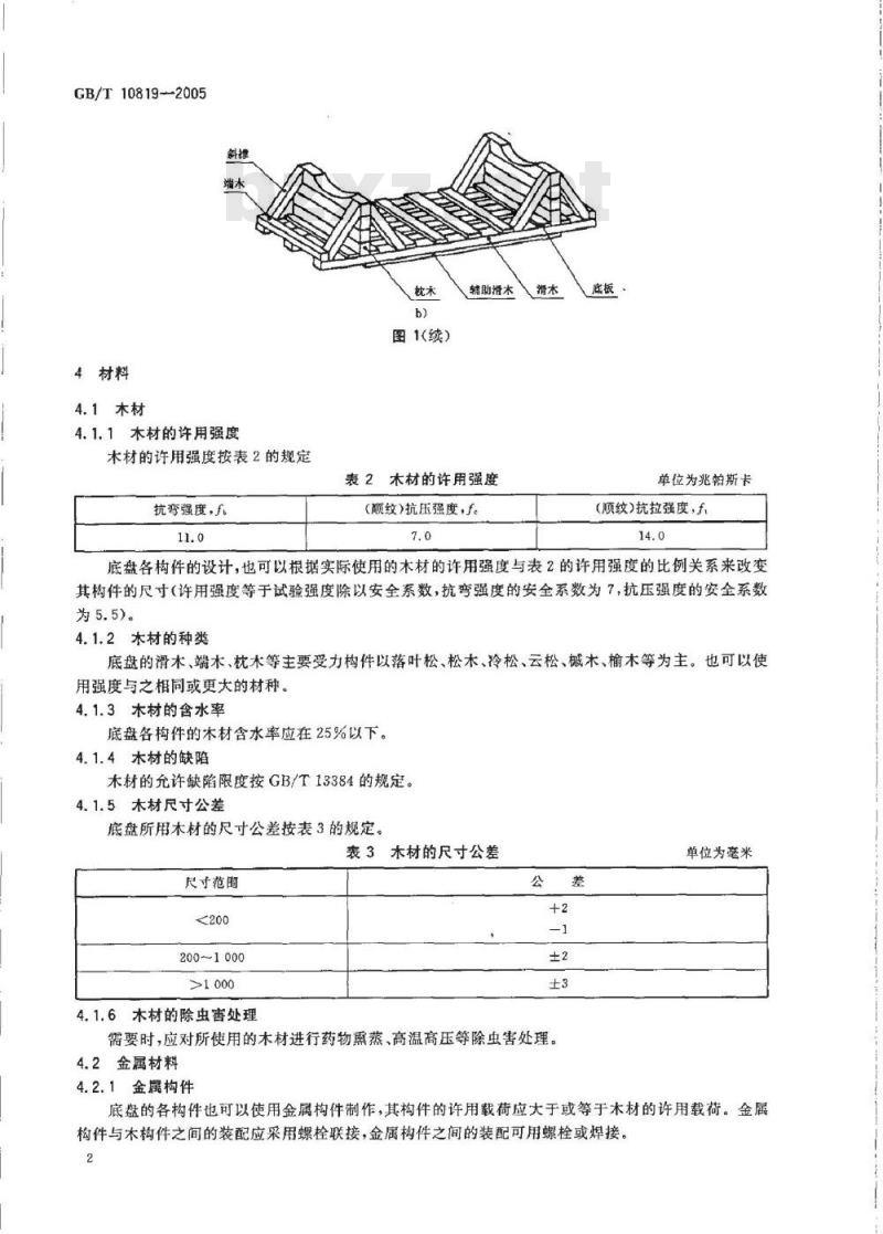
作为通用底盘,适用于各类物品主要适用于可以直接吊装的物品A型底盘的基本结构如图1所示。B型底盘除不安装辅助滑木和滑木两端需制成倒角外,其他结构与A型底盘相同。
辅助滑木
GB/T10819--2005
4材料
4.1木材
4.1.1木材的许用强度
木材的许用强度按表2的规定
抗弯强度,f
图1(续)
辅助滑木
表2木材的许用强度
(顺纹抗压强度,f
单位为兆帕斯卡
(顺纹)抗拉强度,f
底盘各构件的设计,也可以根据实际使用的木材的许用强度与表2的许用强度的比例关系来改变其构件的尺寸(许用强度等于试验强度除以安全系数,抗弯强度的安全系数为7,抗压强度的安全系数为5.5)。
4.1.2木材的种类
底盘的滑木、端木、枕木等主要受力构件以落叶松、松木、冷松、云松、械木、榆木等为主。也可以使用强度与之相同或更大的材种。4.1.3木材的含水率
底盘各构件的木材含水率应在25%以下。4.1.4木材的缺陷
木材的允许缺陷限度按GB/T13384的规定。4.1.5木材尺寸公差
底盘所用木材的尺寸公差按表3的规定。表3木材的尺寸公差
尺寸范間
200~1000
4.1.6木材的除虫害处理
需要时,应对所使用的木材进行药物熏蒸、高温高压等除虫害处理。4.2金属材料
4.2.1金属构件
单位为毫米
底盘的各构件也可以使用金属构件制作,其构件的许用载荷应大于或等于木材的许用载荷。金属构件与木构件之间的装配应采用螺栓联接,金属构件之间的装配可用螺栓或焊接。2
4.2.2钢钉
使用YB/T5002所规定的钢钉。
4.2.3螺栓、螺母及垫圈
GB/T10819—2005
使用GB/T5780、GB/T953所规定的螺栓和GB/T41所规定的螺母及GB/T95和GB/T96.2所规定的垫圈。根据需要也可采用其他型式的螺栓。4.2.4钢带
使用YB/T025所规定的普通精度钢带,钢带的最小宽度应在19mm以上,最小厚度应在0.45mm以上。
4.2.5金属辅件
根据需要还应使用GB/T18927所规定的金属辅件。如起吊护铁、各种紧固件及加强构件等。内装物在5t以上的物品均应安装起吊护铁。5构件与尺寸
5.1滑木
5.1.1滑木的尺寸
滑木的尺寸根据内装Www.bzxZ.net
物的质量、枕木的中心间隔及内装物在底盘上的安放状态来确定。5.1.1.1采用A型底盘时,按下述两种情况确定滑木的截面尺寸。a)如图2所示,当内装物与底盘相固定的两根最外侧枕木均超出起吊点位置时,每一根滑木的裁面尺寸按表4选取。
赵吊绳案
#图图
辐肋滑木
[一起吊点处两枕木的中心问隔。图2
表4滑木宽度的最小值
内装物
质量/kg
木厚度
单位为毫米
起吊点处两枕木的中心间隔
GB/T10819—2005
内装物
质量/kg
滑木厚度
表4(续)
起吊点处两枕木的中心间隔
单位为毫米
内装物
质量/kg
滑木厚度
表4(续)
起吊点处两枕木的中心间隔
GB/T10819-2005
单位为毫米
GB/T10819—2005
内装物
质量/kg
滑木厚度
表4(续)
起吊点处两枕木的中心间隔
单位为毫米
如图3所示,当内装物与底盘的最外侧固定点处于两起吊点的内侧时,按表4选择滑木的截面b)
尺寸,但此时表4中“起吊点处两枕木的中心间隔”应为“起吊点与内装物最外侧固定点之间的距离”。此值一般不应大于600mm。起吊绳索
[一起吊点与内装物最外侧固定点之间的距离。6
GB/T10819-2005
5.1.1.2采用B型底盘时,按表4选择滑木的截面尺寸,但此时表4中的“起吊点处两枕木的中心间隔”应为“任意相邻两枕木间的最大中心间隔”,而且此时由表4中选取的滑木宽度为所用各根滑木宽度之和的一半。
5.1.1.3滑木应优先选用宽与厚相等或宽大于厚的截面尺寸。5.1.2滑木数量的确定
两相邻滑木的中心间隔一般不大于1200mm,需用叉车沿横向进叉搬运时,滑木的中心间隔应不大予1000mm(内装物质量为1500kg以下时,应不大于800mm),超过规定的,中间需增加相同截面尺寸或相同厚度的滑木。
5.1.3滑木的对接
滑木尽量采用一根整木,如果长度不够,可采用图4的方式对接使用。对接位置不能在长度的中心附近及起吊位置。相邻的两滑木的对接位置应错开。滑木宽度小于或等于90mm时用M10螺栓连接,超过90mm时用M12螺栓连接。钢钉
b一滑木的宽度。
中间滑木对接
两侧滑本对接
a)用木板加固对接,适用于内装物为4000 kg以下的底盘b)模形对接,用钢板加固,适用于内装物为4000kg以上的底盘e)平行对接,用钢板加固,适用于各类底盘图4
GB/T10819—-2005
5.1.4滑木的两端结构
对于B型底盘,滑木的两端距底面高度约二分之一处应制成35°~45°的倒角,如图5所示。图5
5.2辅助滑木
A型底盘需安装辅助滑木,用以调整起吊位置或叉车的叉孔位置5.2.1辅助滑木的尺寸,辅助滑木的宽度应为滑木宽度的80%以上,其厚度按表5选取。辅助滑木可以沿长度方向上对接。需用滚杠装卸时,辅助滑木的两端应制成35°~45°的倒角。表5辅助滑木的厚度
内装物质量/kg
≤1500
>12500
5.2.2辅助滑木的安装位置
辅助滑木厚度/mm
5.2.2.1当内装物为偏重物品时,辅助滑木的安装位置应保证在起吊作业时底盘处于平衡状态。5.2.2.2
200mm。
当用两根枕木,并且内装物为非偏重物品时,辅助滑木的两端一般分别距滑木两端约当用三根枕木,并且内装物为非偏重物品时,辅助滑木的安装位置如图6所示。一两相邻枕木的中心间隔。
5.2.2.4当用四根以上的枕木,并且内装物为非偏重物品时,辅助滑木的安装位置如图7和图8所示。1一两相邻枕木的中心间隔。
一两相邻枕木的中心间隔。
GB/T10819—2005
5.2.2.5对于需用叉车装卸的底盘,两叉孔的位置应距内装物重心线的距离相等,叉孔宽度和两叉孔之间的距离按图9与表6的规定。图中的ab、c按表6中的尺寸确定。图9
内装物质量/kg
叉孔的安装尺寸
单位为毫米
5.2.3辅助滑木用钢钉钉在滑木的底部,钢钉成两行错开排列,同一行中的钢钉间隔不大于300mm。5.3端木
端木是横向联结滑木的构件,安装于滑木的两端。5.3.1端木的尺寸
当内装物不安放于端木上时,端木的尺寸及安装用螺栓的尺寸按表7的规定。当内装物安装于端木上时,端木的尺寸与枕木相同。表7端木及连接螺栓的尺寸
内装物质量/kg
5.3.2端木的安装方法
端木尺寸(宽×厚)/
90×45或60×60
75×75
100×100
120×120
150×150
连接螺栓直径
端木的宽度在150mm以下时,各连接部位用一根螺栓安装在滑木上,而当端木的宽度大于150mm时,使用两根螺栓联接。
5.4枕木
5.4.1A型底盘的枕木尺寸
5.4.1.1当枕木承受均布载荷时,由表8确定枕木的截面尺寸和数量,当用五根以上的枕木时,其尺寸与四根时相同,但是即使用五根以上的枕木,若起吊位置如图10所示时,则枕木的尺寸仍与用三根时的枕木尺寸相同。
GB/T10819—2005
起吊绳索挂口>30cm
5.4.1.2当枕木承受如图11所示的两点集中载荷时,采用下述方法确定其枕木截面尺寸。e
,—集中载荷与外侧滑木的内间隔;一最外侧滑木的内间隔;
内装物的质量。
当>12时,将表8的许用弯曲载荷值乘以式(1)的值作为此种情况时的许用弯曲载荷值。41-+)
(1)
当1=1时,将表8的许用弯曲载荷值乘以式(2)的值作为此种情况时的许用弯曲载荷值。但当式(1)及式(2)的值大于2.5时,须仍按2.5计算。421
5.4.1.3当内装物如图12所示为圆筒形结构时,设物品与枕木及档块的接触点a,b的中心点为c,则以点c与外侧滑木的内侧面间的距离作为11,然后按表8和式1)或式(2)求出许用载荷值。物品与枕木及档块的接触点及其中心点;a,b,c
h——点与外侧滑木的内侧面的距离;最外侧滑木的内间厢。
5.4.2B型底盘的枕木尺寸
B型底盘的枕木尺寸采用与A型相同的方法确定,但当使用三根以上的滑木时,可将表8的值扩大一倍使用。
小提示:此标准内容仅展示完整标准里的部分截取内容,若需要完整标准请到上方自行免费下载完整标准文档。
中华人民共和国国家标准
GB/T10819—2005
代替GB/T10819--1989
木制底盘
Wooden skid
2005-05-25发布
中华人民共和国国家质量监督检验检疫总局数码肪伪
中国国家标准化管理委员会
2005-11-01实施
GB/T10819—2005
本标准修改采用日本工业规格JISZ1405-84《木制底盘(出口商品包装用)》。对GB10819—-1989《运输包装用木制底盘》进行修订。与JISZ1405标准相比,主要差异如下:按照汉语习惯对标准中的一些编排顺序进行了修改;—适用范围由500kg~60000kg改为500kg~40000kg;一增加了叉车搬运的概念;
一增加了术材防虫害处理的要求;本标推与GB10819—1989相比主要变化如下:增加了叉车搬运的概念;
增加了木材防虫害处理的要求。本标准自实施之日起,同时代替GB10819-1989。本标准由中国机械工业联合会提出。本标准由全国包装标准化技术委员会归口。本标推主要起草单位:中机生产力促进中心、北京航天万源电器公司、北京方大华远包装制品有限公司。
本标准主要起草人:黄雪、周澍、张晓建、穆林、司维新。1范围
木制底盘
GB/T10819—2005
本标准规定了内装物质量为500kg~40000kg的运输包装用木制底盘(以下简称底盘)的结构型式、构件尺寸、试验方法等。
本标准适用于术制底盘的设计、生产制造。2规范性引用文件
下列文件中的条款通过本标准的引用而成为本标准的条款。凡是注日期的引用文件,其随后所有的修改单(不包括勘误的内容)或修订版均不适用于本标准,然雨,鼓励根据本标准达成协议的各方研究是否可使用这些文件的最新版本。凡是不注日期的引用文件,其最新版本适用于本标准。六角螺母C级
GB/T41
GB/T95
平垫圈C级
GB/T96.2大垫圈C级
GB/T953
GB/T5398
等长双头螺柱C级
大型运输包装件试验方法
六角头螺栓C级
GB/T5780
GB/T13384
GB/T18927
GJB2711
YB/T025
机电产品包装通用技术条件
包装容器金属辅件
军用运输包装件试验方法
包装用钢带
YB/T5002
一般用途圆钢钉
3结构型式
底盘的结构型式根据储运过程中的装卸方式按表1划分。表1底盘类型
装卸方式
利用底盘进行起吊或滚杠、叉车装卸、搬运直接起吊内装物本身,仅利用底盘进行滚杠装卸、搬运适用范围
作为通用底盘,适用于各类物品主要适用于可以直接吊装的物品A型底盘的基本结构如图1所示。B型底盘除不安装辅助滑木和滑木两端需制成倒角外,其他结构与A型底盘相同。
辅助滑木
GB/T10819--2005
4材料
4.1木材
4.1.1木材的许用强度
木材的许用强度按表2的规定
抗弯强度,f
图1(续)
辅助滑木
表2木材的许用强度
(顺纹抗压强度,f
单位为兆帕斯卡
(顺纹)抗拉强度,f
底盘各构件的设计,也可以根据实际使用的木材的许用强度与表2的许用强度的比例关系来改变其构件的尺寸(许用强度等于试验强度除以安全系数,抗弯强度的安全系数为7,抗压强度的安全系数为5.5)。
4.1.2木材的种类
底盘的滑木、端木、枕木等主要受力构件以落叶松、松木、冷松、云松、械木、榆木等为主。也可以使用强度与之相同或更大的材种。4.1.3木材的含水率
底盘各构件的木材含水率应在25%以下。4.1.4木材的缺陷
木材的允许缺陷限度按GB/T13384的规定。4.1.5木材尺寸公差
底盘所用木材的尺寸公差按表3的规定。表3木材的尺寸公差
尺寸范間
200~1000
4.1.6木材的除虫害处理
需要时,应对所使用的木材进行药物熏蒸、高温高压等除虫害处理。4.2金属材料
4.2.1金属构件
单位为毫米
底盘的各构件也可以使用金属构件制作,其构件的许用载荷应大于或等于木材的许用载荷。金属构件与木构件之间的装配应采用螺栓联接,金属构件之间的装配可用螺栓或焊接。2
4.2.2钢钉
使用YB/T5002所规定的钢钉。
4.2.3螺栓、螺母及垫圈
GB/T10819—2005
使用GB/T5780、GB/T953所规定的螺栓和GB/T41所规定的螺母及GB/T95和GB/T96.2所规定的垫圈。根据需要也可采用其他型式的螺栓。4.2.4钢带
使用YB/T025所规定的普通精度钢带,钢带的最小宽度应在19mm以上,最小厚度应在0.45mm以上。
4.2.5金属辅件
根据需要还应使用GB/T18927所规定的金属辅件。如起吊护铁、各种紧固件及加强构件等。内装物在5t以上的物品均应安装起吊护铁。5构件与尺寸
5.1滑木
5.1.1滑木的尺寸
滑木的尺寸根据内装Www.bzxZ.net
物的质量、枕木的中心间隔及内装物在底盘上的安放状态来确定。5.1.1.1采用A型底盘时,按下述两种情况确定滑木的截面尺寸。a)如图2所示,当内装物与底盘相固定的两根最外侧枕木均超出起吊点位置时,每一根滑木的裁面尺寸按表4选取。
赵吊绳案
#图图
辐肋滑木
[一起吊点处两枕木的中心问隔。图2
表4滑木宽度的最小值
内装物
质量/kg
木厚度
单位为毫米
起吊点处两枕木的中心间隔
GB/T10819—2005
内装物
质量/kg
滑木厚度
表4(续)
起吊点处两枕木的中心间隔
单位为毫米
内装物
质量/kg
滑木厚度
表4(续)
起吊点处两枕木的中心间隔
GB/T10819-2005
单位为毫米
GB/T10819—2005
内装物
质量/kg
滑木厚度
表4(续)
起吊点处两枕木的中心间隔
单位为毫米
如图3所示,当内装物与底盘的最外侧固定点处于两起吊点的内侧时,按表4选择滑木的截面b)
尺寸,但此时表4中“起吊点处两枕木的中心间隔”应为“起吊点与内装物最外侧固定点之间的距离”。此值一般不应大于600mm。起吊绳索
[一起吊点与内装物最外侧固定点之间的距离。6
GB/T10819-2005
5.1.1.2采用B型底盘时,按表4选择滑木的截面尺寸,但此时表4中的“起吊点处两枕木的中心间隔”应为“任意相邻两枕木间的最大中心间隔”,而且此时由表4中选取的滑木宽度为所用各根滑木宽度之和的一半。
5.1.1.3滑木应优先选用宽与厚相等或宽大于厚的截面尺寸。5.1.2滑木数量的确定
两相邻滑木的中心间隔一般不大于1200mm,需用叉车沿横向进叉搬运时,滑木的中心间隔应不大予1000mm(内装物质量为1500kg以下时,应不大于800mm),超过规定的,中间需增加相同截面尺寸或相同厚度的滑木。
5.1.3滑木的对接
滑木尽量采用一根整木,如果长度不够,可采用图4的方式对接使用。对接位置不能在长度的中心附近及起吊位置。相邻的两滑木的对接位置应错开。滑木宽度小于或等于90mm时用M10螺栓连接,超过90mm时用M12螺栓连接。钢钉
b一滑木的宽度。
中间滑木对接
两侧滑本对接
a)用木板加固对接,适用于内装物为4000 kg以下的底盘b)模形对接,用钢板加固,适用于内装物为4000kg以上的底盘e)平行对接,用钢板加固,适用于各类底盘图4
GB/T10819—-2005
5.1.4滑木的两端结构
对于B型底盘,滑木的两端距底面高度约二分之一处应制成35°~45°的倒角,如图5所示。图5
5.2辅助滑木
A型底盘需安装辅助滑木,用以调整起吊位置或叉车的叉孔位置5.2.1辅助滑木的尺寸,辅助滑木的宽度应为滑木宽度的80%以上,其厚度按表5选取。辅助滑木可以沿长度方向上对接。需用滚杠装卸时,辅助滑木的两端应制成35°~45°的倒角。表5辅助滑木的厚度
内装物质量/kg
≤1500
>12500
5.2.2辅助滑木的安装位置
辅助滑木厚度/mm
5.2.2.1当内装物为偏重物品时,辅助滑木的安装位置应保证在起吊作业时底盘处于平衡状态。5.2.2.2
200mm。
当用两根枕木,并且内装物为非偏重物品时,辅助滑木的两端一般分别距滑木两端约当用三根枕木,并且内装物为非偏重物品时,辅助滑木的安装位置如图6所示。一两相邻枕木的中心间隔。
5.2.2.4当用四根以上的枕木,并且内装物为非偏重物品时,辅助滑木的安装位置如图7和图8所示。1一两相邻枕木的中心间隔。
一两相邻枕木的中心间隔。
GB/T10819—2005
5.2.2.5对于需用叉车装卸的底盘,两叉孔的位置应距内装物重心线的距离相等,叉孔宽度和两叉孔之间的距离按图9与表6的规定。图中的ab、c按表6中的尺寸确定。图9
内装物质量/kg
叉孔的安装尺寸
单位为毫米
5.2.3辅助滑木用钢钉钉在滑木的底部,钢钉成两行错开排列,同一行中的钢钉间隔不大于300mm。5.3端木
端木是横向联结滑木的构件,安装于滑木的两端。5.3.1端木的尺寸
当内装物不安放于端木上时,端木的尺寸及安装用螺栓的尺寸按表7的规定。当内装物安装于端木上时,端木的尺寸与枕木相同。表7端木及连接螺栓的尺寸
内装物质量/kg
5.3.2端木的安装方法
端木尺寸(宽×厚)/
90×45或60×60
75×75
100×100
120×120
150×150
连接螺栓直径
端木的宽度在150mm以下时,各连接部位用一根螺栓安装在滑木上,而当端木的宽度大于150mm时,使用两根螺栓联接。
5.4枕木
5.4.1A型底盘的枕木尺寸
5.4.1.1当枕木承受均布载荷时,由表8确定枕木的截面尺寸和数量,当用五根以上的枕木时,其尺寸与四根时相同,但是即使用五根以上的枕木,若起吊位置如图10所示时,则枕木的尺寸仍与用三根时的枕木尺寸相同。
GB/T10819—2005
起吊绳索挂口>30cm
5.4.1.2当枕木承受如图11所示的两点集中载荷时,采用下述方法确定其枕木截面尺寸。e
,—集中载荷与外侧滑木的内间隔;一最外侧滑木的内间隔;
内装物的质量。
当>12时,将表8的许用弯曲载荷值乘以式(1)的值作为此种情况时的许用弯曲载荷值。41-+)
(1)
当1=1时,将表8的许用弯曲载荷值乘以式(2)的值作为此种情况时的许用弯曲载荷值。但当式(1)及式(2)的值大于2.5时,须仍按2.5计算。421
5.4.1.3当内装物如图12所示为圆筒形结构时,设物品与枕木及档块的接触点a,b的中心点为c,则以点c与外侧滑木的内侧面间的距离作为11,然后按表8和式1)或式(2)求出许用载荷值。物品与枕木及档块的接触点及其中心点;a,b,c
h——点与外侧滑木的内侧面的距离;最外侧滑木的内间厢。
5.4.2B型底盘的枕木尺寸
B型底盘的枕木尺寸采用与A型相同的方法确定,但当使用三根以上的滑木时,可将表8的值扩大一倍使用。
小提示:此标准内容仅展示完整标准里的部分截取内容,若需要完整标准请到上方自行免费下载完整标准文档。
标准图片预览:





- 其它标准
- 上一篇: GB/T 11797-2005 道路交通事故现场图形符号
- 下一篇: GB 19855-2005 月饼
- 热门标准
- 国家标准(GB)
- GB/T30917—2014 /ISo 29941:2010 天然胶乳橡胶避孕套中可迁移亚硝胺的测定
- GB/T12777-1999 金属波纹管膨胀节通用技术条件
- GB15193.5-2003 骨髓细胞微核试验
- GB/T29633.4-2020 南极地名 第4部分:罗马字母拼写
- GB/T39964-2021 造纸行业能源管理体系实施指南
- GB/T43929-2024 空间用纤维光学器件测试指南
- GB/T42970-2023 半导体集成电路 视频编解码电路测试方法
- GB/T43225-2023 空间物体登记要求
- GB/T4074.3-1999 绕组线试验方法 第3部分:机械性能
- GB15985-1995 丝虫病诊断标准及处理原则
- GB19159-2003 车用液化石油气
- GB/T7407-1997 中国及世界主要海运贸易港口代码
- GB1913.2-1990 漂白浸渍绝缘纸
- GB14287.4-2014 电气火灾监控系统 第4部分:故障电弧探测器
- GB5237.3-2008 铝合金建筑型材 第3部分:电泳涂漆型材
- 行业新闻
请牢记:“bzxz.net”即是“标准下载”四个汉字汉语拼音首字母与国际顶级域名“.net”的组合。 ©2025 标准下载网 www.bzxz.net 本站邮件:bzxznet@163.com
网站备案号:湘ICP备2025141790号-2
网站备案号:湘ICP备2025141790号-2