- 您的位置:
- 标准下载网 >>
- 标准分类 >>
- 水产行业标准(SC) >>
- SC/T 8063-2001 玻璃钢渔船用不饱和聚酯树脂和玻璃纤维制品
标准号:
SC/T 8063-2001
标准名称:
玻璃钢渔船用不饱和聚酯树脂和玻璃纤维制品
标准类别:
水产行业标准(SC)
标准状态:
现行-
发布日期:
2001-06-01 -
实施日期:
2001-10-01 出版语种:
简体中文下载格式:
.rar.pdf下载大小:
162.20 KB
中标分类号:
船舶>>船舶综合>>U05船舶用材料及其检验方法
点击下载
标准简介:
标准下载解压密码:www.bzxz.net
本标准根据中华人民共和国农业部渔业船舶检验局《玻瑞纤维增强塑料渔船建造规范》(1995)的规定和我国不饱和聚醋树脂和玻瑞纤维制品的生产实际制定。本标准结合玻璃钢渔船设计、施工要求,规定了玻璃钢渔船用不饱和聚醋树脂和玻璃纤维制品的技术要求和试验方法等。本标准规定了玻璃俐(FRP)渔船用不饱和聚醋树脂和玻璃纤维制品的分类、技术要求和试验方法。本标准适用于玻瑞钥渔船用不饱和聚酷树脂和玻瑞纤维制品。 SC/T 8063-2001 玻璃钢渔船用不饱和聚酯树脂和玻璃纤维制品 SC/T8063-2001
部分标准内容:
SC/T 8063—2001
本标准根据中华人民共和国农业部渔业船舶检验局《玻璃纤维增强塑料渔船建造规范》(1995)的规定和我国不饱和聚酯树脂和玻璃纤维制品的生产实际制定。本标准结合玻璃钢渔船设计、施工要求,规定了玻璃钢渔船用不饱和聚酯树脂和玻璃纤维制品的技术要求和试验方法等。
本标准由农业部渔业局提出。
本标准由中国水产科学研究院归口。本标准起草单位:上海玻璃钢研究所、农业部渔船检验局。本标准主要起草人:胡振哲、汪泽霖、冯振玉。166
1范围
中华人民共和国水产行业标准
玻璃钢渔船用
不饱和聚酯树脂和玻璃纤维制品Unsaturated polyester resin and fiberglass productsfor glass fiber reinforced plastics fishing vesselsSC/T 8063-2001
本标准规定了玻璃钢(FRP)渔船用不饱和聚酯树脂(简称UP树脂)和玻璃纤维制品的分类,技术要求和试验方法。
本标准适用于玻璃钢渔船用不饱和聚酯树脂和玻璃纤维制品。2引用标准
下列标准所包含的条文,通过在本标准中引用而构成为本标准的条文。本标准出版时,所示版本均为有效。所有标准都会被修订,使用本标准的各方应探讨使用下列标推最新版本的可能性。GB191—2000
包装储运图示标志
GB/T1446—1983纤维增强塑料性能试验方法总则GB/T 1447-1983
玻璃纤维增强塑料拉神性能试验方法GB/T 1449—1983
玻璃纤维增强塑料弯曲性能试验方法GB/T 1451—1983
GB/T 1462—1988
GB/T 1463—1988
GB/T 1634—1979
GB/T 2567—1995
GB/T 2568—1995
GB/T 2570—1995
GB/T 2577—1989
GB/T 3854—1983
GB/T 3961—1993
GB/T 5258—1995
玻璃纤维增强塑料简支梁式冲击韧性试验方法纤维增强塑料吸水性试验方法
纤维增强塑料密度和相对密度试验方法塑料弯曲负载热变形温度(简称热变形温度)试验方法树脂浇铸体性能试验方法总则
树脂浇铸体拉神性能试验方法
树脂浇铸体弯曲性能试验方法
玻璃纤维增强塑料树脂含量试验方法纤维增强塑料巴氏(巴柯尔)硬度试验方法纤维增强塑料术语
纤维增强塑料薄层板压缩性能试验方法GB/T 7193.2—1987 不饱和案酯树脂 羟值测定方法GB/T 7380—1995
表面活性剂和洗涤剂,含水量的测定卡尔·费休法GB/T 8237—1987
玻璃纤维增强塑料(玻璃钢)用液体不饱和聚酯树脂GB/T 17470--1998
玻璃纤维短切原丝毡
JC/T281--1994无碱玻璃纤维无捻粗纱布JC/T576--1994中碱玻璃纤维无捻粗纱布JC/T767—1996纺织玻璃纤维术语及定义中华人民共和国农业部2001-06-01批准2001-10-01实施
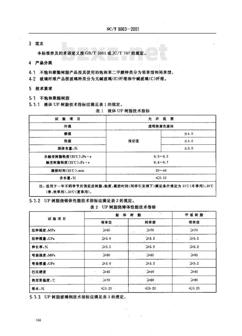
3定义
SC/T8063—2001
本标准涉及的术语定义按GB/T3961或JC/T767的规定。4产品分类
4.1不饱和案酯树脂产品按其使用的饱和苯二甲酸种类分为邻苯型和间苯型,4.2玻璃纤维产品按玻璃种类分为无碱玻璃(E)纤维和中碱玻璃(C)纤维。5技术要求
5.1不饱和聚酯树
5.1.1液体UP树脂技术指标应满足表1的规定。表 1液体 UP树脂技术指标
试验目
固体含量,%
未触变树脂粘度(25'℃),Pa:
触变树脂粘度(25C),Pa s
凝胶时间(25℃),min
含水量,%
指定值
充许范围
透明锨黄色液体
0. 3~~0. 5
注:适用于一年不同季节的预促进树脂,粘度、凝胶时间(同样引发剂下)测定条件规定为10℃(冬季用),20C(春、秋季用)、30℃(夏季用)。5.1.2UP树脂铸体性能技术指标应满足表2的规定。表 2UP 树脂浇体性能技术指标
试验项目
拉伸强度,MPa
拉伸模量,GPa
伸长率,%
弯曲强度,MPa
弯曲模量,GPa
巴氏硬度
热变形溢度,
吸水,%
邻苯型
船体树脂
5.1.3UP树脂玻璃钢技术指标应满足表3的规定168
间苯型
甲板树脂
邻苯型
试验项目
拉神强度,MPa
拉伸模量,GPa
弯曲强度,MPa
弯曲模量,GPa
SC/T 8063—2001
表3UP树脂玻璃钢技术指标
湿态弯曲强度保留率,%
湿态套曲模量保留率,%
压缩强度,MPa
压缩模量,GPa
冲击韧性,J/cm
树脂含量,%
所用增强材料为EWR800无扮粗纱布。1
2湿态状态为沸水煮 2 b。
玻璃纤维制品
技术指标
≥260
≥270
≥190
1.65~191.90
5.2.1无碱玻璃纤维制品采用铝硼硅酸盐玻璃成分,其碱金属氧化物含量应不大于0.8%。中碱玻璃纤维制品采用钠钙硅酸盐玻璃成分,其碱金属氧化物含量为11.6%~12.4%。5.2.2玻璃纤维制品采用硅烷增强型漫润剂,其含量为0.5%~2.0%。5.2.3无拾粗纱布
5.2.3.1无粗纱布技术指标应满足表4要求。表4无搭粗纱布技术要求
试验项目
经纬纱线密度,tex
纤维直径+μm
织物密度,根/cm
宽度,cm
单位面积质量,g/m
含水率,%
断裂强力径向
N/布条50×200mm
玻璃钢弯曲强度,MPa
玻璃钢谨态弯曲度保留率,%
CWR800
90,100
900±72
≥2700
≥2700
≥270bzxZ.net
EWR800
90,100
900±72
≥3000
>3 000
EWR600
90,100
585±47
≥2300
EWR530
530±50
≥3 20-0
≥500(径向)
试验项目
SC/T 8063--2001
表4(完)
CWR800
EWR800
玻璃钢采用的不饱和紊酯树脂为船用间苯型不饱和聚酯树脂。2玻璃钢的树脂含量为50%土5%。3湿态状态为沸水煮2 h。
无拾粗纱布外观质量按JC/T281—1994中5.2条要求。5.2. 3.2
EWR600
5.2.3.3其他型号无拾粗纱布要求按JC/T281或JC/T576-1994中第.5章要求。5-2.4编织复合毡
编织复合毡技术指标应满足表5要求。表5编织复合毡技术性能
股妙质量+g/m2
织物走向
毡质量+g/m2
织物总质量?g/m
经纱,tex
纬纱,tex
短切纱,tex
经密.根/25mm
纬密,根/25mm
可燃物含量,%
断裂强力径向
N/布条150×200纬向
玻璃钢弯曲强度,MPa
玻璃钢湿态弯曲强度保留率,%
WFC1805
600±40
750±50
≥7000
≥6 000
玻璃钢采用的不饱和案酯树脂为船用间苯型不饱和聚酯树脂。2
玻璃钢的树脂含量为50%士5%。
湿态状态为沸水煮 2 h.
5.2.5玻璃纤维短切原丝毡
EWR530
WFC1815
600±40
1070±50
≥7000
≥6 000
≥250
玻璃纤维短切原丝毡技术要求按GB/T17470-1998中第5章规定,苯乙烯溶解度指标采用H型。6试验方法
6.1液体树脂的试验方法
液体树脂试验方法按GB/T8237—1987中4.1条进行:羟值按GB/T7193.2进行:含水量按GB/T7380—1995中8.1条和8.3条进行。6.2浇铸体的试验方法
6.2.1浇铸体试件制作按GB/T2567的规定执行。6.2.2浇铸体拉伸性能按GB/T2568的规定进行。6.2.3浇铸体弯曲性能按GB/T2570的规定进行。170
SC/T 8063—2001
6.2.4浇铸体巴氏硬度按GB/T3854的规定进行。6.2.5浇铸体热变形温度按GB/T1634的规定进行。6.2.6浇铸体吸水率按GB/T1462的规定进行。6.3玻璃纤维无粗纱和编织复合毡的试验方法按JC/T281—1994中第6章的规定进行。6.4玻璃纤维短切原丝毡的试验方法按JC/T17470—1998中第6章的规定进行。6.5玻璃钢的试验方法
6.5.1试件加工按GB/T1446—1983中1.1条的规定进行。6.5.2玻璃钢拉伸性能按GB/T1447的规定进行。6.5.3玻璃钢弯曲性能按GB/T1449的规定进行。6.5.4玻璃钢压缩性能按GB/T5258的规定进行。6.5.5玻璃钢冲击性能按GB/T1451的规定进行。6.5.6玻璃钢湿态弯曲性能按GB/T1449的规定进行。6.5.7玻璃钢树脂含量按GB/T2577的规定进行。6.5.8玻璃钢密度按GB/T1463的规定进行。7检验规则
7.1不饱和聚酯树脂检验规则按GB/T8237—1987中第5章的规定。7.2玻璃纤维无拾粗纱布和编织复合毡检验规则按JC/T281—1994中第6章的规定。7.3玻璃纤维短切原丝毡检验规则按GB/T8237一1998中第7章的规定。8包装、标志、运输及整存
8.1产品应附有检验合格证,内容包括:a)生产厂名称;
b)产品牌号、类型、商标;
c)产品质量;
d)加盖质量检验专用章:
e)生产日期或批号。
8.2包装容器必须标明:
a)生产厂名称;
b)商标;
c)产品牌号:
d)类型;
e)产品质量,
f)生产日期或批号:
g)玻璃纤维制品应按GB191要求注明“怕湿”、“禁止滚翻”和堆码层数极限”三种图示;h)不饱和案酯树脂容器应标明“易燃”字样。8.3不饱和聚酯树脂的运输应符合有关的危险、易燃品贮运的规定。8.4产品按品种分别堆存在干燥、通风,避免火种、隔离热源的库房内贮存,树脂贮存温度不大于25℃。
小提示:此标准内容仅展示完整标准里的部分截取内容,若需要完整标准请到上方自行免费下载完整标准文档。
本标准根据中华人民共和国农业部渔业船舶检验局《玻璃纤维增强塑料渔船建造规范》(1995)的规定和我国不饱和聚酯树脂和玻璃纤维制品的生产实际制定。本标准结合玻璃钢渔船设计、施工要求,规定了玻璃钢渔船用不饱和聚酯树脂和玻璃纤维制品的技术要求和试验方法等。
本标准由农业部渔业局提出。
本标准由中国水产科学研究院归口。本标准起草单位:上海玻璃钢研究所、农业部渔船检验局。本标准主要起草人:胡振哲、汪泽霖、冯振玉。166
1范围
中华人民共和国水产行业标准
玻璃钢渔船用
不饱和聚酯树脂和玻璃纤维制品Unsaturated polyester resin and fiberglass productsfor glass fiber reinforced plastics fishing vesselsSC/T 8063-2001
本标准规定了玻璃钢(FRP)渔船用不饱和聚酯树脂(简称UP树脂)和玻璃纤维制品的分类,技术要求和试验方法。
本标准适用于玻璃钢渔船用不饱和聚酯树脂和玻璃纤维制品。2引用标准
下列标准所包含的条文,通过在本标准中引用而构成为本标准的条文。本标准出版时,所示版本均为有效。所有标准都会被修订,使用本标准的各方应探讨使用下列标推最新版本的可能性。GB191—2000
包装储运图示标志
GB/T1446—1983纤维增强塑料性能试验方法总则GB/T 1447-1983
玻璃纤维增强塑料拉神性能试验方法GB/T 1449—1983
玻璃纤维增强塑料弯曲性能试验方法GB/T 1451—1983
GB/T 1462—1988
GB/T 1463—1988
GB/T 1634—1979
GB/T 2567—1995
GB/T 2568—1995
GB/T 2570—1995
GB/T 2577—1989
GB/T 3854—1983
GB/T 3961—1993
GB/T 5258—1995
玻璃纤维增强塑料简支梁式冲击韧性试验方法纤维增强塑料吸水性试验方法
纤维增强塑料密度和相对密度试验方法塑料弯曲负载热变形温度(简称热变形温度)试验方法树脂浇铸体性能试验方法总则
树脂浇铸体拉神性能试验方法
树脂浇铸体弯曲性能试验方法
玻璃纤维增强塑料树脂含量试验方法纤维增强塑料巴氏(巴柯尔)硬度试验方法纤维增强塑料术语
纤维增强塑料薄层板压缩性能试验方法GB/T 7193.2—1987 不饱和案酯树脂 羟值测定方法GB/T 7380—1995
表面活性剂和洗涤剂,含水量的测定卡尔·费休法GB/T 8237—1987
玻璃纤维增强塑料(玻璃钢)用液体不饱和聚酯树脂GB/T 17470--1998
玻璃纤维短切原丝毡
JC/T281--1994无碱玻璃纤维无捻粗纱布JC/T576--1994中碱玻璃纤维无捻粗纱布JC/T767—1996纺织玻璃纤维术语及定义中华人民共和国农业部2001-06-01批准2001-10-01实施
3定义
SC/T8063—2001
本标准涉及的术语定义按GB/T3961或JC/T767的规定。4产品分类
4.1不饱和案酯树脂产品按其使用的饱和苯二甲酸种类分为邻苯型和间苯型,4.2玻璃纤维产品按玻璃种类分为无碱玻璃(E)纤维和中碱玻璃(C)纤维。5技术要求
5.1不饱和聚酯树
5.1.1液体UP树脂技术指标应满足表1的规定。表 1液体 UP树脂技术指标
试验目
固体含量,%
未触变树脂粘度(25'℃),Pa:
触变树脂粘度(25C),Pa s
凝胶时间(25℃),min
含水量,%
指定值
充许范围
透明锨黄色液体
0. 3~~0. 5
注:适用于一年不同季节的预促进树脂,粘度、凝胶时间(同样引发剂下)测定条件规定为10℃(冬季用),20C(春、秋季用)、30℃(夏季用)。5.1.2UP树脂铸体性能技术指标应满足表2的规定。表 2UP 树脂浇体性能技术指标
试验项目
拉伸强度,MPa
拉伸模量,GPa
伸长率,%
弯曲强度,MPa
弯曲模量,GPa
巴氏硬度
热变形溢度,
吸水,%
邻苯型
船体树脂
5.1.3UP树脂玻璃钢技术指标应满足表3的规定168
间苯型
甲板树脂
邻苯型
试验项目
拉神强度,MPa
拉伸模量,GPa
弯曲强度,MPa
弯曲模量,GPa
SC/T 8063—2001
表3UP树脂玻璃钢技术指标
湿态弯曲强度保留率,%
湿态套曲模量保留率,%
压缩强度,MPa
压缩模量,GPa
冲击韧性,J/cm
树脂含量,%
所用增强材料为EWR800无扮粗纱布。1
2湿态状态为沸水煮 2 b。
玻璃纤维制品
技术指标
≥260
≥270
≥190
1.65~191.90
5.2.1无碱玻璃纤维制品采用铝硼硅酸盐玻璃成分,其碱金属氧化物含量应不大于0.8%。中碱玻璃纤维制品采用钠钙硅酸盐玻璃成分,其碱金属氧化物含量为11.6%~12.4%。5.2.2玻璃纤维制品采用硅烷增强型漫润剂,其含量为0.5%~2.0%。5.2.3无拾粗纱布
5.2.3.1无粗纱布技术指标应满足表4要求。表4无搭粗纱布技术要求
试验项目
经纬纱线密度,tex
纤维直径+μm
织物密度,根/cm
宽度,cm
单位面积质量,g/m
含水率,%
断裂强力径向
N/布条50×200mm
玻璃钢弯曲强度,MPa
玻璃钢谨态弯曲度保留率,%
CWR800
90,100
900±72
≥2700
≥2700
≥270bzxZ.net
EWR800
90,100
900±72
≥3000
>3 000
EWR600
90,100
585±47
≥2300
EWR530
530±50
≥3 20-0
≥500(径向)
试验项目
SC/T 8063--2001
表4(完)
CWR800
EWR800
玻璃钢采用的不饱和紊酯树脂为船用间苯型不饱和聚酯树脂。2玻璃钢的树脂含量为50%土5%。3湿态状态为沸水煮2 h。
无拾粗纱布外观质量按JC/T281—1994中5.2条要求。5.2. 3.2
EWR600
5.2.3.3其他型号无拾粗纱布要求按JC/T281或JC/T576-1994中第.5章要求。5-2.4编织复合毡
编织复合毡技术指标应满足表5要求。表5编织复合毡技术性能
股妙质量+g/m2
织物走向
毡质量+g/m2
织物总质量?g/m
经纱,tex
纬纱,tex
短切纱,tex
经密.根/25mm
纬密,根/25mm
可燃物含量,%
断裂强力径向
N/布条150×200纬向
玻璃钢弯曲强度,MPa
玻璃钢湿态弯曲强度保留率,%
WFC1805
600±40
750±50
≥7000
≥6 000
玻璃钢采用的不饱和案酯树脂为船用间苯型不饱和聚酯树脂。2
玻璃钢的树脂含量为50%士5%。
湿态状态为沸水煮 2 h.
5.2.5玻璃纤维短切原丝毡
EWR530
WFC1815
600±40
1070±50
≥7000
≥6 000
≥250
玻璃纤维短切原丝毡技术要求按GB/T17470-1998中第5章规定,苯乙烯溶解度指标采用H型。6试验方法
6.1液体树脂的试验方法
液体树脂试验方法按GB/T8237—1987中4.1条进行:羟值按GB/T7193.2进行:含水量按GB/T7380—1995中8.1条和8.3条进行。6.2浇铸体的试验方法
6.2.1浇铸体试件制作按GB/T2567的规定执行。6.2.2浇铸体拉伸性能按GB/T2568的规定进行。6.2.3浇铸体弯曲性能按GB/T2570的规定进行。170
SC/T 8063—2001
6.2.4浇铸体巴氏硬度按GB/T3854的规定进行。6.2.5浇铸体热变形温度按GB/T1634的规定进行。6.2.6浇铸体吸水率按GB/T1462的规定进行。6.3玻璃纤维无粗纱和编织复合毡的试验方法按JC/T281—1994中第6章的规定进行。6.4玻璃纤维短切原丝毡的试验方法按JC/T17470—1998中第6章的规定进行。6.5玻璃钢的试验方法
6.5.1试件加工按GB/T1446—1983中1.1条的规定进行。6.5.2玻璃钢拉伸性能按GB/T1447的规定进行。6.5.3玻璃钢弯曲性能按GB/T1449的规定进行。6.5.4玻璃钢压缩性能按GB/T5258的规定进行。6.5.5玻璃钢冲击性能按GB/T1451的规定进行。6.5.6玻璃钢湿态弯曲性能按GB/T1449的规定进行。6.5.7玻璃钢树脂含量按GB/T2577的规定进行。6.5.8玻璃钢密度按GB/T1463的规定进行。7检验规则
7.1不饱和聚酯树脂检验规则按GB/T8237—1987中第5章的规定。7.2玻璃纤维无拾粗纱布和编织复合毡检验规则按JC/T281—1994中第6章的规定。7.3玻璃纤维短切原丝毡检验规则按GB/T8237一1998中第7章的规定。8包装、标志、运输及整存
8.1产品应附有检验合格证,内容包括:a)生产厂名称;
b)产品牌号、类型、商标;
c)产品质量;
d)加盖质量检验专用章:
e)生产日期或批号。
8.2包装容器必须标明:
a)生产厂名称;
b)商标;
c)产品牌号:
d)类型;
e)产品质量,
f)生产日期或批号:
g)玻璃纤维制品应按GB191要求注明“怕湿”、“禁止滚翻”和堆码层数极限”三种图示;h)不饱和案酯树脂容器应标明“易燃”字样。8.3不饱和聚酯树脂的运输应符合有关的危险、易燃品贮运的规定。8.4产品按品种分别堆存在干燥、通风,避免火种、隔离热源的库房内贮存,树脂贮存温度不大于25℃。
小提示:此标准内容仅展示完整标准里的部分截取内容,若需要完整标准请到上方自行免费下载完整标准文档。
标准图片预览:





- 热门标准
- 水产行业标准(SC)
- SC/T3115-2006 冻章鱼
- SC/T2036-2006 文蛤养殖技术规范
- SC/T3116-2006 冻淡水鱼片
- SC/T3025-2006 水产品中甲醛的测定
- SC/T7202.2-2007 斑节对虾杆状病毒病诊断规程 第2部分:PCR检测法
- SC124-1984 渔轮绞纲机摩擦鼓轮
- SC/T9420-2015 水产养殖环境(水体、底泥)中多溴联苯醚的测定 气相色谱-质谱法
- SC/T8100-2000 渔船轴带交流发电机组安装技术要求
- SC/T7204.1-2007 对虾桃拉综合征诊断规程 第1部分:外观症状诊断法
- SC1039-2000 南方鲇
- SC/T1009-1994 稻田养鱼技术要求
- SC/T2004.2-2000 皱纹盘鲍增养殖技术规范苗种
- SC/T6007-2001 鲤鱼用带式输送机型式基本参数与技术要求
- SC/T2006-2001 牙鲆配合饲料
- SC/T1047-2001 中华鳖配合饲料
- 行业新闻
请牢记:“bzxz.net”即是“标准下载”四个汉字汉语拼音首字母与国际顶级域名“.net”的组合。 ©2025 标准下载网 www.bzxz.net 本站邮件:bzxznet@163.com
网站备案号:湘ICP备2025141790号-2
网站备案号:湘ICP备2025141790号-2