- 您的位置:
- 标准下载网 >>
- 标准分类 >>
- 国家标准(GB) >>
- GB/T 3103.1-2002 紧固件公差 螺栓、螺钉、螺柱和螺母
标准号:
GB/T 3103.1-2002
标准名称:
紧固件公差 螺栓、螺钉、螺柱和螺母
标准类别:
国家标准(GB)
英文名称:
Fastener tolerances Bolts, screws, studs and nuts标准状态:
现行-
发布日期:
2002-12-05 -
实施日期:
2003-06-01 出版语种:
简体中文下载格式:
.rar.pdf下载大小:
869.65 KB
替代情况:
GB/T 3103.1-1982采标情况:
idt ISO 4759-1:2000

点击下载
标准简介:
标准下载解压密码:www.bzxz.net
本标准规定了产品等级为A、B和C级的螺栓、螺钉、螺柱和螺母,以及产品等级为A级的自攻螺钉的公差。 GB/T 3103.1-2002 紧固件公差 螺栓、螺钉、螺柱和螺母 GB/T3103.1-2002

部分标准内容:
[CS 21. 060. 10
中华人民共利国国家标准
CB/T3103.1—2002
idtISo4759-1.2000
紧固件公差www.bzxz.net
螺栓、螺钉、螺柱和螺母
Tolcrances for fasteners
Bolts,screws,studs andl nuts2002-12-05发布
中华人民共和国
国质量管检验检总局
2003-06-01实施
G63303.1-2002
本标消票同采瓜国版杯准[1751:20器件公关:第1部分,性探钉,爆打和频何产最等级AB和级
(刀/T310.总的标题为“紧固件公差”,包据以下部分:GB/T3103.12C02紧以件公差燃栓,频钉、螺片和螺母C:15310%2—1982紧固件公差用于精渐机的探择.深和频册GB/T3103.3203)同件公差平势网-G0/T310:4—1992零司件公差对热用阐教迁接刷本标准是T3203.11982约修订本.主要修改如下:a)珀了自改螺钊的公差(第【盘第章和断录).规定“当本标准马产品标准规定的公差不同时,应以产品标准为准,\【第1章!。)现定“当现定账统小径灿载为求班,而操级大径了燃纹中径轴线的间轴度识差又可以葱略不时(操制频纹),螺敏大在轴线作为型推轴线,用字母两D标记潮纹轴级为其准,测表示以弱经大径拍残为M准线....度安(B/171的规定位用故大实本要求。“(3.)。山)以“位逆”替代同拍度”、“对度”,以“全跳动\替代\垂直度\(32利?)。)见定要以燃的哦验作为,中经底是基推直丝(4,2)[增那“紧因件只与公差的标法示测\录》,塔加品规和其他测原表查示创”附录)。本标准自实随之H起,代带G,13103.1—1982。术标非的附录A,求刀和附求C郝是提小的时本标推出中区乳械工业账合会据出.本标准由全国累固件标化技术委会计口。本标证再机忧科学研究院负责起草,交全2丹标非伦接未安安会孩处负责解将。本标铺十8车首放发,
GB/T3103.12002
ISO前言
1国际标准化组织)后-个世界件的务国家标准团体(成员团体)的联合组织.国际环的制定工作避常是通过IS门I各个发术委员会进行的。每~成员团体如对某一装术委员会所进行的坝凡感兴趣时,也可参川该委员会。与IS有关的改府的和非改府的回际组织出可参加此须工件,SO与国际电T变品会(IC)在T标难化方而有著案场的系。国际标准的起带应接IS/IEC指南第部分给自的规则进行.经执术委员会采纳的国际标准草案,分发给所有成员团休逊行批票态决。国际标准的正式出版需恶率少7乐的成员风评没票实成
同际标准1S047591山IS0/2以生持术委会7紧件美标准分委民含制定第二版对第-版(1S0473-:18)迷行了别改与补充,是交术性修订1)4759总名称为“露固贴公差”,包报以下帮分第1部分:螺检、探钉.端性和螺限产品等级A,乃和C级一第2部分:摄纹直稳为1--3切产品等组F、州于紧步机械的螺栓探钉和螺一第3部分:螺检、钊和端母平势产品等级A知心级150479本部分的附录A一附录C层提示的附录。1范画
中华人民共和国国家标准
紧固件公差
螺栓,螺钉、螺柱和螺
Tolerances Inr fasteners
Bolts,srtews.stiksal mts
GB/T3103.1—2002
idt 1S0 4759-1:2000
代CB:T3103.11632
准定了产品等级沟A.和C级的媒轻,螺、龈让和燃件,以及产品等级为4驱的自攻频钉的公案。
注:“品等由公差大小研定,在纸最精实心级量不精确,除频效公差外,所有尺寸公差选自GB/T181.2和GH/个13H,4。普通频纹公差摘GH/TF1F,自收螺放公差由1/T5280络形状和位置公举的现定和表小方达应符合GB/T1182.GB/T4249知GH/1671规定偿非见有规定,本标难规定的公差适用十离固件链前尺寸,义见B52?.-。当本标准与产品标规定的公差不同时,应以产品标准为准。推标非标准紧固件也采用这些公差。在本标准中给出的尺寸称公券均以nur.计:2引用标准
下列标准所包吉的策文,通过性本标难中引用面构成为本标准的条立:本标准出版叫,斯示版木均为有效,所有标准等含议整打,使用车标准的各力应换付使用下列标准最新版的可能性。/173.32000内$沉头钉(e9VS015542,1997)(H/1!41.1—!X5需用+字格(cgIS门4757,1083)B/T1_92—1906形状利位公差通则,定义、符号和图样表示法(eIS110!:16)1/T1800.2—1098微限配基础第2郭分:公差、偏差和比合的基本规定eq150235-1:1988)
GH:180—1披限与配标准公差等级和拍的极限偏荒[1286-7:8GB/T25:5—1081
当追账较筛差我(卓将1-~35>11G/T 3'03—2002
2书通爆栓和螺头下遇角半径(id=1S0885:2000)G/12191996公崇则(cq1)80151985)20电
325—8紧固件螺栓螺频代和注225:19%GR/T52731985
G/T 5230—2005
B:T528
GK/T 5170-200
流头螺美形状利视量(:1S07721:10R3改燃用效(idt15)1478:99)
六头月攻爆(41501473:1083
中华人民共和国国家质监督检验检疫总局20021205批准2003-06-01买施
GB/T 3103.1—2002
G/Ti1882c轻环钉用六角花形(idt150)[0664:1999)GB/T166711996形状和价置公差量大实休费交,最小实体要求和可要求(eqvIS0 26!2:1596)
G/168211—199?六角含缘自改螺50706392)G3/T15824.21S97六法兰面自攻燃钉(idt1S)1050S:1992)3螺推、螺钉和螺柱公费
3.1尺寸公差
尺寸号和标择按G3/T5275既定,部
3. 1. 1公差水平
托部刘克面
其他部位
3. 1.2 外螺纹
3.1.3扳部位
3. 1.3. 1外换拧
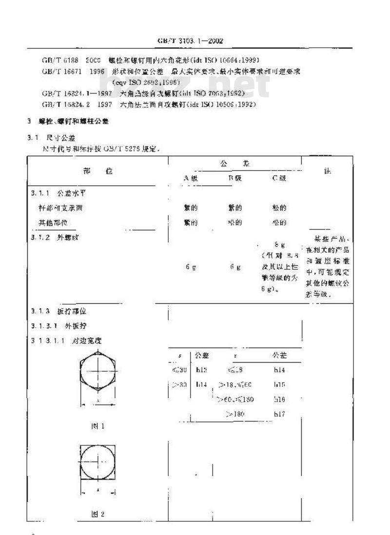
313.1.1对边宽度
H对R3
控具以上性
等等战的火
些产战
·在相关的产品
到嫩层标准
中,可能规定
其他内螺纹公
差等级,
3.1.3.1.2对角宽境
3.1.3.1.3买部商度
CB/T3103.1-2002
...= 1. 13 s..
=1.[2:…(瓜」达兰面黑榨和螺针以及共他冷锁成划门万划边工车的产品
..1.3..
六策法而课经析板钉,见定急刊按大值
3. 1. 3. 1 4 板柠高度
GH/T 3103. 1—2002
II5) -
d.ar1sn..
收:1.25或mn.4中的
较大值:
——法兰角。
民和寸的代号和际适按
GB/T 5276。
。确定
长度蕴国山,
除、垫菌
面或圆角以外
的对率宽度均
宽约el
该心寸在相关
的产战标准中
第公式夜系店
树,适同于所
例举的产品,
1)代号点
状芒以前独用
2)本规检
验,果相应产
5标准的附足
3.1.3.2内扳扩
3. 1.3. 2. 1内六
3. 1. 3. 2. 2非究度
GB/T 3103. 1--2002
C13用于1
C1再了
3.1. 3.2.3内角和开模深[
3. 1. 3. 2. 4[字错
3.1.3.2.5内六负花步
3.1.4其他部位
3.1.4.1火部直径
图:3
GL/T3103.1—2002
内六角和
并深度士
产品标推中
规定最小
伯,它受最
小晓厚心
的限制
除拥人深变外的所有民小见
插人深度见相关的产品标窄
除插入模度外的所有:见
GH/T 6188.
通人深使见划关的产毕标准
日前还不能
规究适用的公
1)滚花头用
沉义螺钉直
统与度的练
合控制、格
G/T5279成
GET70.3越
3.1.4.2头部高度
(除角头以外的)
3.1.4.3文承面直轻利垫两面商度2.6 :1
1的仲缺巫,
GA/T3103.—2002
Me:h13
~M5,h14
沉头需钉尺寸在产品标准中仅想定股人佰
用边宽
沉头燃钙点
径与高度的综
合笠制,按
(HT 5379 或
GB/T 70. 3 现
图面记片强型
dl mar — 0. 95ram C 用于对边宽度性的。 :
disann
1.6---2. 3
7>4--5
>6~-[4
-14~-36
id,的神效基准,
)。的种献准:
GB/T3103.1-2002
产品标准仪规定d,的最小
需纹直径
dn—0. 11
rfamir.—1. 2
仅对A绶产
有退刀梢的
产,见村
艾的产作标准.
无退格的产品按/坏定
3.1.4.4公称长
GB/T 3103.1—2002
15c:js17
>:59:—T1F
小提示:此标准内容仅展示完整标准里的部分截取内容,若需要完整标准请到上方自行免费下载完整标准文档。
中华人民共利国国家标准
CB/T3103.1—2002
idtISo4759-1.2000
紧固件公差www.bzxz.net
螺栓、螺钉、螺柱和螺母
Tolcrances for fasteners
Bolts,screws,studs andl nuts2002-12-05发布
中华人民共和国
国质量管检验检总局
2003-06-01实施
G63303.1-2002
本标消票同采瓜国版杯准[1751:20器件公关:第1部分,性探钉,爆打和频何产最等级AB和级
(刀/T310.总的标题为“紧固件公差”,包据以下部分:GB/T3103.12C02紧以件公差燃栓,频钉、螺片和螺母C:15310%2—1982紧固件公差用于精渐机的探择.深和频册GB/T3103.3203)同件公差平势网-G0/T310:4—1992零司件公差对热用阐教迁接刷本标准是T3203.11982约修订本.主要修改如下:a)珀了自改螺钊的公差(第【盘第章和断录).规定“当本标准马产品标准规定的公差不同时,应以产品标准为准,\【第1章!。)现定“当现定账统小径灿载为求班,而操级大径了燃纹中径轴线的间轴度识差又可以葱略不时(操制频纹),螺敏大在轴线作为型推轴线,用字母两D标记潮纹轴级为其准,测表示以弱经大径拍残为M准线....度安(B/171的规定位用故大实本要求。“(3.)。山)以“位逆”替代同拍度”、“对度”,以“全跳动\替代\垂直度\(32利?)。)见定要以燃的哦验作为,中经底是基推直丝(4,2)[增那“紧因件只与公差的标法示测\录》,塔加品规和其他测原表查示创”附录)。本标准自实随之H起,代带G,13103.1—1982。术标非的附录A,求刀和附求C郝是提小的时本标推出中区乳械工业账合会据出.本标准由全国累固件标化技术委会计口。本标证再机忧科学研究院负责起草,交全2丹标非伦接未安安会孩处负责解将。本标铺十8车首放发,
GB/T3103.12002
ISO前言
1国际标准化组织)后-个世界件的务国家标准团体(成员团体)的联合组织.国际环的制定工作避常是通过IS门I各个发术委员会进行的。每~成员团体如对某一装术委员会所进行的坝凡感兴趣时,也可参川该委员会。与IS有关的改府的和非改府的回际组织出可参加此须工件,SO与国际电T变品会(IC)在T标难化方而有著案场的系。国际标准的起带应接IS/IEC指南第部分给自的规则进行.经执术委员会采纳的国际标准草案,分发给所有成员团休逊行批票态决。国际标准的正式出版需恶率少7乐的成员风评没票实成
同际标准1S047591山IS0/2以生持术委会7紧件美标准分委民含制定第二版对第-版(1S0473-:18)迷行了别改与补充,是交术性修订1)4759总名称为“露固贴公差”,包报以下帮分第1部分:螺检、探钉.端性和螺限产品等级A,乃和C级一第2部分:摄纹直稳为1--3切产品等组F、州于紧步机械的螺栓探钉和螺一第3部分:螺检、钊和端母平势产品等级A知心级150479本部分的附录A一附录C层提示的附录。1范画
中华人民共和国国家标准
紧固件公差
螺栓,螺钉、螺柱和螺
Tolerances Inr fasteners
Bolts,srtews.stiksal mts
GB/T3103.1—2002
idt 1S0 4759-1:2000
代CB:T3103.11632
准定了产品等级沟A.和C级的媒轻,螺、龈让和燃件,以及产品等级为4驱的自攻频钉的公案。
注:“品等由公差大小研定,在纸最精实心级量不精确,除频效公差外,所有尺寸公差选自GB/T181.2和GH/个13H,4。普通频纹公差摘GH/TF1F,自收螺放公差由1/T5280络形状和位置公举的现定和表小方达应符合GB/T1182.GB/T4249知GH/1671规定偿非见有规定,本标难规定的公差适用十离固件链前尺寸,义见B52?.-。当本标准与产品标规定的公差不同时,应以产品标准为准。推标非标准紧固件也采用这些公差。在本标准中给出的尺寸称公券均以nur.计:2引用标准
下列标准所包吉的策文,通过性本标难中引用面构成为本标准的条立:本标准出版叫,斯示版木均为有效,所有标准等含议整打,使用车标准的各力应换付使用下列标准最新版的可能性。/173.32000内$沉头钉(e9VS015542,1997)(H/1!41.1—!X5需用+字格(cgIS门4757,1083)B/T1_92—1906形状利位公差通则,定义、符号和图样表示法(eIS110!:16)1/T1800.2—1098微限配基础第2郭分:公差、偏差和比合的基本规定eq150235-1:1988)
GH:180—1披限与配标准公差等级和拍的极限偏荒[1286-7:8GB/T25:5—1081
当追账较筛差我(卓将1-~35>11G/T 3'03—2002
2书通爆栓和螺头下遇角半径(id=1S0885:2000)G/12191996公崇则(cq1)80151985)20电
325—8紧固件螺栓螺频代和注225:19%GR/T52731985
G/T 5230—2005
B:T528
GK/T 5170-200
流头螺美形状利视量(:1S07721:10R3改燃用效(idt15)1478:99)
六头月攻爆(41501473:1083
中华人民共和国国家质监督检验检疫总局20021205批准2003-06-01买施
GB/T 3103.1—2002
G/Ti1882c轻环钉用六角花形(idt150)[0664:1999)GB/T166711996形状和价置公差量大实休费交,最小实体要求和可要求(eqvIS0 26!2:1596)
G/168211—199?六角含缘自改螺50706392)G3/T15824.21S97六法兰面自攻燃钉(idt1S)1050S:1992)3螺推、螺钉和螺柱公费
3.1尺寸公差
尺寸号和标择按G3/T5275既定,部
3. 1. 1公差水平
托部刘克面
其他部位
3. 1.2 外螺纹
3.1.3扳部位
3. 1.3. 1外换拧
313.1.1对边宽度
H对R3
控具以上性
等等战的火
些产战
·在相关的产品
到嫩层标准
中,可能规定
其他内螺纹公
差等级,
3.1.3.1.2对角宽境
3.1.3.1.3买部商度
CB/T3103.1-2002
...= 1. 13 s..
=1.[2:…(瓜」达兰面黑榨和螺针以及共他冷锁成划门万划边工车的产品
..1.3..
六策法而课经析板钉,见定急刊按大值
3. 1. 3. 1 4 板柠高度
GH/T 3103. 1—2002
II5) -
d.ar1sn..
收:1.25或mn.4中的
较大值:
——法兰角。
民和寸的代号和际适按
GB/T 5276。
。确定
长度蕴国山,
除、垫菌
面或圆角以外
的对率宽度均
宽约el
该心寸在相关
的产战标准中
第公式夜系店
树,适同于所
例举的产品,
1)代号点
状芒以前独用
2)本规检
验,果相应产
5标准的附足
3.1.3.2内扳扩
3. 1.3. 2. 1内六
3. 1. 3. 2. 2非究度
GB/T 3103. 1--2002
C13用于1
C1再了
3.1. 3.2.3内角和开模深[
3. 1. 3. 2. 4[字错
3.1.3.2.5内六负花步
3.1.4其他部位
3.1.4.1火部直径
图:3
GL/T3103.1—2002
内六角和
并深度士
产品标推中
规定最小
伯,它受最
小晓厚心
的限制
除拥人深变外的所有民小见
插人深度见相关的产品标窄
除插入模度外的所有:见
GH/T 6188.
通人深使见划关的产毕标准
日前还不能
规究适用的公
1)滚花头用
沉义螺钉直
统与度的练
合控制、格
G/T5279成
GET70.3越
3.1.4.2头部高度
(除角头以外的)
3.1.4.3文承面直轻利垫两面商度2.6 :1
1的仲缺巫,
GA/T3103.—2002
Me:h13
~M5,h14
沉头需钉尺寸在产品标准中仅想定股人佰
用边宽
沉头燃钙点
径与高度的综
合笠制,按
(HT 5379 或
GB/T 70. 3 现
图面记片强型
dl mar — 0. 95ram C 用于对边宽度性的。 :
disann
1.6---2. 3
7>4--5
>6~-[4
-14~-36
id,的神效基准,
)。的种献准:
GB/T3103.1-2002
产品标准仪规定d,的最小
需纹直径
dn—0. 11
rfamir.—1. 2
仅对A绶产
有退刀梢的
产,见村
艾的产作标准.
无退格的产品按/坏定
3.1.4.4公称长
GB/T 3103.1—2002
15c:js17
>:59:—T1F
小提示:此标准内容仅展示完整标准里的部分截取内容,若需要完整标准请到上方自行免费下载完整标准文档。

标准图片预览:





- 其它标准
- 热门标准
- 国家标准(GB)
- GB/T50062-2008 电力装置的继电保护和自动装置设计规范
- GB50090-2006 铁路线路设计规范
- GB/T228.1-2021 金属材料 拉伸试验 第1部分:室温试验方法
- GB/T2828.1-2012 计数抽样检验程序 第1部分:按接收质量限(AQL)检索的逐批检验抽样计划
- GB/T6682-2008 分析实验室用水规格和试验方法
- GB/T37649-2019 化妆品中硫柳汞和苯基汞的测定高效液相色谱-电感耦合等离子体质谱法
- GB/T11132-2008 液体石油产品烃类的测定 荧光指示剂吸附法
- GB/T3289.26-1982 可锻铸铁管路连接件型式尺寸 内接头
- GB50508-2010 涤纶工厂设计规范
- GB/T21666-2008 尿吸收辅助器具 评价的一般指南
- GB/T33049-2016 偏光片用光学薄膜 涂层附着力的测定方法
- GB/T11982.2-1996 聚氯乙烯卷材地板 第2部分:有基材有背涂层聚氯乙烯卷材地板
- GB4623-1994 环形预应力混凝土电杆
- GB/T14929.2-1994 花生仁、棉籽油、花生油中涕灭威残留量测定方法
- GB/T22807-2008 皮革和毛皮 化学试验 六价铬含量的测定
- 行业新闻
请牢记:“bzxz.net”即是“标准下载”四个汉字汉语拼音首字母与国际顶级域名“.net”的组合。 ©2025 标准下载网 www.bzxz.net 本站邮件:bzxznet@163.com
网站备案号:湘ICP备2025141790号-2
网站备案号:湘ICP备2025141790号-2