- 您的位置:
- 标准下载网 >>
- 标准分类 >>
- 公共安全行业标准(GA) >>
- GA 176-1998 公安移动通信网警用自动级规范
标准号:
GA 176-1998
标准名称:
公安移动通信网警用自动级规范
标准类别:
公共安全行业标准(GA)
标准状态:
现行-
发布日期:
1998-04-27 -
实施日期:
1998-05-01 出版语种:
简体中文下载格式:
.rar.pdf下载大小:
5.94 MB
标准ICS号:
电信、音频和视频技术>>电信系统>>33.040.40数据通信网络中标分类号:
综合>>社会公共安全>>A90社会公共安全综合
点击下载
标准简介:
标准下载解压密码:www.bzxz.net
本标准规定了公安移动通信网警用自动级的网络体制;工作频段(工作频率);设备性能主要指标;功能指令;传输协议;联网,漫游,登记和编号计划,人机界面等规则。本标准适用于公安系统警用自动级设备和系统软件的开发、生产、选型、购置、设备检测和组网管理。 GA 176-1998 公安移动通信网警用自动级规范 GA176-1998
部分标准内容:
ICS.33.040.40
中华人民共和国公共安全行业标准GA 1761998
公安移动通信网警用自动级规范Police automatic network scheme-One of mobile communications for public security1998-04-27发布
中华人民共和国公安部发布
1998-05-01实施
GA 176—1998
引用标
本标准的子标准
警用自动级设备电性能主要指标警用自动级系统参数的设定
警用自动级基本功能要求及几项补充规定7
8警用自动级用户分队编号计划(CPS)附录A(标准的附录)队号用户号与ID号对照表附录B(提示的附录)
参照标准和技术资料
GA176—1998
为了统一规范全国各级公安机关组建的警用自动级移动通信网,特制定本标准。本标准对网络系统:和设备提出了一系列技术要求和应用管理规范,是一个集技术、建设、应用、管理的综合标准。公安移动通信体制规范规定公安移动通信网分三个等级:1.警用基本级;2.警用功能级;3.警用自动级。本标准是以模拟集群系统为原型的警用自动级规范。主要内容是等效采用欧洲集群式专用陆地移动无线电系统信令标准MPT-1327(1988)和用于商业集群网的无线单元与系统的界面规范MPT-1343(1988),并结合我国公安的实际需要补充了几项功能指令,对接口界面的分队编号计划做了一些调整和新的规定。
MPT-1327和MPT-1343内容十分丰富,章条文本积有千页之重,若要译为中文,工作量很大,费时甚久;且系专业文件,译文也难以保证准确。故仍以原文配附,作为本标准等效采用的一个子标准。本标准的附录A是标准的附录。
本标准的附录B是提示的附录。
本标准由中华人民共和国公安部提出。本标准由中华人民共和国公安部通信标准化技术委员会归口。本标准由公安部办公厅通信中心负责起草。本标准主要起草人:李永祥。
1范围
中华人民共和国公共安全行业标准公安移动通信网警用自动级规范Police automatic network scheme-One of mobile communications for public securityGA 1761998
本标准规定了公安移动通信网警用自动级的网络体制;工作频段(工作频率);设备性能主要指标;功能指令;传输协议;联网,漫游,登记和编号计划,人机界面等规则。理。
本标准适用于公安系统警用自动级设备和系统软件的开发、生产、选型、购置、设备检测和组网管2引用标准
下列标准所包含的条文,通过在本标准中引用而构成为本标准的条文。本标准出版时,所示版本均为有效。所有标准都会被修订,使用本标准的各方应探讨使用下列标准最新版本的可能性。MPT-1327(1988)专用陆地移动无线集群系统信令标准A signalling standard for trunked private land mobile radio systemsMPT-1343(1988)工作在频段子带2上的商业集群网无线用户单元与系统的界面规范System interface specification for radio units to be used with commercial trunked networks operating in band sub-band 2
3本标准的子标准
本标准分为下列几个子标准。
3.1警用自动级设备电性能主要指标。3.2警用自动级集群控制器(TSC)与用户单元(RU)间的通信协议。本子标准除另有规定(见3.4)外,均等效采用MPT-1327规约。3.3警用自动级收发信机参数、信道捕获、申请入网、核验登记规则和界面规定。本子标准除另有规定(见3.5)外均等效采用MPT-1343规约。3.4警用自动级基本功能要求及几项补充规定。3.5警用自动级用户分队编号计划。4定义
本标准采用下列定义。
4.1归属组homegroup
每个用户除配发一个个呼用户号外,还按所属单位共享一个队号,并按行政关系划归某一属组,共享个归属组号。
4.2参与组joingroup
中华人民共和国公安部1998-04-27批准1998-05-01实施
GA176—1998
每个用户除平时在归属组内活动外,还经常参加本组外的一些配合协同工作,主组单位应分配一个组呼号码赋与参加者,名为参与组。一个用户视工作需要可赋与多个(如四个)参与组号。4.3动态组dynamicgroup
动态组是临时组织的警务行动小组使用的组呼号码。主组单位通过调度员发动态重组指令,向参加者赋与动态组号。任务完成,行动小组解散后,该动态组号即予取消。4.4当前组currentgroup
当前组是正处在值守运行位址上的某个组呼号。这个位址上的组号不是固定不变的,平时为归属组占居,有外接任务时,由某个参与组或动态组占居。4.5段队结构block-fleetarchitecture个区号(前缀PFIX)内的8100个ID号码等分为十段,队规模共分四级,同--段内各队规模相同。一个区号内段队规模的组配情况称作段队结构。4.6通用段和选用段universalblockandselectblock在两个或两个以上区号间,如它们相应段的队规模相同,这些段称作通用段(Bu);若其相应段的队规模不同或不完全相同,则称作选用段(Bs)。整用自动级设备电性能主要指标5
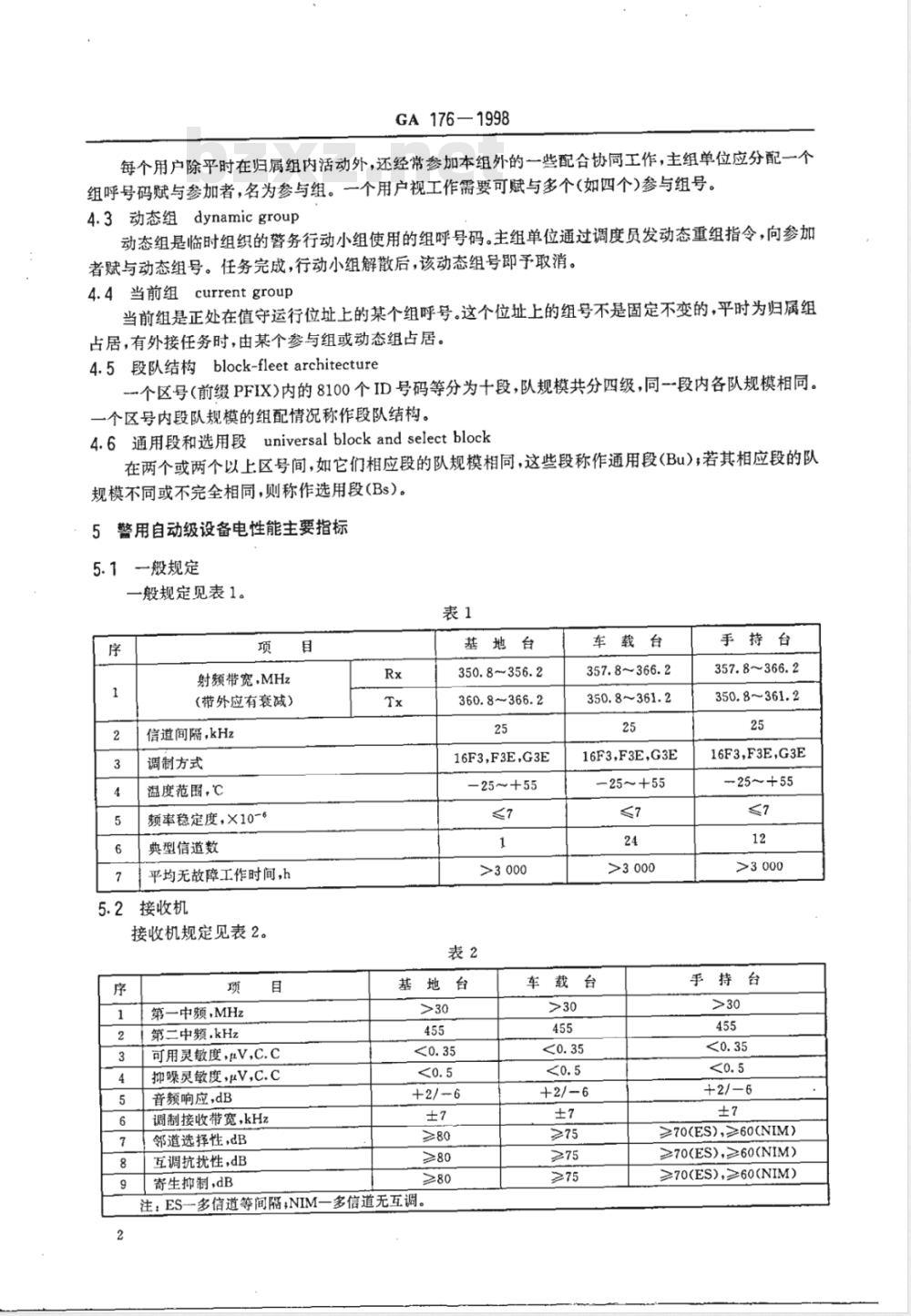
5.1一般规定
一般规定见表1。
射频带宽,MHz
(带外应有衰减)
信道间隔,kHz
调制方式
温度范围,℃
频率稳定度,×10-6
典型信道数
平均无故障工作时间,h
接收机
接收机规定见表2。
第一中频,MHz
第二中频.kHz
可用灵敏度,μV,c.c
抑噪灵敏度V,C.c
音频响应,dB
调制接收带宽,kHz
邻道选择性,dB
互调抗扰性,dB
基地台
350.8~~356.2
360.8~366.2
16F3,F3E,G3E
-25~+55
基地台
寄生抑制,dB
注:ES一多信道等间隔,NIM一多信道无互调。车载台
357.8~366.2
350.8~361.2
16F3,F3E,G3E
-25~+55
车载台
手持台
357.8~366.2
350.8~361.2
16F3,F3E,G3E
-25~+55
手持台
≥70(ES)≥60(NIM)
≥70(ES),≥60(NIM)
≥70(ES),≥60(NIM)
5.3发射机
发射机规定见表3。免费标准下载网bzxz
功率,W
调制限制,kHz
音频响应,dB
剩余调频,dB
邻道发射,μw
杂波发射,dB
共址多信道发射隔离,dB
GA 1761998
基地台
车载台
手持台
≤-70(ES),≤-60(NIM)
≥70(ES)≥40(NIM,P>25W);≥30(NIM,P≤25W)注:ES一多信道等间隔;NIM一多信道无互调。5.4时限要求
发射机起动上升(从满额功率的10%上升到90%)时间小于16bit,即小于13.3ms。收发转换(接收结束到发射上升达90%)时间小于36bit,即小于30ms。6警用自动级系统参数的设定
6.1信道编号及控制信道的规定
6.1.1信道间隔与信道编号
信道间隔为25kHz,从358.025MHz开始按偶数顺序编号。信道编号与频率一一对应,全国一致。单频段
信道编号
信道编号
信道编号
0000000010
0000000100
0011110000
双频段I
0011110010
0011110100
电电电电
1000110000
双频段I
1000110010
1000110100
+............
1010000000
频率,MHz
频率,MHz
351.025/361.025
351.050/361.050
355.000/365.000
频率,MHz
355.025/365.025
355.050/365.050
356.000/366.000
GA 176—1998
6.1.2控制信道的规定
根据《350兆频率指配方案》规定双频每大组的第4、第8、第12频点为控制信道的可选频点,这样控制信道范围缩小为30个,即系统的控制信道一般应从这30个信道范围内选择。移动台扫描控制信道时,应从自已系统的控制信道(home)开始扫起,以便尽快锁定在本系统的控制信道(home)上。
控制信道号的顺序如下:
信道号
6.2系统码SYS的规定
0100101110
0100110000
0100110010
0100110100
0100110110
0100111000
0100111010
0100111100
0100111110
0101000000
0101111110
0110000000
0110000010
0110000100
0110000110
0110001000
0110001010
0110001100
0110001110
0110010000
0111001110
0111010000
0111010010
0111010100
0111010110
0111011000
0111011010
0111011100
0111011110
0111100000
频率编号
P95-62
P95--64
P95-66
P95--68
P95--70
P95-72
P95--74
P95-76
P95-78
P95-80
P95-142
P95—144
P95—146
P95—148
P95—150
P95—152
P95-154
P95---156
P95—158
P95—160
P95--222
P95—224
P95—226
P95—228
P95—230
P95—222
P95—234
P95—236
P95—238
P95—240
个含有唯一的系统特征的15比特码。系统基站通过控制信道周系统码是一个系统的身份码,是一期性地发射本系统的系统码,每个移动台都会随时自动地将收到的系统码与内存的系统码加以比较,用来确定是否有资格入网。
6.2.1系统码SYS的格式
比特位:1
其中:比特位1:1表示全国性网络;GA 176--1998
比特位2~3:NET=00表示公安一号网络;比特位4~12:NDD表示网络特征参数;比特位13~15:LAB=001~111表示控制信道类型。加上前导比特0,完整的控制信道系统码(CCSC)共16比特,通常按十六进制(Hex)记读。6.2.2网络特征参数NDD的规定
NDD占用比特位4~12共9比特,分两段。前段4比特短码规定为省、自治区、直辖市编码,称为省级系统码(Zone)。Zone4比特短码的值为0001~1111(0000不用),共15个码。每两个不相邻、相距较远的省(区、市)共用-个4比特短码(Zone),由公安部统一分配。后段5比特规定为地级(市、县)区域的编码,前后两段合起来共9比特长码称为地级系统码(Area)。长码Area的值是:Zone00001~Zone11111,每省(区、市)公安厅、局将本省(区、市)划分为若干个区域,每个区域分配一个9比特的地级系统码(Area)。划分时,可以市、地或县为一个区域,划分的区域可以不足31个,也可以超过31个。每个区域分配一个9比特长码(Area),长码(Area)可以重复使用。一个长码(Area)可以有一个系统,也可以有多个系统。
由公安部统-分配的省级系统码(Zone)和地级系统码(Area)如下:系统
北京市
天津市
河北省
山西省
内蒙古自治区
辽宁省
吉林省
黑龙江省
上海市
江苏省
浙江省
重庆市
安徽省
福建省
江西省
山东省
6.3用户单元系统参数的确定
6.3.1系统码参数的设定
湖南省
湖北省
海南省
广西壮族自治区
广东省
贵州省
四川省
河南省
云南省
西藏自治区
青海省
宁夏回族自治区
陕西省
甘肃省
新疆维吾尔自治区
省级系统码
(Zone)
地级系统码
(Area)
000100001000111111
(其中000100001~000100011为公安部)0010
001000001~001011111
001100001~001111111
010000001010011111
010100001~010111111
011000001~011011111
011100001~011111111
100000001~100011111
100100001~100111111
101000001~101011111
101100001~101111111
110000001~110011111
110100001~110111111
111000001111011111
111100001~111111111
用户单元内存的系统码参数是由系统管理者写入的,除Zone、Area,还有Zone参数Lz,Area参数La。这些参数决定了该移动台的入网资格和使用范围。可根据移动台的不同等级设定其L和La:a)移动台只限在本地区(市、县)内(Area指定的区域)的系统中使用时:Lz=9,La=9;b)移动台只限在本省(区、市)内(Zone指定的区域)的系统中使用时:Lz=4,La=9;c)各省也可根据需要规定某些移动台的L和La。5
GA 176—1998
移动台可存储多种系统码SYS,必要时可将有关系统的网络参数NDD对应的Zone、Area、Lz、La存在移动台中,供使用者调用省(区、市)内某一系统或跨省(区、市)时调用其中某-·系统。移动台的控制信道类型一般规定为A类,也可根据需要规定为B,C,D类。6:3.2用户单元入网核验主要程序当一个移动台试图进入某一系统时,它将逐个检查系统控制信道发来的系统码SYS与移动台内存的相应参数是否一致。
第一步先比较比特位1,如是1表示是全国性网络,相互匹配则移动台有权入网,否则无权入网;第二步比较比特位2~3,NET为00规定是公安一号网,如一致则移动台有权入网,否则无权入网;
第三步比较网络特征参数NDD。移动台根据设定的地级系统码Area及有效长度La和省级系统码Zone及有效长度Lz,首先检查系统发来的Area与移动台内存的长度为La的Area是否一致,若一致则此移动台有权入网工作。若不一致则再检查系统发来的Zone与移动台内存的长度为L的Zone是否一致,若一致则此移动台有权入网工作;如不致,则无权入网工作。最后比较控制信道类型LAB,一般规定LAB=001允许AB,C,D类型的移动台都可入网,也可根据需要规定LAB为其他6个数值。如果移动台系外来户,只要其系统码(SYS)及参数符合规范,也可发RQR请求登记入网。7警用自动级基本功能要求及几项补充规定7.1系统基本功能
信令格式、码字结构均见MPT-1327。7.1.1RQS简单呼叫。
7.1.2RQE紧急呼叫。
7.1.3RQT转移呼叫(自身转移)。7.1.4ALLI系统呼叫(被呼ID号为8191)。7.1.5INCI包容呼叫。
7.1.6繁忙排队,自动回叫。
7.1.7RQQ状态信息。
短数据呼叫。
指令脱网并维持。
有无线自动转接。
系统的简单呼叫接续时间小于等于0.5s。信道控制功能:系统中各话务信道均可成为控制信道的备份。当用户排队数目达到一定参数7.1.12
时,控制信道可自动切换为临时通话信道。一且某一话务信道释放后,该临时通话信道随即又返为控制信道。
系统内能多基站联网并能完成跨站组呼功能。系统应有扩展能力及兼容性。
7.2系统管理功能
7.2.1优先级别设定。
7.2.2通话限时。
7.2.3话务量统计与计费。
7.2.4系统实时状态显示、监控:包括排队数目、信道占用情况、用户通话状态、有线电话号码、话音和数据业务等。
7.2.5系统参数的实时修改。
GA 176—1998
7.2.6系统内可设若干调度台(ID:8170~8179)。7.3系统维护功能
7.3.1系统自检。
7.3.2故障弱化。
7.4用户单元(RU)参数设定
7.4.1系统码(SYS)按要求至少设置两套(含参数Lz、La等)。7.4.2按需要设置控制信道搜索范围和程序。7.4.3RU可按系统码中的LAB设置A、B、C、D类型(默认A型)。7.4.4用户号码段队结构参数(1,m,s)的设定和调整。7.5用户单元(移动台)的基本功能信令格式、码字结构均见MPT-1327。同区同队单呼(至少显示3位,默认队号2位)。7.5.1
同区跨队单呼(至少显示5位)。7.5.3
跨区单呼(必须有相应的跨区提示)。7.5.4
同区同队组呼(3位)。
同区跨队组呼(5位)。
跨区跨队组呼(有相应的跨区提示)。7.5.6
参与组、动态组组号设置数应大于等于8个。当前组的保持与切换(自动,人工)。无线单元(RU)呼PABX有线用户。无线单元(RU)呼PSTN有线用户。有线用户呼无线单元(RU)。
队内全呼(本队最后一个组呼号)。ALLI系统呼(8191)。
呼叫调度台(1字头3位拨号,跨区时可加拨前缀号)。RQE紧急呼叫。
RQT转移呼叫。
INCI包容呼叫。
ACKQ受令排队。
RQQ状态信息。
RQC短数据呼叫。
RQR自动登记漫游入网。
人工选择基站入网。
人工和指令脱网。
车载式移动台应有RS232(MAP-27)数据接口。7.6几项警用功能指令的规定
对MPT信令中没有定义的警用功能作如下定义,这些功能对系统或用户单元都属基本的功能要求。
7.6.1动态重组((AHYI)
本功能格式定义为MPT-1327的5.5.3.2.2。此信令由基站的控制信道发出,改变被叫移动台的动态组号,被叫移动台接收到后,应在下一个时隙发射一个确认信号(ACK),并将该动态组号设置为当前组。7
信令格式:
GA 176—1998
1 PFIX IDENT11 000
其中:PFIX一被叫移动台的区号;3
IDENT1一被叫移动台的身份码;IDENT2
IDENT2一动态组号,当IDENT2为零时则清除该动态组号。7.6.2遥(AHYK)
本功能格式定义为MPT-1327的5.5.3.2.4。此信令由基站的控制信道发出,使被遥毙移动台不能正常工作,被遥毙移动台收到后应在下一个时隙发射一个确认信号(ACK)。
信令格式:
1PFIXIDENT11 000 10
其中:PFIX被遥毙移动台的区号;TSCI
IDENT1一被遥移动台的身份码,TSCI一遥毙主体TSC的身份码8190。7.6.3恢复(AHYL)
本功能格式定义为MPT-1327的5.5.3.2.5。此信令由基站的控制信道发出,恢复被遥毙移动台,使之正常工作,被恢复移动台收到后应发射一个确认信号(ACK)。
信令格式:
1PFIXIDENT1100010100TSCI000001
其中:PFIX一被恢复移动台的区号;IDENT1一被恢复移动台的身份码;13
TSCI一恢复主体TSC的身份码8190。5
7.6.4告警
本功能利用信令RQE(紧急呼叫方式)呼叫系统调度接警台的身份号8180,调度台上应有声光警响显示,移动台上应有特殊的告警按键。按MPT-1327的5.5.3.1.5执行。
7.7调度台
7.7.1设备类型:简便的有车载台或电话机型;高级的PC机型。7.7.2联接方式:实线直联;无线传输。7.7.3基本功能:单呼,组呼,包容呼,全队呼,监听,跟踪,维持,强拆;动态重组,信道开放,预案录存,实时状态显示。
8警用自动级用户分队编号计划(CPS)MPT-1327设置的用户地址码共20bit,按MPT-1343规定前7bit为前缀(Prefix)区域码,共128个,三位编号200~327;后13bit为身份识别号码共8192(含全0bit)个,其中8101~8191为特殊用户身份号,1~8100为一般用户识别号,包括个呼号和组呼号,个呼号与组呼号之比为7:1。本标准坚持采用MPT-1343的上述规定,而对其分队编号计划作如下新规定,并命名为MPT-1343-CPS。CPS拨号方式的全码结构是:区号(三位)十个(组)呼队号(两位)十个(组)呼用户号(三位)8
小提示:此标准内容仅展示完整标准里的部分截取内容,若需要完整标准请到上方自行免费下载完整标准文档。
中华人民共和国公共安全行业标准GA 1761998
公安移动通信网警用自动级规范Police automatic network scheme-One of mobile communications for public security1998-04-27发布
中华人民共和国公安部发布
1998-05-01实施
GA 176—1998
引用标
本标准的子标准
警用自动级设备电性能主要指标警用自动级系统参数的设定
警用自动级基本功能要求及几项补充规定7
8警用自动级用户分队编号计划(CPS)附录A(标准的附录)队号用户号与ID号对照表附录B(提示的附录)
参照标准和技术资料
GA176—1998
为了统一规范全国各级公安机关组建的警用自动级移动通信网,特制定本标准。本标准对网络系统:和设备提出了一系列技术要求和应用管理规范,是一个集技术、建设、应用、管理的综合标准。公安移动通信体制规范规定公安移动通信网分三个等级:1.警用基本级;2.警用功能级;3.警用自动级。本标准是以模拟集群系统为原型的警用自动级规范。主要内容是等效采用欧洲集群式专用陆地移动无线电系统信令标准MPT-1327(1988)和用于商业集群网的无线单元与系统的界面规范MPT-1343(1988),并结合我国公安的实际需要补充了几项功能指令,对接口界面的分队编号计划做了一些调整和新的规定。
MPT-1327和MPT-1343内容十分丰富,章条文本积有千页之重,若要译为中文,工作量很大,费时甚久;且系专业文件,译文也难以保证准确。故仍以原文配附,作为本标准等效采用的一个子标准。本标准的附录A是标准的附录。
本标准的附录B是提示的附录。
本标准由中华人民共和国公安部提出。本标准由中华人民共和国公安部通信标准化技术委员会归口。本标准由公安部办公厅通信中心负责起草。本标准主要起草人:李永祥。
1范围
中华人民共和国公共安全行业标准公安移动通信网警用自动级规范Police automatic network scheme-One of mobile communications for public securityGA 1761998
本标准规定了公安移动通信网警用自动级的网络体制;工作频段(工作频率);设备性能主要指标;功能指令;传输协议;联网,漫游,登记和编号计划,人机界面等规则。理。
本标准适用于公安系统警用自动级设备和系统软件的开发、生产、选型、购置、设备检测和组网管2引用标准
下列标准所包含的条文,通过在本标准中引用而构成为本标准的条文。本标准出版时,所示版本均为有效。所有标准都会被修订,使用本标准的各方应探讨使用下列标准最新版本的可能性。MPT-1327(1988)专用陆地移动无线集群系统信令标准A signalling standard for trunked private land mobile radio systemsMPT-1343(1988)工作在频段子带2上的商业集群网无线用户单元与系统的界面规范System interface specification for radio units to be used with commercial trunked networks operating in band sub-band 2
3本标准的子标准
本标准分为下列几个子标准。
3.1警用自动级设备电性能主要指标。3.2警用自动级集群控制器(TSC)与用户单元(RU)间的通信协议。本子标准除另有规定(见3.4)外,均等效采用MPT-1327规约。3.3警用自动级收发信机参数、信道捕获、申请入网、核验登记规则和界面规定。本子标准除另有规定(见3.5)外均等效采用MPT-1343规约。3.4警用自动级基本功能要求及几项补充规定。3.5警用自动级用户分队编号计划。4定义
本标准采用下列定义。
4.1归属组homegroup
每个用户除配发一个个呼用户号外,还按所属单位共享一个队号,并按行政关系划归某一属组,共享个归属组号。
4.2参与组joingroup
中华人民共和国公安部1998-04-27批准1998-05-01实施
GA176—1998
每个用户除平时在归属组内活动外,还经常参加本组外的一些配合协同工作,主组单位应分配一个组呼号码赋与参加者,名为参与组。一个用户视工作需要可赋与多个(如四个)参与组号。4.3动态组dynamicgroup
动态组是临时组织的警务行动小组使用的组呼号码。主组单位通过调度员发动态重组指令,向参加者赋与动态组号。任务完成,行动小组解散后,该动态组号即予取消。4.4当前组currentgroup
当前组是正处在值守运行位址上的某个组呼号。这个位址上的组号不是固定不变的,平时为归属组占居,有外接任务时,由某个参与组或动态组占居。4.5段队结构block-fleetarchitecture个区号(前缀PFIX)内的8100个ID号码等分为十段,队规模共分四级,同--段内各队规模相同。一个区号内段队规模的组配情况称作段队结构。4.6通用段和选用段universalblockandselectblock在两个或两个以上区号间,如它们相应段的队规模相同,这些段称作通用段(Bu);若其相应段的队规模不同或不完全相同,则称作选用段(Bs)。整用自动级设备电性能主要指标5
5.1一般规定
一般规定见表1。
射频带宽,MHz
(带外应有衰减)
信道间隔,kHz
调制方式
温度范围,℃
频率稳定度,×10-6
典型信道数
平均无故障工作时间,h
接收机
接收机规定见表2。
第一中频,MHz
第二中频.kHz
可用灵敏度,μV,c.c
抑噪灵敏度V,C.c
音频响应,dB
调制接收带宽,kHz
邻道选择性,dB
互调抗扰性,dB
基地台
350.8~~356.2
360.8~366.2
16F3,F3E,G3E
-25~+55
基地台
寄生抑制,dB
注:ES一多信道等间隔,NIM一多信道无互调。车载台
357.8~366.2
350.8~361.2
16F3,F3E,G3E
-25~+55
车载台
手持台
357.8~366.2
350.8~361.2
16F3,F3E,G3E
-25~+55
手持台
≥70(ES)≥60(NIM)
≥70(ES),≥60(NIM)
≥70(ES),≥60(NIM)
5.3发射机
发射机规定见表3。免费标准下载网bzxz
功率,W
调制限制,kHz
音频响应,dB
剩余调频,dB
邻道发射,μw
杂波发射,dB
共址多信道发射隔离,dB
GA 1761998
基地台
车载台
手持台
≤-70(ES),≤-60(NIM)
≥70(ES)≥40(NIM,P>25W);≥30(NIM,P≤25W)注:ES一多信道等间隔;NIM一多信道无互调。5.4时限要求
发射机起动上升(从满额功率的10%上升到90%)时间小于16bit,即小于13.3ms。收发转换(接收结束到发射上升达90%)时间小于36bit,即小于30ms。6警用自动级系统参数的设定
6.1信道编号及控制信道的规定
6.1.1信道间隔与信道编号
信道间隔为25kHz,从358.025MHz开始按偶数顺序编号。信道编号与频率一一对应,全国一致。单频段
信道编号
信道编号
信道编号
0000000010
0000000100
0011110000
双频段I
0011110010
0011110100
电电电电
1000110000
双频段I
1000110010
1000110100
+............
1010000000
频率,MHz
频率,MHz
351.025/361.025
351.050/361.050
355.000/365.000
频率,MHz
355.025/365.025
355.050/365.050
356.000/366.000
GA 176—1998
6.1.2控制信道的规定
根据《350兆频率指配方案》规定双频每大组的第4、第8、第12频点为控制信道的可选频点,这样控制信道范围缩小为30个,即系统的控制信道一般应从这30个信道范围内选择。移动台扫描控制信道时,应从自已系统的控制信道(home)开始扫起,以便尽快锁定在本系统的控制信道(home)上。
控制信道号的顺序如下:
信道号
6.2系统码SYS的规定
0100101110
0100110000
0100110010
0100110100
0100110110
0100111000
0100111010
0100111100
0100111110
0101000000
0101111110
0110000000
0110000010
0110000100
0110000110
0110001000
0110001010
0110001100
0110001110
0110010000
0111001110
0111010000
0111010010
0111010100
0111010110
0111011000
0111011010
0111011100
0111011110
0111100000
频率编号
P95-62
P95--64
P95-66
P95--68
P95--70
P95-72
P95--74
P95-76
P95-78
P95-80
P95-142
P95—144
P95—146
P95—148
P95—150
P95—152
P95-154
P95---156
P95—158
P95—160
P95--222
P95—224
P95—226
P95—228
P95—230
P95—222
P95—234
P95—236
P95—238
P95—240
个含有唯一的系统特征的15比特码。系统基站通过控制信道周系统码是一个系统的身份码,是一期性地发射本系统的系统码,每个移动台都会随时自动地将收到的系统码与内存的系统码加以比较,用来确定是否有资格入网。
6.2.1系统码SYS的格式
比特位:1
其中:比特位1:1表示全国性网络;GA 176--1998
比特位2~3:NET=00表示公安一号网络;比特位4~12:NDD表示网络特征参数;比特位13~15:LAB=001~111表示控制信道类型。加上前导比特0,完整的控制信道系统码(CCSC)共16比特,通常按十六进制(Hex)记读。6.2.2网络特征参数NDD的规定
NDD占用比特位4~12共9比特,分两段。前段4比特短码规定为省、自治区、直辖市编码,称为省级系统码(Zone)。Zone4比特短码的值为0001~1111(0000不用),共15个码。每两个不相邻、相距较远的省(区、市)共用-个4比特短码(Zone),由公安部统一分配。后段5比特规定为地级(市、县)区域的编码,前后两段合起来共9比特长码称为地级系统码(Area)。长码Area的值是:Zone00001~Zone11111,每省(区、市)公安厅、局将本省(区、市)划分为若干个区域,每个区域分配一个9比特的地级系统码(Area)。划分时,可以市、地或县为一个区域,划分的区域可以不足31个,也可以超过31个。每个区域分配一个9比特长码(Area),长码(Area)可以重复使用。一个长码(Area)可以有一个系统,也可以有多个系统。
由公安部统-分配的省级系统码(Zone)和地级系统码(Area)如下:系统
北京市
天津市
河北省
山西省
内蒙古自治区
辽宁省
吉林省
黑龙江省
上海市
江苏省
浙江省
重庆市
安徽省
福建省
江西省
山东省
6.3用户单元系统参数的确定
6.3.1系统码参数的设定
湖南省
湖北省
海南省
广西壮族自治区
广东省
贵州省
四川省
河南省
云南省
西藏自治区
青海省
宁夏回族自治区
陕西省
甘肃省
新疆维吾尔自治区
省级系统码
(Zone)
地级系统码
(Area)
000100001000111111
(其中000100001~000100011为公安部)0010
001000001~001011111
001100001~001111111
010000001010011111
010100001~010111111
011000001~011011111
011100001~011111111
100000001~100011111
100100001~100111111
101000001~101011111
101100001~101111111
110000001~110011111
110100001~110111111
111000001111011111
111100001~111111111
用户单元内存的系统码参数是由系统管理者写入的,除Zone、Area,还有Zone参数Lz,Area参数La。这些参数决定了该移动台的入网资格和使用范围。可根据移动台的不同等级设定其L和La:a)移动台只限在本地区(市、县)内(Area指定的区域)的系统中使用时:Lz=9,La=9;b)移动台只限在本省(区、市)内(Zone指定的区域)的系统中使用时:Lz=4,La=9;c)各省也可根据需要规定某些移动台的L和La。5
GA 176—1998
移动台可存储多种系统码SYS,必要时可将有关系统的网络参数NDD对应的Zone、Area、Lz、La存在移动台中,供使用者调用省(区、市)内某一系统或跨省(区、市)时调用其中某-·系统。移动台的控制信道类型一般规定为A类,也可根据需要规定为B,C,D类。6:3.2用户单元入网核验主要程序当一个移动台试图进入某一系统时,它将逐个检查系统控制信道发来的系统码SYS与移动台内存的相应参数是否一致。
第一步先比较比特位1,如是1表示是全国性网络,相互匹配则移动台有权入网,否则无权入网;第二步比较比特位2~3,NET为00规定是公安一号网,如一致则移动台有权入网,否则无权入网;
第三步比较网络特征参数NDD。移动台根据设定的地级系统码Area及有效长度La和省级系统码Zone及有效长度Lz,首先检查系统发来的Area与移动台内存的长度为La的Area是否一致,若一致则此移动台有权入网工作。若不一致则再检查系统发来的Zone与移动台内存的长度为L的Zone是否一致,若一致则此移动台有权入网工作;如不致,则无权入网工作。最后比较控制信道类型LAB,一般规定LAB=001允许AB,C,D类型的移动台都可入网,也可根据需要规定LAB为其他6个数值。如果移动台系外来户,只要其系统码(SYS)及参数符合规范,也可发RQR请求登记入网。7警用自动级基本功能要求及几项补充规定7.1系统基本功能
信令格式、码字结构均见MPT-1327。7.1.1RQS简单呼叫。
7.1.2RQE紧急呼叫。
7.1.3RQT转移呼叫(自身转移)。7.1.4ALLI系统呼叫(被呼ID号为8191)。7.1.5INCI包容呼叫。
7.1.6繁忙排队,自动回叫。
7.1.7RQQ状态信息。
短数据呼叫。
指令脱网并维持。
有无线自动转接。
系统的简单呼叫接续时间小于等于0.5s。信道控制功能:系统中各话务信道均可成为控制信道的备份。当用户排队数目达到一定参数7.1.12
时,控制信道可自动切换为临时通话信道。一且某一话务信道释放后,该临时通话信道随即又返为控制信道。
系统内能多基站联网并能完成跨站组呼功能。系统应有扩展能力及兼容性。
7.2系统管理功能
7.2.1优先级别设定。
7.2.2通话限时。
7.2.3话务量统计与计费。
7.2.4系统实时状态显示、监控:包括排队数目、信道占用情况、用户通话状态、有线电话号码、话音和数据业务等。
7.2.5系统参数的实时修改。
GA 176—1998
7.2.6系统内可设若干调度台(ID:8170~8179)。7.3系统维护功能
7.3.1系统自检。
7.3.2故障弱化。
7.4用户单元(RU)参数设定
7.4.1系统码(SYS)按要求至少设置两套(含参数Lz、La等)。7.4.2按需要设置控制信道搜索范围和程序。7.4.3RU可按系统码中的LAB设置A、B、C、D类型(默认A型)。7.4.4用户号码段队结构参数(1,m,s)的设定和调整。7.5用户单元(移动台)的基本功能信令格式、码字结构均见MPT-1327。同区同队单呼(至少显示3位,默认队号2位)。7.5.1
同区跨队单呼(至少显示5位)。7.5.3
跨区单呼(必须有相应的跨区提示)。7.5.4
同区同队组呼(3位)。
同区跨队组呼(5位)。
跨区跨队组呼(有相应的跨区提示)。7.5.6
参与组、动态组组号设置数应大于等于8个。当前组的保持与切换(自动,人工)。无线单元(RU)呼PABX有线用户。无线单元(RU)呼PSTN有线用户。有线用户呼无线单元(RU)。
队内全呼(本队最后一个组呼号)。ALLI系统呼(8191)。
呼叫调度台(1字头3位拨号,跨区时可加拨前缀号)。RQE紧急呼叫。
RQT转移呼叫。
INCI包容呼叫。
ACKQ受令排队。
RQQ状态信息。
RQC短数据呼叫。
RQR自动登记漫游入网。
人工选择基站入网。
人工和指令脱网。
车载式移动台应有RS232(MAP-27)数据接口。7.6几项警用功能指令的规定
对MPT信令中没有定义的警用功能作如下定义,这些功能对系统或用户单元都属基本的功能要求。
7.6.1动态重组((AHYI)
本功能格式定义为MPT-1327的5.5.3.2.2。此信令由基站的控制信道发出,改变被叫移动台的动态组号,被叫移动台接收到后,应在下一个时隙发射一个确认信号(ACK),并将该动态组号设置为当前组。7
信令格式:
GA 176—1998
1 PFIX IDENT11 000
其中:PFIX一被叫移动台的区号;3
IDENT1一被叫移动台的身份码;IDENT2
IDENT2一动态组号,当IDENT2为零时则清除该动态组号。7.6.2遥(AHYK)
本功能格式定义为MPT-1327的5.5.3.2.4。此信令由基站的控制信道发出,使被遥毙移动台不能正常工作,被遥毙移动台收到后应在下一个时隙发射一个确认信号(ACK)。
信令格式:
1PFIXIDENT11 000 10
其中:PFIX被遥毙移动台的区号;TSCI
IDENT1一被遥移动台的身份码,TSCI一遥毙主体TSC的身份码8190。7.6.3恢复(AHYL)
本功能格式定义为MPT-1327的5.5.3.2.5。此信令由基站的控制信道发出,恢复被遥毙移动台,使之正常工作,被恢复移动台收到后应发射一个确认信号(ACK)。
信令格式:
1PFIXIDENT1100010100TSCI000001
其中:PFIX一被恢复移动台的区号;IDENT1一被恢复移动台的身份码;13
TSCI一恢复主体TSC的身份码8190。5
7.6.4告警
本功能利用信令RQE(紧急呼叫方式)呼叫系统调度接警台的身份号8180,调度台上应有声光警响显示,移动台上应有特殊的告警按键。按MPT-1327的5.5.3.1.5执行。
7.7调度台
7.7.1设备类型:简便的有车载台或电话机型;高级的PC机型。7.7.2联接方式:实线直联;无线传输。7.7.3基本功能:单呼,组呼,包容呼,全队呼,监听,跟踪,维持,强拆;动态重组,信道开放,预案录存,实时状态显示。
8警用自动级用户分队编号计划(CPS)MPT-1327设置的用户地址码共20bit,按MPT-1343规定前7bit为前缀(Prefix)区域码,共128个,三位编号200~327;后13bit为身份识别号码共8192(含全0bit)个,其中8101~8191为特殊用户身份号,1~8100为一般用户识别号,包括个呼号和组呼号,个呼号与组呼号之比为7:1。本标准坚持采用MPT-1343的上述规定,而对其分队编号计划作如下新规定,并命名为MPT-1343-CPS。CPS拨号方式的全码结构是:区号(三位)十个(组)呼队号(两位)十个(组)呼用户号(三位)8
小提示:此标准内容仅展示完整标准里的部分截取内容,若需要完整标准请到上方自行免费下载完整标准文档。
标准图片预览:





- 其它标准
- 热门标准
- 公共安全行业标准(GA)
- GA/T1368-2017 警用数字集群(PDT)通信系统工程技术规范
- GA/T946.5-2011 道路交通管理信息采集规范第5部分:剧毒化学品公路运输信息采集
- GA/T444-2003 公安数字集群移动通信系统总体技术规范
- GA1800.1-2021 电力系统治安反恐防范要求第1部分:电网企业
- GA/T1135-2014 机动车号牌管理信息系统技术规范
- GA659.7-2006 互联网公共.上网服务场所信息安全管理系统数据交换格式第7部分:上网服务场所运行状态基本数据交换格式
- GA371-2001 计算机信息系统实体安全技术要求第1部分:局域计算环境
- GA/T521-2004 人身损害受伤人员误工损失日评定准则
- GA320-2010 警帽女呢帽
- GA/T1330-2016 法庭科学吸毒人员尿液中四氢大麻酚和四氢大麻酸气相色谱-质谱检验方法
- GA283-2001 警用服饰领带夹
- GA/T974.54-2011 消防信息代码第54部分:消防设施状况分类与代码
- GA/T379.3-2002 报警传输系统串行数据接口的信息格式和协议第3部分:公用数据链路层协议报警传输系统串行数据接口的信息格式和协议第3部分:公用数据链路层协议
- GA/T697-2007 信息安全技术静态网页恢复产品安全功能要求
- GA/T1049.7-2014 公安交通集成指挥平台通信协议第7部分:警用车辆与单警定位系统
- 行业新闻
请牢记:“bzxz.net”即是“标准下载”四个汉字汉语拼音首字母与国际顶级域名“.net”的组合。 ©2025 标准下载网 www.bzxz.net 本站邮件:bzxznet@163.com
网站备案号:湘ICP备2025141790号-2
网站备案号:湘ICP备2025141790号-2