- 您的位置:
- 标准下载网 >>
- 标准分类 >>
- 纺织行业标准(FZ) >>
- FZ/T 92072-2017 气动加压摇架
标准号:
FZ/T 92072-2017
标准名称:
气动加压摇架
标准类别:
纺织行业标准(FZ)
标准状态:
现行出版语种:
简体中文下载格式:
.zip .pdf下载大小:
2.78 MB
点击下载
标准简介:
FZ/T 92072-2017.
1范围
FZ/T 92072规定了气动加压摇架(以下简称“摇架")的分类和标记、要求、试验方法、检验规则、标志、包装.运输及贮存.
FZ/T 92072适用于环锭纺的细纱机、粗纱机的气动加压摇架。
2规范性引用文件
下列文件对于本文件的应用是必不可少的。凡是注日期的引用文件,仅注8期的版本适用于本文件.凡是不注日期的引用文件,其最新版本(包括所有的修改单)适用于本文件。
GB/T 191包装 储运图示标志
FZ/T 90001纺织机械产 品包装
3分类和标记
3.1分类
3.1.1按用途分为细紗摇架和粗纱摇架。
3.1.2按加压方式分 为间接式和直接式。
3.1.2.1间接式指摇架 各加压元件通过杠杆分压间接从压缩气囊获得压力源。
3.1.2.2直接式指 摇架各加压元件直接与压缩气囊接触从而获得压力源。
3.2标记
3.2.1标记内容
标记依次包括以下内容:5.7相邻摇架影响压力 变化(4.4)的测量,应在规定的工作压强及工作位置时,在专用试台或主机上用测压仪进行(上罗拉按摇架设计要求配置),测量任意- -套摇架并保持专用测压仪不动,掀起其相邻的一套摇架并加压,读出专用测压仪的压力数据变化量。
5.8摇架压力动态波动(4.5)的测量,应在规定的工作压强及工作位置时,在专用测试台或主机上采用测压仪进行(上罗拉按摇架设计要求配置),被测罗拉圆跳动小于0.05mm且处于工作状态,测量任意一套摇架并保持专用测压仪不动,读出专用测压仪的压力数据变化量。
5.9摇架夹簧握持力(4.6.1),在上罗拉握持档两侧的轴颈处挂两根拉绳,用测力计或砝码吊重测量见图10a)。其力(P)的方向与握持座的顶面垂直,砝码吊重时握持座的顶面呈水平位置,见图10b).
部分标准内容:
中华人民共和国纺织行业标准
FZ/T92072—2017
代替FZ/T92072—2006
气动加压摇架
Pneumaticpendulumarm
2017-11-07发布
中华人民共和国工业和信息化部发布
2018-04-01实施
本标准按照GB/T1.1一2009给出的规则起草。FZ/T92072—2017
本标准代替FZ/T92072—2006《气动加压摇架》,与FZ/T92072—2006相比,主要技术变化如下:调整了分类,增加了摇架的标记及内容(见3.1~3.2,2006年版的第3章);提高了摇架握持档的平行度要求,并增加了表注和图示(见4.1.1~4.1.3);-增加了粗纱摇架中第四罗拉对主牵伸区第一上罗拉的要求(见表4和图4);—调整了成套摇架卸压力范围(见4.3);-调整了相邻摇架加、卸压的压力变化值(见4.4、表7);一提高了摇架在规定工作位置及工作压强时,压力动态波动值(见4.5、表8);一取消了摇架整车卸压后再加压导致的单套摇架的压力降低要求(见2006年版的4.8、表7);增加了摇架制造质量的要求(见4.7);-增加了试验方法及规范图示(见5.1、图5~图7);一增加了摇架抽样方法和判定原则(见6.3)。请注意本文件的某些内容可能涉及专利。本文件的发布机构不承担识别这些专利的责任。本标准由中国纺织工业联合会提出。本标由全国纺织机械与附件标准化技术委员会纺纱、染整机械分技术委员会(SAC/TC215/SC归口
本标准主要起草单位:常德纺织机械有限公司、国家纺织机械质量监督检验中心、日照裕华机械有限公司、常州市同和纺织机械制造有限公司、张家港双帆纺织器械有限公司、经纬纺织机械股份有限公司榆次分公司、无锡宏源机电科技股份有限公司。本标准主要起草人:黄永平、李朋业、徐向红、刘金全、姜国海、张满枝、刘许红。本标准所代替标准的历次版本发布情况为:FZ/T92072—2006
1范围
气动加压摇架
FZ/T92072—2017
本标准规定了气动加压摇架(以下简称“摇架”)的分类和标记、要求、试验方法、检验规则、标志、包装、运输及贮存。
本标准适用于环锭纺的细纱机、粗纱机的气动加压摇架。2规范性引用文件
下列文件对于本文件的应用是必不可少的。凡是注日期的引用文件,仅注日期的版本适用于本文件。凡是不注日期的引用文件,其最新版本(包括所有的修改单)适用于本文件。GB/T191包装储运图示标志
FZ/T90001纺织机械产品包装
3分类和标记
3.1分类
按用途分为细纱摇架和粗纱摇架。按加压方式分为间接式和直接式。3.1.2
3.1.2.1间接式指摇架各加压元件通过杠杆分压间接从压缩气囊获得压力源。3.1.2.2直接式指摇架各加压元件直接与压缩气囊接触从而获得压力源。3.2标记
3.2.1标记内容
标记依次包括以下内容:
气动加压摇架FZ/T92072一
擎生型代号
牵伸型式代号
前后下罗拉最大中心距
加压方式代号
类别代号
加压型式代号
产品名称及标准号
产品名称及标准号,为“气动加压摇架FZ/T92072”;a)
b)加压型式代号,气动加压用大写字母“QYJ”表示;类别代号,用大写字母“C”表示粗纱摇架,细纱摇架不作标记;c
加压方式代号,用大写字母“Z”表示直接式,间接式不作标记;d)
前后下罗拉最大中心距,用阿拉伯数字表示,单位为毫米;1
FZ/T92072—2017
牵伸型式代号,见表1;
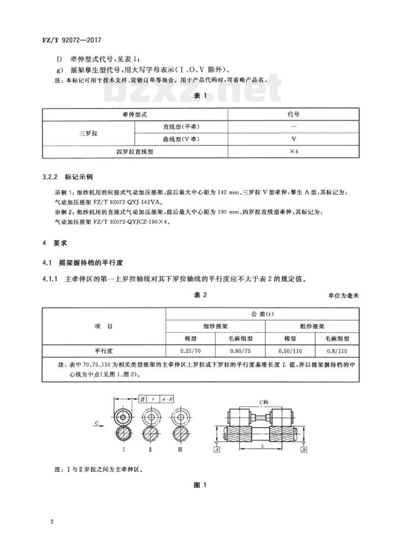
g)摇架擎生型代号,用大写字母表示(I、O、V除外)。注:本标记可用于技术文件、货物订单等场合。用于产品代码时,可省略产品名。表1
牵伸型式
三罗拉
3.2.2标记示例
四罗拉直线型
直线型(平牵)
曲线型(V牵)
示例1:细纱机用的间接式气动加压摇架,前后最大中心距为142mm,三罗拉V型牵伸,擎生A型,其标记为:气动加压摇架FZ/T92072-QYJ-142VA。示例2:粗纱机用的直接式气动加压摇架,前后最大中心距为190mm,四罗拉直线型牵伸,其标记为:气动加压摇架FZ/T92072-QYJCZ-190X4。4要求
4.1摇架握持档的平行度
主牵伸区的第一上罗拉轴线对其下罗拉轴线的平行度应不大于表2的规定值。表2
平行度
细纱摇架
公差(t)
毛麻绢型
粗纱摇架
单位为毫米
毛麻绢型
注:表中70、75、110为相关类型摇架的主牵伸区上罗拉或下罗拉的平行度基准长度L值,并以摇架握持档的中心线为中点(见图1.图2)。
注:I与Ⅱ罗拉之间为主牵伸区。2
注:Ⅱ与Ⅲ罗拉之间为主牵伸区。图2
FZ/T92072—2017
4.1.2主牵伸区的第二上罗拉轴线对第一一上罗拉轴线的平行度应不大于表3的规定值。表3
平行度
细纱摇架
毛麻绢型
公差(t)
粗纱摇架
单位为毫米
毛麻绢型
注:表中70、75、110为相关类型摇架的主牵伸区上罗拉或下罗拉的平行度基推长度L值,并以摇架握持档的中心线为中点(见图3)。
4.1.3其余各上罗拉轴线对主牵伸区的第一上罗拉轴线的平行度应不大于表4的规定值。表4
平行度
细纱摇架
毛麻绢型
公差(t))
粗纱摇架
单位为毫米www.bzxz.net
毛麻绢型
注:表中70、75、110为相关类型摇架的主牵伸区上罗拉或下罗拉的平行度基准长度L值,并以摇架握持档的中心线为中点(见图4)。
FZ/T92072—2017
4.2成套摇架加压压力偏差
成套摇架加压压力偏差应符合表5的规定。项目
间接式
直接式
毛麻绢型
*F为在规定工作位置时,摇架加压名义值。4.3
成套摇架卸压力
成套摇架卸压力应符合表6的规定值。表6
卸压力
毛麻绢型
极限偏差
单位为牛顿
毛麻绢型
单位为牛顿
毛麻绢型
40~110
摇架在规定工作位置及工作压强时,相邻摇架加、卸压的压力变化应符合表7规定值4.4
间接式
直接式
·F为在规定工作位置时,播架加压名义值。4.5
压力变化极限偏差
毛麻绢型
-.1F或+°F
-8.02F或+g02F
摇架在规定工作位置及工作压强时,压力动态波动应符合表8规定值。表8
极限偏差
间接式
直接式
毛麻绢型
:F为在规定工作位置时,摇架加压名义值。其他
摇架夹簧握持力≥45N。
摇架锁紧机构自锁可靠、稳定。±0.08F
FZ/T92072—2017
单位为牛顿
毛麻绢型
单位为牛顿
毛麻绢型
摇架的外露表面应光滑、色泽一致,无毛刺、锈蚀、镀层(涂层)露底等缺陷。4.6.3
试验方法
5.1摇架安装在测试台上,按产品说明书的要求配置上罗拉,上罗拉握持档直径的精度等级应不低于h7,两胶辊的同轴度≤g0.02mm。按测试台下罗拉的参数调节上罗拉隔距,并将摇架的工作压力调至工作值,开机运转30s后进行平行度和卸压力的检验。5.2摇架主牵伸区的第一上罗拉轴线对其下罗拉轴线的平行度(4.1.1),在专用测试台上,用平行度量具进行测量,图示百分表1与2的示值差为平行度误差。三罗拉率伸的罗拉I与Ⅱ之间主牵伸区的测量见图5a),四罗拉牵伸的罗拉Ⅱ与Ⅲ之间主牵伸区的测量见图5b)。5
FZ/T92072—2017
说明:
一百分表。
5.3摇架主牵伸区的第二上罗拉轴线对第一图5
上罗拉轴线的平行度(4.1.2),可用平行度量具或游标卡尺测量。用平行度量具测量见图6a),杠杆百分表1与2的示值差为其平行度误差;用游标卡尺可测量图6b)所示的11、长度值,1、,的差值即为其平行度误差。b)
说明:
杠杆百分表。
5.4其他上罗拉轴线对主牵伸区第一上罗拉轴线的平行度(4.1.3),用游标卡尺分别测量图7中所示的12、12、L1长度值,其各区对应长度的差值即为平行度误差。罗拉I与Ⅱ之间主牵伸区的测量见图7a),罗拉Ⅱ与Ⅲ之间主牵伸区的测量见图7b)。图7
FZ/T92072—2017
5.5成套摇架加压压力偏差(4.2),应在专用测试台上用专用摇架测压仪测量(上罗拉应按摇架设计要求配置)。
5.6成套摇架卸压力(4.3),在专用测试台或主机上,用管形测力计测量(见图8);或采用专用推力测力计测量见图9)。
FZ/T92072—2017
5.7相邻摇架影响压力变化(4.4)的测量,应在规定的工作压强及工作位置时,在专用测试台或主机上用测压仪进行(上罗拉按摇架设计要求配置),测量任意一套摇架并保持专用测压仪不动,掀起其相邻的一套摇架并加压,读出专用测压仪的压力数据变化量。5.8摇架压力动态波动(4.5)的测量,应在规定的工作压强及工作位置时,在专用测试台或主机上采用测压仪进行(上罗拉按摇架设计要求配置),被测罗拉圆跳动小于0.05mm且处于工作状态,测量任意一套摇架并保持专用测压仪不动,读出专用测压仪的压力数据变化量。5.9摇架夹簧握持力(4.6.1),在上罗拉握持档两侧的轴颈处挂两根拉绳,用测力计或础码吊重测量见图10a)。其力(P)的方向与握持座的项面垂直,码吊重时握持座的顶面呈水平位置,见图10b)。+p
5.10摇架的锁紧机构(4.6.2)用不大于30N的力向上拉手柄,不发生意外释压现象。5.11其余项目,感官检验。
6检验规则
6.1型式试验
6.1.1在下列情况之一时,应进行型式检验:新产品投产鉴定时;
结构、工艺、材料有较大改变时;一产品停产一年以上,恢复生产时;第三方进行质量检验时。
6.1.2检验项目:见第4章。
6.2出厂检验
产品由生产企业的质量检验部门检验,并附有质量合格证。检验项目:见4.1~4.3.4.6。
6.3抽样方法和判定原则
检验样本采取随机抽样,样品数量50套。6.3.2
检验项目及合格率见表9。
检验项目
主牵伸区第一上罗拉轴线对下罗拉轴线的平行度主牵伸区第二上罗拉轴线对第一上罗拉轴线的平行度其余上罗拉轴线对主牵伸区第一上罗拉轴线的平行度成套摇架加压压力偏差
成套摇架卸压力
相邻摇架加卸压引起的压力变化摇架在规定工作位置及工作压强时,压力动态波动摇架夹簧握持力
摇架锁紧机构
摇架外观质量
标准章
样品数量
FZ/T92072-2017
合格率
样本经检验,成套和单项合格率均达到本标准的规定,则判定该样本符合标准要求。反之,判定该样本不符合标准要求。
用户在安装、调整过程中,发现产品有不符合本标准要求时,由生产企业会同用户共同处理。7标志
7.1摇架上标识产品标记或企业标志。包装储运图示标志按GB/T191的规定。7.2
包装、运输及贮存
产品包装应符合FZ/T90001的规定,包装箱内附有合格证和说明书。8.1
8.2产品在运输过程中,包装箱按规定的朝向安置,不得倾倒或改变方向。8.3产品自出厂之日起,在良好的防雨、通风贮存条件下,包装箱内的零件防潮、防锈有效期1年。
小提示:此标准内容仅展示完整标准里的部分截取内容,若需要完整标准请到上方自行免费下载完整标准文档。
标准图片预览:





- 其它标准
- 上一篇: FZ/T 92073- 2007 托锭粗纱锭子
- 下一篇: FZ/T 92059-2011 扩幅装置
- 热门标准
- FZ纺织行业标准
- FZ/T90083-1995 纺织机械筒子架主要尺寸
- FZ/T92052-1995 轴承内径φ12mm环锭锭子
- FZ/T92054-1996 倍捻锭子
- FZ/T70001-2003 针织和编结绒线试验方法
- FZ/T92038-1995 熔融纺丝圆形孔喷丝板
- FZ/T33010-1999 苎麻卷烟带
- FZ/T14007-2011 棉涤混纺印染布
- FZ/T60033-2012 家用纺织品 毛巾不均匀水洗尺寸变化的测定
- FZ/T24010-2013 防缩毛纺织产品
- FZ/T43004-2013 桑蚕丝纬编针织绸
- FZ/T73011-2013 针织腹带
- FZ/T32024-2019 亚麻与棉混纺色纺纱
- FZ/T70012-2016 -次成型束身无缝内衣号型
- FZ/T73018-2002 毛针织品
- FZ60007-1991 毛毯试验方法
- 行业新闻
网站备案号:湘ICP备2025141790号-2