- 您的位置:
- 标准下载网 >>
- 标准分类 >>
- 纺织行业标准(FZ) >>
- FZ/T 93038- 1995 梳理机用齿条
标准号:
FZ/T 93038- 1995
标准名称:
梳理机用齿条
标准类别:
纺织行业标准(FZ)
标准状态:
现行出版语种:
简体中文下载格式:
.zip .pdf下载大小:
1.23 MB
相关标签:
齿条
点击下载
标准简介:
FZ/T 93038- 1995.
FZ/T 93038非等效采用国际标准ISO 9903-1991《纺织机械与附件金属针布 齿条》。
1主题内容与适用范围
FZ/T 93038规定了梳理机用齿条(以下简称“齿条”)的产品分类技术要求、试验方法.检验规则和标志、包装。
FZ/T 93038适用于棉、毛、苎麻及線梳理机用齿条。
FZ/T 93038也适用于无纺布等梳理机用齿条。
2引用标准
GB/T2828逐批检查计数抽样程序及抽样表(适用于连续批的检查)
GB/T 2829周期检查计数抽样程序及抽样表(适用于生产过程稳定性的检查)
GB/T 4342金属 显微维氏硬度试验方法
FZ/T 90081梳理机用齿 条术语和定义
3产品分类
3.1根据梳理机类型,齿条分为梳棉机齿条.梳毛机齿条、梳麻(苎麻)机齿条和梳绵机齿条等。
3.2根据被包卷 部件,齿条又分为锡林齿条、道夫齿条、刺辊齿条、工作辊齿条、剥取辊齿条.转移辊齿条和除草辊齿条等。
3.3 根据基部截面形状,齿条按FZ/T 90081第2章规定分为三种。
3.4根据锡林、道夫齿条总高 、齿顶宽、齿顶长.硬度.齿条分为优等品、一等品和合格品。
3.5齿条基本尺寸:
3.5.1普通基部齿条应符合表1规定。6.1.1齿条必须通过以下类别的检验:
a.型式检验;
b. 出厂检验。
6.1.2型式检验和出厂检验由制造厂质量检验部门负责进行,订货方也可按本标准中的出厂检验规定在一个月内对进厂的齿条进行验收。根据订货方要求,制造厂应提供出厂检验所在周期的型式检验报告。
6.1.3 凡在型式检验或出厂检验中,被检查的样本单位若有不符合本标准有关规定时,即为不合格。
6.2 检验
6.2.1型式检验
6.2.1.1连续生产 的齿条每月进行一次型式检验,在改变设计、改进主要制造工艺、更换材料或停产时间超过半个月再恢复生产时,也应进行型式检验。
6.2.1.2型式检验采用 GB/T 2829中判别水平1的一次抽样方案,检验项目.样本大小、不合格质量水平和不合格分类应符合表13规定。
部分标准内容:
梳理机用齿条
FZ/T93038-1995
代替FJ1131-1987
本标准非等效采用国际标准ISO9903一1991《纺织机械与附件金属针布齿条》。1主题内容与适用范围
本标准规定了梳理机用齿条(以下简称“齿条”)的产品分类、技术要求、试验方法、检验规则和标志、包装。
本标准适用于棉、毛、茎麻及绵梳理机用齿条。本标准也适用于无纺布等梳理机用齿条。2引用标准
逐批检查计数抽样程序及抽样表(适用于连续批的检查)GB/T2828
GB/T2829
周期检查计数抽样程序及抽样表(适用于生产过程稳定性的检查)GB/T4342
金属显微维氏硬度试验方法
FZ/T90081
梳理机用齿条术语和定义
3产品分类
3.1根据梳理机类型,齿条分为梳棉机齿条、梳毛机齿条、梳麻(苎麻)机齿条和梳绵机齿条等。3.2根据被包卷部件,齿条又分为锡林齿条、道夫齿条、刺辊齿条、工作齿条、剥取辊齿条,转移辊齿条和除草辊齿条等。
3.3根据基部截面形状,齿条按FZ/T90081第2章规定分为三种。3.4根据锡林、道夫齿条总高、齿顶宽、齿顶长、硬度,齿条分为优等品、一等品和合格品。3.5齿条基本尺寸:
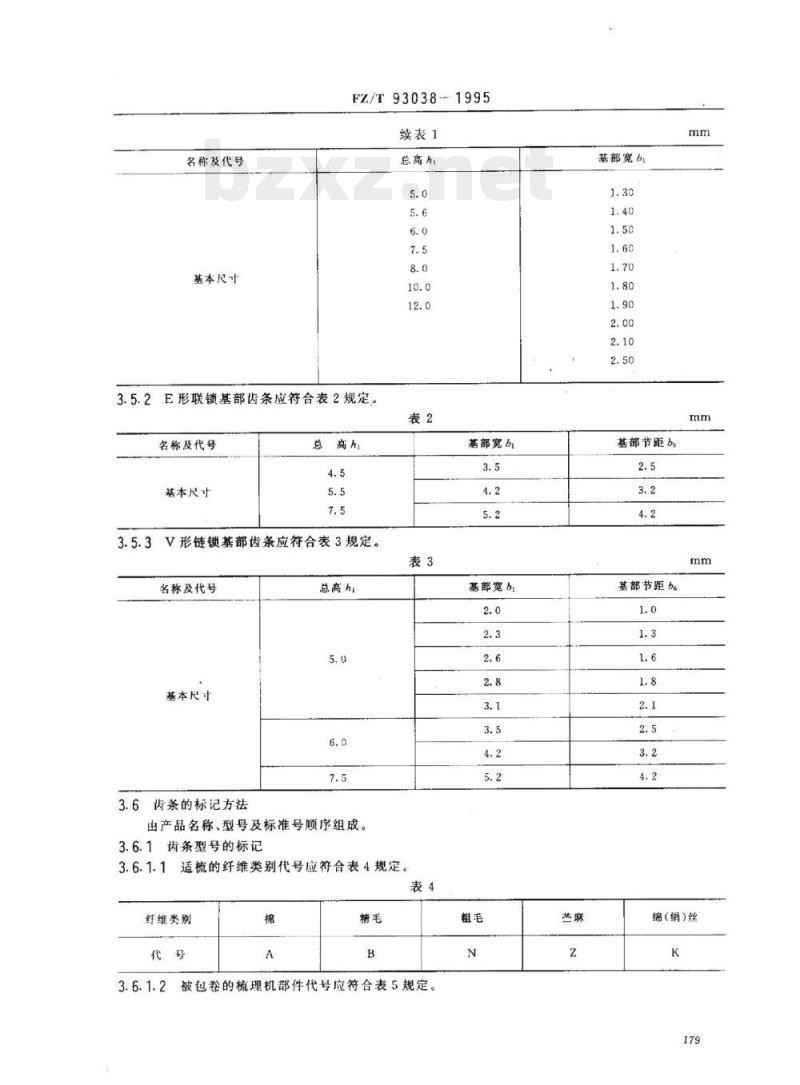
3.5.1普通基部齿条应符合表1规定。表1
名称及代号
基本尺寸
中国纺织总会1995-01-24批准
总高hy
基部宽b
1995-01-24实施
名称及代号
基本尺寸
FZ/T93038--1995
续表1
总高h
3.5.2E形联锁基部齿条应符合表2规定。表2
名称及代号
基本尺寸
总高h
3.5.3V形链锁基部齿条应符合表3规定。名称及代号
基本尺寸
3.6齿条的标记方法
总高h
由产品名称、型号及标准号顾序组成。3.6.1齿条型号的标记
3.6.1.1适梳的纤维类别代号应符合表4规定。表4
纤维类别
被包卷的梳理机部件代号应符合表5规定。基部宽b
基部宽b
基部宽bt
基部节距bs
基部节距be
绵(绢)丝
部件名称
FZ/T93038--1995
3.6.1.3齿条基部型式代号应符合表6规定。基部截面形状
型式代号
工作辑
剥联辑
E型联锁
转移辊
除草辑
V型链锁
3.6.1.4齿条型号的标记方法:由适梳的纤维类别代号、被包卷的部件代号、总高、前角、齿距、基部宽(或基部节距)及基部型式代号(普通基部代号省略)顺序组成,并应符合以下规定。基部型式代号
基部宽b,(当b,<时1.00mm时)的100倍数或b,(当b,≥1.00mm时)、be(E型、V型基部齿条为基部节距bg)的10倍数
齿距P的10倍数免费标准bzxz.net
前角α度数
总高h,(当hl≥10.0mm时)或总高h,(当hl<10.0mm时)的10倍数被包卷的部件代号
适梳的纤维类别代号
3.6.2齿条的标记示例
标记示例1图1所示的梳棉机锡林齿条应标记为:齿条AC2815×01385FZ/T93038
FZ/T93038--1995
标记示例2图2所示的梳棉机刺取辊齿条应标记为:齿条AS45-38X04015FZ/T93038
标记示例3图3所示的精纺梳毛机喂毛刺辊齿条应标记为:齿条BT5508X10042-2FZ/T93038
4技术要求
4.1齿条基本尺寸的极限偏差
4.1.1普通基部齿条应符合表7规定。181
FZ/T93038—1995
20°0+
200于
200千
t00年
智装一
FZ/T93038-1995
4.1.2E形联锁基部齿条应符合图4、表8规定1tg
极限偏差
总商h
4.1.3V形链锁基部齿条应符合图5、表9规定。RO.2
极限偏差
4.2齿条前角α的极限偏差
应符合表10规定。
锡林齿条
道夫齿条
工作辑齿条
转移辑齿条
除草辊齿条
刺辑齿条
剃取辊齿条
4.3齿条各部位显微维氏硬度
基部节距be
基部节距bs
±1°30
FZ/T930381995
各个测点(按附录B)的硬度值应符合表11规定。表11
显微维氏硬度.HV
锡林齿条
道夫齿条
刺辊齿条
工作辊齿条
转移辑齿条
剥取辊齿条
除草鞭齿条
优等品
≥720
一等品
≥740
合格品
≥660
≥620
4.3.2在第1测点的5个测值中,表12所规定的数值不得超过一个。表12
锡林齿条
道夫齿条
刺辑齿条
工作辑齿条
转移辑齿条
≥500
≥450
≥350
合格品
显微维氏硬度,HV
4.3.3在一副齿条上,第4测点5个测值的极差不得大于30个硬度单位。250
4.3.4同批锡林齿条或道夫齿条第4测点硬度的极差,优等品不得大于30个硬度单位,一等品不得大于40个硬度单位。
4.4齿条不允许有前后钩齿、侧弯齿,齿部不允许有扭曲和目测可见的毛刺。4.5齿条表面不允许有锈斑和起皮现象。4.6齿条的断齿或漏冲齿每处不得超过两个,在100m内不得超过两处,在1000m内不得超过三处,刺辑齿条不允许有漏冲齿。
4.7锡林和道夫齿条的接头应符合以下要求:a.
接头经修整后,总高和基部宽应不大于原实际尺寸;耐挠曲性能良好,弯曲时不得被折断,接头处齿底面也不得有裂纹。5试验方法
5.1普通基部齿条基本尺寸按附录A进行测量,E形联锁,V形链锁基部齿条基本尺寸参照附录A或用专用量具进行测量。
5.2齿条硬度按附录B进行测定。5.3齿条接头耐挠曲性能按附录C进行测定。5.4齿条齿形缺陷及外观质量目测,仲裁时可用五倍的放大镜检查。6检验规则
6.1总则
6.1.1齿条必须通过以下类别的检验:a.
型式检验:
出厂检验。
FZ/T93038--1995
6.1.2型式检验和出厂检验由制造厂质量检验部门负责进行,订货方也可按本标准中的出厂检验规定在个月内对进厂的齿条进行验收。根据订货方要求,制造厂应提供出厂检验所在周期的型式检验报告。
凡在型式检验或出厂检验中,被检查的样本单位若有不符合本标准有关规定时,即为不合格。6.1.3
6.2检验
6.2.1型式检验
6.2.1.1连续生产的齿条每月进行一次型式检验,在改变设计、改进主要制造工艺、更换材料或停产时间超过半个月再恢复生产时,也应进行型式检验。6.2.1.2型式检验采用GB/T2829中判别水平1的一次抽样方案,检验项目、样本大小、不合格质最水平和不合格分类应符合表13规定。表13
齿项宽(1型)
齿顶长(1型)
检验项目
测点1硬度(镐林或道夫)
测点4硬度极差(同批锡林或道夫)基部高(2型或3型)
摔口高(2型)
摔高(2型)
基部准线高(3型)
基部宽(1型)或基部节距(型或3型)掉宽(2型)
口宽(2型)
测点2硬度
测点3硬度
测点4硬度
翻点4处5个测值极差
钩齿、侧弯齿、扭曲、毛
锈斑、起皮
断齿、漏冲齿
样本大小
不合格质量水平
样本的抽取和检查按GB/T2829中4.9和4.10规定进行。不合格分类
型式检验合格或不合格的判断和检查后的处置按GB/T2829中4.11和4.12规定进行。6.2.2出厂检验
6.2.2.1每批齿条都要进行出厂检验,经型式检验合格后方可进行出厂检验。185
FZ/T93038-1995
6.2.2.2出厂检验采用GB/T2828中一般检查水平1的一次抽样方案,从正常检查开始,并按GB/T2828中4.6.3和4.6.4规定进行,出厂检验项目、合格质量水平和不合格分类应符合表14规定。表14
基部宽
检验项目
钩齿、侧弯齿、扭曲、毛刺
锈斑、起皮
合格质量水平
样本的抽取和检查按GB/T2828中4.9和4、10规定进行不合格分类
6.2.2.4出厂检验合格或不合格的判断和检查后的处置按GB/T2828中4.11和4.12规定进行。7标志、包装、贮存
7.1每副锡林、道夫齿条的交货重量应为理论重量的102%~104%。7.2齿条允许以卷状或绕在卷盘上交货,卷绕必须排列均匀、张力适当,以便于退绕;齿条应用防锈材料密封,捆扎牢固,不使用卷盘时,在成卷齿面一边应垫村防护材料。7.3齿条卷装的型式及规格应符合图6、表15规定、优等品必须使用卷盘。梳毛机用锡林齿条每盘(或卷)净重不得超过65kg,道夫齿条不得超过45kg。I型
卷装型式
卷盘外径D
450(440)
注:括强中数值为过渡尺寸,新设计时不得采用,186
条卷内径D,
220(210)
卷盘轴孔d
条卷宽度L
FZ/T93038—1995
齿条外包装箱必须坚固,箱内应垫衬防潮材料.在装箱时条卷应竖直排列并与包装箱位置固定,齿条的包装标志应符合以下规定:7.5.1
每卷肉条应有个不易被沾污的标志卡片,其上标明:制造厂名或商标;
产品标记:
质量等级标志;
生产批号,
生产日期:
净重;
合格标记。
齿条的外包装箱上应标明:
制造厂名:
产品标记:
质量等级标志;
生产批号;
出厂日期:
毛重和净重;
卷数,
怕湿、向上标志。
制造厂应对齿条进行充分的防锈处理,并保证自出厂之日起一年内不因防锈处理不当而引起生锈。
齿条存放时应包装完整、竖直排列,并置于通风干燥处、187
测量器具、仪器
分度值为0.01mm的千分尺:
FZ/T93038--1995
附录A
齿条基本尺寸测量
(补充件)
分度值不大于0.002mm的千分尺;放大倍数不小于20的投影仪;
放大倍数不小于20的可读数光学测量仪器。A2试样及其制备
A2.1在距每副齿条头端2m之后随机截取300mm长试样一段,并在此试样上随机再截取长度为70mm的三个小试样,
A2.2小试样的两端裁取面应在砂轮上磨平,并应保持试样平直状态;在制样过程中应防止试样变形。A3试验条件
温度:23C±5C。
A4试验程序和结果评定
A4.1总高、基部宽
A4.1.1用120号溶剂汽油刷洗干净小试样上的油污灰尘。A4.1.2测量总高h,和基部宽bl,应分别在三个小试样上随机各测量一处,其测量值均应合格。测量时,其尺寸公差小于0.06mm时用分度值不大于0.002mm的千分尺,不小于0.06mm时用分度值为0.01mm的千分尺。
A4.2齿深、齿距、齿顶长、前角A4.2.1如图A1所示。将齿条小试样3的底面紧贴试验附件黄铜底座1的B面,侧面向着附件的永久磁铁2的C面并吸附在C面上,使附件底面A向下放置在投影仪工作台上,小试样中部约位于工作台中部。
1一黄钢底座:2-永久磁铁;3—齿条小试样188
FZ/T93038--1995
A4.2.2根据齿条总高hl选择适宜的放大倍数。A4.2.3调整工作台上下旋钮使齿条在投影屏上成清晰的像。A4.2.4转动工作台,使齿条底面直线与投影屏上水平刻线重合后,分别在三个小试样上随机各测量个齿的齿深h、齿距P和齿项长1、测值均应合格。A4.2.5转动工作台或投影屏,使用垂直刻线分别在三个小试样上随机各测量一个齿的前角α,测值均应合格。
A4.3齿项宽
如图A2所示。将齿条小试样吸附在永久磁铁试验附件上,使齿条的侧面和底面与附件A,B两直角面贴合。然后把附件放置在可读数的光学测量仪的工作台上,按照仪器使用说明分别在三个小试样上随机各测量个齿顶宽bs,测值均应合格。图A2
1—黄铜底座;2—永久磁铁;3-齿条小试样附录B
齿条显微维氏硬度试验方法
(补充件)
B1试验仪器
显微维氏硬度计,硬度计应符合GB/T4342中有关规定。B2试样及其制备
B2.1采用进行齿条基本尺寸测量后的小试样。B2.2在每个小试样上再分别随机截取适宜进行镶嵌的短样段,且使试验齿数在三段上的和不少于5个,但在测E形、V形基部齿条第4测点硬度时应分别在小试样上另取短样,制成三个横截面嵌样。B2.3短样段的两端截取面应在砂轮上磨平齐以保证在制取嵌样时齿条侧面与镶嵌面吻合一致,磨制时应注意控制磨削升温,以免影响测试结果。B3试验条件
温度:23℃±5℃。
小提示:此标准内容仅展示完整标准里的部分截取内容,若需要完整标准请到上方自行免费下载完整标准文档。
标准图片预览:





- 其它标准
- 热门标准
- FZ纺织行业标准
- FZ/T90083-1995 纺织机械筒子架主要尺寸
- FZ/T92038-1995 熔融纺丝圆形孔喷丝板
- FZ/T33010-1999 苎麻卷烟带
- FZ/T60033-2012 家用纺织品 毛巾不均匀水洗尺寸变化的测定
- FZ/T24010-2013 防缩毛纺织产品
- FZ/T43004-2013 桑蚕丝纬编针织绸
- FZ/T73011-2013 针织腹带
- FZ/T32024-2019 亚麻与棉混纺色纺纱
- FZ/T70012-2016 -次成型束身无缝内衣号型
- FZ/T70001-2003 针织和编结绒线试验方法
- FZ/T73018-2002 毛针织品
- FZ60007-1991 毛毯试验方法
- FZ/T01053-1998 纺织品 纤维含量的标识
- FZ/T01082-2000 服装面料和热熔粘合衬干热尺寸变化的测定
- FZ/T01083-2000 热熔粘合衬布干洗后外观及尺寸变化的测定
- 行业新闻
网站备案号:湘ICP备2025141790号-2