- 您的位置:
- 标准下载网 >>
- 标准分类 >>
- 纺织行业标准(FZ) >>
- FZ/T 92073- 2007 托锭粗纱锭子
标准号:
FZ/T 92073- 2007
标准名称:
托锭粗纱锭子
标准类别:
纺织行业标准(FZ)
标准状态:
现行出版语种:
简体中文下载格式:
.zip .pdf下载大小:
957.91 KB
点击下载
标准简介:
FZ/T 92073- 2007.
1范围
FZ/T 92073规定了托锭粗纱锭子的产品分类.要求、试验方法、检验规则、标志、包装、运输和贮存。
FZ/T 92073适用于棉毛、绢、苎麻、化纤纯纺或混纺的托锭粗纱机用粗纱锭子(以下简称锭子)。
2规范性引用文件.
下列文件中的条款通过本标准的引用而成为本标准的条款。凡是注日期的引用文件,其随后所有的修改单(不包括勘误的内容)或修订版均不适用于本标准,然而,鼓励根据本标准达成协议的各方研究是否可使用这些文件的最新版本。凡是不注日期的引用文件,其最新版本适用于本标准。
FZ/T 90001纺织机械产 品包装
3分类
3.1 型式
见图1.
5试验方法
5.1 4.1用洛氏硬度计测定。
5.2 4.2用粗糙度样板目测对照检查,仲裁时用粗糙度仪检测.
5.34.3 用专用测量仪(测量基准见图3)。
5.4 4.4可用目测.手感检测.评定。
6检验规则
6.1 出厂检验
6.1.1 产品由制造厂质量检验部门,按规定进行检验,检验合格后方可出厂,并附有产品合格证。
6.1.2 出厂检验项目:4.1~4.4.
6.2型式检验
6.2.1在下列情况之一时,应进行型式检验:
a)新产 品定型鉴定时:
b)原材料.生产工艺有重 大更改,可能影响产品性能时:
c) 第三方质量机构进行质量检验时。
6.2.2 型式检验项目:3.3及第4章.
6.3抽样方法和评定规则
产品采用抽样检验,每批(500件~1 000件)抽样不少于5件,最多不大于20件,产品抽样项次合格率≥95%时,该批认为合格。
部分标准内容:
中华人民共和国纺织行业标准
FZ/T92073-2007
托锭粗纱锭子
Spindleforflyframe
2007-05-29发布
数码防伪
中华人民共和国国家发展和改革委员会2007-11-01实施
本标准由中国纺织工业协会提出。前言
本标准由全国纺织机械及附件标准化技术委员会归口。FZ/T92073-2007
本标准主要起草单位:天津宏大纺织机械有限公司,中国纺织机械(集团)有限公司。本标准主要起草人:马丽娜、冯广轩、赵关红。本标准首次发布。
托锭粗纱锭子
FZ/T92073—2007
本标准规定了托锭粗纱锭子的产品分类、要求、试验方法、检验规则、标志、包装、运输和贮存。本标准适用于棉、毛、绢、苎麻、化纤纯纺或混纺的托锭粗纱机用粗纱锭子(以下简称锭子)。规范性引用文件
下列文件中的条款通过本标准的引用而成为本标准的条款。凡是注日期的引用文件,其随后所有的修改单(不包括勘误的内容)或修订版均不适用于本标准,然而,鼓励根据本标准达成协议的各方研究是否可使用这些文件的最新版本。凡是不注日期的引用文件,其最新版本适用于本标准。FZ/T90001纺织机械产品包装
3分类
3.1型式
见图1。
3.2产品代号
粗纱锭子直径
粗纱锭子代号
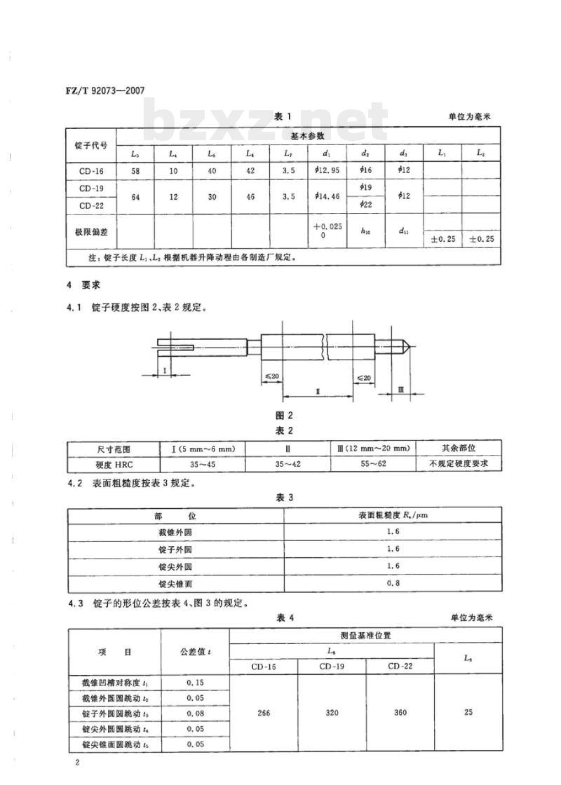
3.3基本参数
见表1。
FZ/T92073—2007
锭子代号
极限偏差
基本参数
注:锭子长度L、L,根据机器升降动程由各制造厂规定。4要求
4.1锭子硬度按图2、表2规定。
尺寸范围
硬度HRC
I(5mm~6mm)
表面粗糙度按表3规定。
截锥外圆
锭子外圆
锭尖外圆
锭尖锥面
4.3锭子的形位公差按表4、图3的规定。项
截锥凹槽对称度1
截锥外圆圆跳动t
锭子外圆圆跳动
锭尖外圆圆跳动ta
锭尖锥面圆跳动ts
公差值:
(12mm~20mm)
单位为毫米
其余部位
不规定硬度要求
表面粗糙度R./μm
单位为毫米
测量基准位置
4.4锭子表面光滑,无碰痕、擦伤等缺陷。5试验方法
5.14.1用洛氏硬度计测定。
5.24.2用粗糙度样板目测对照检查,仲裁时用粗糙度仪检测。5.34.3用专用测量仪(测量基准见图3)。5.44.4可用目测、手感检测、评定。6检验规则
出厂检验
FZ/T92073—2007
6.1.1产品由制造厂质量检验部门,按规定进行检验,检验合格后方可出厂,并附有产品合格证。出厂检验项目:4.1~4.4。
6.2型式检验
6.2.1在下列情况之一时,应进行型式检验:a)新产品定型鉴定时;
b)原材料、生产工艺有重大更改,可能影响产品性能时;c)第三方质量机构进行质量检验时。6.2.2型式检验项目:3.3及第4章。6.3抽样方法和评定规则
产品采用抽样检验,每批(500件~1000件)抽样不少于5件,最多不大于20件,产品抽样项次合格率≥95%时,该批认为合格。
包装、运输和贮存
7.1产品的包装应符合FZ/T90001的规定。7.2产品在运输中,包装箱应按规定的朝向安置,不得倾倒或改变方向。7.3产品出厂后,在良好的防雨及通风贮存条件下,包装箱内的产品防潮、防锈有效期为一年。FZ/T 92073-2007
中华人民共和国纺织
行业标准
托锭粗纱锭子
FZ/T92073—2007
中国标准出版社出版发行
北京复兴门外三里河北街16号
邮政编码:100045
网址 spc.net.cn
电话:6852394668517548
中国标准出版社秦皇岛印刷厂印刷各地新华书店经销
开本880×12301
2007年8月第一版
5字数7千字
印张0.5
2007年8月第一次印刷
书号:155066·2-18020
如有印装差错
定价10.00元
由本社发行中心调换
版权专有Www.bzxZ.net
侵权必究
举报电话:(010)68533533
小提示:此标准内容仅展示完整标准里的部分截取内容,若需要完整标准请到上方自行免费下载完整标准文档。
标准图片预览:





- 其它标准
- 热门标准
- FZ纺织行业标准
- FZ/T60033-2012 家用纺织品 毛巾不均匀水洗尺寸变化的测定
- FZ/T73011-2013 针织腹带
- FZ/T12023-2011 芳纶1313本色纱线
- FZ/T24010-2013 防缩毛纺织产品
- FZ/T43015-2011 桑蚕丝针织服装
- FZ/T33010-1999 苎麻卷烟带
- FZ/T92052-1995 轴承内径φ12mm环锭锭子
- FZ/T90083-1995 纺织机械筒子架主要尺寸
- FZ/T70012-2016 -次成型束身无缝内衣号型
- FZ/T32024-2019 亚麻与棉混纺色纺纱
- FZ/T43004-2013 桑蚕丝纬编针织绸
- FZ/T14023-2012 涤(锦)纶防水透湿雨衣面料
- FZ/T62019-2012 工艺绗缝被
- FZ/T14007-2011 棉涤混纺印染布
- FZ/T92054-1996 倍捻锭子
- 行业新闻
网站备案号:湘ICP备2025141790号-2