- 您的位置:
- 标准下载网 >>
- 标准分类 >>
- 纺织行业标准(FZ) >>
- FZ/T 92074-2007 托锭粗纱锭翼
标准号:
FZ/T 92074-2007
标准名称:
托锭粗纱锭翼
标准类别:
纺织行业标准(FZ)
标准状态:
现行出版语种:
简体中文下载格式:
.zip .pdf下载大小:
1.79 MB
点击下载
标准简介:
FZ/T 92074-2007.
1范围
FZ/T 92074规定了托锭粗纱锭翼的产品分类、要求、试验方法、检验规则、标志、包装.运输和贮存。.
FZ/T 92074适用于棉、毛、苎麻、绢及化纤纯纺或混纺的托锭粗纱机的锭翼(以下简称锭翼)。.
2规范性引用文件
下列文件中的条款通过本标准的引用而成为本标准的条款。凡是注日期的引用文件,其随后所有的修改单(不包括勘误的内容)或修订版均不适用于本标准,然而,鼓励根据本标准达成协议的各方研究是否可使用这些文件的最新版本。凡是不注日期的引用文件,其最新版本适用于本标准。
GB/T 9286色漆和清漆漆 膜的划格试验
FZ/T 90001纺织机械产 品包装
FZ/T 90074纺织机械产 品涂装
3分类
3.1锭翼型式
见图1。6检验规则
6.1出厂检验
6.1.1产品由制造厂质量检验部门按本标准进行检验,检验合格后方可出厂,并附有产品合格证。
6.1.2 出厂检验项目:4.1~4.5。
6.2型式检验
6.2.1在下列情况之--时,应进行型式检验:
a)新产 品定型鉴定时;
b)原材料 、生产工艺有重大更改,可能影响产品性能时;
c)第三方质量机构进行质量检验时。
6.2.2型式检验项目:3.3 及第4章。
6.3抽样方法和评定规则
6.3.1按简单随机抽样法从检验批中抽取作为样本的产品,从每批(500套~1000套)中抽取的样本不少于30套。
6.3.2抽样检验时,总项次合格率不小于98%,单项合格率按表3进行评定。以上两项合格后,方可.判定该批产品符合要求。
部分标准内容:
中华人民共和国纺织行业标准此内容来自标准下载网
FZ/T92074—--2007
托锭粗纱锭翼
Flyerforflyframe
2007-05-29发布
中华人民共和国国家发展和改革委员会2007-11-01实施
中华人民共和国纺织
行业标准
锭粗纱
FZ/T92074—2007
中国标准出版社出版发行
北京复兴门外三里河北街16号
邮政编码:100045
网址spc.net.cn
电话:6852394668517548
中国标准出版社秦皇岛印刷厂印刷各地新华书店经销
开本880×12301/16
2007年8月第一版
印张0.5
字数8千字
2007年8月第一次印刷
书号:155066·2-18008
如有印装差错
定价10.00元
由本社发行中心调换
版权专有
侵权必究
举报电话:(010)68533533
本标准由中国纺织工业协会提出。前言
本标准由全国纺织机械及附件标准化技术委员会归口。FZ/T92074—2007
本标准主要起草单位:天津宏大纺织机械有限公司、中国纺织机械(集团)有限公司。本标准主要起草人:马丽娜、赵文光、赵关红。本标准首次发布。
1范围
托锭粗纱锭翼
FZ/T920742007
本标准规定了托锭粗纱锭翼的产品分类、要求、试验方法、检验规则、标志、包装、运输和贮存。本标准适用于棉、毛、苎麻、绢及化纤纯纺或混纺的托锭粗纱机的锭翼(以下简称锭翼)。规范性引用文件
下列文件中的条款通过本标准的引用而成为本标准的条款。凡是注日期的引用文件,其随后所有的修改单(不包括勘误的内容)或修订版均不适用于本标准,然而,鼓励根据本标准达成协议的各方研究是否可使用这些文件的最新版本。凡是不注日期的引用文件,其最新版本适用于本标准。GB/T9286色漆和清漆漆膜的划格试验FZ/T90001
FZ/T90074
3分类
3.1锭翼型式
见图1。
假挖器;
中管销;
一中管:
—锭翼体;
一压掌。
纺织机械产品包装
纺织机械产品涂装
FZ/T92074—2007
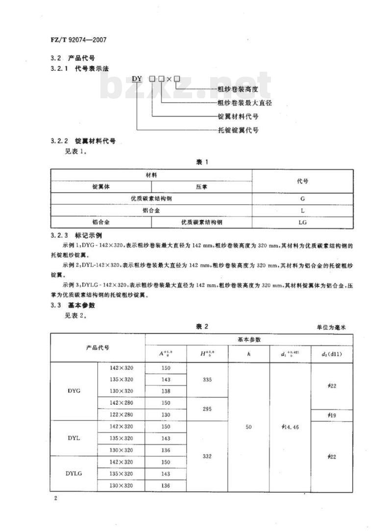
3.2,产品代号
3.2.1代号表示法
3.2.2翼材料代号
见表1。
锭翼体
铝合金
3.2.3标记示例
DYOOXO
优质碳素结构钢
铝合金
粗纱卷装高度
粗纱卷装最大直径
锭翼材料代号
托锭锭翼代号
优质碳索结构钢
示例1.DYG-142×320,表示粗纱卷装最大直径为142mm,粗纱卷装高度为320mm,其材料为优质碳素结构钢的托锭粗纱锭翼。
示例2:DYL-142×320,表示粗纱卷装最大直径为142mm,粗纱卷装高度为320mm,其材料为铝合金的托锭粗纱锭翼。
示例3:DYLG-142×320,表示粗纱卷装最大直径为142mm,粗纱卷装高度为320mm,其材料锭翼体为铝合金,压掌为优质碳素结构钢的托锭粗纱锭翼。3.3基本参数
见表2。
产品代号
142×320
135×320
130×320
142×280
122×280
142×320
135×320
130×320
142×320
135×320
130×320
基本参数
d. tg o025
单位为毫米
ds(di1)
4要求
4.1锭翼在中纱状态,转速为1000r/min时,许用不平衡量≤1180g·mm。4.2锭翼转速为1000r/min时,空心臂末端20mm处张开量:DYG型≤4mm
DYL、DYLG型≤3.5mm。
FZ/T92074—2007
4.3锭翼压掌转动灵活,轴向审动量0.05mm~0.60mm,压掌调到卷装最大位置转速为400r/min时,能自动向心。
4.4锭翼表面光滑。涂装应符合FZ/T90074的规定,表面涂层附着力应符合GB/T9286划格法2级的要求,色泽均匀一致。
4.5锭翼表面及粗纱通道光滑,不挂纤维。5试验方法
5.14.1用动平衡机测定。
5.24.2用锭翼动态参数测试仪测定。5.34.3在专用设备或工具上检测。5.44.4色泽用目测评定,涂层附着力按GB/T9286的规定划格测定。5.54.5用棉花及粗纱进行过纱试验。6检验规则
6.1出厂检验
6.1.1产品由制造厂质量检验部门按本标准进行检验,检验合格后方可出厂,并附有产品合格证。6.1.2出厂检验项目:4.1~4.5。6.2型式检验
在下列情况之一时,应进行型式检验:a)
新产品定型鉴定时;
原材料、生产工艺有重大更改,可能影响产品性能时;e)
第三方质量机构进行质量检验时。6.2.2型式检验项目:3.3及第4章。6.3抽样方法和评定规则
6.3.1按简单随机抽样法从检验批中抽取作为样本的产品,从每批(500套~1000套)中抽取的样本不少于30套。
6.3.2抽样检验时,总项次合格率不小于98%,单项合格率按表3进行评定。以上两项合格后,方可判定该批产品符合要求。
4.1锭翼的许用不平衡量
检验项目
4.2锭翼的单臂末端20mm处张开量4.3锭翼压掌
4.4锭翼表面质量
4.5粗纱通道光滑,不挂纤维
单项合格率
FZ/T92074—2007
7标志
锭翼表面应标志厂标或商标。
8包装、运输和贮存
8.1产品的包装应符合FZ/T90001的规定。8.2产品包装箱在运输中,应按规定的起吊位置起吊,并按规定的朝向放置,不得颠倒或改变方向。8.3产品出厂后,在良好的防雨及通风贮存条件下,包装箱内的产品防潮防锈有效期为一年。版权专有侵权必究
书号155066·2-18008
FZ/T92074-2007
定价:
小提示:此标准内容仅展示完整标准里的部分截取内容,若需要完整标准请到上方自行免费下载完整标准文档。
标准图片预览:





- 其它标准
- 热门标准
- FZ纺织行业标准
- FZ/T90083-1995 纺织机械筒子架主要尺寸
- FZ/T92038-1995 熔融纺丝圆形孔喷丝板
- FZ/T60033-2012 家用纺织品 毛巾不均匀水洗尺寸变化的测定
- FZ/T24010-2013 防缩毛纺织产品
- FZ/T43004-2013 桑蚕丝纬编针织绸
- FZ/T73011-2013 针织腹带
- FZ/T32024-2019 亚麻与棉混纺色纺纱
- FZ/T70012-2016 -次成型束身无缝内衣号型
- FZ/T70001-2003 针织和编结绒线试验方法
- FZ/T73018-2002 毛针织品
- FZ60007-1991 毛毯试验方法
- FZ/T01053-1998 纺织品 纤维含量的标识
- FZ/T01082-2000 服装面料和热熔粘合衬干热尺寸变化的测定
- FZ/T01083-2000 热熔粘合衬布干洗后外观及尺寸变化的测定
- FZ/T97016-1997 提花经编机
- 行业新闻
网站备案号:湘ICP备2025141790号-2