- 您的位置:
- 标准下载网 >>
- 标准分类 >>
- 纺织行业标准(FZ) >>
- FZ/T 92078-2010 巡回清洁器
标准号:
FZ/T 92078-2010
标准名称:
巡回清洁器
标准类别:
纺织行业标准(FZ)
标准状态:
现行出版语种:
简体中文下载格式:
.zip .pdf下载大小:
1.78 MB
点击下载
标准简介:
FZ/T 92078-2010.
1范围
FZ/T 92078规定了巡回清洁器的定义.产品型式和基本参数.要求.试验方法、检验规则及标志.包装、运输和贮存。
FZ/T 92078适用于幼织行业粗纱、细纱.络简.并线、倍捻、织布.转杯纺等设备及环境进行定向移动清洁的巡回清洁器。
2规范性引用文件
下列文件中的条款通过本标准的引用而成为本标准的条款。凡是注8期的引用文件,其随后所有的修改单(不包括勘误的内容)或修订版均不适用于本标准,然而,鼓励根据本标准达成协议的各方研究是否可使用这些文件的最新版本。凡是不注期的引用文件 ,其最新版本适用于本标准。
GB/T 191包装储运 图示标志
GB755旋转电机 定额和性能
GB/T 1236工业通风机用标准化风道 进行性能试验
GB 5226.1- -2002机械安全机械电气设备 第1部分:通用技术条件
GB/T 7111.1纺织机械噪声测试规范第1部分:通用要求
F2/T 90001纺织机械产 晶包装
FZ/T 90074纺织机械产 品涂装
FZ/T 90089.1纺织机械铭牌 型式.尺寸及技术要求
FZ/T 90089.2纺织机械铭牌内容
3术语和定义
下列术语和定义适用于本标准.
3.1运行主体
moving objeet
安放在轨道上带吹风、吸纤尘装置和内置风机等部件的可移动组件.
3.2龙带式巡回清洁器bel-type overhead traelling cleaner
安装在轨道-端的电机通过细长平皮带传动运行主体上的差速轮系,使可移动运行主体实现直线往复清沽运动,简称龙带式。
3.3拖链式巡回清洁器chain-type orverhead trvellig cleaner
通过轨道安装的拖链和电缆,将电源传输到运行主体.使运行主体实现直线往复清洁运动,简称拖链式。
部分标准内容:
中华人民共和国纺织行业标准
FZ/T92078—2010
巡回清洁器
Travellingclearers
2010-08-16发布
中华人民共和国工业和信息化部发布
2010-12-01实施
本标准由中国纺织工业协会提出。前言
本标准由全国纺织机械与附件标准化技术委员会归口。FZ/T92078—2010
本标准由江阴精亚集团有限公司、江苏爱吉科纺织机械有限公司,江阴纺织机械制造有限公司、中国纺织机械器材工业协会负责起草。本标准主要起草人:娄建国、顾允宽、李岱、张建林、仲瑞龙。1范围
巡回清洁器
FZ/T92078—2010
本标准规定了巡回清洁器的定义、产品型式和基本参数、要求、试验方法、检验规则及标志、包装、运输和贮存。
本标准适用于纺织行业粗纱、细纱、络简、并线、倍捻、织布、转杯纺等设备及环境进行定向移动清洁的巡回清洁器。
2规范性引用文件
下列文件中的条款通过本标准的引用而成为本标准的条款。凡是注日期的引用文件,其随后所有的修改单(不包括勘误的内容)或修订版均不适用于本标准,然而,鼓励根据本标准达成协议的各方研究是否可使用这些文件的最新版本。凡是不注日期的引用文件,其最新版本适用于本标准。GB/T191包装储运图示标志
GB755旋转电机定额和性能
GB/T1236工业通风机用标准化风道进行性能试验GB5226.1一2002机械安全机械电气设备第1部分:通用技术条件GB/T7111.1纺织机械噪声测试规范第1部分:通用要求FZ/T90001纺织机械产品包装
FZ/T90074纺织机械产品涂装
FZ/T90089.1纺织机械铭牌型式、尺寸及技术要求FZ/T90089.2纺织机械铭牌内容
3术语和定义
下列术语和定义适用于本标准。3.1
运行主体movingobject
安放在轨道上带吹风、吸纤尘装置和内置风机等部件的可移动组件。3.2
龙带式巡回清洁器belt-typeoverheadtravellingcleaner安装在轨道一端的电机通过细长平皮带传动运行主体上的差速轮系,使可移动运行主体实现直线往复清洁运动,简称龙带式。
拖链式巡回清洁器chain-type overhead travelling cleanen通过轨道安装的拖链和电缆,将电源传输到运行主体,使运行主体实现直线往复清洁运动,简称拖链式。
滑触线式巡回清洁器 sliding feeder line overhead travelling cleaner通过轨道安装的固定滑触线输电装置,通过集电器将电源传输到运行主体,使运行主体实现直线往复、弧形循环或半循环式清洁运动,简称滑触线式。1
FZ/T92078—2010
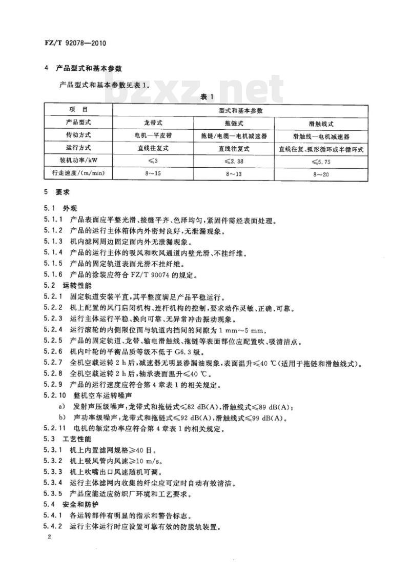
4产品型式和基本参数
产品型式和基本参数见表1。
产品型式
传动方式
运行方式
装机功率/kw
行走速度/(m/min)
5要求
5.1外观
龙带式
电机一平皮带
直线往复式
型式和基本参数
拖链式
拖链/电缆一电机减速器
直线往复式
5.1.1产品表面应平整光滑、接缝平齐、色泽均匀,紧固件需经表面处理。5.1.2产品的运行主体箱体内外密封良好,无泄漏现象。5.1.3
机内滤网周边固定面内外无泄漏现象。5.1.4产品的运行主体的吸风和吹风通道内壁光滑、不挂纤维。5产品的固定轨道表面光滑不挂纤维。5.1.5
5.1.6产品的涂装应符合FZ/T90074的规定。5.2运转性能
固定轨道安装平直,其平整度满足产品平稳运行。滑触线式
滑触线一电机减速器
直线往复、弧形循环或半循环式5.75
机上配置的风门启闭机构、连杆机构的控制,要求动作灵敏、正确、可靠。运行主体运行平稳、换向可靠、无异常冲击振动现象。运行滚轮的内侧限位面与轨道内挡间的间隙为1mm~5mm。产品的固定轨道、龙带、输电滑触线、拖链等表面部位应配置吹、吸清洁点。机内叶轮的平衡品质等级不低于G6.3级。全机空载运转2h后,减速器无明显渗漏油现象,表面温升40℃(适用于拖链和滑触线式)。全机空载运转2h后,轴承表面温升≤40℃。产品的运行速度应符合第4章表1的相关规定。整机空车运转噪声
发射声压级噪声:龙带式和拖链式≤82dB(A),滑触线式<89dB(A);声功率级噪声:龙带式和拖链式≤92dB(A),滑触线式<99dB(A)。b)
电机的额定功率应符合第4章表1的相关规定。5.3工艺性能
机上内置滤网规格≥40目。
机上吸风管内风速≥10m/s。
机上吹嘴出口风速随机可调。
运行主体滤网内收集的纤尘应可定时自动有效清洁。5.3.4
产品应能适应纺织厂环境和工艺要求。5.4安全和防护
5.4.1各运转部件有明显的指示和警告标志。2运行主体运行时应设置可靠有效的防脱轨装置。5.4.2
5.4.3机械拨动式换向机构上的紧固件应有防松垫圈(适用于龙带式)。5.4.4产品安全防护罩壳齐全,安装牢固。5.4.5安装在固定轨道上的输电系统应有警示标志(适用于拖链式和滑触线式)。5.4.6运行主体的滚轮和轨道之间应有防静电和防积纤尘的措施。5.5自控装置和电气装置
5.5.1自停、自检、自控装置动作灵敏、可靠,信号显示正确。FZ/T92078—2010
5.5.2电气部分保护接地电路的连续性应符合GB5226.1--2002中19.2的规定(适用拖链式和滑触线式)。
5.5.3电气部分的绝缘性应符合GB5226.1一2002中19.3的规定。5.5.4电气部分的耐压性能应符合GB5226.1一2002中19.4的规定。5.5.5电动机的安全性能应符合GB755的有关规定。6试验方法
6.15.1.1、5.2.5、5.3.4、5.4(除5.4.3之外)、5.5.1用目测和手感法检测。6.25.1.2、5.1.3用电筒透光和目测法检测。6.35.1.4、5.1.5用棉纤维擦拭和目测法检测。6.45.1.6检测按照FZ/T90074的相关规定。6.55.2.1用目测法检测。
6.65.2.2.5.2.3在产品空车运转2h后用目测、耳听和手感法检测。6.75.2.4用塞尺和目测法检测。6.85.2.6用专用动平衡机检测。6.95.2.7用目测法和点温计检测。6.105.2.8用点温计检测。
6.115.2.9检测:产品的运行主体安放在轨道上,在≥10m的定长距离范围运行,采用5m钢卷尺、机械或电子计时表测试运行时间后计算得出运行速度。6.12噪声检测
6.12.15.2.10按照GB/T7111.1的相关规定以及图1所示的8个测点检测。图1噪声发射声压级测点布置图
FZ/T92078—2010
6.12.2在距产品2m范围内不应有对噪声结果产生明显影响的障碍物,若在此范围内障碍物无法移去,可用合适的材料作吸声处理,以减少声反射对测量结果的影响。6.12.3测点安排在距产品包络面1m的等距线(即测量线)上(见图1),测点距地面高度为1.6m。6.135.2.11用精度不低于0.5级的功率表检测。6.145.3.1用经纬密度仪检测。
6.155.3.2按照GB/T1236相关规定,在空车运转条件下,用电子压力风量仪和$4mm毕托管在离地500mm处的吸风管内检测。
6.165.3.3.5.3.5用目测法检测产品的适应情况并结合用户的成品测试分析检查是否满足工艺要求。
6.175.4.3在未装龙带时用目测和手感法检测,空车运转2h后再目测检查。6.185.5.2用接地电阻测试仪检测。95.5.3用兆欧表检测。
6.205.5.4用耐压试验仪检测。
5.5.5的检测按GB755的相关规定。6.22
试验条件
电源电压:(380士38)V,频率:(50士1)Hz。7检验规则
7.1组批及抽样方法
7.1.1组批
由相同生产条件下生产的同一规格(型号)的产品组成一批。7.1.2抽样方法
7.1.2.1出厂检验
在每批中随机按2%的比例抽样,如抽样不足1台时则抽取1台。7.1.2.2型式检验
在出厂检验合格的产品中随机抽取1台。7.2检验分类
检验分出厂检验和型式检验bzxz.net
7.2.1出厂检验
7.2.1.1出厂检验项目为本标准的5.1.5.2.2~5.2.5、5.3.1、5.4、5.5。7.2.1.2产品须经制造厂质检部门进行出厂检验合格后方可出厂,并附有制造厂质检部门开具的产品合格证。
7.2.2型式检验
7.2.2.1型式检验项目为本标准第5章规定的全部内容。7.2.2.2在下列情况之一时,要进行型式检验:新产品或老产品转厂生产的试制定型鉴定;正式生产后,产品的结构、材料,工艺有较大改变,可能影响产品性能时;出厂检验结果与上次型式检验有较大差异时;产品停产一年以上,恢复生产时;一国家有关部门提出进行型式检验要求时。7.3判定规则
7.3.1出厂检验
检验结果如有两项及两项以上指标不符合本标准要求时,判定整批产品不合格;有一项指标不符合4
FZ/T92078-—2010
本标准要求时,允许重新取样进行复验,复验结果仍不符合本标准技术指标的要求,则判定整批产品为不合格。
7.3.2型式检验
检验结果如有一项及一项以上指标不符合本标准要求时,则判定产品为不合格。7.4其他
使用厂在安装调试产品过程中发现不符合本标准时,由制造厂负责会同使用厂进行协商处理。8标志、包装、运输和贮存
8.1标志
8.1.1产品铭牌按FZ/T90089.1和FZ/T90089.2的规定。8.1.2包装储运的图示标志应符合GB/T191的规定。8.2包装
产品的包装按FZ/T90001的规定。8.3运输
产品在运输过程中,应按规定的起吊位置起吊,包装箱应按规定的朝向安置,不得倾斜或改变方向。8.4贮存
产品出厂后,在有良好防雨、防腐蚀及通风的贮存条件下,包装箱内的机件防潮、防锈自出厂日起有效期为一年。
FZ/T92078-2010
打印日期:2010年12月14日F009中华人民共和国纺织
行业标准
巡回清洁器
FZ/T92078—2010
中国标准出版社出版发行
北京复兴门外三里河北街16号
邮政编码:100045
网址spc.net.cn
电话:6852394668517548
中国标准出版社秦皇岛印刷厂印刷各地新华书店经销
开本880X1230
2010年11月第一版
印张0.75字数10千字
2010年11月第一次印刷
书号:155066·2-21303
3定价16.00元
由本社发行中心调换
如有印装差错
版权专有侵权必究
举报电话:(010)68533533
小提示:此标准内容仅展示完整标准里的部分截取内容,若需要完整标准请到上方自行免费下载完整标准文档。
标准图片预览:





- 其它标准
- 上一篇: QB/T 4941-2016钢凿
- 下一篇: FZ/T 92075-2008 织机卷取辊用包覆带
- 热门标准
- FZ纺织行业标准
- FZ/T60033-2012 家用纺织品 毛巾不均匀水洗尺寸变化的测定
- FZ/T73011-2013 针织腹带
- FZ/T12023-2011 芳纶1313本色纱线
- FZ/T24010-2013 防缩毛纺织产品
- FZ/T43015-2011 桑蚕丝针织服装
- FZ/T33010-1999 苎麻卷烟带
- FZ/T92052-1995 轴承内径φ12mm环锭锭子
- FZ/T90083-1995 纺织机械筒子架主要尺寸
- FZ/T70012-2016 -次成型束身无缝内衣号型
- FZ/T32024-2019 亚麻与棉混纺色纺纱
- FZ/T43004-2013 桑蚕丝纬编针织绸
- FZ/T14023-2012 涤(锦)纶防水透湿雨衣面料
- FZ/T62019-2012 工艺绗缝被
- FZ/T14007-2011 棉涤混纺印染布
- FZ/T92054-1996 倍捻锭子
- 行业新闻
网站备案号:湘ICP备2025141790号-2