- 您的位置:
- 标准下载网 >>
- 标准分类 >>
- 纺织行业标准(FZ) >>
- FZ/T 92024-2006 LZ系列下罗拉轴承
标准号:
FZ/T 92024-2006
标准名称:
LZ系列下罗拉轴承
标准类别:
纺织行业标准(FZ)
标准状态:
现行出版语种:
简体中文下载格式:
.zip .pdf下载大小:
1.99 MB
点击下载
标准简介:
FZ/T 92024-2006.
1范围
FZ/T 92024规定了LZ系列下罗拉轴承(以下简称轴承)的型号和基本参数.要求.试验方法、检验规则、标志和包装.运输.贮存。
FZ/T 92024适用于纺纱准备、纺纱和并(捻)机械的下罗拉轴承,其他同类型的下罗拉轴承也可参照采用。
2规范性引用文件
下列文件中的条款通过本标准的引用而成为本标准的条款。凡是注日期的引用文件,其随后所有的修改单(不包括勘误的内容)或修订版均不适用于本标准,然而,鼓励根据本标准达成协议的各方研究是否可使用这些文件的最新版本。凡是不注日期的引用文件,其最新版本适用于本标准。
GB/T 309- -2000滚动轴承 滚针
GB/T 18254高 碳铬轴承钢
JB/T 1255- -2001高碳铬轴承钢滚动轴承零件热处理技术条件
JB/T 7048- -2002 滚动轴承零件工程塑料保持架技术条件
FZ/T 90001纺织机械产 晶包装
FZ/T 90086- -1995纺织机械与附件 下 罗拉轴承和有关尺寸
3型号和基本参数
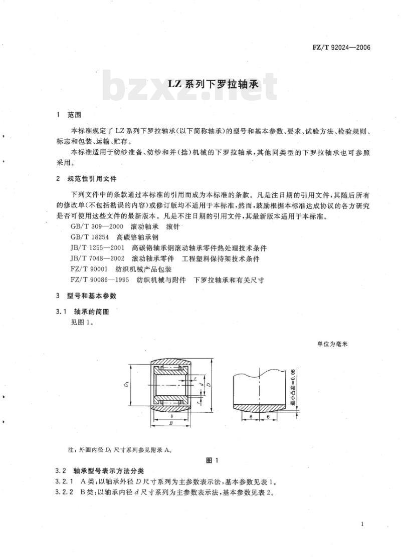
3.1轴承的简图
见图1。5.8 4.4.8,在现场取备装滚针,按GB/T 309- -2000的有关规定检测规值批直径变动量、圆度、度。
5.9 4.4. 10,检验成套轴承旋转灵活性时,将下罗拉轴承清洗干净后用手握持内圈,转动外圈,手感检查。
6检验规则
6.1 出厂检验
6.1.1 由制造厂质量检验部门按标准检验,检验合格后方能出厂,并附有产品合格证。
6.1.2 出厂检验项目: 4.4.1~4.4.7.4.4.8.1.4.4.9.4.4.10.
6.2型式检验
6.2.1有 下列情况之一时应进行型式检验:
a) 正常生产后,如结构、原材料、工艺有较大改变时;
b) 产品停产- -年以上,恢复生产时;
c)第三方检验机构进行质量检验时。
6.2.2检验项目:第4章.
6.3抽样方 法和评定规则
6.3.1按简单随机抽样 法从检验批中抽取作为样本的产品。
6.3.2 检验项目、样品数、合格率见表7。
部分标准内容:
中华人民共和国纺织行业标准
FZ/T92024—2006
代替FZ/T92024—1993
LZ系列下罗拉轴承
LZseriesbottomrollerbearings2006-07-10发布
中华人民共和国国家发展和改革委员会2007-01-01实施
本标准是根据FZ/T92024—1993《LZ系列下罗拉轴承》进行修订的。本标准与FZ/T92024—1993相比主要变化如下:增加了轴承型号表示方法分类;-提高了成套技术要求;
增加了尼龙材料的要求;
增加了抽样方法和评定;
原附录A列入标准正文;
取消了原标准中附录B“L乙系列下罗拉轴承一般技术要求”(参考件)。FZ/T92024—2006
请注意本标准的某些内容有可能涉及专利。本标准的发布机构不承担识别这些专利的责任。本标准的附录A为资料性附录。
本标准由中国纺织工业协会提出。本标准由全国纺织机械与附件标准化技术委员会归口。本标准起草单位:无锡纺织机械研究所、衡阳纺织机械厂、山西经纬合力机械制造公司六厂、常熟长城轴承有限公司、余姚市纺织器材厂。本标准主要起草人:赵蓉贞、赵基平、阳艳玲、伊育文、蔡旭东、徐利明。本标准所代替标准的历次版本发布情况为:-FZ/JQ2-1982
FZ/T92024—1993。
1范围
LZ系列下罗拉轴承
FZ/T92024—2006
本标准规定了LZ系列下罗拉轴承(以下简称轴承)的型号和基本参数、要求、试验方法、检验规则、标志和包装、运输、贮存。
本标准适用于纺纱准备、纺纱和并(捻)机械的下罗拉轴承,其他同类型的下罗拉轴承也可参照采用。
2规范性引用文件
下列文件中的条款通过本标准的引用而成为本标准的条款。凡是注日期的引用文件,其随后所有的修改单(不包括勘误的内容)或修订版均不适用于本标准,然而,鼓励根据本标准达成协议的各方研究是否可使用这些文件的最新版本。凡是不注日期的引用文件,其最新版本适用于本标准。GB/T309—2000滚动轴承滚针
GB/T18254高碳铬轴承钢
JB/T1255—2001高碳铬轴承钢滚动轴承零件热处理技术条件JB/T7048—2002滚动轴承零件工程塑料保持架技术条件FZ/T90001纺织机械产品包装
FZ/T90086—1995纺织机械与附件牛下罗拉轴承和有关尺寸
3型号和基本参数
3.1轴承的简图
见图1。
单位为毫米
注:外圈内径D尺寸系列参见附录A。图1
3.2轴承型号表示方法分类
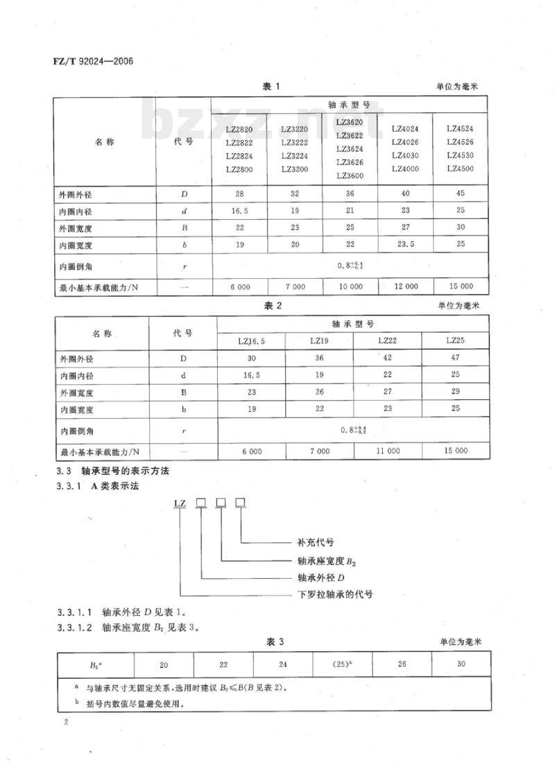
3.2.1A类:以轴承外径D尺寸系列为主参数表示法,基本参数见表1。3.2.2B类:以轴承内径d尺寸系列为主参数表示法,基本参数见表2。FZ/T92024—2006
外圈外径
内圈内径
外圈宽度
内圈宽度
内圈倒角
最小基本承载能力/N
外圈外径
内圈内径
外圈宽度
内圈宽度
内圈倒角
最小基本承载能力/N
3.3轴承型号的表示方法
3.3.1A类表示法
轴承外径D见表1。
轴承座宽度B2见表3。
LZ2820
LZ2822
LZ2824
LZ2800
LZ3220
LZ3222
LZ3224
LZ3200
与轴承尺寸无固定关系,选用时建议B≤B(B见表2)。括号内数值尽量避免使用。
轴承型号
LZ3620
LZ3622
LZ3624
LZ3626
LZ3600
轴承型号
补充代号
轴承座宽度B2
轴承外径D
下罗拉轴承的代号
LZ4024
LZ4026
LZ4030
LZ4000
单位为毫米
LZ4524
LZ4526
LZ4530
LZ4500
单位为毫米
单位为毫米
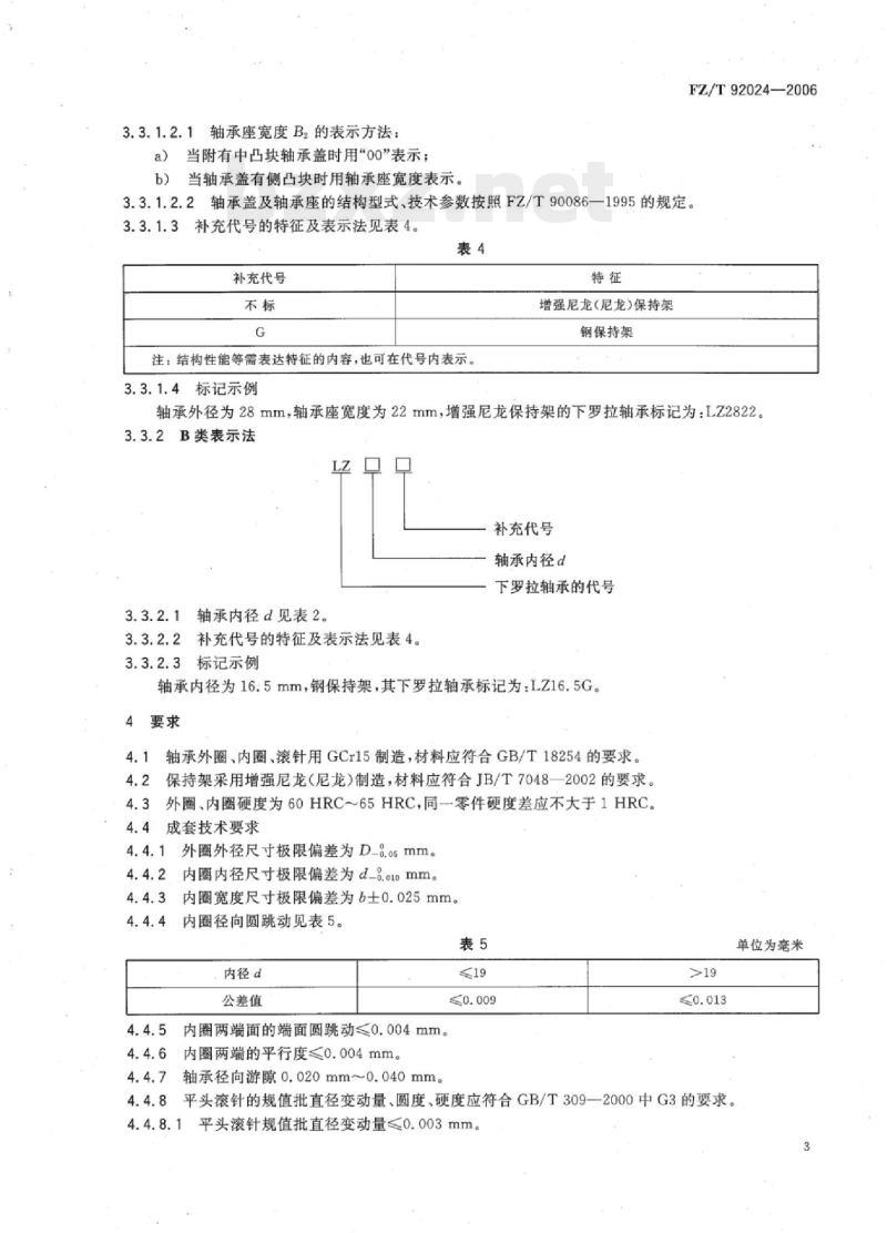
3.3.1.2.1轴承座宽度B2的表示方法:a)当附有中凸块轴承盖时用“0o\表示;b)当轴承盖有侧凸块时用轴承座宽度表示。FZ/T92024—2006
3.3.1.2.2轴承盖及轴承座的结构型式、技术参数按照FZ/T90086—1995的规定。3.3.1.3补充代号的特征及表示法见表4。表4
补充代号
注:结构性能等需表达特征的内容,也可在代号内表示。3.3.1.4标记示例
增强尼龙(尼龙)保持架
钢保持架
轴承外径为28mm,轴承座宽度为22mm,增强尼龙保持架的下罗拉轴承标记为:Lz28223.3.2B类表示法
补充代号
轴承内径d
下罗拉轴承的代号
3.3.2.1轴承内径d见表2。
3.3.2.2补充代号的特征及表示法见表4。3.3.2.3标记示例
轴承内径为16:5mm,钢保持架,其下罗拉轴承标记为:LZ16.5G。要求
4.1轴承外圈、内圈、滚针用GCr15制造,材料应符合GB/T18254的要求。4.2保持架采用增强尼龙(尼龙)制造,材料应符合JB/T7048—2002的要求。4.3外圈、内圈硬度为60HRC~65HRC,同一零件硬度差应不大于1HRC。4.4成套技术要求
外圈外径尺寸极限偏差为D-3.0smm。4.4.1
内图内径尺寸极限偏差为d-0.010mm。4.4.3
内圈宽度尺寸极限偏差为6士0.025mm。内圈径向圆跳动见表5。
内径d
公差值
内圈两端面的端面圆跳动≤0.004mm。内圈两端的平行度≤0.004mm。
轴承径向游隙0.020mm~0.040mm。19
平头滚针的规值批直径变动量、圆度、硬度应符合GB/T309——2000中G3的要求。4.4.8
4.4.8.1平头滚针规值批直径变动量≤0.003mm。单位为毫米
FZ/T92024—2006
4.4.8.2平头滚针圆度≤0.0015mm。4.4.8.3.平头滚针硬度为60HRC~65HRC4.4.9同批成套轴承的外圈与内圈滚针保持架组件间应可以进行互换,并符合轴承的径向游隙值要求。
4.4.10成套轴承旋转应灵活,不允许有阻滞、打顿现象。5试验方法
5.14.1,相关金属件的材质,按GB/T18254的规定检验。5.24.2,保持架材质按JB/T7048—2002的规定检验。5.34.3,外圈、内圈硬度用洛氏硬度计按照JB/T1255一2001的规定测试。5.44.4.1,外图外径尺寸极限偏差用外径通用量具或专用量仪测量。5.54.4.2,内圈内径尺寸极限偏差用内径通用量具或专用量仪测量。5.64.4.3,内圈宽度尺寸偏差用专用量仪与标准件或块规作比较测量,测量时将内圈安放在平台上,测头打在另一端面,旋转一周。5.74.4.4~4.4.7,内圈径向圆跳动、端面圆跳动、平行度的检验方法见表6。表6
内圈径向圆跳动
内圈端面圆跳动
检验方法
轴承装于检验心轴,心轴置于
两项尖之间,测点在外圈中间位置,固定外圈,使心轴与内图一同旋转一周以上,千分表读数差值为测量值。
轴承装于检验心轴,心轴置于
两顶尖之间,测点在内圈端面1/2圆周平面内,旋转心轴一周,千分表读数差值为测量值
检验工具
检验心轴、专用轴测仪、
千分表(或齿轮比较仪)
检验心轴、专用轴测仪
千分表(或齿轮比较仪)
内圈两端面平行度bZxz.net
轴承径向游隙
表6(续)
检验方法
将轴承内圈端面放在平台上,
测点在端面1/2圆周平面内,旋
转内圈一周,千分表读数差值为测量值。
测点置于外圈中间处,径向上
下加压,测量负荷F为19.6N,
内圈每旋转120测量一次,共测
量三次,取其算术平均值为测
量值。
FZ/T92024-2006
检验工具
高度测量台架、标准高
度块、千分表
专用游隙测量仪
5.84.4.8,在现场取备装滚针,按GB/T309一2000的有关规定检测规值批直径变动量、圆度、硬度。5.94.4.10,检验成套轴承旋转灵活性时,将下罗拉轴承清洗干净后用手握持内圈,转动外圈,手感检查。
6检验规则
6.1出厂检验
6.1.1由制造厂质量检验部门按标准检验,检验合格后方能出厂,并附有产品合格证。6.1.2出厂检验项目:4.4.1~4.4.7、4.4.8.1、4.4.9、4.4.10。6.2型式检验
6.2.1有下列情况之一时应进行型式检验:a)正常生产后,如结构、原材料、工艺有较大改变时;b)产品停产一年以上,恢复生产时;c)第三方检验机构进行质量检验时。6.2.2检验项目:第4章。
6.3抽样方法和评定规则
6.3.1按简单随机抽样法从检验批中抽取作为样本的产品。检验项目、样品数、合格率见表7。6.3.2
FZ/T92024--2006
检验项目
4.1轴承外圈、内圈、滚针的材料、材质要求4.2保持架材料、材质要求
4.3外圈、内圈的硬度要求
4.4成套技术要求
4.4.8.1平头滚针规值批直径变动量4.4.8
4.4.8.2平头滚针圆度
4.4.8.3平头滚针硬度
样品数
>50套
≥20根
≥20根
≥5根
注:检查4.4.8平头滚针要求时,现场抽取批滚针样品数不少于50根(包括备用样品)。6.3.3表7中各项均检验合格,方可判定该批产品符合标准要求6.4其他
使用厂在安装、调整过程中,发现有不符合本标准要求的产品时,由制造厂负责处理。标志
每套轴承应有型号及制造厂标志。8包装、运输和贮存
8.1产品的包装按FZ/T90001的规定。8.2产品在运输过程中,包装箱应按规定的朝向安置,不得倾斜或改变方向。合格率
8.3·产品出厂后,在良好的防雨及通风贮存条件下,包装箱内的产品防潮、防锈有效期为一年。类别
附录A
(资料性附录)
外圈内径D,尺寸系列
表A.1外圈内径D,尺寸
LZ2800
LZ3200
LZ3600
FZ/T92024—2006
LZ4000
LZ4500
FZ/T92024-2006
中华人民共和国纺织
行业标准
LZ系列下罗拉轴承
FZ/T92024—2006
中国标准出版社出版发行
北京复兴门外三里河北街16号
邮政编码:100045
网址spc.net.cn
电话:6852394668517548
中国标准出版社秦皇岛印刷厂印刷各地新华书店经销
开本880×12301/16
2006年11月第一版
印张0.75字数15千字
2006年11月第一次印刷
书号:155066·2-17259
如有印装差错
定价10.00元
由本社发行中心调换
侵权必究
版权专有
举报电话:(010)68533533
小提示:此标准内容仅展示完整标准里的部分截取内容,若需要完整标准请到上方自行免费下载完整标准文档。
标准图片预览:





- 其它标准
- 热门标准
- FZ纺织行业标准
- FZ/T90083-1995 纺织机械筒子架主要尺寸
- FZ/T92052-1995 轴承内径φ12mm环锭锭子
- FZ/T92054-1996 倍捻锭子
- FZ/T92038-1995 熔融纺丝圆形孔喷丝板
- FZ/T33010-1999 苎麻卷烟带
- FZ/T14007-2011 棉涤混纺印染布
- FZ/T60033-2012 家用纺织品 毛巾不均匀水洗尺寸变化的测定
- FZ/T24010-2013 防缩毛纺织产品
- FZ/T43004-2013 桑蚕丝纬编针织绸
- FZ/T73011-2013 针织腹带
- FZ/T32024-2019 亚麻与棉混纺色纺纱
- FZ/T70012-2016 -次成型束身无缝内衣号型
- FZ/T70001-2003 针织和编结绒线试验方法
- FZ/T73018-2002 毛针织品
- FZ60007-1991 毛毯试验方法
- 行业新闻
网站备案号:湘ICP备2025141790号-2