- 您的位置:
- 标准下载网 >>
- 标准分类 >>
- 水产行业标准(SC) >>
- SC/T 1030.4-1999 虹鳟养殖技术规范鱼苗、鱼种培育技术
标准号:
SC/T 1030.4-1999
标准名称:
虹鳟养殖技术规范鱼苗、鱼种培育技术
标准类别:
水产行业标准(SC)
标准状态:
现行-
发布日期:
1999-03-22 -
实施日期:
1999-06-01 出版语种:
简体中文下载格式:
.rar.pdf下载大小:
83.41 KB
点击下载
标准简介:
标准下载解压密码:www.bzxz.net
本标准规定了虹缚(Oncorhynchus mykiss Walbaum)鱼苗、鱼种培育的环境条件,苗种放养和饲养管理的技术要求。本标准适用于虹缚鱼苗和鱼种的培育。 SC/T 1030.4-1999 虹鳟养殖技术规范鱼苗、鱼种培育技术 SC/T1030.4-1999
部分标准内容:
SC/T 1030.4—1999
本标准为《虹鲜养殖技术规范》系列标准的第四个标准。本标准由农业部渔业局提出。
本标准由中国水产科学研究院长江水产研究所归口。本标准由中国水产科学研究院黑龙江水产研究所负责起草。本标准主要起草人:李宇光、宋苏祥、刘雄。303
1范围
中华人民共和国水产行业标准
虹鳟养殖技术规范
鱼苗、鱼种培育技术
Technical specifications for rainbow trout culture-Techniques for fry and fingerling cultureSC/T1030.4—1999
本标准规定了虹鳟(Oncorhynchus mykiss Walbaum)鱼苗、鱼种培育的环境条件,苗种放养和饲养管理的技术要求。
本标准适用于虹鱼苗和鱼种的培育。2引用标准
下列标准所包含的条文,通过在本标准中引用而构成为本标准的条文。本标准出版时,所示版本均为有效。所有标准都会被修订,使用本标准的各方应探讨使用下列标准最新版本的可能性。GB11607-—1989渔业水质标准
SC/T1030.7—1999虹鳞养殖技术规范配合颗粒饲料
3鱼苗的培商
3.1环境条件
3.1.1培育池
培育池规格以长15m,宽2m,或长30m,宽3m为宜;设置在上水流处,并联排列;池水深度控制在20cm。
3.1.2水质
水质应符合GB11607的规定。
3.1.3水温
适宜水温为10~~12℃。
3.1.4注水量
每10×104尾鱼注水量为1L/s。
3.2放养
3.2.1鱼苗的质量
卵黄囊吸收三分之二时开始上浮游泳,全长18~~28mm,体重70~250mg,体质健康的鱼苗。3.2.2放养密度
上浮鱼苗在饲育槽内密度为1×104尾/m2在水泥池中密度为5000尾/m2。上浮鱼苗可先在饲育槽内饲养两周,再转人培育池里,也可直接放入培育池中。3.3投饲与管理
3.3.1投饲
中华人民共和国农业部1999-03-22批准304
1999-06-01实施
SC/T1030.4—1999
3.3.1.1采用全价配合饲料作为开口饲料,配合饲料应符合SC/T1030.7的规定。饲料粒径为 0. 3~~0.5 mm。
3.3.1.3当上浮鱼苗为槽内或池中总鱼苗的半数时,开始投饵。日投饵6次。精心投喂,应使鱼苗都能获得饲料。
3.3.2管理
3.3.2.1用铁丝或尼龙制成网目尺寸3mm注、排水闸门,并在闸门与闸门槽之间用软发泡塑料垫紧,严防逃鱼。
3.3.2.2尽量加大闸门宽度,以增加过水断面。3.3.2.3勤刷闸门,及时检出死苗,定时清污保持水流畅通和良好的池水环境。4鱼种培育
4.1环境条件
4.1.1培育池
每个培育池面积为60~160m,池水深度控制在30~40cm。4.1.2水质与水温
水质应符合GB11607的规定,水温不得超过20℃。4.2放养
4.2.1放养密度与注水量见表1。放养密度与注水量
鱼种规格
鱼池面积
放养密度免费标准bzxz.net
尾/m2
不同水温的注水量,L/s
4.2.2注水量随鱼种的成长和游泳能力的增强而加大,以鱼种不贴闸门遭到伤害为度4.3投饲与管理
4.3.1投饲
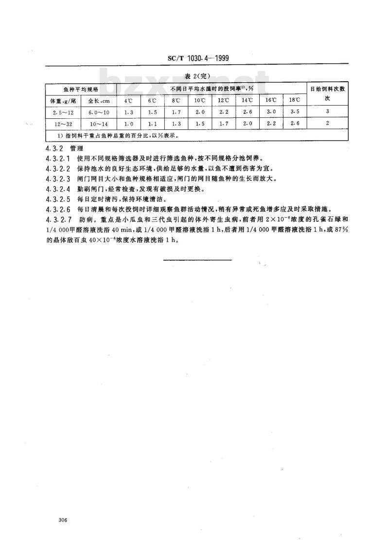
4.3.1.1投喂配合饲料。配合饲料应符合SC/T1030.7的规定,粒径应与鱼种口径相适应。4.3.1.2投饲应定时、适量。日投饲率见表2。表2日投饲率与日投喂次数
鱼种平均规格
体重,g/尾
0.2~0.5
全长,cm
不同日平均水温时的投饲率\,%8℃
日给饲料次数
鱼种平均规格
体重,g/尾
全长,cm
SC/T 1030.4-1999
表2(完)
不同日平均水温时的投饲率1,%8℃
1)指饲料于重占鱼种总重的百分比,以%表示。4.3.2
使用不同规格筛选器及时进行筛选鱼种,按不同规格分池饲养。16℃
保持池水的良好生态环境,供给足够的水量,以鱼不遭到伤害为宜。闸门网目大小和鱼种规格相适应,阑门的网目随鱼种的生长而放大。勤刷澜门,经常检查,发现有破损及时更换。每日定时清污,保持环境清洁。18℃
日给饲料次数
每日清晨和每次投饲时详细观察鱼群活动情况,稍有异常或死鱼增多应及时采取措施。4.3.2.6
防病。重点是小瓜虫和三代虫引起的体外寄生虫病,前者用2×10-6浓度的孔雀石绿和4.3.2.7
1/4000甲醛溶液洗浴40min,或1/4000甲醛溶液洗浴1h,后者用1/4000甲醛溶液洗浴1h,或87%的晶体敌百虫40×10-6浓度水溶液洗浴1h。306
小提示:此标准内容仅展示完整标准里的部分截取内容,若需要完整标准请到上方自行免费下载完整标准文档。
本标准为《虹鲜养殖技术规范》系列标准的第四个标准。本标准由农业部渔业局提出。
本标准由中国水产科学研究院长江水产研究所归口。本标准由中国水产科学研究院黑龙江水产研究所负责起草。本标准主要起草人:李宇光、宋苏祥、刘雄。303
1范围
中华人民共和国水产行业标准
虹鳟养殖技术规范
鱼苗、鱼种培育技术
Technical specifications for rainbow trout culture-Techniques for fry and fingerling cultureSC/T1030.4—1999
本标准规定了虹鳟(Oncorhynchus mykiss Walbaum)鱼苗、鱼种培育的环境条件,苗种放养和饲养管理的技术要求。
本标准适用于虹鱼苗和鱼种的培育。2引用标准
下列标准所包含的条文,通过在本标准中引用而构成为本标准的条文。本标准出版时,所示版本均为有效。所有标准都会被修订,使用本标准的各方应探讨使用下列标准最新版本的可能性。GB11607-—1989渔业水质标准
SC/T1030.7—1999虹鳞养殖技术规范配合颗粒饲料
3鱼苗的培商
3.1环境条件
3.1.1培育池
培育池规格以长15m,宽2m,或长30m,宽3m为宜;设置在上水流处,并联排列;池水深度控制在20cm。
3.1.2水质
水质应符合GB11607的规定。
3.1.3水温
适宜水温为10~~12℃。
3.1.4注水量
每10×104尾鱼注水量为1L/s。
3.2放养
3.2.1鱼苗的质量
卵黄囊吸收三分之二时开始上浮游泳,全长18~~28mm,体重70~250mg,体质健康的鱼苗。3.2.2放养密度
上浮鱼苗在饲育槽内密度为1×104尾/m2在水泥池中密度为5000尾/m2。上浮鱼苗可先在饲育槽内饲养两周,再转人培育池里,也可直接放入培育池中。3.3投饲与管理
3.3.1投饲
中华人民共和国农业部1999-03-22批准304
1999-06-01实施
SC/T1030.4—1999
3.3.1.1采用全价配合饲料作为开口饲料,配合饲料应符合SC/T1030.7的规定。饲料粒径为 0. 3~~0.5 mm。
3.3.1.3当上浮鱼苗为槽内或池中总鱼苗的半数时,开始投饵。日投饵6次。精心投喂,应使鱼苗都能获得饲料。
3.3.2管理
3.3.2.1用铁丝或尼龙制成网目尺寸3mm注、排水闸门,并在闸门与闸门槽之间用软发泡塑料垫紧,严防逃鱼。
3.3.2.2尽量加大闸门宽度,以增加过水断面。3.3.2.3勤刷闸门,及时检出死苗,定时清污保持水流畅通和良好的池水环境。4鱼种培育
4.1环境条件
4.1.1培育池
每个培育池面积为60~160m,池水深度控制在30~40cm。4.1.2水质与水温
水质应符合GB11607的规定,水温不得超过20℃。4.2放养
4.2.1放养密度与注水量见表1。放养密度与注水量
鱼种规格
鱼池面积
放养密度免费标准bzxz.net
尾/m2
不同水温的注水量,L/s
4.2.2注水量随鱼种的成长和游泳能力的增强而加大,以鱼种不贴闸门遭到伤害为度4.3投饲与管理
4.3.1投饲
4.3.1.1投喂配合饲料。配合饲料应符合SC/T1030.7的规定,粒径应与鱼种口径相适应。4.3.1.2投饲应定时、适量。日投饲率见表2。表2日投饲率与日投喂次数
鱼种平均规格
体重,g/尾
0.2~0.5
全长,cm
不同日平均水温时的投饲率\,%8℃
日给饲料次数
鱼种平均规格
体重,g/尾
全长,cm
SC/T 1030.4-1999
表2(完)
不同日平均水温时的投饲率1,%8℃
1)指饲料于重占鱼种总重的百分比,以%表示。4.3.2
使用不同规格筛选器及时进行筛选鱼种,按不同规格分池饲养。16℃
保持池水的良好生态环境,供给足够的水量,以鱼不遭到伤害为宜。闸门网目大小和鱼种规格相适应,阑门的网目随鱼种的生长而放大。勤刷澜门,经常检查,发现有破损及时更换。每日定时清污,保持环境清洁。18℃
日给饲料次数
每日清晨和每次投饲时详细观察鱼群活动情况,稍有异常或死鱼增多应及时采取措施。4.3.2.6
防病。重点是小瓜虫和三代虫引起的体外寄生虫病,前者用2×10-6浓度的孔雀石绿和4.3.2.7
1/4000甲醛溶液洗浴40min,或1/4000甲醛溶液洗浴1h,后者用1/4000甲醛溶液洗浴1h,或87%的晶体敌百虫40×10-6浓度水溶液洗浴1h。306
小提示:此标准内容仅展示完整标准里的部分截取内容,若需要完整标准请到上方自行免费下载完整标准文档。
标准图片预览:




- 热门标准
- 水产行业标准(SC)
- SC/T1075-2006 鱼苗、鱼种运输通用技术要求
- SC/T2036-2006 文蛤养殖技术规范
- SC/T5006-2014 聚酰胺网线
- SC/T7202.2-2007 斑节对虾杆状病毒病诊断规程 第2部分:PCR检测法
- SC/T1057-2002 银鱼移植、增殖技术规范 大银鱼移植、增殖技术
- SC/T8033-1994 渔船电动式起锚机修理技术条件
- SC/T3105-1988 鲜鳓鱼
- SC/T8124-2001 木质渔船玻璃钢被覆施工质量检验
- SC/T8009-2000 两爪锚
- SC/T4003-2000 主要渔具制作 网衣缩结
- SC/T8058-2000 机动渔船灯桅
- SC/T3204-2000 虾米
- SC1068-2004 暗纹东方鲀
- SC2051-2007 大菱鲆
- SC/T7202.1-2007 斑节对虾杆状病毒病诊断规程 第1部分:压片显微镜检查法
- 行业新闻
请牢记:“bzxz.net”即是“标准下载”四个汉字汉语拼音首字母与国际顶级域名“.net”的组合。 ©2025 标准下载网 www.bzxz.net 本站邮件:bzxznet@163.com
网站备案号:湘ICP备2025141790号-2
网站备案号:湘ICP备2025141790号-2