- 您的位置:
- 标准下载网 >>
- 标准分类 >>
- 国家标准(GB) >>
- GB/T 2883-2002 工程机械轮辋规格系列
标准号:
GB/T 2883-2002
标准名称:
工程机械轮辋规格系列
标准类别:
国家标准(GB)
英文名称:
Specification series for engineering machinery wheel rims标准状态:
现行-
发布日期:
2002-10-16 -
实施日期:
2003-04-01 出版语种:
简体中文下载格式:
.rar.pdf下载大小:
322.28 KB
替代情况:
GB/T 2883-1993采标情况:
MOD ISO 4250-3:1997
点击下载
标准简介:
标准下载解压密码:www.bzxz.net
本标准规定了工程机械轮辋的代号、轮廓和尺寸。本标准适用于工程机械轮辋。 GB/T 2883-2002 工程机械轮辋规格系列 GB/T2883-2002
部分标准内容:
1CS 83. 160. 99
中华人民共和国国家标雅
GB/T28832002
代片/12881503
工程机械轮辋规格系列
Rims scrics for carth-movcr
Is042so-3.1997.Earth-nmover tyres and rims-Part3.Rims.M0D2002-10-16发布
华人民共租国
国家质量监督检验检技总局
20030401实施
GB/T2883—202
木标准改果用15)420-2,107土方机械用轮拍和范第8部分:抢辆类交版。水标准化GB/汀2833199341程机械轮辋规格系列。本标准根据TS1250-3:1S97年新起草。为方使比轻,在效料性时录A中列出:本压家标准率条编号邓国际标准章条编号的对搬一览表。性销我函实际情况,本标生注宋币回际标准时进行了格改。这些投术性差外用录直单战标识在它前所涉及的条款的更边空自处·在附录刀小给汇了技术性差开改其京内的一览志以做专.此外,与1S)4250-%:1997的其他差异元:在木标筛中保册了,些我回已有的轮督形式和规格:用““号子以标识还那轮销气门嘴孔的图示和尺十不标准不了·些缩期性整改,
6》“本回际标准\一词改为“木标准\5)用小数点“\代替件为小数点的“间州险国际标准前言
标准与G/T288一.33拍比主层交化如一增加轮抵规格:5深描轮朝(X>种,次格绝制(SD)种(前断3和图4合升为本标准图3),5\全斜底轮凋(TB)7钟
增加艳帮形代和越格:15深情轮辆1种规格!表10内案较I500,7,仅龄出笔辑自轻代号与轮辆标定径一培加资料性附录本标准率系缩号·S:21-3:1997章条编母的对照表(时录A)。一增资料炸附求-本标准上1S)42553:1997技性差异及龙原内\(见附录B):增加资料生附来“科机械用轮钢方封困沟和(形“见险采:木标催的阴录A.录B和对都史资积性求,本标准由原国家石油利化学工业局提出本标准由全国轮胎轮州标证化技术安品会口口,本标准负丧起草单位:人萍工剂机械研充院:孕加单位山承1.医机最钢图,柳州市网厂,木标准主要起中人:关消小,杨控短、未海、周水本标准所代替标准的次版术发情证为:2883-193/T28831993.
本标准要托全国轮恰轮酮标准化技大受员会负声解释。范围
工程机械轮辋规格系列
本标准划定了工得机论钢的代号,教辆和尺十木标准适用丁工我机碳轮调。
2、规范性引用定件
B/T 2883—2002
下列文件中的条款道过本标准的引同而放为本标推的条款。H是汁后期的引用文偿,其随后所有的候业单不包拆动误的内若或静订版均不适用于本标蕉,燃面,效励根据木标准达成协设的方研法足自可便月这些文件的版本,凡是不灶口期的引用文件,其带新版本活用下本标:GB/29.3充轮胎用4轮和轮辅的术并,热格代号和标志GB/T2933159g1501us
3求语和定义、符号和标表
F/3933确文的术语和究义、符日和标志语用「本标准。2轮辋轮鹿和尺于
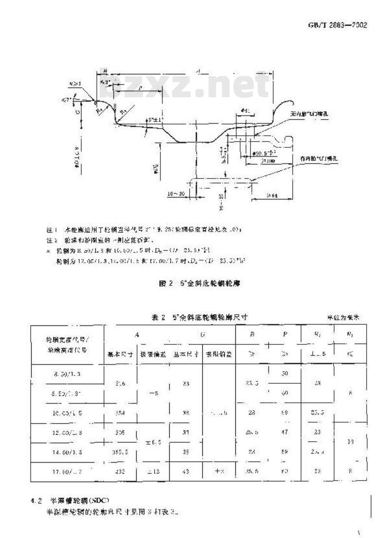
2.15\全斜底轮物((TB)
全斜底轮辋的轮南和尺小见图和图?表和?。图1和科2十始出药轮调款岩直径D的公差,问为轮胎设北比,学摘周长的实示测盘位压上球带尺来确实的(用~图小然).
15*±!*
无阶门响孔
法1能适汇十期白径代2,833,1151-,和延策爸见表16:注2终坐的一能
:范玛径代号心5时.公养:
轻直→425.5
格期含径北号251时,3,一(D一E1)-1.图15全斜底轮辋轮麻
GD/T2883—20C2
抢拥商康代/造商代司
:1.25/2 c
1.nG :2. 75
15. oG :1. .
15. 0u/3.C-494
.r. uu. 2. c
.7.uu/3.5
., 3u2.
..:0.G
22. 19.3. 0
22. 8321. 0
27. 19:4. h
Py. p/4. 5-514
24. F53. n
24.(-9/5. n
25. *9: 3. 5
2e.2:5.0 51
25.C3: 3. 5
27 3:9. 3
28 C0:3.F
28.c0:..3
29.co:5.
31. on:, a
32. on/4. a
32. 00:4- 5
s6.Uu:4.3
40.Uu/4, 5
表 15全制底轮轮期尺寸
.1-1. 5
-ou, 5
且位为毫米
证:号者为找国心的抢烟规格,而非13)425-3::297的规光(以下弃表中带号均同此)运用影望以「的必药动轮旅
活司验深热代号9,
报径代
记用于整辑徒出号31、
注!本范运用轻烟直单号2”,25:龄酒标定含径处丸.0注?轮禁和的能
轻为.a/1. ,/-. 5 时.D(25.5F
轻期12.0/1.a,1.(X/1.[00/.7时,(23.5>+1图25°全斜底轮辋轮屏
表25\余斜底轮轮邸尺寸
论辆交度号
翰账商证化号
8. 5071. 1
S.E2/:.3-
12.60/-.3
14.00/1.5
基本尺于
1.2半深情轮(SDC)
报强偏关
半深增轮输的轮轻尺见两杆表
GB/2883—2002
无内输气门嘴孔
布内的气门孔
单位为安米
GB/T2883—2002
~6(能起可
-·(美股代号24、28)
件:轻燥和脂面来拍一侧庭能拆。田3半深撸轮辆轮脚
表 3 半深轮朝轮库尺寸
毕辆资度代4/
艳店建作牛
E.BOF SDC
6. 00G SIX:
S. 3CJ SIX :
8. UOTG SIX:
I-C YA SIX
12. 30/1.3 3TC
12. X:/1.a&
4. 315\深情轮
6.5. 25. 5
15\深精轮辋的轮瓶和尺寸压图,和表1:H
单位火米
+20,5+10
ao'±a'
注,本轮续遇月于构点径代5E.利9.(轮辆标是直径见表1)气门确也可采用P维普断较孔、
图415深相轮摘轮脾
表415深槽轮辑轮康尺寸
抢烟览网代号
4.45源槽轮辋
5深神轮辅(LX)的轮廊和尺寸见断5和表5、图6和衣6。5深措轮蚂W>的伦册和尺见图7和表7P
GB/T2883—2002
单位为要米
GB/T2883—2002
把滚觉度B包最小为!的轮费龙部半径图55\深糖轮辋(IXC)轮率
表55深撸轮稠(L)轮痴尺寸
艳潮境
代/轮续某本
高率代号
.uu/1.226.
13. 2/1.2:4
12./t.sub
13.5n/t.18a0
14.5f/t.5
革不控限
.525.-.40
27---13
气门嘴孔
单价为毫料
气门咳孔
直4晓置直径
气门-9.
图65\泽插轮辋(DC)轮廊
轮鞘充度
北专/轮淋
高质代号
. G TJ-
格完读代号
蒸书·极限
偏差!尺寸[差
±1.517. 5
5\深滑轮钢T轮摩尺寸
135.725.513.
图75深槽轮辑(DW)轮廊
表75\源推轮柄(T)W>轮摩尺寸
茅本尺寸
核限遍差
基本尺业
最限保垫
2-2002
单位为旁米
5主成
气门嘴于
位管直轻
10.n11. 5
\r咖死
单位为毫米
择代号
G0/T2883—2002
45平底轮辆IFB;
平底抢拥的拍率和尺寸见图8和表8。[3g'
轮刑宽度代于
5轮拥滋花
基本反寸
9 ~ 20
图8平底轮辋轮
表 8平底轮辋轮离尺寸
核证密性
极用带
基本尺士
轮辆难非的详细尺小3和表9.
吸限确差
越本尺寸
单位为米
轮判直径代寸
浓花属
化效应
花纹改不底的单高:20.5.~1
作级下能的距:20.2
阿常照距商29.5--1r.心
轮润点经北号
轮辑标定直径
花效产Www.bzxZ.net
9滚花断面详烟尺寸
豪9轮辑的滚花变
范辆危忙号
因定论澡端
11, 2~ 1 (G:
抢销直径代号与引的轮辑标定直经光变1025
2353. 3 ~GT
表10轮辋标定直径
轮期立轻代号
能轴津承:
馋花吧
轮判定直格
s8u,1(DC)
GB/T2883—2002
单位为旁米
可诉能像滑
36--51
.38 --57
:53. 5-- 67
单你为毫半
GB/T2883—2002
转轻代号
了轮捐负承及充气压力
囊10)
轮钢标定直径
514.4(F9)
512. 8(SDK)
6OS.E614.4(SDC.IC)
616.0(FB)
单位为毫米
尽管轮胎允许施加要高一普的负持及充气历方:担庭加于轮朝利车轮的负荷与气压不应留过轮额和车轮制造厂的推菩值,当使用条超过额定能时,则应咨询轮辆和车轮制造厂并确定在预定驶用条件下的轮辑和车轮能小
8轮辅尺寸
轮稠尺寸议在大小和轮痴》雨进行「标准化。关标明了轮胎与轮辋的特定组食,以确定轮胞与轮辆的正确组配,
9轮制的密封险沟增和0形题
轮的整时圈措和形菌的具休尺中参以谢录心,
小提示:此标准内容仅展示完整标准里的部分截取内容,若需要完整标准请到上方自行免费下载完整标准文档。
中华人民共和国国家标雅
GB/T28832002
代片/12881503
工程机械轮辋规格系列
Rims scrics for carth-movcr
Is042so-3.1997.Earth-nmover tyres and rims-Part3.Rims.M0D2002-10-16发布
华人民共租国
国家质量监督检验检技总局
20030401实施
GB/T2883—202
木标准改果用15)420-2,107土方机械用轮拍和范第8部分:抢辆类交版。水标准化GB/汀2833199341程机械轮辋规格系列。本标准根据TS1250-3:1S97年新起草。为方使比轻,在效料性时录A中列出:本压家标准率条编号邓国际标准章条编号的对搬一览表。性销我函实际情况,本标生注宋币回际标准时进行了格改。这些投术性差外用录直单战标识在它前所涉及的条款的更边空自处·在附录刀小给汇了技术性差开改其京内的一览志以做专.此外,与1S)4250-%:1997的其他差异元:在木标筛中保册了,些我回已有的轮督形式和规格:用““号子以标识还那轮销气门嘴孔的图示和尺十不标准不了·些缩期性整改,
6》“本回际标准\一词改为“木标准\5)用小数点“\代替件为小数点的“间州险国际标准前言
标准与G/T288一.33拍比主层交化如一增加轮抵规格:5深描轮朝(X>种,次格绝制(SD)种(前断3和图4合升为本标准图3),5\全斜底轮凋(TB)7钟
增加艳帮形代和越格:15深情轮辆1种规格!表10内案较I500,7,仅龄出笔辑自轻代号与轮辆标定径一培加资料性附录本标准率系缩号·S:21-3:1997章条编母的对照表(时录A)。一增资料炸附求-本标准上1S)42553:1997技性差异及龙原内\(见附录B):增加资料生附来“科机械用轮钢方封困沟和(形“见险采:木标催的阴录A.录B和对都史资积性求,本标准由原国家石油利化学工业局提出本标准由全国轮胎轮州标证化技术安品会口口,本标准负丧起草单位:人萍工剂机械研充院:孕加单位山承1.医机最钢图,柳州市网厂,木标准主要起中人:关消小,杨控短、未海、周水本标准所代替标准的次版术发情证为:2883-193/T28831993.
本标准要托全国轮恰轮酮标准化技大受员会负声解释。范围
工程机械轮辋规格系列
本标准划定了工得机论钢的代号,教辆和尺十木标准适用丁工我机碳轮调。
2、规范性引用定件
B/T 2883—2002
下列文件中的条款道过本标准的引同而放为本标推的条款。H是汁后期的引用文偿,其随后所有的候业单不包拆动误的内若或静订版均不适用于本标蕉,燃面,效励根据木标准达成协设的方研法足自可便月这些文件的版本,凡是不灶口期的引用文件,其带新版本活用下本标:GB/29.3充轮胎用4轮和轮辅的术并,热格代号和标志GB/T2933159g1501us
3求语和定义、符号和标表
F/3933确文的术语和究义、符日和标志语用「本标准。2轮辋轮鹿和尺于
2.15\全斜底轮物((TB)
全斜底轮辋的轮南和尺小见图和图?表和?。图1和科2十始出药轮调款岩直径D的公差,问为轮胎设北比,学摘周长的实示测盘位压上球带尺来确实的(用~图小然).
15*±!*
无阶门响孔
法1能适汇十期白径代2,833,1151-,和延策爸见表16:注2终坐的一能
:范玛径代号心5时.公养:
轻直→425.5
格期含径北号251时,3,一(D一E1)-1.图15全斜底轮辋轮麻
GD/T2883—20C2
抢拥商康代/造商代司
:1.25/2 c
1.nG :2. 75
15. oG :1. .
15. 0u/3.C-494
.r. uu. 2. c
.7.uu/3.5
., 3u2.
..:0.G
22. 19.3. 0
22. 8321. 0
27. 19:4. h
Py. p/4. 5-514
24. F53. n
24.(-9/5. n
25. *9: 3. 5
2e.2:5.0 51
25.C3: 3. 5
27 3:9. 3
28 C0:3.F
28.c0:..3
29.co:5.
31. on:, a
32. on/4. a
32. 00:4- 5
s6.Uu:4.3
40.Uu/4, 5
表 15全制底轮轮期尺寸
.1-1. 5
-ou, 5
且位为毫米
证:号者为找国心的抢烟规格,而非13)425-3::297的规光(以下弃表中带号均同此)运用影望以「的必药动轮旅
活司验深热代号9,
报径代
记用于整辑徒出号31、
注!本范运用轻烟直单号2”,25:龄酒标定含径处丸.0注?轮禁和的能
轻为.a/1. ,/-. 5 时.D(25.5F
轻期12.0/1.a,1.(X/1.[00/.7时,(23.5>+1图25°全斜底轮辋轮屏
表25\余斜底轮轮邸尺寸
论辆交度号
翰账商证化号
8. 5071. 1
S.E2/:.3-
12.60/-.3
14.00/1.5
基本尺于
1.2半深情轮(SDC)
报强偏关
半深增轮输的轮轻尺见两杆表
GB/2883—2002
无内输气门嘴孔
布内的气门孔
单位为安米
GB/T2883—2002
~6(能起可
-·(美股代号24、28)
件:轻燥和脂面来拍一侧庭能拆。田3半深撸轮辆轮脚
表 3 半深轮朝轮库尺寸
毕辆资度代4/
艳店建作牛
E.BOF SDC
6. 00G SIX:
S. 3CJ SIX :
8. UOTG SIX:
I-C YA SIX
12. 30/1.3 3TC
12. X:/1.a&
4. 315\深情轮
6.5. 25. 5
15\深精轮辋的轮瓶和尺寸压图,和表1:H
单位火米
+20,5+10
ao'±a'
注,本轮续遇月于构点径代5E.利9.(轮辆标是直径见表1)气门确也可采用P维普断较孔、
图415深相轮摘轮脾
表415深槽轮辑轮康尺寸
抢烟览网代号
4.45源槽轮辋
5深神轮辅(LX)的轮廊和尺寸见断5和表5、图6和衣6。5深措轮蚂W>的伦册和尺见图7和表7P
GB/T2883—2002
单位为要米
GB/T2883—2002
把滚觉度B包最小为!的轮费龙部半径图55\深糖轮辋(IXC)轮率
表55深撸轮稠(L)轮痴尺寸
艳潮境
代/轮续某本
高率代号
.uu/1.226.
13. 2/1.2:4
12./t.sub
13.5n/t.18a0
14.5f/t.5
革不控限
.525.-.40
27---13
气门嘴孔
单价为毫料
气门咳孔
直4晓置直径
气门-9.
图65\泽插轮辋(DC)轮廊
轮鞘充度
北专/轮淋
高质代号
. G TJ-
格完读代号
蒸书·极限
偏差!尺寸[差
±1.517. 5
5\深滑轮钢T轮摩尺寸
135.725.513.
图75深槽轮辑(DW)轮廊
表75\源推轮柄(T)W>轮摩尺寸
茅本尺寸
核限遍差
基本尺业
最限保垫
2-2002
单位为旁米
5主成
气门嘴于
位管直轻
10.n11. 5
\r咖死
单位为毫米
择代号
G0/T2883—2002
45平底轮辆IFB;
平底抢拥的拍率和尺寸见图8和表8。[3g'
轮刑宽度代于
5轮拥滋花
基本反寸
9 ~ 20
图8平底轮辋轮
表 8平底轮辋轮离尺寸
核证密性
极用带
基本尺士
轮辆难非的详细尺小3和表9.
吸限确差
越本尺寸
单位为米
轮判直径代寸
浓花属
化效应
花纹改不底的单高:20.5.~1
作级下能的距:20.2
阿常照距商29.5--1r.心
轮润点经北号
轮辑标定直径
花效产Www.bzxZ.net
9滚花断面详烟尺寸
豪9轮辑的滚花变
范辆危忙号
因定论澡端
11, 2~ 1 (G:
抢销直径代号与引的轮辑标定直经光变1025
2353. 3 ~GT
表10轮辋标定直径
轮期立轻代号
能轴津承:
馋花吧
轮判定直格
s8u,1(DC)
GB/T2883—2002
单位为旁米
可诉能像滑
36--51
.38 --57
:53. 5-- 67
单你为毫半
GB/T2883—2002
转轻代号
了轮捐负承及充气压力
囊10)
轮钢标定直径
514.4(F9)
512. 8(SDK)
6OS.E
616.0(FB)
单位为毫米
尽管轮胎允许施加要高一普的负持及充气历方:担庭加于轮朝利车轮的负荷与气压不应留过轮额和车轮制造厂的推菩值,当使用条超过额定能时,则应咨询轮辆和车轮制造厂并确定在预定驶用条件下的轮辑和车轮能小
8轮辅尺寸
轮稠尺寸议在大小和轮痴》雨进行「标准化。关标明了轮胎与轮辋的特定组食,以确定轮胞与轮辆的正确组配,
9轮制的密封险沟增和0形题
轮的整时圈措和形菌的具休尺中参以谢录心,
小提示:此标准内容仅展示完整标准里的部分截取内容,若需要完整标准请到上方自行免费下载完整标准文档。
标准图片预览:





- 其它标准
- 热门标准
- 国家标准(GB)
- GB/T2828.1-2012 计数抽样检验程序 第1部分:按接收质量限(AQL)检索的逐批检验抽样计划
- GB/T18204.4-2000 公共场所毛巾、床上卧具微生物检验方法细菌总数测定
- GB/T228.1-2021 金属材料 拉伸试验 第1部分:室温试验方法
- GB/T23892.3-2009 滑动轴承 稳态条件下流体动压可倾瓦块止推轴承 第3部分:可倾瓦块止推轴承计算的许用值
- GB/T11839-1989 二氧化铀芯块中硼的测定 姜黄素萃取光度法
- GB/T97.1-2002 平垫圈A级
- GB/T7433-1987 对称电缆载波通信系统抗无线电广播和通信干扰的指标
- GB/T21238-2007 玻璃纤维增强塑料夹砂管
- GB/T28809-2012 轨道交通 通信、信号和处理系统 信号用安全相关电子系统
- GB15603-2022 危险化学品仓库储存通则
- GB/T9239-1988 刚性转子平衡品质 许用不平衡的确定
- GB/T15917.3-1995 金属镝及氧化镝化学分析方法 对氯苯基荧光酮--溴化十六烷基三甲基胺分光光度法测定钽量
- GB/T5738-1995 瓶装酒、饮料塑料周转箱
- GB/T13985-1992 照相机操作力和强度
- GB5793-1986 字鼓式行式打印机色带卷轴基本尺寸
- 行业新闻
请牢记:“bzxz.net”即是“标准下载”四个汉字汉语拼音首字母与国际顶级域名“.net”的组合。 ©2025 标准下载网 www.bzxz.net 本站邮件:bzxznet@163.com
网站备案号:湘ICP备2025141790号-2
网站备案号:湘ICP备2025141790号-2