- 您的位置:
- 标准下载网 >>
- 标准分类 >>
- 化工行业标准(HG) >>
- HGJ 69-1991 钢制管法兰用石棉橡胶板垫片
标准号:
HGJ 69-1991
标准名称:
钢制管法兰用石棉橡胶板垫片
标准类别:
化工行业标准(HG)
标准状态:
已作废-
发布日期:
1991-12-01 -
实施日期:
1993-05-01 出版语种:
简体中文下载格式:
.rar.pdf下载大小:
99.15 KB
替代情况:
被HG 20592-20635-97代替
部分标准内容:
中华人民共和国化学工业部工程建设标准钢制管法兰用石棉橡胶板垫片
主题内容与适用范围
本标准规定了钢制管法兰用石棉像胶板垫片的型式、尺寸和技术要求。HGJ 69 -- 1991
本标准适用于HGJ44所规定的公称压力PN为0.25MPa2.5bar)4.0MPa(40bar)的钢制管法兰用石棉橡胶板垫片。
注:本标准规定的垫片型式和尺寸也适用于如橡胶、柔性石墨、聚四氟乙烯等非金属软垫片。引用标准
GB3985石棉橡胶板
GB539耐油石棉橡胶板
GB9129钢制管法兰用石棉橡胶垫片技术条件GB1804公差与配合末注公差的极限偏差钢制管法兰类型、连接尺寸和密封面尺寸HGJ44
3垫片使用条件
3.1不同密封面法兰用垫片的公称压力范围见表1。3.2最高工作温度小于等于350℃。3.3垫片的工作压力P(MPa)与工作温度t(℃)的乘积小于等于650(MPa·℃)。4垫片型式和尺寸
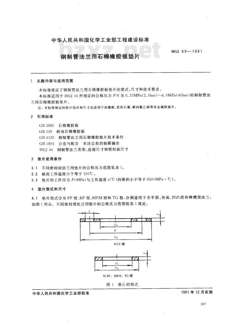
4.1垫片型式分为FF型、RF型、MFM型和TG型,分别适用于全平面、突面、凹凸面和样槽面法兰,如图1所示。不同密封面法兰用垫片的公称压力范围按表1规定。D1
a)FF型
b) RF、MFM、TG 型
中华人民共和国化学工业部批准垫片的型式
1991年12月实施
密封面型式
全平面
4.2垫片尺寸
HGJ 69—1991
表1不同密封面法兰用垫片的公称压力范围公称压力PN/MPa(bar)
0.25~1. 0(2.5~10)
0.25~2.5(2.5~25)
4.2.1全平面法兰用FF型垫片尺寸按表2规定。4.2.2突面法兰用RF型垫片尺寸按表3规定。4.2.3凹凸面法兰用MFM型垫片尺寸按表4规定槽面法兰用TG型垫片尺寸按表5规定。4.2.4
密封面型式
凹凸面bzxZ.net
表2全平面法兰用FF型垫片尺寸
垫片外径D2
公称压
力PN/MPa(bar)
(2. 5 ~ 6)
螺栓孔个数n
(10)
螺栓孔直径L
公称压力PN/MPa(bar)
1. 0~4. 0(10~~40)
1.6-4. 0(16-40)
螺栓孔中心圆直径K
公称通径
垫片内径
HGJ 69-1991
表3突面法兰用RF型垫片尺寸
垫片外径
力PN/MPa(bar))
片外径D2
凹凸面法兰用MFM型垫片尺寸
垫片厚度
公称通径
垫片内径
垫片外径
垫片厚度
公称通径
技术要求
垫片内径
垫片外径
HGJ69—1991
样槽面法兰用TG型垫片尺寸
垫片厚度
公称通径
垫片内径
垫片外径
垫片厚度
5.1垫片应采用符合GB3985和GB539要求的板材,其物理性能指标、应力松弛率和密封泄漏率按GB9129的规定,但允许泄漏率应不大于5×10-2N·cm2/s。5.2FF型和RF型垫片的内径极限偏差按GB1804H14,外径极限偏差按GB1804h14的规定5.3MFM型和TG型垫片的尺寸极限偏差按表6规定,表6MFM型和TG型垫片的尺寸极限偏差内径 D极限偏差
外径Dz极限偏差
5.4垫片的厚度极限偏差为士0.20mm,同垫片的厚度差应不大于0.20mm。mm
5.5垫片表面应平整,无翘曲变形,不允许有疙瘩、裂缝、气泡、外来杂质及其他可能影响使用的缺陷。边缘切割应整齐。
5.6垫片应由整张板材制成,不允许拼接。外径大于1500mm的垫片,如需拼接,应取得需方同意。标记示例
公称通径100mm、公称压力2.5MPa(25bar)的凹凸面法兰用石棉橡胶板垫片:石棉橡胶垫MFM100-2.5
HGJ69—91
附加说明:
本标准由化工部设备设计技术中心站提出并归口。本标准主要起草人:应道宴、蔡仁良。400
小提示:此标准内容仅展示完整标准里的部分截取内容,若需要完整标准请到上方自行免费下载完整标准文档。
主题内容与适用范围
本标准规定了钢制管法兰用石棉像胶板垫片的型式、尺寸和技术要求。HGJ 69 -- 1991
本标准适用于HGJ44所规定的公称压力PN为0.25MPa2.5bar)4.0MPa(40bar)的钢制管法兰用石棉橡胶板垫片。
注:本标准规定的垫片型式和尺寸也适用于如橡胶、柔性石墨、聚四氟乙烯等非金属软垫片。引用标准
GB3985石棉橡胶板
GB539耐油石棉橡胶板
GB9129钢制管法兰用石棉橡胶垫片技术条件GB1804公差与配合末注公差的极限偏差钢制管法兰类型、连接尺寸和密封面尺寸HGJ44
3垫片使用条件
3.1不同密封面法兰用垫片的公称压力范围见表1。3.2最高工作温度小于等于350℃。3.3垫片的工作压力P(MPa)与工作温度t(℃)的乘积小于等于650(MPa·℃)。4垫片型式和尺寸
4.1垫片型式分为FF型、RF型、MFM型和TG型,分别适用于全平面、突面、凹凸面和样槽面法兰,如图1所示。不同密封面法兰用垫片的公称压力范围按表1规定。D1
a)FF型
b) RF、MFM、TG 型
中华人民共和国化学工业部批准垫片的型式
1991年12月实施
密封面型式
全平面
4.2垫片尺寸
HGJ 69—1991
表1不同密封面法兰用垫片的公称压力范围公称压力PN/MPa(bar)
0.25~1. 0(2.5~10)
0.25~2.5(2.5~25)
4.2.1全平面法兰用FF型垫片尺寸按表2规定。4.2.2突面法兰用RF型垫片尺寸按表3规定。4.2.3凹凸面法兰用MFM型垫片尺寸按表4规定槽面法兰用TG型垫片尺寸按表5规定。4.2.4
密封面型式
凹凸面bzxZ.net
表2全平面法兰用FF型垫片尺寸
垫片外径D2
公称压
力PN/MPa(bar)
(2. 5 ~ 6)
螺栓孔个数n
(10)
螺栓孔直径L
公称压力PN/MPa(bar)
1. 0~4. 0(10~~40)
1.6-4. 0(16-40)
螺栓孔中心圆直径K
公称通径
垫片内径
HGJ 69-1991
表3突面法兰用RF型垫片尺寸
垫片外径
力PN/MPa(bar))
片外径D2
凹凸面法兰用MFM型垫片尺寸
垫片厚度
公称通径
垫片内径
垫片外径
垫片厚度
公称通径
技术要求
垫片内径
垫片外径
HGJ69—1991
样槽面法兰用TG型垫片尺寸
垫片厚度
公称通径
垫片内径
垫片外径
垫片厚度
5.1垫片应采用符合GB3985和GB539要求的板材,其物理性能指标、应力松弛率和密封泄漏率按GB9129的规定,但允许泄漏率应不大于5×10-2N·cm2/s。5.2FF型和RF型垫片的内径极限偏差按GB1804H14,外径极限偏差按GB1804h14的规定5.3MFM型和TG型垫片的尺寸极限偏差按表6规定,表6MFM型和TG型垫片的尺寸极限偏差内径 D极限偏差
外径Dz极限偏差
5.4垫片的厚度极限偏差为士0.20mm,同垫片的厚度差应不大于0.20mm。mm
5.5垫片表面应平整,无翘曲变形,不允许有疙瘩、裂缝、气泡、外来杂质及其他可能影响使用的缺陷。边缘切割应整齐。
5.6垫片应由整张板材制成,不允许拼接。外径大于1500mm的垫片,如需拼接,应取得需方同意。标记示例
公称通径100mm、公称压力2.5MPa(25bar)的凹凸面法兰用石棉橡胶板垫片:石棉橡胶垫MFM100-2.5
HGJ69—91
附加说明:
本标准由化工部设备设计技术中心站提出并归口。本标准主要起草人:应道宴、蔡仁良。400
小提示:此标准内容仅展示完整标准里的部分截取内容,若需要完整标准请到上方自行免费下载完整标准文档。
标准图片预览:




- 其它标准
- 热门标准
- 化工行业标准(HG)
- HG/T2784-1996 工业用亚硫酸铵
- HG/T3534-2011 代替 HG/T 3534-2003 工业循环冷却水污垢和腐蚀产物中酸不溶物、磷、铁、铝、钙、镁、锌、铜含量测定方法
- HG/T4519-2013 碱式碳酸钴
- HG/T5699-2020 扩散渗析阳膜
- HG/T20701.12-2000 容器、换热器和特殊设备专业厂商协调会工作程序及说明
- HG2208-1991 甲霜灵可湿性粉剂
- HG/T2058.1-1991 搪玻璃温度计套
- HG/T2343-2012 硫化促进剂ETU
- HG/T20510-2014 仪表供气设计规范
- HG/T2959-2000 工业水合碱式碳酸镁
- HG/T3665-2000 内燃机燃油系统输送含氧燃油用纯胶管及橡胶软管
- HG/T20704.3-2000 机泵专业工程设计阶段的工作程序
- HG2975-1989 气体分析 标准混合气 混合物制备证书
- HG3054-1988 胶乳海绵线性尺寸测定
- HG2207-1991 甲霜灵粉剂
- 行业新闻
请牢记:“bzxz.net”即是“标准下载”四个汉字汉语拼音首字母与国际顶级域名“.net”的组合。 ©2025 标准下载网 www.bzxz.net 本站邮件:bzxznet@163.com
网站备案号:湘ICP备2025141790号-2
网站备案号:湘ICP备2025141790号-2