- 您的位置:
- 标准下载网 >>
- 标准分类 >>
- 国家标准(GB) >>
- GB 6676-1986 服装制图
标准号:
GB 6676-1986
标准名称:
服装制图
标准类别:
国家标准(GB)
标准状态:
已作废-
实施日期:
1987-02-01 出版语种:
简体中文下载格式:
.rar.pdf下载大小:
198.71 KB
中标分类号:
轻工、文化与生活用品>>五金制品>>Y73日用五金制品
替代情况:
调整为FZ/T 80009-1999
部分标准内容:
中华人民共和国国家标准
服装制图
Pattern- making
本标准适用于服装技术文件及服装裁剪中的制图。图纸幅面
图纸常用幅面
图纸常用幅面规格见表1。
幅面代号
注:B为图纸的宽1
L为图纸的长,
C为图纸的边框,
α 为图纸的装订边。
1.2图纸特殊幅面
841 × 1189
594 ×841
420×594
UDC 687.1/.2.01
GB 6676—86
297×420
服装图纸在特殊情况下,绘图常用幅面规格不够使用时,可以将表1中幅面的网边或单边加长(0号及1号幅面允许加长),其加长量应按3号幅面相应边的尺寸成整倍增加(如图1所示)。注:相应边是指3号幅面的长边或短边,若加长长边应是420mm,若加长短边应是297mm。1261wwW.bzxz.Net
国家标准局1986-08-12发布
1987-02-01实施
1.3图纸装订
1.3.1左边图边框为装订边。
GB6676-86
1.3.2图纸装订规格,一般采用210×297mm的幅面(即对折的3号图纸的幅面)装订。在装订时,应将一件或一套等服装的全部图纸,按顺序理齐装订在一起。2图纸布局
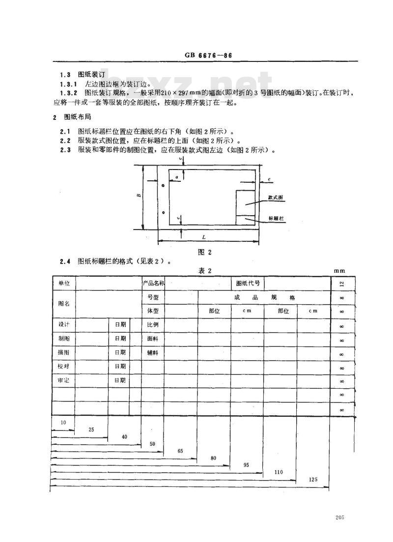
2.1图纸标题栏位置应在图纸的右下角(如图2所示)2.2服装款式图位置,应在标题栏的上面(如图2所示)2.3服装和零部件的制图位置,应在服装款式图左边(如图2所示)款式图
标题栏
图纸标题栏的格式(见表2)。
产品名称
图纸代号
制图比例
制图比例分档规定见表3。
与实物相司
缩小的比例
放大的比例
GB 6676—86
3.2在同~-图纸上,应采用相同的比例,并将比例填写在标题栏内,如需采用不同的比例时,必须在每零部件的左上角标志比例。如:M1:1,M1:2等。3.3服装款式图的比例,不受以上规定限制。图线及画法
裁剪图线形式及用途按表4规定。表4
图纸名称
粗实线
细实线
点划线
双点划线
图线形式
图线宽度
图线用途
1、服装和零部件轮廓线:
2、部位轮廓线
1、图样结构的基本线;
2、尺寸线和尺寸界线,
3、引出线
1、背面轮廓影示线,
2、缝纫明线
对折线
折转线
同一图纸中同类图线的宽度应一致。虚线、点划线及双点划线的线段长短和间隔应各自相同。4.2
4.3点划线和双点划线的首末两端应是线段而不是点。服装款式图的形式,不受以上规定限制。4.4
图纸画法示意图(见附录A)。
5字体
图纸中的文字、数字、字母都必须做到:字体端正,笔划清楚,排列整齐,间隔均匀(见图5.1
用作分数和小数时,应采用小一号字体。数字和字母,应按75°角斜写(见图4)。5.2
GB6676-86
字体端正笔划清楚排列整齐间隔均匀7号
写仿宋字的四要领满锋匀劲满是充满方格必须勤学苦练方有成效5号
衬布缩水率和缝纫锁眼线的性能色泽应与面料相适应钮扣的色泽质地应与图3
GBI59-5
数字示例
n yo ya yo yix x.
字母示例
7234367890
ABCDEFGHIJKLMNOPQRS
UVWXYZ
6尺寸注法
6.1基本规则
GB 6676—86
6.1.1服装各部位和零部件的实际大小以图样上所注的尺寸数值为准。6.1.2图纸中(包括技术要求和其他说明)的尺寸,一律以厘米为单位。6.1.3服装制图部位、部件的每一尺寸,一般只标注一次,并应标注在该结构最清晰的图形上。6.2标注尺寸线的画法
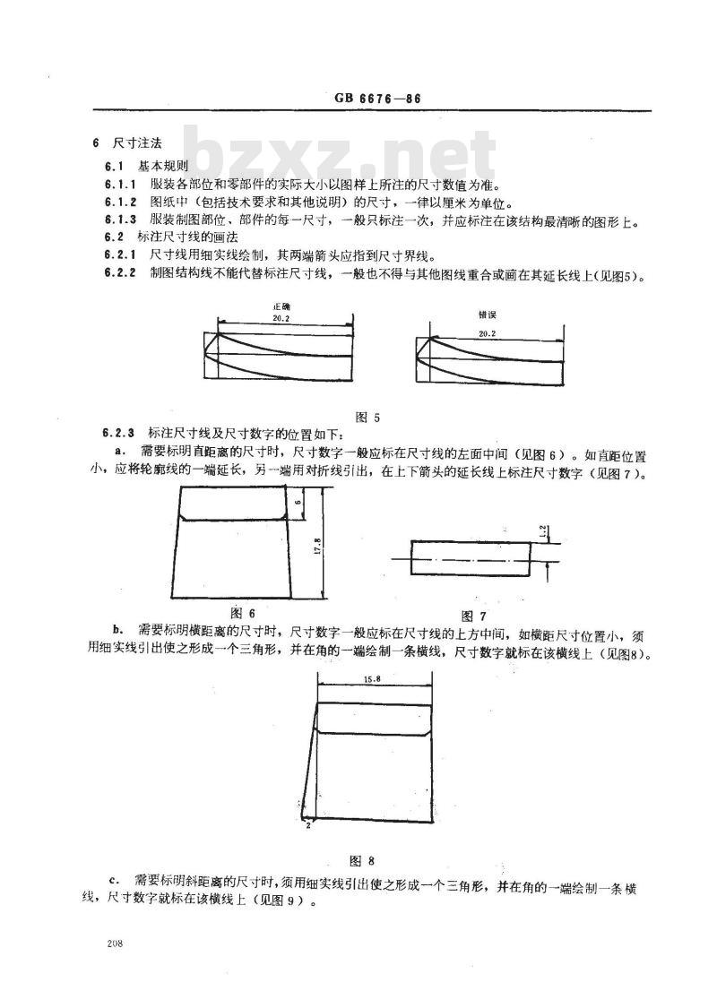
6.2.1尺寸线用细实线绘制,其两端箭头应指到尺寸界线。制图结构线不能代替标注尺寸线,一般也不得与其他图线重合或画在其延长线上(见图5)。6.2.2
6.2.3标注尺寸线及尺寸数字的位置如下:图5
a,需要标明直距离的尺寸时,尺寸数字一般应标在尺寸线的左面中间(见图6)。如直距位置小,应将轮廓线的一端延长,另一端用对折线引出,在上下箭头的延长线上标注尺寸数字(见图7)。2
b。需要标明横距离的尺寸时,尺寸数字一般应标在尺寸线的上方中间,如横距尺寸位置小,须用细实线引出使之形成一个三角形,并在角的一端绘制一条横线,尺寸数字就标在该横线上(见图8)。15.8
需要标明斜距离的尺寸时,须用细实线引出使之形成一个三角形,并在角的一端绘制一条横线,尺寸数字就标在该横线上(见图9)。208
GB6676—86
d。尺寸数字不可被任何图线所通过,当无法避免时,必须将该图线断开,并用弧线表示,尺寸数字就标在弧线断开间(见图10)。.5
6.3尺寸界线的画法
6.3.1尺寸界线用细实线绘制,可以利用轮线,引出作为尺寸界线(见图11)图11
6.3.2尺寸界线一般应与尺寸线垂直(弧线、三角形和尖形尺寸除外)7服装制图符号
服装制图符号(见表5)
符号形式
特殊放缝
单阴嗣
等量号
符号上的数字表示所需缝口的尺寸7.2
在制图中,
若使用其他制图符号或非标准符号,必须在图纸中用图和文字加以说明。209
服装制图主要部位代号
服装制图主要部位代号见表6。
胸围线
腰围线
臀圈线
Bust girth
Waist girth
Hip girth
Neck girth
Bust line
Waist line
Hip line
服装主要部位的比例计算
服装主要部位的比例计算见附录B。210
GB 6676--86
领围线
膝盖线
颈肩点
Neck line
Elbowline
Knee line
Bust point
Neck point
Arm hole
Length
GB6676-86
附录A
图纸画法示意图
(参考件)
西服的裁剪图及尺寸标法示例(见图A1)男长裤的裁剪图及尺寸标法示例(见图A2)A.2
GB 6676--86
男西服毅剪图
男西服
165/91
后衣长
总肩宽
成品规格
GB 667686
男西裤裁剪图
165270
成品规格
GB 6676--86
附录B
服装主要部位的比例计算
(参考件)
服装制图比例的计算方法繁多,各有其优缺点,选介绍中山服、西服(5.3系列)几个主要部位制图比例(十分法)的计算方法,供参考。B.1
胸围线即袖深线B
前胸宽
后背宽
胸围大
B.2关门领见图B1
前领口宽
前领深
后领口宽
(从落肩线量下)见图B1。
(+省大,
B.3驳领见图B2。
前领口宽
后领口宽
B.4·袖见图B3。
袖围大
袖山深
GB 6676—86
小提示:此标准内容仅展示完整标准里的部分截取内容,若需要完整标准请到上方自行免费下载完整标准文档。
服装制图
Pattern- making
本标准适用于服装技术文件及服装裁剪中的制图。图纸幅面
图纸常用幅面
图纸常用幅面规格见表1。
幅面代号
注:B为图纸的宽1
L为图纸的长,
C为图纸的边框,
α 为图纸的装订边。
1.2图纸特殊幅面
841 × 1189
594 ×841
420×594
UDC 687.1/.2.01
GB 6676—86
297×420
服装图纸在特殊情况下,绘图常用幅面规格不够使用时,可以将表1中幅面的网边或单边加长(0号及1号幅面允许加长),其加长量应按3号幅面相应边的尺寸成整倍增加(如图1所示)。注:相应边是指3号幅面的长边或短边,若加长长边应是420mm,若加长短边应是297mm。1261wwW.bzxz.Net
国家标准局1986-08-12发布
1987-02-01实施
1.3图纸装订
1.3.1左边图边框为装订边。
GB6676-86
1.3.2图纸装订规格,一般采用210×297mm的幅面(即对折的3号图纸的幅面)装订。在装订时,应将一件或一套等服装的全部图纸,按顺序理齐装订在一起。2图纸布局
2.1图纸标题栏位置应在图纸的右下角(如图2所示)2.2服装款式图位置,应在标题栏的上面(如图2所示)2.3服装和零部件的制图位置,应在服装款式图左边(如图2所示)款式图
标题栏
图纸标题栏的格式(见表2)。
产品名称
图纸代号
制图比例
制图比例分档规定见表3。
与实物相司
缩小的比例
放大的比例
GB 6676—86
3.2在同~-图纸上,应采用相同的比例,并将比例填写在标题栏内,如需采用不同的比例时,必须在每零部件的左上角标志比例。如:M1:1,M1:2等。3.3服装款式图的比例,不受以上规定限制。图线及画法
裁剪图线形式及用途按表4规定。表4
图纸名称
粗实线
细实线
点划线
双点划线
图线形式
图线宽度
图线用途
1、服装和零部件轮廓线:
2、部位轮廓线
1、图样结构的基本线;
2、尺寸线和尺寸界线,
3、引出线
1、背面轮廓影示线,
2、缝纫明线
对折线
折转线
同一图纸中同类图线的宽度应一致。虚线、点划线及双点划线的线段长短和间隔应各自相同。4.2
4.3点划线和双点划线的首末两端应是线段而不是点。服装款式图的形式,不受以上规定限制。4.4
图纸画法示意图(见附录A)。
5字体
图纸中的文字、数字、字母都必须做到:字体端正,笔划清楚,排列整齐,间隔均匀(见图5.1
用作分数和小数时,应采用小一号字体。数字和字母,应按75°角斜写(见图4)。5.2
GB6676-86
字体端正笔划清楚排列整齐间隔均匀7号
写仿宋字的四要领满锋匀劲满是充满方格必须勤学苦练方有成效5号
衬布缩水率和缝纫锁眼线的性能色泽应与面料相适应钮扣的色泽质地应与图3
GBI59-5
数字示例
n yo ya yo yix x.
字母示例
7234367890
ABCDEFGHIJKLMNOPQRS
UVWXYZ
6尺寸注法
6.1基本规则
GB 6676—86
6.1.1服装各部位和零部件的实际大小以图样上所注的尺寸数值为准。6.1.2图纸中(包括技术要求和其他说明)的尺寸,一律以厘米为单位。6.1.3服装制图部位、部件的每一尺寸,一般只标注一次,并应标注在该结构最清晰的图形上。6.2标注尺寸线的画法
6.2.1尺寸线用细实线绘制,其两端箭头应指到尺寸界线。制图结构线不能代替标注尺寸线,一般也不得与其他图线重合或画在其延长线上(见图5)。6.2.2
6.2.3标注尺寸线及尺寸数字的位置如下:图5
a,需要标明直距离的尺寸时,尺寸数字一般应标在尺寸线的左面中间(见图6)。如直距位置小,应将轮廓线的一端延长,另一端用对折线引出,在上下箭头的延长线上标注尺寸数字(见图7)。2
b。需要标明横距离的尺寸时,尺寸数字一般应标在尺寸线的上方中间,如横距尺寸位置小,须用细实线引出使之形成一个三角形,并在角的一端绘制一条横线,尺寸数字就标在该横线上(见图8)。15.8
需要标明斜距离的尺寸时,须用细实线引出使之形成一个三角形,并在角的一端绘制一条横线,尺寸数字就标在该横线上(见图9)。208
GB6676—86
d。尺寸数字不可被任何图线所通过,当无法避免时,必须将该图线断开,并用弧线表示,尺寸数字就标在弧线断开间(见图10)。.5
6.3尺寸界线的画法
6.3.1尺寸界线用细实线绘制,可以利用轮线,引出作为尺寸界线(见图11)图11
6.3.2尺寸界线一般应与尺寸线垂直(弧线、三角形和尖形尺寸除外)7服装制图符号
服装制图符号(见表5)
符号形式
特殊放缝
单阴嗣
等量号
符号上的数字表示所需缝口的尺寸7.2
在制图中,
若使用其他制图符号或非标准符号,必须在图纸中用图和文字加以说明。209
服装制图主要部位代号
服装制图主要部位代号见表6。
胸围线
腰围线
臀圈线
Bust girth
Waist girth
Hip girth
Neck girth
Bust line
Waist line
Hip line
服装主要部位的比例计算
服装主要部位的比例计算见附录B。210
GB 6676--86
领围线
膝盖线
颈肩点
Neck line
Elbowline
Knee line
Bust point
Neck point
Arm hole
Length
GB6676-86
附录A
图纸画法示意图
(参考件)
西服的裁剪图及尺寸标法示例(见图A1)男长裤的裁剪图及尺寸标法示例(见图A2)A.2
GB 6676--86
男西服毅剪图
男西服
165/91
后衣长
总肩宽
成品规格
GB 667686
男西裤裁剪图
165270
成品规格
GB 6676--86
附录B
服装主要部位的比例计算
(参考件)
服装制图比例的计算方法繁多,各有其优缺点,选介绍中山服、西服(5.3系列)几个主要部位制图比例(十分法)的计算方法,供参考。B.1
胸围线即袖深线B
前胸宽
后背宽
胸围大
B.2关门领见图B1
前领口宽
前领深
后领口宽
(从落肩线量下)见图B1。
(+省大,
B.3驳领见图B2。
前领口宽
后领口宽
B.4·袖见图B3。
袖围大
袖山深
GB 6676—86
小提示:此标准内容仅展示完整标准里的部分截取内容,若需要完整标准请到上方自行免费下载完整标准文档。
标准图片预览:





- 其它标准
- 热门标准
- 国家标准(GB)
- GB/T30917—2014 /ISo 29941:2010 天然胶乳橡胶避孕套中可迁移亚硝胺的测定
- GB/T12777-1999 金属波纹管膨胀节通用技术条件
- GB15193.5-2003 骨髓细胞微核试验
- GB/T29633.4-2020 南极地名 第4部分:罗马字母拼写
- GB/T39964-2021 造纸行业能源管理体系实施指南
- GB/T43929-2024 空间用纤维光学器件测试指南
- GB/T43225-2023 空间物体登记要求
- GB15985-1995 丝虫病诊断标准及处理原则
- GB19159-2003 车用液化石油气
- GB/T7407-1997 中国及世界主要海运贸易港口代码
- GB1913.2-1990 漂白浸渍绝缘纸
- GB14287.4-2014 电气火灾监控系统 第4部分:故障电弧探测器
- GB5237.3-2008 铝合金建筑型材 第3部分:电泳涂漆型材
- GB/T9771.6-2020 通信用单模光纤 第6部分:宽波长段 光传输用非零色散单模光纤特性
- GB29140-2024 纯碱单位产品能源消耗限额
- 行业新闻
请牢记:“bzxz.net”即是“标准下载”四个汉字汉语拼音首字母与国际顶级域名“.net”的组合。 ©2025 标准下载网 www.bzxz.net 本站邮件:bzxznet@163.com
网站备案号:湘ICP备2025141790号-2
网站备案号:湘ICP备2025141790号-2