- 您的位置:
- 标准下载网 >>
- 标准分类 >>
- 国家标准(GB) >>
- GB 7561-1987 合成氨用煤质量标准
标准号:
GB 7561-1987
标准名称:
合成氨用煤质量标准
标准类别:
国家标准(GB)
标准状态:
已作废-
实施日期:
1988-02-01 出版语种:
简体中文下载格式:
.rar.pdf下载大小:
79.78 KB
替代情况:
被GB/T 7561-1998代替
部分标准内容:
中华人民共和国国家标准
合成氨用煤质量标准
Quality standard of coal for synthetic ammoniaUDC 662.66:661
.53.091
GB 7561—87
本标准适用于直径2.74~3.60m固定床气化炉的中型合成氨的原料用煤,作为矿区制定工业用煤标准、煤炭资源用途评价、煤炭分配和调运及煤炭开发加工规划的依据。1合成氨用煤的质量必须符合下列要求:项目
含研率
限下率
水分(W。)
挥发分(Vr
灰分(A)
固定碳
技术要求
无烟煤
大块50~100mm
中块25~50mm
小块13~25mm
洗混中块13~70mm
大块煤<15%
中块煤<18%
小块煤<21%
洗混中块<12%
一级<16%
二级16 ~ 20%
兰级>20 ~ 24%
一级>75%
二级>70 ~75%
三级65~70%
国家标准局1987-03-30批准
鉴定方法
中国煤炭分类(GB575186)
煤炭粒度分级(GB189-63)
煤炭粒度分级(GB189—63)bzxZ.net
商品煤含研率和限下率煤样的
采取及其测定方法(MT1—82)
商品煤含研率和限下率煤样的
采取及其测定方法(MT1—82)
煤中全水分的测定方法
(GB 211—83)
煤的工业分析方法
(GB 212--77)
煤的工业分析方法
(GB 212--77)
煤的工业分析方法
(GB 212—77)
1988-02-01实施
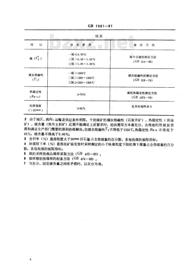
硫(s)
煤灰熔融性
热稳定性
(Rw*6)
抗碎强度
(>25mm)
GB 7561--87
技术要求
一级<0.50%
二级>0.50~1.00%
三级>1.00~1.50%
一级>1350℃
二级> 1300 ~ 1350 ℃
三级>1250~1300 ℃
鉴定方法
煤中全硫的测定方法
(GB 214—-83)
煤灰熔融性的测定方法
(GB 219—74)
煤的热稳定性测定方法
(GB 1573—79)
见本标准附录A
2由于地区、流向、运输及供应条件所限,个别煤矿的煤灰熔融性(石炭井矿)、热稳定性(阳泉矿)、硫含量(焦作王封矿)近期不能满足上述要求时,经供需双方本着充分、合理地利用煤炭资源和满足生产部门需要的原则协商解决。但煤灰熔融性T2不得低于1150℃,热稳定性Rw+6不得低于65%,硫含量不得高于2.00%。
3含研率(%)是指粒度大于50mm研石量占全部煤量的百分数,系每批煤的极限指标。4块煤限下率(%)是指在矿场发货时采样测定的小于块煤粒度下限的筛下煤量占全部煤量的百分数,系每批煤的极限指标。
5煤的采样按商品煤样采取方法(GB475—83)。6煤样缩制按煤样的制备方法(GB474—83)。7“当灰分、固定碳含量之间有矛盾时,以灰分为准。GB7561-87
附录A
煤炭抗碎强度的测定方法
(补充件)
A.1煤样质量为25kg的测定方法
选取粒度为60~100mm的块煤约25kg,在增台秤上称出其质量(精确至0.1kg)。将煤样装人破碎试验设备一一具有活动底板的铁箱之中。将铁箱升高到距设备下部铁板2m高度,打开铁箱活门,使煤块自由落到铁板上,然后用25×25mm的筛子过筛,如煤块都破碎到25mm以下即不再进行试验,如仍有大于25mm的块煤,则将这部分煤按上法重新落下一次,如第二次落下后还有大于25mm的块煤,则将大子25mm的块煤再装箱按上法落下一次并进行筛分,将大于25mm的块煤称量,按下式计算煤炭抗碎强度:
ml×100
煤炭抗碎强度(%)二,
式中:m—一试验前的试样质量,kgml—试验后大于25mm级的质量,kg。A.2十块测定法
选取60~100mm的块煤10块,在精确度为0.1kg的增铊台秤上称出质量,然后一块一块地使它们从2m高的地方往一块嵌有高度为200mm木框(或铁框)的金属板上落下1~3次。金属板厚度应大子15mm、长1200mm、宽900mm,落下的方向,根据煤块的层理,按三个不同方向分别自由落下,如煤块第一次落下后即破碎到25mm以下,即不再进行落下,而把约大于25mm的煤块换一个方向重新落下,直到大于25mm的煤块共经三次落下为止,然后用25mm的方孔筛筛分,并称出大于25mm的块煤的质量,按上式计算煤的抗碎强度。用落下试验测定煤炭抗碎强度的平行试验绝对误差为10%。附加说明:
本标准由煤炭工业部煤炭科学研究院北京煤化学研究所和化学工业部化肥工业研究所联合提出,由煤炭工业部煤炭科学研究院北京煤化学研究所归口。本标准由煤炭工业部煤炭科学研究院北京煤化学研究所和化学工业部化肥工业研究所负责起草。本标准主要起草人李祖荫、柳创立。9
小提示:此标准内容仅展示完整标准里的部分截取内容,若需要完整标准请到上方自行免费下载完整标准文档。
合成氨用煤质量标准
Quality standard of coal for synthetic ammoniaUDC 662.66:661
.53.091
GB 7561—87
本标准适用于直径2.74~3.60m固定床气化炉的中型合成氨的原料用煤,作为矿区制定工业用煤标准、煤炭资源用途评价、煤炭分配和调运及煤炭开发加工规划的依据。1合成氨用煤的质量必须符合下列要求:项目
含研率
限下率
水分(W。)
挥发分(Vr
灰分(A)
固定碳
技术要求
无烟煤
大块50~100mm
中块25~50mm
小块13~25mm
洗混中块13~70mm
大块煤<15%
中块煤<18%
小块煤<21%
洗混中块<12%
一级<16%
二级16 ~ 20%
兰级>20 ~ 24%
一级>75%
二级>70 ~75%
三级65~70%
国家标准局1987-03-30批准
鉴定方法
中国煤炭分类(GB575186)
煤炭粒度分级(GB189-63)
煤炭粒度分级(GB189—63)bzxZ.net
商品煤含研率和限下率煤样的
采取及其测定方法(MT1—82)
商品煤含研率和限下率煤样的
采取及其测定方法(MT1—82)
煤中全水分的测定方法
(GB 211—83)
煤的工业分析方法
(GB 212--77)
煤的工业分析方法
(GB 212--77)
煤的工业分析方法
(GB 212—77)
1988-02-01实施
硫(s)
煤灰熔融性
热稳定性
(Rw*6)
抗碎强度
(>25mm)
GB 7561--87
技术要求
一级<0.50%
二级>0.50~1.00%
三级>1.00~1.50%
一级>1350℃
二级> 1300 ~ 1350 ℃
三级>1250~1300 ℃
鉴定方法
煤中全硫的测定方法
(GB 214—-83)
煤灰熔融性的测定方法
(GB 219—74)
煤的热稳定性测定方法
(GB 1573—79)
见本标准附录A
2由于地区、流向、运输及供应条件所限,个别煤矿的煤灰熔融性(石炭井矿)、热稳定性(阳泉矿)、硫含量(焦作王封矿)近期不能满足上述要求时,经供需双方本着充分、合理地利用煤炭资源和满足生产部门需要的原则协商解决。但煤灰熔融性T2不得低于1150℃,热稳定性Rw+6不得低于65%,硫含量不得高于2.00%。
3含研率(%)是指粒度大于50mm研石量占全部煤量的百分数,系每批煤的极限指标。4块煤限下率(%)是指在矿场发货时采样测定的小于块煤粒度下限的筛下煤量占全部煤量的百分数,系每批煤的极限指标。
5煤的采样按商品煤样采取方法(GB475—83)。6煤样缩制按煤样的制备方法(GB474—83)。7“当灰分、固定碳含量之间有矛盾时,以灰分为准。GB7561-87
附录A
煤炭抗碎强度的测定方法
(补充件)
A.1煤样质量为25kg的测定方法
选取粒度为60~100mm的块煤约25kg,在增台秤上称出其质量(精确至0.1kg)。将煤样装人破碎试验设备一一具有活动底板的铁箱之中。将铁箱升高到距设备下部铁板2m高度,打开铁箱活门,使煤块自由落到铁板上,然后用25×25mm的筛子过筛,如煤块都破碎到25mm以下即不再进行试验,如仍有大于25mm的块煤,则将这部分煤按上法重新落下一次,如第二次落下后还有大于25mm的块煤,则将大子25mm的块煤再装箱按上法落下一次并进行筛分,将大于25mm的块煤称量,按下式计算煤炭抗碎强度:
ml×100
煤炭抗碎强度(%)二,
式中:m—一试验前的试样质量,kgml—试验后大于25mm级的质量,kg。A.2十块测定法
选取60~100mm的块煤10块,在精确度为0.1kg的增铊台秤上称出质量,然后一块一块地使它们从2m高的地方往一块嵌有高度为200mm木框(或铁框)的金属板上落下1~3次。金属板厚度应大子15mm、长1200mm、宽900mm,落下的方向,根据煤块的层理,按三个不同方向分别自由落下,如煤块第一次落下后即破碎到25mm以下,即不再进行落下,而把约大于25mm的煤块换一个方向重新落下,直到大于25mm的煤块共经三次落下为止,然后用25mm的方孔筛筛分,并称出大于25mm的块煤的质量,按上式计算煤的抗碎强度。用落下试验测定煤炭抗碎强度的平行试验绝对误差为10%。附加说明:
本标准由煤炭工业部煤炭科学研究院北京煤化学研究所和化学工业部化肥工业研究所联合提出,由煤炭工业部煤炭科学研究院北京煤化学研究所归口。本标准由煤炭工业部煤炭科学研究院北京煤化学研究所和化学工业部化肥工业研究所负责起草。本标准主要起草人李祖荫、柳创立。9
小提示:此标准内容仅展示完整标准里的部分截取内容,若需要完整标准请到上方自行免费下载完整标准文档。
标准图片预览:



- 其它标准
- 热门标准
- 国家标准(GB)
- GB∕T38992-2020 军民通用资源 语义关系分类与表示
- GB/T22264.5-2022 安装式数字显示电测量仪表 第5部分:相位表和功率因数表的特殊要求
- GB/T32383-2020 城市轨道交通直线电机车辆通用技术条件
- GB/T42459-2023 信息技术 系统间远程通信和信息交换 局域网和城域网 特定要求 站点和媒体访问控制连通性发现
- GB/T24555-2009 200m氦氧饱和潜水作业要求
- GB/T16606.3-2009 快递封装用品 第3部分:包装袋
- GBZ/T240.20-2011 化学品毒理学评价程序和试验方法 第20部分:亚慢性吸入毒性试验
- GB16487.9-2017 进口可用作原料的固体废物环境保护控制标准—废电线电缆
- GB∕T38117-2019 电动汽车产品使用说明 应急救援
- GB/T5694-1985 CAMAC系统中的块传送
- GB/T24496-2009 钢筋混凝土大板间有连接筋并用混凝土浇灌的键槽式竖向接缝 实验室力学试验 平面内切向荷载的影响
- GB∕T29428.2-2014 地震灾害紧急救援队伍救援行动 第2部分:程序和方法
- GB9706.29-2006 医用电气设备 第2部分:麻醉系统的安全与基本性能专用要求
- GB/T43266-2023 永磁体磁偏角的测量方法
- GB/T14506.25-1993 硅酸盐岩石化学分析方法 硫酸-苯羟乙酸-辛可宁-氯酸钾底液极谱法连续测定钼量和钨量
- 行业新闻
请牢记:“bzxz.net”即是“标准下载”四个汉字汉语拼音首字母与国际顶级域名“.net”的组合。 ©2025 标准下载网 www.bzxz.net 本站邮件:bzxznet@163.com
网站备案号:湘ICP备2025141790号-2
网站备案号:湘ICP备2025141790号-2