- 您的位置:
- 标准下载网 >>
- 标准分类 >>
- 国家标准(GB) >>
- GB 9381-1988 电视广播接收机运输包装件试验方法
标准号:
GB 9381-1988
标准名称:
电视广播接收机运输包装件试验方法
标准类别:
国家标准(GB)
标准状态:
已作废-
实施日期:
1988-12-01 出版语种:
简体中文下载格式:
.rar.pdf下载大小:
177.01 KB
替代情况:
调整为SJ/T 10920-1996

部分标准内容:
UDC621.397.62621.798
中华人民共和国国家标准
GB9381--88
降为SJ/T10920-96
电视广播接收机运输包装件试验方法Test method for transport packages ofbroadcastingTVreceiver
1988-06-18发布
国家标准局发布
1988-12-01实施
中华人民共和国国家标准
电视广播接收机运输包装件试验方法Test method for transport packagesof broadcasting TV receiver
1适用范围
本标准规定了电视广播接收机运输包装件(简称电视机包装件)试验方法。本标准适用于电视机包装件的性能试验。2引用标准
GB3538
GB4857.10
3试验设备
运输包装件各部位标示方法
运输包装件基本试验总则
运输包装件基本试验
运输包装件基本试验
运输包装件基本试验
运输包装件基本试验
运输包装件基本试验
运输包装件基本试验
运输包装件基本试验
运输包装件基本试验
温湿度调节处理
堆码试验方法
压力试验方法
垂直冲击跌落试验方法
正弦振动(定频)试验方法
正弦振动(变频)试验方法
六角滚简试验方法
喷淋试验方法
符合本标准引用的试验方法标准中规定的合格试验设备,即可用于试验。4试验环境条件
无特殊规定时,试验环境条件为正常大气条件:温
度:15~35℃,
相对湿度:45%~75%;
压:86~106kPa
5试验项目
GB9381—88
5.1为在整个流通过程中对电视机包装件进行功能评定,根据GB4857.1中第7.2.2条规定,一般情况下按下列顺序安排试验项目。温湿度调节处理;
堆码试验或压力试验;
c.冲击试验,
中华人民共和国电子工业部1988-04-15批准1988-12-01实施
d.振动试验,
e.六角滚筒试验;
GB9381-88
5.2当需要评定电视机包装件在流通过程中共振是否是造成产品损坏的原因时,应在本标准第5.1条的b和c之间增加共振试验。
5.3根据流通条件的复杂程度和检验要求等,可以增加或减少试验项目。增减试验项目由生产方自定或供货与购货双方共同议定。
5.4当需要考虑气候影响时,应在本标准第5.1条c和d之间增加喷淋等气候试验项目。喷淋试验方法按GB4857.9进行。
6试验步骤
6.1试验件准备
按GB3538规定的方法,对进行试验的电视机包装件各部位进行编号。6.2温湿度调节处理
6.2.1温湿度调节处理方法按GB4857.2规定进行。6.2.2温湿度调节处理时间,一般为24h,当有特殊需要时,应按实际需要进行。6.2.3温湿度条件根据电视机包装件的特性及在流通过程中可能遇到的环境条件,在GB4857.2第2.2条中进行选择。
6.2.4经温湿度调节处理的电视机包装件,应在与调节处理时相同的温湿度条件下进行性能试验。当做不到时,应在离开调节处理条件5min内开始试验。6.3堆码试验
根据电视机包装件在流通过程中的承压状态或对电视机包装件的预定要求,选用GB4857.3或GB4857.4进行试验。
6.3.1当按GB4857.3进行堆码试验时,应根据流通过程中电视机包装件的堆码高度及流通周期确定负荷质量及试验持续时间。
6.3.1.1负荷质量计算公式如下:P=K.H-h.w
负荷质量,kg,
式中.P—
K—包装件劣变系数(见表1),
H堆码高度,mm;
h-包装箱高度,mm,
W—每个试验件质量,kg1
注:①纸质包装箱负荷质量小于200kg时,按200kg计算。表1包装件劣变系数
流通周期
劣变系数
1个月以内
6.3.1.2试验持续时间(T)一般不少于24h。1~3个月
3~6个月
6个月以上
6.3.2用压力试验机做堆码试验时,除按本标准第6.3.1.1条计算预定压力值外,应根据流通过程中电视机包装件可能遇到的承压状态或供需合同,确定选用GB4857.4中第3.5.1条或第3.5.2条进行试验。
6.4共振试验
GB9381—88
共振试验应按GB4857.10第3.5.3条方法2及其附录A中A2条进行。6.5冲击试验bzxZ.net
6.5.1按GB4857.5进行垂直冲击跌落试验,跌落按面、棱、角的顺序进行。跌落高度和跌落状态、跌落次数按表2选择。
表2电视机包装件跌落高度
包装件
≥10~20
≥20~30
≥30~40
≥40~50
2.3.4.5.6
跌落冲击部位
6.5.2当电视机包装件质量大于40kg时,应做支棱或支角跌落试验。角
跌落冲
击次数
(次)
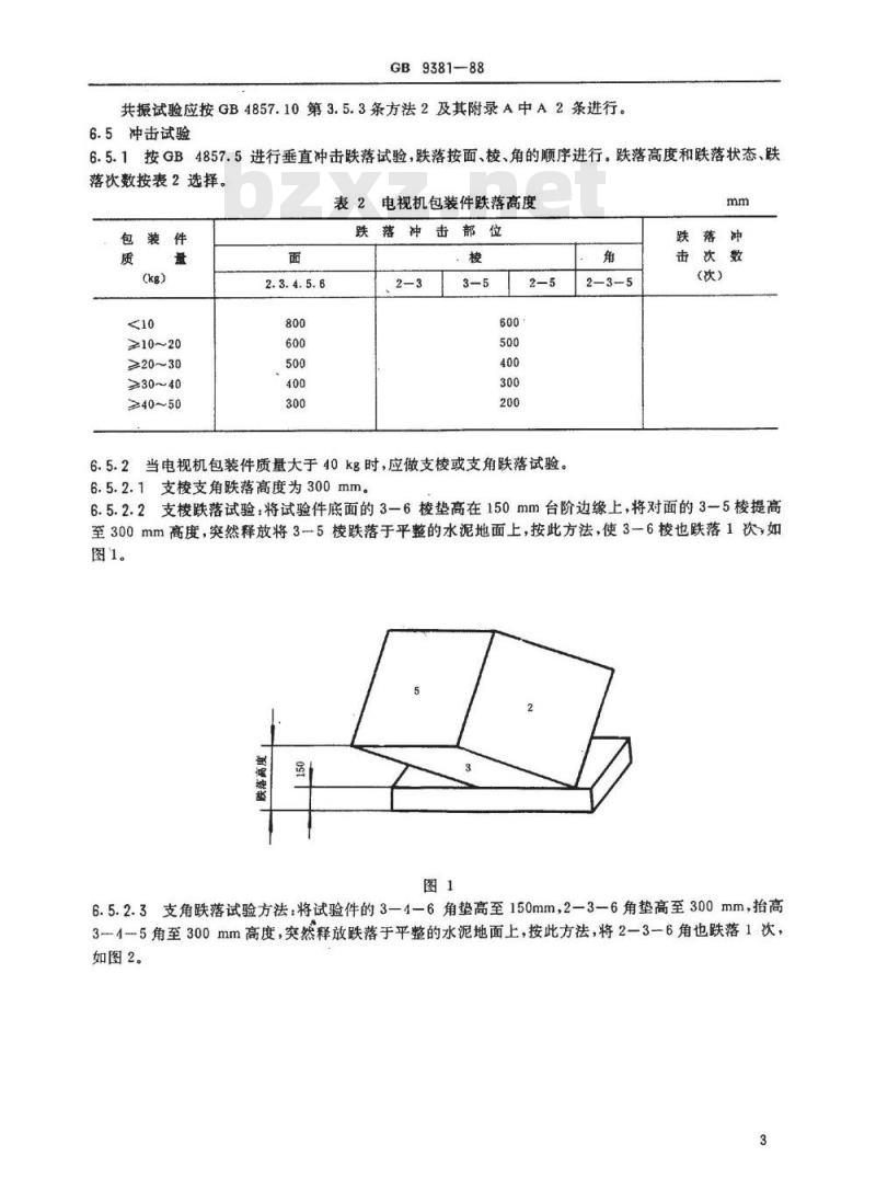
6.5.2.1支棱支角跌落高度为300mm。6.5.2.2支棱跌落试验:将试验件底面的3-6棱垫高在150mm台阶边缘上,将对面的3-5棱提高至300mm高度,突然释放将3一5棱跌落于平整的水泥地面上,按此方法,使3-6棱也跌落1次,如图1。
6.5.2.3支角跌落试验方法:将试验件的3-4—6角垫高至150mm,2-3-6角垫高至300mm,抬高3-4-—5角至300mm高度,突然释放跌落于平整的水泥地面上,按此方法,将2—3-6角也跌落1次,如图2。
6.6振动试验
GB938188
6.6.1通常按GB4857.7进行试验,振动持续时间为40min。6.6.2当充分证明采用与本标准第6.6.1条规定不同的加振方法可以得到满意的试验数据和效果时,可以不执行第6.6.1条规定。6.7六角滚简试验
6.7.1按GB4857.8进行试验,当电视机包装件质量不大于30kg时,六角滚简转落次数(或转数)按表3选择,当电视机包装件质量大于30kg时,六角滚筒简转落次数(或转数)为12次(2转)。表3包装件转落次数
包装件
2130型
4260型
注:括弧内数字为转数。
试验报告
36(6)
试验报告应包括以下主要内容:a.
试验件的名称、数量、规格及详细说明;内装电视机的规格、型号、数量,包装件及内装电视机质量,kg;试验设备及仪器的规格、型号,试验项目的顺序和试验步骤;
各项试验的详细记录及观察到的可以帮助正确解释试验结果的现象;试验结果分析;
试验报告日期、报告人签字,试验单位盖章。附加说明:
本标准由电子工业部标准化研究所负责起草。单位:次(转)
小提示:此标准内容仅展示完整标准里的部分截取内容,若需要完整标准请到上方自行免费下载完整标准文档。
中华人民共和国国家标准
GB9381--88
降为SJ/T10920-96
电视广播接收机运输包装件试验方法Test method for transport packages ofbroadcastingTVreceiver
1988-06-18发布
国家标准局发布
1988-12-01实施
中华人民共和国国家标准
电视广播接收机运输包装件试验方法Test method for transport packagesof broadcasting TV receiver
1适用范围
本标准规定了电视广播接收机运输包装件(简称电视机包装件)试验方法。本标准适用于电视机包装件的性能试验。2引用标准
GB3538
GB4857.10
3试验设备
运输包装件各部位标示方法
运输包装件基本试验总则
运输包装件基本试验
运输包装件基本试验
运输包装件基本试验
运输包装件基本试验
运输包装件基本试验
运输包装件基本试验
运输包装件基本试验
运输包装件基本试验
温湿度调节处理
堆码试验方法
压力试验方法
垂直冲击跌落试验方法
正弦振动(定频)试验方法
正弦振动(变频)试验方法
六角滚简试验方法
喷淋试验方法
符合本标准引用的试验方法标准中规定的合格试验设备,即可用于试验。4试验环境条件
无特殊规定时,试验环境条件为正常大气条件:温
度:15~35℃,
相对湿度:45%~75%;
压:86~106kPa
5试验项目
GB9381—88
5.1为在整个流通过程中对电视机包装件进行功能评定,根据GB4857.1中第7.2.2条规定,一般情况下按下列顺序安排试验项目。温湿度调节处理;
堆码试验或压力试验;
c.冲击试验,
中华人民共和国电子工业部1988-04-15批准1988-12-01实施
d.振动试验,
e.六角滚筒试验;
GB9381-88
5.2当需要评定电视机包装件在流通过程中共振是否是造成产品损坏的原因时,应在本标准第5.1条的b和c之间增加共振试验。
5.3根据流通条件的复杂程度和检验要求等,可以增加或减少试验项目。增减试验项目由生产方自定或供货与购货双方共同议定。
5.4当需要考虑气候影响时,应在本标准第5.1条c和d之间增加喷淋等气候试验项目。喷淋试验方法按GB4857.9进行。
6试验步骤
6.1试验件准备
按GB3538规定的方法,对进行试验的电视机包装件各部位进行编号。6.2温湿度调节处理
6.2.1温湿度调节处理方法按GB4857.2规定进行。6.2.2温湿度调节处理时间,一般为24h,当有特殊需要时,应按实际需要进行。6.2.3温湿度条件根据电视机包装件的特性及在流通过程中可能遇到的环境条件,在GB4857.2第2.2条中进行选择。
6.2.4经温湿度调节处理的电视机包装件,应在与调节处理时相同的温湿度条件下进行性能试验。当做不到时,应在离开调节处理条件5min内开始试验。6.3堆码试验
根据电视机包装件在流通过程中的承压状态或对电视机包装件的预定要求,选用GB4857.3或GB4857.4进行试验。
6.3.1当按GB4857.3进行堆码试验时,应根据流通过程中电视机包装件的堆码高度及流通周期确定负荷质量及试验持续时间。
6.3.1.1负荷质量计算公式如下:P=K.H-h.w
负荷质量,kg,
式中.P—
K—包装件劣变系数(见表1),
H堆码高度,mm;
h-包装箱高度,mm,
W—每个试验件质量,kg1
注:①纸质包装箱负荷质量小于200kg时,按200kg计算。表1包装件劣变系数
流通周期
劣变系数
1个月以内
6.3.1.2试验持续时间(T)一般不少于24h。1~3个月
3~6个月
6个月以上
6.3.2用压力试验机做堆码试验时,除按本标准第6.3.1.1条计算预定压力值外,应根据流通过程中电视机包装件可能遇到的承压状态或供需合同,确定选用GB4857.4中第3.5.1条或第3.5.2条进行试验。
6.4共振试验
GB9381—88
共振试验应按GB4857.10第3.5.3条方法2及其附录A中A2条进行。6.5冲击试验bzxZ.net
6.5.1按GB4857.5进行垂直冲击跌落试验,跌落按面、棱、角的顺序进行。跌落高度和跌落状态、跌落次数按表2选择。
表2电视机包装件跌落高度
包装件
≥10~20
≥20~30
≥30~40
≥40~50
2.3.4.5.6
跌落冲击部位
6.5.2当电视机包装件质量大于40kg时,应做支棱或支角跌落试验。角
跌落冲
击次数
(次)
6.5.2.1支棱支角跌落高度为300mm。6.5.2.2支棱跌落试验:将试验件底面的3-6棱垫高在150mm台阶边缘上,将对面的3-5棱提高至300mm高度,突然释放将3一5棱跌落于平整的水泥地面上,按此方法,使3-6棱也跌落1次,如图1。
6.5.2.3支角跌落试验方法:将试验件的3-4—6角垫高至150mm,2-3-6角垫高至300mm,抬高3-4-—5角至300mm高度,突然释放跌落于平整的水泥地面上,按此方法,将2—3-6角也跌落1次,如图2。
6.6振动试验
GB938188
6.6.1通常按GB4857.7进行试验,振动持续时间为40min。6.6.2当充分证明采用与本标准第6.6.1条规定不同的加振方法可以得到满意的试验数据和效果时,可以不执行第6.6.1条规定。6.7六角滚简试验
6.7.1按GB4857.8进行试验,当电视机包装件质量不大于30kg时,六角滚简转落次数(或转数)按表3选择,当电视机包装件质量大于30kg时,六角滚筒简转落次数(或转数)为12次(2转)。表3包装件转落次数
包装件
2130型
4260型
注:括弧内数字为转数。
试验报告
36(6)
试验报告应包括以下主要内容:a.
试验件的名称、数量、规格及详细说明;内装电视机的规格、型号、数量,包装件及内装电视机质量,kg;试验设备及仪器的规格、型号,试验项目的顺序和试验步骤;
各项试验的详细记录及观察到的可以帮助正确解释试验结果的现象;试验结果分析;
试验报告日期、报告人签字,试验单位盖章。附加说明:
本标准由电子工业部标准化研究所负责起草。单位:次(转)
小提示:此标准内容仅展示完整标准里的部分截取内容,若需要完整标准请到上方自行免费下载完整标准文档。

标准图片预览:





- 其它标准
- 热门标准
- 国家标准(GB)
- GB4623-1994 环形预应力混凝土电杆
- GB/T19250-2013 聚氨酯防水涂料
- GB/T17972-2000 信息处理系统 数据通信 局域网中使用X.25包级协议
- GB/T23344-2009 纺织品 4-氨基偶氮苯的测定
- GB16853-1997 结核病监测标准
- GB/T37319-2019 电梯节能逆变电源装置
- GB/T42516-2023 高温形状记忆合金化学分析方法 铂含量的测定 硫脲络合沉淀法
- GB∕T4937.20-2018 半导体器件 机械和气候试验方法 第20部分:塑封表面安装器件耐潮湿和焊接热综合影响
- GB/T39351-2020 空间数据与信息传输系统 遥测空间数据链路协议
- GB/T11828.2-2005 水位测量仪器 第2部分:压力式水位计
- GB/T22427.5-2008 淀粉细度测定
- GB/T21666-2008 尿吸收辅助器具 评价的一般指南
- GB/T43762-2024 航空航天 卡箍术语
- GB/T38142-2019 ISO 4918:2016 弹性、纺织和层压铺地物脚轮椅测试
- GB/T14929.2-1994 花生仁、棉籽油、花生油中涕灭威残留量测定方法
- 行业新闻
请牢记:“bzxz.net”即是“标准下载”四个汉字汉语拼音首字母与国际顶级域名“.net”的组合。 ©2009 标准下载网 www.bzxz.net 本站邮件:bzxznet@163.com
网站备案号:湘ICP备2023016450号-1
网站备案号:湘ICP备2023016450号-1