- 您的位置:
- 标准下载网 >>
- 标准分类 >>
- 建筑工业行业标准(JG) >>
- JG/T 5072.3-1996 电梯对重用空心导轨
标准号:
JG/T 5072.3-1996
标准名称:
电梯对重用空心导轨
标准类别:
建筑工业行业标准(JG)
标准状态:
现行-
发布日期:
1996-04-08 -
实施日期:
1996-10-01 出版语种:
简体中文下载格式:
.rar.pdf下载大小:
293.02 KB
点击下载
标准简介:
标准下载解压密码:www.bzxz.net
本标准规定了电梯对重用空心导轨及电梯对重用空心导轨连接件的型号与参数、技术要求、试验方法、检验规则以及标志、包装、运输、贮存。 JG/T 5072.3-1996 电梯对重用空心导轨 JG/T5072.3-1996
部分标准内容:
中华人民共和国建筑业行业标准JG/T 5072.3--1996
电梯对重用空心导轨
Hollow guide ralls for elevator's counterwetgbt1996-04-08发布
中华人民共和国建设部
1996-10-01实施
中华人民共和国建筑工业行业标准电梯对重用空心导轨
Hollowguiderails fur elevatur's eaualerrelght1主酮内容与适用范围
JG/T5072.3—1996
本标准规定了电快对或用它心导轨<以下简称导轨》及电梯对重用空心导轨连接件(以下简称注接作)的型号与参款、技术要求,试验方法、检验魏则以及标志、包装.运输、存。本标准适用电增不设发金谢的对重用的导和连据性。2引用标准
GB2828逐批控查计数抽样程序及抽拌表(适用于连续批的检查)包装储运阅示标忘
3术语.符号与单位
3.1对两用空心轨
板材经冷态折弯成空腹下型电梯对再用导轨。3.?对用空心导轨连接件
用于连按对重用下型空心导轨的违拷件。3.3符与单位(见图与2)
导机麻面宽度
连接件疫面宽度
连接横问孔距
孕轨项平所的宽度
孔的直径
导轨庭面到导轨重心距离
导软板料厚度
导轴高度
导轨底部折边高度
连接件高度
导模截面对X-X轴的惯性短
导软横越面对Y.Y敏的無性矩
导轨摘根面对XX轴的慢性平径
导轨按截面对Y-Y轴的性半径
导机导应面宽度
连接件长度
中华人民共和国建设部1996-04-08批准单位
1996-10-01实施
JG/T5072.31996
在导轨的织尚,导赖端至最远孔中心线的距离+或从连接伴纵再中心级全量远孔中心在导轨的裂可,导我端至最近我十心裁的距或必连接件织向中心线到最近孔中心缓的职离
导向面高度
连接件宽度
实心注接件席部厚度
导热单位长度重量
请接件重甲
导物蒸部圆角平径
导热的横截面让
空心连接件板料厚度
对X-×轴的截面模量
对Y-Y轴的面模量
并段导向面与同侧底面间的夹角4 型号编制与参数
4.7型式
导暂按形状分心面直边与折弯两种型式,连接件分机械加工成型实心连接件与待李成更空心述接件两种型式。
4.2型专编制
导轨与连接拉型号由类、组、型,持性、主鑫数和变形代号组。4.2.1导轨型号,图示如下:
变形代号:A声示店面折边底面点边省略主参数代号:用导热单位要量表示,kg/m型式代号:空胶型钢
类组你号:T型电梯对重用导物
4.2.2逆接件需号.图示如下:
4.2.3标记示例
JG/T5072.3—1996
变形号:A表示底面折边导轨用:底面直边导执购省略
主数代号:配用导轨单重量,kg/m型式代号,S表示机械如工皮型实心连接件:K表示冷驾成型空心连接件
账组代号:连捷件
.5kg/m起面肖边对重用空心导扰:导轨TK5JG/T5072.3
h3kg/m医面折议对查用空心导轨:导轨TK3AJG715072.3
c导轨TK5用冷弯成型空心连接件:连接件1K5JG/T502.3
d.导快TK3A用机械加工实心连接件:违接件LS3AJG/TS072.3
4.3绿数
4. 3.1孕轨型号与技术参数见,表 1.表1
导势未要尺寸季数见表2。
100±2
JG/T5072.3-199E
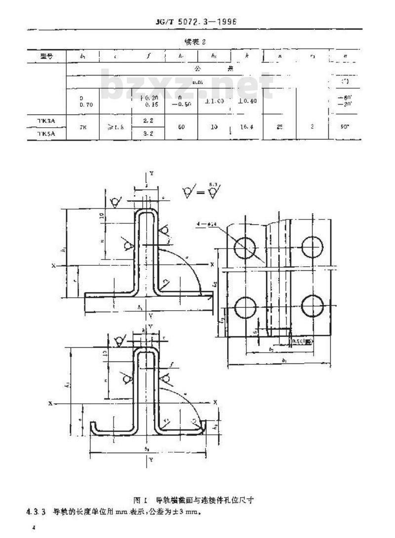
续表2
o, 2n
图「导靳带蓄面与连接件孔位尺寸4.3.3寻轨的长鹿单位用mm表示,公差为士3mm,25
JGT5072.3
图2空心至图与实心(中图连件截与接件立尺寸4.3.4注接性尺寸与导获、连据件孔位尺寸争数及公差见表3.4.3.5导势两端5mm内的项山与争向面充许有不大于0.5mm均三成细新度。3
LK3(LS3)
LKS(LS5)
LK8(LSB)
I.KJA(L.SA.)
I.K5ATLS5A)
5接术要求
±0, 3
5.1导轨宜肌冷乳优质钢板,执拉强度不应小于3?UMPs连选件强度不应低于导轨材料避度要求52导熟应采用待变有式制作基本长度为5.空心连接件应深用冷方式刷作,实心连赛件宜采币机械加工方式制作。
5.3导轨与连接件不允许有裂款、价痕、毛刺和享他缺陷,镀锌层不允许有起皮、起瘤与脱落现象,巴面处黑嘛点每米长度内不超过5处,且总而!十趋过:cm。5.4导链导向血与顶而纵应或横向表粗整度均为,%5.3。5.5逆传件连接而表匹组度为R12.5m.5.6导就预而与导向而全长范围内抢导轨长度力可的直线度不应大了2.0mm,如图357导教导向全长及任何距为1的划妞度不应大1.0m,图45.8导端面对同侧20m长度内底收间的重直度不应大于3.3.图,导快底询两边对导向面心线的乘白度不应上于0.30mm,如图5.5.9导轨两常各200mm5度内导向面中心线对导热,来平面的垂直度不应大乎0.20a5.加了JG5072.31996
5.10连接件同侧=个连接面垂变不应大于1.0mL如图8:2.G
围3顶面与导尚面有线度
图5端面对平面垂度
图?导向面心找对心部平面的乘卓度6试验方法
图4导向面扭度
(实线与双点线为相对扭曲
度最大的2个错载面的图
围6席面端边对孕间面中心线垂真度图8连接同侧连接面垂直度
右.1外视质量检查,在光照医亮的紊件下,对试许进行日测检查,并记录嵌跑情况。6.2表面拍度测定应采用测量持度不k卡土20%的相精度检查仪进行测量石.3导轨直线度与扭由度弟检测应长度大于5n.度为不低于三级的检测平台上进行,性测T
JG/T 5072. 3
图9坐标测量
白9尺
标鹿平面
图垂直度测量
。坐标测量法,如图9所示,将导轨自出状态放盘在检测平台上,利平台侧平面基准.用可分表在导间面上下衡端得滑长度方向的形然曲线,相邻测点不大于10mm,在垒标经上慎坐标效导轨长度尺寸,纵坐标为百分表读值.对上、下两行测点分别连接曲载,用相间满则载小区域判别法(即害测曲线上的高低点与上、下包容线相间的兰点接魅时,则此包穿线构成的包容区或为最小区域)分别确定曲线的直线度,取其轻大值,即为导向面献测侧面的线度。回一横坐标上两条曲线测值的最人偏差与量最小偏差的登值绝对值即为被测面的伍曲虚,承轨两侧面作测值比较,取其最大值为误差查,端差比较法,导轨的被测表面自由状态放置在检测平台上,用总,07精度的差尺直接检测被h
JG/T5072.31996
表而与检测1价叫的最大间原,即为该被测可面的直线度,司时在被测导向面的一瑞用准尺在图1所示的两边,测得的间限差值与另确作比较、的为导轨全长度的扭曲度。再月长为1、宽不小的有尺掌紧测面中间迁何位置,阿举再塞尺作测宜比较,取其金长和中间1m长度的扭曲最大值即为该面划出离,轮书侧询作润值比较,取其最大信误差值,C
且有计量检定个格与上述问举精度以上的检证工具,转合形径公差检漫原理的其他检测方法司等为效。
6.4垂查度冷测用直角尺为当准用案尺谢基。如图10所示对底前(或底边>的垂直度应用标准平面抗或准,
7检测分类与判定规则
1.1导针与连接件检检包括出!检检与孕式格验收类,7.11出厂检验色括工厂检验与出」交收复验,检验应在导轨制造厂里逆行7.1.2工厂检验由制造厂趋验部门进行,对受检件函杀进行检验,检验合格应加益检验个格标记。7.1.3型改检验应符合第±率与第5案的热定。7.2型式验验应让国家认可的质量监替检验机构负责选行。7.3凡属下列情记之-时应选行型式签验新产品或老产品转!4产的定塑鉴定b.
正式生产后.当综构,材料、工艺有较大改变,影响产品性能时:(。产品存“两年以上恢受生产时,d。国家质量监情机构提出选行地式挖将要求时,7.4抽方法
7.4.1出厂交收复验接G乃25中规定-次正常扫方案,并接特殊检查水平5-3走行,7.4.2型式检验采用随机拖伴方法,轴样基新不得少于15,抽取2根拉验。7.4.3袖样人负发现样品无代表性时,可重新盐样或拒绝抽样。了.5判定规则
7.5.1导转与连接件分别按表1与变5不合格分类各或进行检验,控验结果符合要求的,购判定该项合格,卢测判定该项为不合格
了.5.2出厂交收复验与型式趋整两按表6下执与迹接件量判荒的内容进行.分类各项均合格判为合格,否则判定为不合格。
本合格牙类
[5. 1 苯。抗拉性皮
5. 5 苯外现改敏等量
5.1去面粗教
,总菜直线度
5.7条把热度
1 5. 8.条
面垂克座
与, 5案
4.4. 2 条
4.4. 2条
「尺寸
不合陷分类
不音格分类
批量报收
或件数》
15--50
51-150
151--500
7.6其饱
JG5072.3—1996
继表 4
4. 4. 2杂 ± 尺寸
4. 4: 2 第免费标准下载网bzxz
+尺寸
4.4.3英长寸
4. 4. 4 条岛尺寸
64.4茶下
..条 L,尺
表5连链件不合格分类表
构勒内齐
3.1条抗拉烟度
J.3条外M被锌击量
5.5谈表面料精度
如尺守
4.4.4系,只
4. 4. 4 乘,尺]
4.4.4条尺
!4.4.4采L尺十
导较与连接件质量判定表
表与农5分类合格质量水平
排本大小
14:,11
了.6.1制避厂在生产过程中可自行采用查程序控制则基,但必额保近产品质欧符含本标难的规定。了.62需方可与谢造厂寻行商定拍样方案进行验收检查,或者根据具林使历要改增切或减少抽查项.
7.6.3验收不合格已拆收的该批产品,制造厂必频经过分类或修整,才能重新提交验收,日标志,包转、运物,贮存
B.1标志
产品标牌成勾括下列内案,
产品名称,型号:
b.标准缩兮;
c厂名、商标;
d.出厂日。
82包装,运箱
JG/T50/2.3—1996
82.1产品的包装运输应符合GB191的规定82.2短资运拖采月简总包装外,导轨间及与包装箱底成固定应可靠,应防上证形及碰摘换物,包装箱应药雨,气。
8.3些存
导轮应放在干爆通区举内,底部应上平特间隔支手炭梁附加说明,
本标准由建设部标准定额研究所提出:本标准函机撼设备与车辆标确技术归口单位北京注筑机械综合研究所归口。木标准白中国生筑科学研究统筑机板化研究所、首钢电梯厂负声起节本标起草人张国顿,李长玺。
本标准委托中国建筑科学研究院理筑机融化砺究所负责解释。
小提示:此标准内容仅展示完整标准里的部分截取内容,若需要完整标准请到上方自行免费下载完整标准文档。
电梯对重用空心导轨
Hollow guide ralls for elevator's counterwetgbt1996-04-08发布
中华人民共和国建设部
1996-10-01实施
中华人民共和国建筑工业行业标准电梯对重用空心导轨
Hollowguiderails fur elevatur's eaualerrelght1主酮内容与适用范围
JG/T5072.3—1996
本标准规定了电快对或用它心导轨<以下简称导轨》及电梯对重用空心导轨连接件(以下简称注接作)的型号与参款、技术要求,试验方法、检验魏则以及标志、包装.运输、存。本标准适用电增不设发金谢的对重用的导和连据性。2引用标准
GB2828逐批控查计数抽样程序及抽拌表(适用于连续批的检查)包装储运阅示标忘
3术语.符号与单位
3.1对两用空心轨
板材经冷态折弯成空腹下型电梯对再用导轨。3.?对用空心导轨连接件
用于连按对重用下型空心导轨的违拷件。3.3符与单位(见图与2)
导机麻面宽度
连接件疫面宽度
连接横问孔距
孕轨项平所的宽度
孔的直径
导轨庭面到导轨重心距离
导软板料厚度
导轴高度
导轨底部折边高度
连接件高度
导模截面对X-X轴的惯性短
导软横越面对Y.Y敏的無性矩
导轨摘根面对XX轴的慢性平径
导轨按截面对Y-Y轴的性半径
导机导应面宽度
连接件长度
中华人民共和国建设部1996-04-08批准单位
1996-10-01实施
JG/T5072.31996
在导轨的织尚,导赖端至最远孔中心线的距离+或从连接伴纵再中心级全量远孔中心在导轨的裂可,导我端至最近我十心裁的距或必连接件织向中心线到最近孔中心缓的职离
导向面高度
连接件宽度
实心注接件席部厚度
导热单位长度重量
请接件重甲
导物蒸部圆角平径
导热的横截面让
空心连接件板料厚度
对X-×轴的截面模量
对Y-Y轴的面模量
并段导向面与同侧底面间的夹角4 型号编制与参数
4.7型式
导暂按形状分心面直边与折弯两种型式,连接件分机械加工成型实心连接件与待李成更空心述接件两种型式。
4.2型专编制
导轨与连接拉型号由类、组、型,持性、主鑫数和变形代号组。4.2.1导轨型号,图示如下:
变形代号:A声示店面折边底面点边省略主参数代号:用导热单位要量表示,kg/m型式代号:空胶型钢
类组你号:T型电梯对重用导物
4.2.2逆接件需号.图示如下:
4.2.3标记示例
JG/T5072.3—1996
变形号:A表示底面折边导轨用:底面直边导执购省略
主数代号:配用导轨单重量,kg/m型式代号,S表示机械如工皮型实心连接件:K表示冷驾成型空心连接件
账组代号:连捷件
.5kg/m起面肖边对重用空心导扰:导轨TK5JG/T5072.3
h3kg/m医面折议对查用空心导轨:导轨TK3AJG715072.3
c导轨TK5用冷弯成型空心连接件:连接件1K5JG/T502.3
d.导快TK3A用机械加工实心连接件:违接件LS3AJG/TS072.3
4.3绿数
4. 3.1孕轨型号与技术参数见,表 1.表1
导势未要尺寸季数见表2。
100±2
JG/T5072.3-199E
续表2
o, 2n
图「导靳带蓄面与连接件孔位尺寸4.3.3寻轨的长鹿单位用mm表示,公差为士3mm,25
JGT5072.3
图2空心至图与实心(中图连件截与接件立尺寸4.3.4注接性尺寸与导获、连据件孔位尺寸争数及公差见表3.4.3.5导势两端5mm内的项山与争向面充许有不大于0.5mm均三成细新度。3
LK3(LS3)
LKS(LS5)
LK8(LSB)
I.KJA(L.SA.)
I.K5ATLS5A)
5接术要求
±0, 3
5.1导轨宜肌冷乳优质钢板,执拉强度不应小于3?UMPs连选件强度不应低于导轨材料避度要求52导熟应采用待变有式制作基本长度为5.空心连接件应深用冷方式刷作,实心连赛件宜采币机械加工方式制作。
5.3导轨与连接件不允许有裂款、价痕、毛刺和享他缺陷,镀锌层不允许有起皮、起瘤与脱落现象,巴面处黑嘛点每米长度内不超过5处,且总而!十趋过:cm。5.4导链导向血与顶而纵应或横向表粗整度均为,%5.3。5.5逆传件连接而表匹组度为R12.5m.5.6导就预而与导向而全长范围内抢导轨长度力可的直线度不应大了2.0mm,如图357导教导向全长及任何距为1的划妞度不应大1.0m,图45.8导端面对同侧20m长度内底收间的重直度不应大于3.3.图,导快底询两边对导向面心线的乘白度不应上于0.30mm,如图5.5.9导轨两常各200mm5度内导向面中心线对导热,来平面的垂直度不应大乎0.20a5.加了JG5072.31996
5.10连接件同侧=个连接面垂变不应大于1.0mL如图8:2.G
围3顶面与导尚面有线度
图5端面对平面垂度
图?导向面心找对心部平面的乘卓度6试验方法
图4导向面扭度
(实线与双点线为相对扭曲
度最大的2个错载面的图
围6席面端边对孕间面中心线垂真度图8连接同侧连接面垂直度
右.1外视质量检查,在光照医亮的紊件下,对试许进行日测检查,并记录嵌跑情况。6.2表面拍度测定应采用测量持度不k卡土20%的相精度检查仪进行测量石.3导轨直线度与扭由度弟检测应长度大于5n.度为不低于三级的检测平台上进行,性测T
JG/T 5072. 3
图9坐标测量
白9尺
标鹿平面
图垂直度测量
。坐标测量法,如图9所示,将导轨自出状态放盘在检测平台上,利平台侧平面基准.用可分表在导间面上下衡端得滑长度方向的形然曲线,相邻测点不大于10mm,在垒标经上慎坐标效导轨长度尺寸,纵坐标为百分表读值.对上、下两行测点分别连接曲载,用相间满则载小区域判别法(即害测曲线上的高低点与上、下包容线相间的兰点接魅时,则此包穿线构成的包容区或为最小区域)分别确定曲线的直线度,取其轻大值,即为导向面献测侧面的线度。回一横坐标上两条曲线测值的最人偏差与量最小偏差的登值绝对值即为被测面的伍曲虚,承轨两侧面作测值比较,取其最大值为误差查,端差比较法,导轨的被测表面自由状态放置在检测平台上,用总,07精度的差尺直接检测被h
JG/T5072.31996
表而与检测1价叫的最大间原,即为该被测可面的直线度,司时在被测导向面的一瑞用准尺在图1所示的两边,测得的间限差值与另确作比较、的为导轨全长度的扭曲度。再月长为1、宽不小的有尺掌紧测面中间迁何位置,阿举再塞尺作测宜比较,取其金长和中间1m长度的扭曲最大值即为该面划出离,轮书侧询作润值比较,取其最大信误差值,C
且有计量检定个格与上述问举精度以上的检证工具,转合形径公差检漫原理的其他检测方法司等为效。
6.4垂查度冷测用直角尺为当准用案尺谢基。如图10所示对底前(或底边>的垂直度应用标准平面抗或准,
7检测分类与判定规则
1.1导针与连接件检检包括出!检检与孕式格验收类,7.11出厂检验色括工厂检验与出」交收复验,检验应在导轨制造厂里逆行7.1.2工厂检验由制造厂趋验部门进行,对受检件函杀进行检验,检验合格应加益检验个格标记。7.1.3型改检验应符合第±率与第5案的热定。7.2型式验验应让国家认可的质量监替检验机构负责选行。7.3凡属下列情记之-时应选行型式签验新产品或老产品转!4产的定塑鉴定b.
正式生产后.当综构,材料、工艺有较大改变,影响产品性能时:(。产品存“两年以上恢受生产时,d。国家质量监情机构提出选行地式挖将要求时,7.4抽方法
7.4.1出厂交收复验接G乃25中规定-次正常扫方案,并接特殊检查水平5-3走行,7.4.2型式检验采用随机拖伴方法,轴样基新不得少于15,抽取2根拉验。7.4.3袖样人负发现样品无代表性时,可重新盐样或拒绝抽样。了.5判定规则
7.5.1导转与连接件分别按表1与变5不合格分类各或进行检验,控验结果符合要求的,购判定该项合格,卢测判定该项为不合格
了.5.2出厂交收复验与型式趋整两按表6下执与迹接件量判荒的内容进行.分类各项均合格判为合格,否则判定为不合格。
本合格牙类
[5. 1 苯。抗拉性皮
5. 5 苯外现改敏等量
5.1去面粗教
,总菜直线度
5.7条把热度
1 5. 8.条
面垂克座
与, 5案
4.4. 2 条
4.4. 2条
「尺寸
不合陷分类
不音格分类
批量报收
或件数》
15--50
51-150
151--500
7.6其饱
JG5072.3—1996
继表 4
4. 4. 2杂 ± 尺寸
4. 4: 2 第免费标准下载网bzxz
+尺寸
4.4.3英长寸
4. 4. 4 条岛尺寸
64.4茶下
..条 L,尺
表5连链件不合格分类表
构勒内齐
3.1条抗拉烟度
J.3条外M被锌击量
5.5谈表面料精度
如尺守
4.4.4系,只
4. 4. 4 乘,尺]
4.4.4条尺
!4.4.4采L尺十
导较与连接件质量判定表
表与农5分类合格质量水平
排本大小
14:,11
了.6.1制避厂在生产过程中可自行采用查程序控制则基,但必额保近产品质欧符含本标难的规定。了.62需方可与谢造厂寻行商定拍样方案进行验收检查,或者根据具林使历要改增切或减少抽查项.
7.6.3验收不合格已拆收的该批产品,制造厂必频经过分类或修整,才能重新提交验收,日标志,包转、运物,贮存
B.1标志
产品标牌成勾括下列内案,
产品名称,型号:
b.标准缩兮;
c厂名、商标;
d.出厂日。
82包装,运箱
JG/T50/2.3—1996
82.1产品的包装运输应符合GB191的规定82.2短资运拖采月简总包装外,导轨间及与包装箱底成固定应可靠,应防上证形及碰摘换物,包装箱应药雨,气。
8.3些存
导轮应放在干爆通区举内,底部应上平特间隔支手炭梁附加说明,
本标准由建设部标准定额研究所提出:本标准函机撼设备与车辆标确技术归口单位北京注筑机械综合研究所归口。木标准白中国生筑科学研究统筑机板化研究所、首钢电梯厂负声起节本标起草人张国顿,李长玺。
本标准委托中国建筑科学研究院理筑机融化砺究所负责解释。
小提示:此标准内容仅展示完整标准里的部分截取内容,若需要完整标准请到上方自行免费下载完整标准文档。
标准图片预览:





- 其它标准
- 热门标准
- 建筑工业行业标准(JG)
- JG/T347-2012 聚碳酸酯(PC)实心板
- JG/T403-2013 辐射供冷及供暖装置热性能测试方法
- JG139-2001 吊挂式玻璃幕墙支承装置
- JGJ2-1979 工业厂房墙板设计与施工规程
- JG/T230-2007 预拌砂浆
- JGJ/T212-2010 地下工程渗漏治理技术规程
- JGJ255-2012 采光顶与金属屋面技术规程
- JGJ321-2014 点挂外墙板装饰工程技术规程
- JG/T338-2011 建筑玻璃用隔热涂料
- JGJ72-1990 高层建筑岩土工程勘察规程JGJ72-90
- JGJ36-1987 宿舍建筑设计规范JGJ36-87
- JGJ/T13-1994 设置钢筋混凝土构造柱多层砖房抗震技术规程JGJ/T13-94
- JGJ132-2001 采暖居住建筑节能检验标准(附条文说明)
- JG/T188-2006 混凝土节水保湿养护膜
- JGJ113-2003 建筑玻璃应用技术规程(附条文说明)
- 行业新闻
请牢记:“bzxz.net”即是“标准下载”四个汉字汉语拼音首字母与国际顶级域名“.net”的组合。 ©2025 标准下载网 www.bzxz.net 本站邮件:bzxznet@163.com
网站备案号:湘ICP备2025141790号-2
网站备案号:湘ICP备2025141790号-2