- 您的位置:
- 标准下载网 >>
- 标准分类 >>
- 国家标准(GB) >>
- GB 4728.4-1985 电气图用图形符号 无源件
标准号:
GB 4728.4-1985
标准名称:
电气图用图形符号 无源件
标准类别:
国家标准(GB)
标准状态:
已作废-
实施日期:
1986-01-01 出版语种:
简体中文下载格式:
.rar.pdf下载大小:
217.44 KB
替代情况:
被GB/T 4728.4-1999代替采标情况:
IEC 617.4 NEQ
部分标准内容:
中华人民共和国国家标准
电气图用图形符号
无源元件
GraphicalsymbolsforelectricaldiagramsPassive components此内容来自标准下载网
本标准规定了绘制各种电气图用的无源元件图形符号。GB4728《电气图用图形符号》国家标准包括以下13个部分:GB 4728.1—85
GB 4728.2—84
GR4728.3—84
GB 4728.4—85
GB4728.5—85
GB 4728.6--84
GB 4728.7—84
GB 4728.8—84
GB 4728.9—85
GR 4728.10—85
GB4728.11—85
GB4728.12—85
GB 4728.13- - 85
符号要素、限定符号和常用的其他符号导线和连接器件
无源元件
半导体管和电子管
电能的发生和转换
开关、控制和保护装置
测量仪表、灯和信号器件
电信:交换和外阖设备
电信:传输
电力、照明和电信布置
-进制逻辑单元
模拟单元
UDC 621.316.7/.9
.012:003
.62/.63
GH 4728.4—85
代替GB312-64
本标准的制订参照果用了国际标准[EC6174《绘图用形符号第4部分:无源元件》。电阻器、电容器和电感器
t.1电阻器
040101
04 - 01 - 02
4 - 11 - 03
优选形
其他形
图形符号
国家标准局1985-05-15发布
中阴器般密马
可变电阻器
洲电器
1986-0101实施
04 - 1 04
04- 01:05
4 - 01 - 06
04 - 01 - 07
04 - 01 - 09
04 - 01 - 10
04 01- 11
04-01-12
04 - 01 - 13
04 - 01 - 14
04 01 15
04 - 01 - 16
图形符号
GB 4728.4—B5
沃敏电阻器
变阻器
法,可以用代择
热敏电阻器
注,中可以用化些
0.125w电阻器
0.25W电阻器
0.5W电阻器
1W电阻器
往,大上1研电阻器邹用阿拉伯数字表示熔断电阳器
滑线式变阻器
格滑动触点和断开位睾的电阻器荫个固定抽头的电阻器
注,可增加或减少格头数目
两个固定抽头的可变电阻器
往,司04-01-13的注
分路器
带分流和分压接线头的电阻器
碳堆电阻器
04 - 01 - 17
04 - 01 - 1A
04 - 01 - 19
04 - 01 - 20
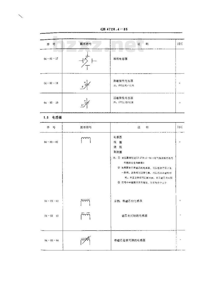
1.2电容器
04 - 02 - 01
04 - 02 - 02
04 - 02 - 03
04 - 02 - 04
0402-05
04- 02- 06
图形符号
图形符号
优选形
GB 472. 4 --4 5
加热元件
滑动触点电位器
带开关的滑动触点电优器
预调电位器
其他形
电容器一般特号
注。如果必须分辨同一电容器的电极时,双形的极版表求,()在固定拍纸介质博整介质电客器中表示外电摄②在可调和可变的容器中表示动片电极图在学心电容器中表示统电位电圾享心电容器
极性电容器
04- 02:07
04 - 0208
-4 -- 02 - 09
C4 -02-1
4 - 02 -- 11
040212
0 - 112 - 13
24 - (2 - j
0 - 02 - 15
04- 02-16
优选彩
图形符号
GB 4728.4—85
其他形
可变史容器
可调电容器
双联调可变电容器
江:可增加回调求数
微调电容器
养动可变电奔器
分裂定片可变电容器(蝶形电弃器)lEc
04— 02 — 17
04 - 02 - 18
0402:19
1.3电感器
04 - 03 — 01
04-03U3
14 - [3 - 04
图形持号
图形符号
GB 4728.4--85
移柜电客器
热敏极生电登器
社,可以用代样
压敏极性电塞器
。而以用
电感器
抢流圈
注,①变压器晓码贝GE4728,6-时电气图用率形待号未能的发生和转赖》
学如莫婴表示带递芯的电娠器,可以在该效号十层:一柔线。这条践可以带当释。司医指术非策性财料。并且这萧线可以断计回、天示盛达有减陷③符号户半圆数H不忙规室,不步少十兰个示例:带磁芯的电感器
燃芯有阅际的电腾器
带磁芯连续可调的电感器
04 - 1 - 6
0: - 03- 117
0: - 03 - 08
04 - 03 - C9
阁盼符号
2铁氧体磁芯和磁存储器矩阵
2.4符号要素
阁符号
04 - 01 - 01
04 -04 02
04 - 0-1 - 03
GB 4728-4-85
有即个抽头的电感器
法:({岛增泥或减少抽头数上
报头可在外则十交点处出
步进移动触点的可变电感器
可变电感器
苦磁心的尚轴护流医
学在导线上的磁珠
铁氧体磁芯
盛通·电谢方向指示行
这个符号表示水平线垂直通过磁芯符弓,代表个虚芯绕组,问时它还指旧息淤与磁通的方向关系
汇:这个待号对平面表承本适里·个绕组的铁氧体磁芯
斜线可以被认为足反射器,显示出电流与磁通方向的关系,如下图所示,
04 -- 0403
2.5铁氧体磁芯
04:05-01
04 - 0: - 02
图彤符号
图形等号
2.6磁存储器短阵(平面表示)
GB 4728.4 -- 85
避通+
为绘图方便,即使磁路上没有绕组,也往往犯友示导体的线条绘或穿过磁芯符号。除,严血表示外,在所有情况下,当直线遵过磁芯符表示绕组脏,斜线必须画出
示例:
(1)等连磁芯符号的导体
(2) 统在体芯上的绕组
五个绕组的铁氧休磁芯
江, 可附加关下也疏方向。电流对成的悔度以及白制避状志决定的逻辑状态等方面的信息一个叫随线关然组的铁载住酸芯JEC
0406-01
图形符号
3压电体、驻极体和延迟线
3.7压电品体和驻极体
04 - 07 01
04 - 07 - 02
007·3
04 - 07 - 04
图形符号
GB4728.4-85
具有X行。列绕组与一个读出绕组的铁氧体磁芯矩阵。示出铁氧休磁芯符号04 -0401号成半面成5
由薄膜磁芯存储器固定在海膜布线层之间构成的矩阵
其有两个电极的乐电晶体
其有三个电极的压电晶体
具有两对电极的压电晶体
其有电极和连接的驻极体
注:较长的线表示正极
3.B延迟线
4 - 08 - 01
0408 - 02
04 - 08 - 03
04 - 68 - 64
图形符号
GB 4728.4—85
具有绕组的磁致冲缩延迟线。在集中表示法示出个组
江,绕组符号取间可以根帮毒要而定具有绕组的磁致伸缩延迟线。在分敏表示法不出个输人端和两个输出端
输人端
具有50ms延迟中间输山端
具有10s延迟最终输出端
冠延退线
延迟线和延迟单元的方框符号
04 - ( - 01
- 09 -
409[13
图彤符号
ineμs
乐电传感的固达材料延迟线
延试线般荐号
延退单用随荐号
具在-个输人端和分别为50115、100μ期个输瑞端的学致他缩延迟线
同轴延返线
0.1 - 19 - 04
04 - 09n5
14 - 0995
0409-07
附加说明:
阁形符号
GB 4728.4-85
具有服电传感的水银延迟线
仿真延退线
翘声延迟线
司变延迟线
本标准由中华人民共和国电子工业部提出。本标准出全国电气图形符号标准化技术委员会归口。本标准由电子工业部标准化研究所负责起草。IE
小提示:此标准内容仅展示完整标准里的部分截取内容,若需要完整标准请到上方自行免费下载完整标准文档。
电气图用图形符号
无源元件
GraphicalsymbolsforelectricaldiagramsPassive components此内容来自标准下载网
本标准规定了绘制各种电气图用的无源元件图形符号。GB4728《电气图用图形符号》国家标准包括以下13个部分:GB 4728.1—85
GB 4728.2—84
GR4728.3—84
GB 4728.4—85
GB4728.5—85
GB 4728.6--84
GB 4728.7—84
GB 4728.8—84
GB 4728.9—85
GR 4728.10—85
GB4728.11—85
GB4728.12—85
GB 4728.13- - 85
符号要素、限定符号和常用的其他符号导线和连接器件
无源元件
半导体管和电子管
电能的发生和转换
开关、控制和保护装置
测量仪表、灯和信号器件
电信:交换和外阖设备
电信:传输
电力、照明和电信布置
-进制逻辑单元
模拟单元
UDC 621.316.7/.9
.012:003
.62/.63
GH 4728.4—85
代替GB312-64
本标准的制订参照果用了国际标准[EC6174《绘图用形符号第4部分:无源元件》。电阻器、电容器和电感器
t.1电阻器
040101
04 - 01 - 02
4 - 11 - 03
优选形
其他形
图形符号
国家标准局1985-05-15发布
中阴器般密马
可变电阻器
洲电器
1986-0101实施
04 - 1 04
04- 01:05
4 - 01 - 06
04 - 01 - 07
04 - 01 - 09
04 - 01 - 10
04 01- 11
04-01-12
04 - 01 - 13
04 - 01 - 14
04 01 15
04 - 01 - 16
图形符号
GB 4728.4—B5
沃敏电阻器
变阻器
法,可以用代择
热敏电阻器
注,中可以用化些
0.125w电阻器
0.25W电阻器
0.5W电阻器
1W电阻器
往,大上1研电阻器邹用阿拉伯数字表示熔断电阳器
滑线式变阻器
格滑动触点和断开位睾的电阻器荫个固定抽头的电阻器
注,可增加或减少格头数目
两个固定抽头的可变电阻器
往,司04-01-13的注
分路器
带分流和分压接线头的电阻器
碳堆电阻器
04 - 01 - 17
04 - 01 - 1A
04 - 01 - 19
04 - 01 - 20
1.2电容器
04 - 02 - 01
04 - 02 - 02
04 - 02 - 03
04 - 02 - 04
0402-05
04- 02- 06
图形符号
图形符号
优选形
GB 472. 4 --4 5
加热元件
滑动触点电位器
带开关的滑动触点电优器
预调电位器
其他形
电容器一般特号
注。如果必须分辨同一电容器的电极时,双形的极版表求,()在固定拍纸介质博整介质电客器中表示外电摄②在可调和可变的容器中表示动片电极图在学心电容器中表示统电位电圾享心电容器
极性电容器
04- 02:07
04 - 0208
-4 -- 02 - 09
C4 -02-1
4 - 02 -- 11
040212
0 - 112 - 13
24 - (2 - j
0 - 02 - 15
04- 02-16
优选彩
图形符号
GB 4728.4—85
其他形
可变史容器
可调电容器
双联调可变电容器
江:可增加回调求数
微调电容器
养动可变电奔器
分裂定片可变电容器(蝶形电弃器)lEc
04— 02 — 17
04 - 02 - 18
0402:19
1.3电感器
04 - 03 — 01
04-03U3
14 - [3 - 04
图形持号
图形符号
GB 4728.4--85
移柜电客器
热敏极生电登器
社,可以用代样
压敏极性电塞器
。而以用
电感器
抢流圈
注,①变压器晓码贝GE4728,6-时电气图用率形待号未能的发生和转赖》
学如莫婴表示带递芯的电娠器,可以在该效号十层:一柔线。这条践可以带当释。司医指术非策性财料。并且这萧线可以断计回、天示盛达有减陷③符号户半圆数H不忙规室,不步少十兰个示例:带磁芯的电感器
燃芯有阅际的电腾器
带磁芯连续可调的电感器
04 - 1 - 6
0: - 03- 117
0: - 03 - 08
04 - 03 - C9
阁盼符号
2铁氧体磁芯和磁存储器矩阵
2.4符号要素
阁符号
04 - 01 - 01
04 -04 02
04 - 0-1 - 03
GB 4728-4-85
有即个抽头的电感器
法:({岛增泥或减少抽头数上
报头可在外则十交点处出
步进移动触点的可变电感器
可变电感器
苦磁心的尚轴护流医
学在导线上的磁珠
铁氧体磁芯
盛通·电谢方向指示行
这个符号表示水平线垂直通过磁芯符弓,代表个虚芯绕组,问时它还指旧息淤与磁通的方向关系
汇:这个待号对平面表承本适里·个绕组的铁氧体磁芯
斜线可以被认为足反射器,显示出电流与磁通方向的关系,如下图所示,
04 -- 0403
2.5铁氧体磁芯
04:05-01
04 - 0: - 02
图彤符号
图形等号
2.6磁存储器短阵(平面表示)
GB 4728.4 -- 85
避通+
为绘图方便,即使磁路上没有绕组,也往往犯友示导体的线条绘或穿过磁芯符号。除,严血表示外,在所有情况下,当直线遵过磁芯符表示绕组脏,斜线必须画出
示例:
(1)等连磁芯符号的导体
(2) 统在体芯上的绕组
五个绕组的铁氧休磁芯
江, 可附加关下也疏方向。电流对成的悔度以及白制避状志决定的逻辑状态等方面的信息一个叫随线关然组的铁载住酸芯JEC
0406-01
图形符号
3压电体、驻极体和延迟线
3.7压电品体和驻极体
04 - 07 01
04 - 07 - 02
007·3
04 - 07 - 04
图形符号
GB4728.4-85
具有X行。列绕组与一个读出绕组的铁氧体磁芯矩阵。示出铁氧休磁芯符号04 -0401号成半面成5
由薄膜磁芯存储器固定在海膜布线层之间构成的矩阵
其有两个电极的乐电晶体
其有三个电极的压电晶体
具有两对电极的压电晶体
其有电极和连接的驻极体
注:较长的线表示正极
3.B延迟线
4 - 08 - 01
0408 - 02
04 - 08 - 03
04 - 68 - 64
图形符号
GB 4728.4—85
具有绕组的磁致冲缩延迟线。在集中表示法示出个组
江,绕组符号取间可以根帮毒要而定具有绕组的磁致伸缩延迟线。在分敏表示法不出个输人端和两个输出端
输人端
具有50ms延迟中间输山端
具有10s延迟最终输出端
冠延退线
延迟线和延迟单元的方框符号
04 - ( - 01
- 09 -
409[13
图彤符号
ineμs
乐电传感的固达材料延迟线
延试线般荐号
延退单用随荐号
具在-个输人端和分别为50115、100μ期个输瑞端的学致他缩延迟线
同轴延返线
0.1 - 19 - 04
04 - 09n5
14 - 0995
0409-07
附加说明:
阁形符号
GB 4728.4-85
具有服电传感的水银延迟线
仿真延退线
翘声延迟线
司变延迟线
本标准由中华人民共和国电子工业部提出。本标准出全国电气图形符号标准化技术委员会归口。本标准由电子工业部标准化研究所负责起草。IE
小提示:此标准内容仅展示完整标准里的部分截取内容,若需要完整标准请到上方自行免费下载完整标准文档。
标准图片预览:





- 热门标准
- 国家标准(GB)
- GB/T11318.7-1996 电视和声音信号的电缆分配系统设备与部件 第7部分:放大器通用规范
- GB/T21666-2008 尿吸收辅助器具 评价的一般指南
- GB/T33049-2016 偏光片用光学薄膜 涂层附着力的测定方法
- GB/T5095.9-1997 电子设备用机电元件 基本试验规程及测量方法 第9部分:杂项试验
- GB/T68-2000 开槽沉头螺钉
- GB/T9978.1-2008 建筑构件耐火试验方法 第1部分:通用要求
- GB/T11982.2-1996 聚氯乙烯卷材地板 第2部分:有基材有背涂层聚氯乙烯卷材地板
- GB/T3103.1-2002 紧固件公差 螺栓、螺钉、螺柱和螺母
- GB/T24235-2009 直接还原炉料用铁矿石 低温还原粉化率和金属化率的测定 气体直接还原法
- GB/T19001-2016 质量管理体系 要求
- GB/T5750.2-2023 生活饮用水标准检验方法 第2部分:水样的采集与保存
- GB/T848-2002 小垫圈 A级
- GB/T20616—2006 烟花爆竹烟火药中铋含量的测定
- GB/T3098.1—2000 紧固件机械性能螺栓﹑螺钉和螺柱
- GB/T923-2009 六角盖形螺母
- 行业新闻
请牢记:“bzxz.net”即是“标准下载”四个汉字汉语拼音首字母与国际顶级域名“.net”的组合。 ©2025 标准下载网 www.bzxz.net 本站邮件:bzxznet@163.com
网站备案号:湘ICP备2025141790号-2
网站备案号:湘ICP备2025141790号-2