- 您的位置:
- 标准下载网 >>
- 标准分类 >>
- 航空工业行业标准(HB) >>
- HB 3118-2000 吊带
标准号:
HB 3118-2000
标准名称:
吊带
标准类别:
航空工业行业标准(HB)
标准状态:
现行-
发布日期:
2000-09-21 -
实施日期:
2001-01-01 出版语种:
简体中文下载格式:
.rar.pdf下载大小:
2.41 MB
替代情况:
HB 3118-1987
部分标准内容:
中华人民共和国航空行业标准
国防科学技术工业委员会2000-09-20发布HB3118-2000
代替HB3118-1987
向缝合
2001-01-01实施
额定载荷
标准号
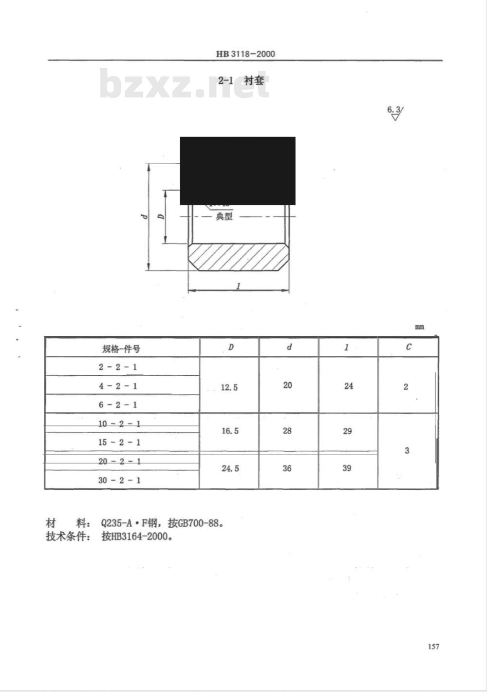
规格-件号
或规格
HB3118-2000
标记示例:
额定载荷F=2kN
2-2000x1000
HB1807-87
HB1803
标准号
规格-件号
或规格
L=2000mm
HB3118-2000
苎麻线
GB867-86
FZ66318
注:1L、1为100mm的倍数,长度由设计确定11
FZ/T25001
1=1000mm的吊带
HB3118-2000
亚麻布
纺349-57
GB68-85
216号件L2=2(1-11)+元B/2,7号件L=(L-1-11)+元B/2。7号件Li=(L-1-11)+元B/2,L2=2(1-1n)+B/2。技术条件:按HB3164-2000。
M10×35
定位件
GB6181-86
止动销
HB3162
12HFX60
16HFX80
24HFX100
开口销
GB91-86
小锁链
HB642-89
HB1807-87
规格-件号
HB3118-2000
料:Q235-A·F钢,按GB700-88。材
表面处理:镀锌钝化。
技术条件:按HB3164-2000。
其余12.5
规格-件号
表面处理:
技术条件:
镀锌钝化。
按HB3164-2000。
HB3118-2000
2接头
标准号
规格-件号
HB3118-2000
10-2-1
15-2-1
20-2-1
30-2-1
10-2-2
15-2-2
20-2-2
30-2-2
规格-件号
10-2-1
15-2-1
20-2-1
30-2-1
HB3118-2000
2-1衬套
材料:Q235-A·F钢,按GB700-88。技术条件:
按HB3164-2000。
10-2-2
15-2-2
20-2-2
30-2-2
技术条件:
Q235-A·F钢,按GB700-88。
按HB3164-2000。
规格-件号
表面处理:镀锌钝化。
技术条件:按HB3164-2000。
HB3118-2000
3接头
标准号
规格-件号
或件号
HB3118-2000wwW.bzxz.Net
10-3-1
15-3-1
20-3-1
30-3-1
10-3-2
15-3-2
20-3-2
30-3-2
规格-件号
10-3-1
15-3-1
20-3-1
30-3-1
HB3118-2000
3-1村套
材料:Q236-A·F钢,按GB700-88。技术条件:按HB3164-2000。
规格-件号
10-3-2
15-3-2
20-3-2
30-3-2
技术条件:
HB3118-2000
3-2弯板
Q235-A·F钢,按GB700-88。
按HB3164-2000。
规格-件号
30 - 4
表面处理:
技术条件:
HB3118-2000
4定位件
Q235-A·F钢,3
按GB700-88。
镀锌钝化。
按HB3164-2000。
小提示:此标准内容仅展示完整标准里的部分截取内容,若需要完整标准请到上方自行免费下载完整标准文档。
国防科学技术工业委员会2000-09-20发布HB3118-2000
代替HB3118-1987
向缝合
2001-01-01实施
额定载荷
标准号
规格-件号
或规格
HB3118-2000
标记示例:
额定载荷F=2kN
2-2000x1000
HB1807-87
HB1803
标准号
规格-件号
或规格
L=2000mm
HB3118-2000
苎麻线
GB867-86
FZ66318
注:1L、1为100mm的倍数,长度由设计确定11
FZ/T25001
1=1000mm的吊带
HB3118-2000
亚麻布
纺349-57
GB68-85
216号件L2=2(1-11)+元B/2,7号件L=(L-1-11)+元B/2。7号件Li=(L-1-11)+元B/2,L2=2(1-1n)+B/2。技术条件:按HB3164-2000。
M10×35
定位件
GB6181-86
止动销
HB3162
12HFX60
16HFX80
24HFX100
开口销
GB91-86
小锁链
HB642-89
HB1807-87
规格-件号
HB3118-2000
料:Q235-A·F钢,按GB700-88。材
表面处理:镀锌钝化。
技术条件:按HB3164-2000。
其余12.5
规格-件号
表面处理:
技术条件:
镀锌钝化。
按HB3164-2000。
HB3118-2000
2接头
标准号
规格-件号
HB3118-2000
10-2-1
15-2-1
20-2-1
30-2-1
10-2-2
15-2-2
20-2-2
30-2-2
规格-件号
10-2-1
15-2-1
20-2-1
30-2-1
HB3118-2000
2-1衬套
材料:Q235-A·F钢,按GB700-88。技术条件:
按HB3164-2000。
10-2-2
15-2-2
20-2-2
30-2-2
技术条件:
Q235-A·F钢,按GB700-88。
按HB3164-2000。
规格-件号
表面处理:镀锌钝化。
技术条件:按HB3164-2000。
HB3118-2000
3接头
标准号
规格-件号
或件号
HB3118-2000wwW.bzxz.Net
10-3-1
15-3-1
20-3-1
30-3-1
10-3-2
15-3-2
20-3-2
30-3-2
规格-件号
10-3-1
15-3-1
20-3-1
30-3-1
HB3118-2000
3-1村套
材料:Q236-A·F钢,按GB700-88。技术条件:按HB3164-2000。
规格-件号
10-3-2
15-3-2
20-3-2
30-3-2
技术条件:
HB3118-2000
3-2弯板
Q235-A·F钢,按GB700-88。
按HB3164-2000。
规格-件号
30 - 4
表面处理:
技术条件:
HB3118-2000
4定位件
Q235-A·F钢,3
按GB700-88。
镀锌钝化。
按HB3164-2000。
小提示:此标准内容仅展示完整标准里的部分截取内容,若需要完整标准请到上方自行免费下载完整标准文档。
标准图片预览:





- 其它标准
- 上一篇: HB 3117-2000 横销
- 下一篇: HB 3131-1987 包胶铝外伸轮(装轴承)
- 热门标准
- 航空工业行业标准(HB)
- HB/Z5091.4-1999 电镀铬溶液分析方法 硝酸根的定性分析
- HB5556-1983 柱面弯管接嘴
- HB7779-2005 形状和位置公差检测方法的一般要求
- HB7791-2005 飞机千斤顶类型、基本参数和技术要求
- HB4583-1992 工具用铣刀 六齿立铣刀槽铣刀用样板和校对样板 检测 HB 4582-92 槽铣刀用
- HB6497-1991 航空气动式座舱压力调节器通用规范
- HB5220.32-2008 高温合金化学分析方法 第32部分:硫氰酸盐吸光光度法测定钨含量
- HB5220.34-2008 高温合金化学分析方法 第34部分:氯代磺酚C吸光光度法测定铌含量
- HB6028-6030-2008 21MPa无扩口过隔板带密封垫圈三通管接头
- HB4365-1989 X形推板
- HB782-1973 1~8级精度用非全形单头带柄光面塞规D>80~180mm
- HB5220.38-2008 高温合金化学分析方法 第38部分:萃取分离-偶氮胂Ⅲ吸光光度法测定铈含量
- HB5220.22-2008 高温合金化学分析方法 第22部分:硫氰酸盐吸光光度法测定钼含量
- HB5622-1981 航空用非线绕电位器通用技术条件
- HB5625-1983 光杆公差带r6抗剪型90°沉头高锁螺栓
- 行业新闻
请牢记:“bzxz.net”即是“标准下载”四个汉字汉语拼音首字母与国际顶级域名“.net”的组合。 ©2025 标准下载网 www.bzxz.net 本站邮件:bzxznet@163.com
网站备案号:湘ICP备2025141790号-2
网站备案号:湘ICP备2025141790号-2