- 您的位置:
- 标准下载网 >>
- 标准分类 >>
- 国家标准(GB) >>
- GB/T 4273-2000 分节驳术语
标准号:
GB/T 4273-2000
标准名称:
分节驳术语
标准类别:
国家标准(GB)
英文名称:
Terminology for Sectional Barge标准状态:
现行-
发布日期:
2000-08-28 -
实施日期:
2001-07-01 出版语种:
简体中文下载格式:
.rar.pdf下载大小:
1.27 MB
标准ICS号:
造船和海上建筑物>>47.080小型船中标分类号:
船舶>>船舶综合>>U04基础标准与通用方法
替代情况:
GB/T 4273-1984
部分标准内容:
[CS 01. 040. 47
中华人民共和国国家标准
GB/T4273--2000
分节驳术语
Terminology of integrated barge2000-08-28发布
2001-07-01实施
国家质量技术监督局发布
WGB/T4273-2000
本标准是根据市场经济的发展,对CB/T4273-1984\分节驳名词术语3边行修订,并增加了管理和游运等方面的词条。
本标准白生效之日起代替GB/T4273—1984,本标推的求A,脏录B都是提示的附录。本标雅由中华人民共和国交通部摄出。本标准由全函内河船标准化技术委员会归口。本标准起幸单位:长江船舶设计院,本标准主要起草人;工彩当、胡毅。1范围
中华人民共和国国家标准
驳术语
Terminology of integrated bharge本标准规定了分节驳常用的术语,GB/T 4273-:2000
代GH/4273—1984
不标准适用于与分节驳有关的设计,科研、生产检验,使用、管理和激学等领城2引用标准
下列标准所包含的条文,通过在本标准中引用而树感为本标准的案文,木标准小版时,所示版本均为有效。所有标准郁会被参讨,使用本标准的各方应探讨使用下列标准最新版本的可能性。/18242+1--1987船体设备术语船用装受JT/T 401--1999长江半分节驳队综队队形3定义
本标催采用下列定义。
3.1分节驻
3. 1. 1分节驳 inlegrated barge也首、尾验节剪中间加人若于箱形驳芯相互联结而纽成的运输骏全分节驳fully integrated barge3.1.2
在首、民驳节间加人若下(最少一个)箱形驳节的分节驳。半分节骏semi-integratedharge3.1.3
仅由首,尾驳节组成的分节聚船。聚节unitbarge
组成分节驳的单元体,有首驳节,尾敢节及糖形鼓节三种。通带甲板乎面的外轮哪为长方形,首驳节前端部和尾驳节后端部均具有简易摄形线型,而端及中间驳节的两端足方箱形的单为体。
3. 1. 5 首驳节 bow unit barge位于分节驳首端的驳节。
尾骏节gtern unlt harge
位于芬节驳尾端的驳节。
箱形骏节boxghapedunitbarre
在会分节驳中位于首,尾驳节之问的驳节。驳节平面尺度planedimensfonsofunltbarge驳节甲板的水平长度与宽度。
驳节首bow of unit barge
首是版节的痛体端。
国象质量技术监督局2000-08-28批准2001 07 01实施
W3.3.10毅节尾stern of nit barge首尾驳节的箱形端。
CB/T 4273---2000
尾底削高度 cut-oft eight of slern驳节尾部舶底纵问料升面和鼠垂线的交点至基线的高度,见,图1,3-112
尾底判长度tut-fengthfsterr
酸节尾部船底纵向引面在基线的起点至尾垂线的距离,见图[。尾封板沉深ironcrseldeputofslerniransum3.1. 13
驳节尾封板的最低点至设计求线的距离·见阈1。3. 1. 14
尾封板收进lean-ferward valuc f stern transom驳书尾封板延使间与基线的变点至姥垂毁的跑离,见1,3.1.15
斜首高度hcighi of bowrake
驳节首倾斜部分的商度,见图1
斜首长度length of how rukc
较节首倾斜部分的水长度,见图。斜菌圆弧半径rake radiug
驳节凸倾斜部分的大圆孤半径.见图1。书居都
酒豆吧
易封板收进值。
民底微长度
设计水线
节音部
斜音长度
胶节背密脂型要素
首半径hilgeradius of bow
教节前部横部面上部阅弧半径。3.1.19
钟燃半径 hilge ranius nf midshin驳节肿慎剖面处的册部两孤半径。3.1.20半分节甲板驳semi-integrated deck barge主甲板是载货的半分节驳。
半分节半舱驳scmi integrated we dcek barge生串板上有下凹载货甲板的半分书驳,3.1.22
半分节舱口驳semi-inlegrated large opening harge等藜具
有分痫的货舱和抢斤,货物装在舱口内的半分节驳。分存盖和无舱两种。半分节槽型驳semi-integrated truugh hurge3.1.23
有直适的贷舱和轮口,两感设意肉抢壁和内疾形戒增型整,贷物装在楷型舱降的半分节驱。3.1.24
半分节化学品wemi-interratedchemiealburge装载化学品的半分节驳。
WG/T 4273—2000
半分节油驳semi-integrated nil harge3. 1.25
装载原滴和成品迪的半分节骏。半分节双壳驳 semi-integrated double-skin barge3. 1. 26
兵有双邀懒,效层底的半分节驳。3.2分节驳队
3.2.1全分节驳队
fully integrated (burge )fleet由全分节娶组成的驳队。
senni-integrated (harge)fleet半分节驳欧
出半分节驳經成的驳队。
金分节骏队fullyintegrate(barge)unlttew出推船和全分节驳队组成且推船在驳队部预推航行的船队,3.2.4半分节驳船队:semi-integraled(barge)unt lnw由推船倒华分节驳瓯组成月推解在驳队尾部项推航行的船既。3.2.5
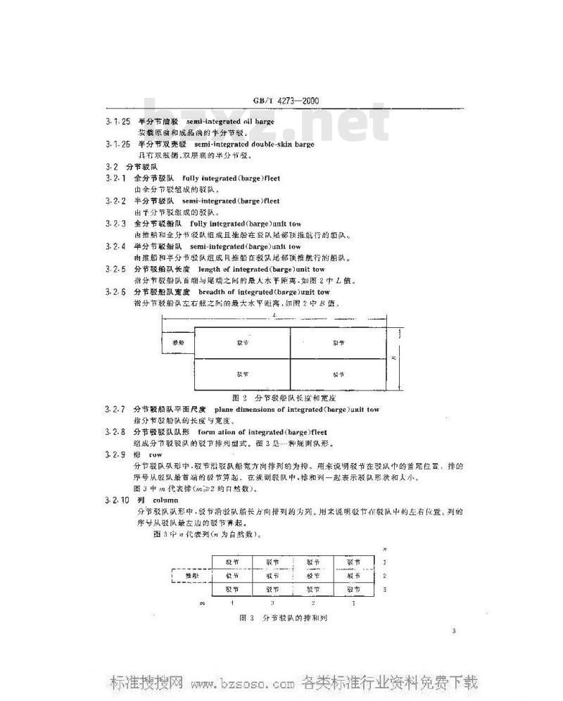
分节驳船队长度lengten of integrited(barge)unif tow指分节驳船队首端与尾端之闻的最人水平距离-如图2中L值。3.2. 6
分节驳船队宽度breadth ef integrated(hirge)uit tow指分节驳船裂左右航之阿的最大水平吡离,如图 2 中 B值,恭船
图2分节驳船瓯长度和宽度
3.2.7分节骏船队平面尺度
plane dimensions of integrated(harge)unit tow指分节驳船队的长度与宽度。
3. 2.8分节驳驳队队形form ation f integruted(harge)fleet组成分节驳驳队的驳节排列型式。图3…种规则纵形。3. 2. 9
排Fuw
分节驳队以形中.驳节驳认船觉方向排列的为排,用米说朔驳节在驳鼠中的善尾位置,排的序号从较既垦首端的驳节算起。在娠则教队中,排和列一起表示驳队形状和人小。图3中 m代表排(m≥2 的然数)。3.2.10列column
分节驳既纵形中,驳节沿骏队船长方向排列的为列。用来说明驳节在驳队中的左右拉置。列的序专从驳队最左近的驳节算起。图代表列(为白然数)
分节驳既的排利列
WGB/T 42732000
一到式分节驳聚队integrated(harec)flectinine当 n一1,m2-2 的自然数的分竹驳驳队双列式分节驳驳队integruted(barge)rleet in twin cofumns3.2.121
当2,m2的然效的分驳版队
多列式分书驳驳队 inlegrated(harge)fleet in multiple columns3.2-13
当可这3,m2的自然数的分节驳驳以。3. 3 分节驳船致队形及顶推方式分节驳船队形formation of integrated(barge)unt tow3. 3.1
推船与分背骏驳组或的船似队形。合分节骏队以形forntationafmixedintegreted(harge)unittow3. 3. 2
t推船和不间尺度的数节组成的船队队形。半分节驳船队继以队形formallonotBemiintegrated(barge)unittow3. 3. 3
半分节较驳节和推骼的排列形式。3. 3. 3. 1
单元骏组 two-groupen unit harge首民龄节箱形端捐迹的一组同型半分节较。3. 3 3- 2 规则队形reguliar furmixtiun由若干单元毁继成矩形平面的半分节驳队形(JT/T401—1999)。3. 3. 3. 3
非想剑队形lrreularfurmetion
除规刻队外的半分节驳队形,如奇数据队形或者非矩形平雨队形(JT/T401—190.3. 3.4
正顶push on centre
推解位于分节驳拟尾端中间的质推方式,如图4。驳节
偏顶pashoffcentre
图4正项
推船位舞不在分节毁队据端中阅的须推方式,如图5。推船
3.4性能发相关要率
resistance nf unit harge
3.4.1驳节祖力
驳节运动时的水既方。
图5编项
分节驳骏队阻力resisianceof integrntedcbargsrlect3.4.2
分节激轻纵运动时的水阻方。
3. 4.3分节驳船拟阻力reaistance uf integrated(harge)unit tow分节驳船队运动时的水阻力:
骏节间连换阻力reststansce duete connectionof unitbarges3.4.4
分节驳船队运动时,轻间医成的滞水区雨产生的水阻力。3.4.5分节酸骏队湿表面面积wetted surface areaof integrated(harge)rleet分节竖毁队各驳节表面面积扣除水下重登部分后的总和,骏节
WGB/T42732000
wake fraction of integratedCharge)unit tow3.4.6
6分节蜕船队伴流分数
船队运动时,船队的伴流对螺旋桨进流速度的影响系数。3.4.7
分节驳船队连接刚性cosunectiunrigidilyofiotegrated(barge)uninlow分节驳船队在直线航行时驳节篇离推解中心的度。用各驳节中心线与推船中心线的最大炎角米衡蓝。
3. 4. 8驳节间相对偏角 axial devinting aogle lbetween fare anid ar unit barges分节驳船队航行时前后两驳节中心綫的夹角。3.4.9
驳节间相对升沉值relativebeavingvalueamongnitbarges分节驳驳队中各驳节间垂向的相对运动制度,3.5顶推、系结、航行设备
3.5、1 预推设备pughing arrangement在推船上专设为带动分节驱认作运赖作业、辅助操纵和其他作业的设备统称。主妥设备有项推架,项推杜、系结缆桩,系结羊角、紧织机械、系结娩囊等。推架式系结 towkneetype linkage3.5.2
血顶推架和承推材传递推力,形以主、交受频约束船队队形的项推系结方式。3-5.3
无缆系结ropelesslinkage
推船和被推驳间,除缩案(钢紫、纤维素)以外的各种系结的统称。3.5.4 系缩设备cnnnecting eguipment使驳节与驳节或驳节与推船联结成一整体的设备,由系结缆桩、系结羊角、紧缆机械、钢索和纤维索等组成。
3.5.5系结方式conneetingtype
谁船与分节驳队或驳节与驳节间联结成一整体队形时采用的方式。一般有缆素系结方式,机械系结方式,如柱连接、T 形连接等。6顶维架towknee
推船曾端及驳节端部传递推力的扎藥结构。3. 5. 7
承推染pushed Leam
设于竖节踏部,专用了传递推力和防撞的水心或竖向构件:3. 5. 8
顶推肘撑towingknee
设于驳节端部左右,其中心线与项推架中心线重合有一-定愈度由钢板组减,类似于三角射板的淳材构件。
3. 5. 9主绒main push-towitng rope按GB/T8242.1—1987中4.7,即项推系结部件中,保持项推船队联结、承妥一定预张力和回航时拉力的缆案。
3. 5. 10 操级缆 pushi-towing steering Trope按GH/F 8242.1
1987 中 4. 8,即预推系结部作中,增加顶握邮队回转性能的系毙。3. 5. 11系结继桩connecting bitt固定在甲板上,用以系驳节与骏节或竖节与推船连接缆绳的桃柱。一有滚动系结、系结羊冶、独桩,双十字桩等。
滚动系结缆桩rollerbit1
带有滚轮的系缓桩。当连接缆绷收紧或松驰时,离轮能随之转动。3.5.13
系结羊角kevel
形状如羊角的系结缆桩。
骚缆机械
tighten rope gear
bzsos.com3.5.15
GB/T 4273—2000
分节驳船队上·币以收紧或松地系结缆绳的专用机械,士要有手动媒式紧缆器和于动、电动或获压紧缆绞车两种形戏。
螺施式聚缆器screwtightenropegear置于缆索端部,利用螺杆松紧缆素的于动器具。紧缆绞车tighten ropc winch
固定在分节驳甲板上,世丁缆素端部,利用较车来松紧缆索的器具。分于动,电动或液儿种可移式航行灯具portablenavigatinglights种可以移动的航行灯具。常用的有可移式航行灯,抛铺灯等。3.6驳节结构
3.6.1黄方端板headlog
在驳节首端·用以防止驳节之间摩擦损坏的加厚的封板。3.6.2
尾方端板squard end reinforce plate在驳节尾端,用以防止驳节之间摩撤损坏的加厚的封板。3.6.3
创附板outhonrdaddcdplate
在船侧,用于防止两驳侧外板直接摩擦的附板。3.6.4
挡浪板hreakwater
推驳节首部甲板上,用以阻挡上浪水并将其排至两眩的档板。3. 7船队运输及管理
3.7.1分节驳顶推船队运输transportationonintegrated(barge)unittow由推船项推分节驳组成的船队进行货物水上运输,其基本体系由分节驳、推航错泊基地等组成
分节驳船队运行组织organization of integrated(burge)unit tow perations指航运部门对在定时期内船舶牛产活动的全面计划和安排。有两种形式:第一种,“航次循环缔队\,船驳循环搭配的形式.迈用于货源分散,到发点多,三角形组合航线运掩;第二种,“整队、定线、定推,达”,船驳固定搭配的形式,适用丁货源较稳定、流量较人的专线运输。3.7.3船驳固定搭配fixed coordination of pushboatand barges指分节驳项雅船队运辅巾营运管理带用的形式,在全航次中,骚驳固定期组,驳节居县设施,验队理货、货运质量均由推船承担。3.7.4册驳循环搭配coordinalion of merry-gn-rundpushingbarges推船按顺序每一航欲或往返期次换椭个驳队-经过几,个发船间隔后重复握已推过的驳以的运行组织方式。
3.7.5分节驳锚泊基地
E ancharage base for jntegrated bargc指供推驳停泊及作业的水域,也是落实无人分节驳有人管的其体单位。有两种型式:一种是拥有分节驳的航运部门设置的,以维修保养为主要们务的修埋错泊基地;另·种是负分节驳在港内技术作业的港务局设受的港口锚泊基地。3.7.6港口错泊基地an:horage base of post在分节驳船队运行的航线上,按港口吞吐任务的需费,在始发、到达和中途停带的港口,由港方设置的,肥置一定设务,如分节驳系拍至船、推船、交通船、发电和通讯设备等,建立供分节驳安全停靠、船队安接、养护、检惨、解队、编组他用的基地修理锚泊基地:anchoragehaseof repair3.7.7
供分节驳口常养扩继修,物料,配件及T,属其的领、管、用,安全普理等使用的苯地。3.7.8分节驳系泊蕉舶mooringpoatounforintegratedbarges位」港区水域,供分节驳系泊的逐船。6
GB/F 4273—2000
3.7.9基地作业点working point of base负贡分节驳摘泊某地各点的装卸作业和分节驳的管理工作,经常与调度取得联系,点与点,点与基地互杆配合,摘好分节驳管理工作的基层单位,3.7.10分节的调度dispatehing forintegratedbarge指航运部门组织指挥船舶运输生产活动的月常工作。分节驳的调度有二种:是:分总调、分调、港调。总调十要确定和组织跨区分节驳船队的运输分调主要组织区问分节驳船队运输:港调出要负责分节驳船队在港的安全带泊、编塑作业,督港航及港内基地、港拖、码头等之闻行交接。
是:层(公可)据、航调、港调。局(公司)调主要是确定和组织全易苔线和分节驳船队运输,定货支平衡计期等;航调(运行调度)关要层安全、合理,经挤地组织分节数船队的运输生产,执行月度平衡计划:港调(港口调度)负资分节驳在港口的作业和安全工作,做好港航衔接,3.7.11分节骏的交接handing over regime forintegrated barre分节驳船队进港靠治后,由航方(推船)间港方(错的基地)实行交接,殡既出航前,由港方向航方实行交接,交接内容主要有:分节驳的技术状况,主要设备和工属具是否完好-各驳的货运单及质量记录、航次总结等。
接交接属性不同可分为背运交接(港潜航交拨)、静埋交接和换班交接。分节致的养护maintenancefor integrated barge3+ 7. 12
指分节驳在营运中利所航行和三待停泊时间(待卸、待装,待)击丧住人(包括分节股船员剂错地上作船员)对分节致进行预防性维护保养工作。分节驳的养护分航行中的日常维修保养(以船员为工)和回后的航次检修保养(以销地工作船为注)两级。
3.7.13分书驳的修理repair ferintegratebarge分节驳的修理分为计划您理和事故储理两人类。3.8船队编组作业
3.8.1分节驳\甩头”“throw off bow\of integrated hargc指驳队谢整队形时使并择框靠准成同首,屋相接;或同列肯、距标接思成并排相靠的蕴组作业技术。
3.8.2分节驳\换头”“changebow\of integrated bargc指驳队调队形时使整个驳船队换头:或曾排驳与后排驳谣的编组作业技术。:com半分节半抢
半分节驳
半分营瑕欧…
半分节驳船欧编瓯队
半分节骏就
半分节舱日驳
半分节独型骏
半分节化学品驳
半分书甲板驳
半分节双壳驳
操缬绳
承推架
挡浪饭
单光骏组·
顶推架…
非规则形·
分节驳,
分节驳致队队形.
分苗驳驳认湿表面面积.
分节驳驳队阻力
分节驱船数件流分数….
分节收船队长度\
分节股船队队形
分节驳卵既连接期性
分节驳船队宽度
分节驳船以平面尺度·
港川镭基地·
滚动系结继桩
GB/T 4273-. 2000
附录A
(提示的附录)
中文案引
3. 3. 3. 1
+++++++* 3. 2. 8
. 3.4.7
半分节袖驳
驳节间连捞阻力
驳节间相对偏角·
驳节间相对升沉值,
聚节乎面尺度
驳将肯
殿节尾
叛节阻力·
船聚固定搭配·
韶骏循环搭配
倒推设备
项推时撑·
多列式分节驳驳队
分节较船队运行红织
分节驳既随力
分节的调理
分节驳的交接
分节驻的
分节胶的养护
分节驳顶推船队运輪
分节驳\换头
分节段锚泊基地
分节毁\阻头
分节驳系淀船
规则欧形.
- 3. 1- 4
++ 3. 4. 4
-...... 3. . 9
.3.1.8
.3.7.4
..... 3. 3.8
+. 3.7. 10
.. 3. 7. 12
. 3 7.1
.. 3.7.5
3. 3. 3. 2
W混合分节驳船队队形
紧綫机械
紧缆纹车
可移式航行师其
会分茂骏
全分节驳预以
首骏节
推架式系结
露瑕节-
尾底削长度
昆底剧高度
昆方端板
系编方或
系结燃桩
系结设备.**
系结羊角
核附板·
列式分驳驳队
GB/T 4273·-2000
基地作非点
螺疏式紧说器
金分节驳队
首方增板
双列式分节驳驳队
展封板沉深
民封板收进值
无缆系琦·
箱形驳节
斜首商度www.bzxz.net
教首强卡径
修理锚迫基地+
.... 3.1.13
.. 3. 5. 3
W非项
郝批半径
anchorage base for integrated bargeanehoragc base of post
anchorage hase of repair
GB/T 4273—2000
附景B
(提示的附录)
英文索引
axial deviating angle between fore and aft unit bargesB
bilge radius ol bow
bilgc radius af midship
bow of unit harge .
bowunitbarge
box shaped unit barge
breadith of integrated(barge)unit towbreakwater
\rhange how\pf integruted baigcolumn +..
connecaing hil
connecting eguipment
connert.ing iype ......
connection rigidity of integrated(barge Junit towcoorlination af mcrry go-round pushing baiges *++*+++*cut-uff height of stern
cut-off lengih of stern
dispatching for integrated bargeE
fixed coordlinatian of pushboat and bargesformation of integrated(barge)fleetformationof integrated(bergc)unittow10
14+1 3. 1. 19
. 3.1.9
*** 3. 1. 5
... 3. 1. 7
+* 3. 2. 6
* 3. 6. 4
++++*+ 3. 5. 1l
....... 3. 5. 5
+*+++ 3. 7. 4
... 3.1.11
W
小提示:此标准内容仅展示完整标准里的部分截取内容,若需要完整标准请到上方自行免费下载完整标准文档。
中华人民共和国国家标准
GB/T4273--2000
分节驳术语
Terminology of integrated barge2000-08-28发布
2001-07-01实施
国家质量技术监督局发布
WGB/T4273-2000
本标准是根据市场经济的发展,对CB/T4273-1984\分节驳名词术语3边行修订,并增加了管理和游运等方面的词条。
本标准白生效之日起代替GB/T4273—1984,本标推的求A,脏录B都是提示的附录。本标雅由中华人民共和国交通部摄出。本标准由全函内河船标准化技术委员会归口。本标准起幸单位:长江船舶设计院,本标准主要起草人;工彩当、胡毅。1范围
中华人民共和国国家标准
驳术语
Terminology of integrated bharge本标准规定了分节驳常用的术语,GB/T 4273-:2000
代GH/4273—1984
不标准适用于与分节驳有关的设计,科研、生产检验,使用、管理和激学等领城2引用标准
下列标准所包含的条文,通过在本标准中引用而树感为本标准的案文,木标准小版时,所示版本均为有效。所有标准郁会被参讨,使用本标准的各方应探讨使用下列标准最新版本的可能性。/18242+1--1987船体设备术语船用装受JT/T 401--1999长江半分节驳队综队队形3定义
本标催采用下列定义。
3.1分节驻
3. 1. 1分节驳 inlegrated barge也首、尾验节剪中间加人若于箱形驳芯相互联结而纽成的运输骏全分节驳fully integrated barge3.1.2
在首、民驳节间加人若下(最少一个)箱形驳节的分节驳。半分节骏semi-integratedharge3.1.3
仅由首,尾驳节组成的分节聚船。聚节unitbarge
组成分节驳的单元体,有首驳节,尾敢节及糖形鼓节三种。通带甲板乎面的外轮哪为长方形,首驳节前端部和尾驳节后端部均具有简易摄形线型,而端及中间驳节的两端足方箱形的单为体。
3. 1. 5 首驳节 bow unit barge位于分节驳首端的驳节。
尾骏节gtern unlt harge
位于芬节驳尾端的驳节。
箱形骏节boxghapedunitbarre
在会分节驳中位于首,尾驳节之问的驳节。驳节平面尺度planedimensfonsofunltbarge驳节甲板的水平长度与宽度。
驳节首bow of unit barge
首是版节的痛体端。
国象质量技术监督局2000-08-28批准2001 07 01实施
W3.3.10毅节尾stern of nit barge首尾驳节的箱形端。
CB/T 4273---2000
尾底削高度 cut-oft eight of slern驳节尾部舶底纵问料升面和鼠垂线的交点至基线的高度,见,图1,3-112
尾底判长度tut-fengthfsterr
酸节尾部船底纵向引面在基线的起点至尾垂线的距离,见图[。尾封板沉深ironcrseldeputofslerniransum3.1. 13
驳节尾封板的最低点至设计求线的距离·见阈1。3. 1. 14
尾封板收进lean-ferward valuc f stern transom驳书尾封板延使间与基线的变点至姥垂毁的跑离,见1,3.1.15
斜首高度hcighi of bowrake
驳节首倾斜部分的商度,见图1
斜首长度length of how rukc
较节首倾斜部分的水长度,见图。斜菌圆弧半径rake radiug
驳节凸倾斜部分的大圆孤半径.见图1。书居都
酒豆吧
易封板收进值。
民底微长度
设计水线
节音部
斜音长度
胶节背密脂型要素
首半径hilgeradius of bow
教节前部横部面上部阅弧半径。3.1.19
钟燃半径 hilge ranius nf midshin驳节肿慎剖面处的册部两孤半径。3.1.20半分节甲板驳semi-integrated deck barge主甲板是载货的半分节驳。
半分节半舱驳scmi integrated we dcek barge生串板上有下凹载货甲板的半分书驳,3.1.22
半分节舱口驳semi-inlegrated large opening harge等藜具
有分痫的货舱和抢斤,货物装在舱口内的半分节驳。分存盖和无舱两种。半分节槽型驳semi-integrated truugh hurge3.1.23
有直适的贷舱和轮口,两感设意肉抢壁和内疾形戒增型整,贷物装在楷型舱降的半分节驱。3.1.24
半分节化学品wemi-interratedchemiealburge装载化学品的半分节驳。
WG/T 4273—2000
半分节油驳semi-integrated nil harge3. 1.25
装载原滴和成品迪的半分节骏。半分节双壳驳 semi-integrated double-skin barge3. 1. 26
兵有双邀懒,效层底的半分节驳。3.2分节驳队
3.2.1全分节驳队
fully integrated (burge )fleet由全分节娶组成的驳队。
senni-integrated (harge)fleet半分节驳欧
出半分节驳經成的驳队。
金分节骏队fullyintegrate(barge)unlttew出推船和全分节驳队组成且推船在驳队部预推航行的船队,3.2.4半分节驳船队:semi-integraled(barge)unt lnw由推船倒华分节驳瓯组成月推解在驳队尾部项推航行的船既。3.2.5
分节驳船队长度lengten of integrited(barge)unif tow指分节驳船队首端与尾端之闻的最人水平距离-如图2中L值。3.2. 6
分节驳船队宽度breadth ef integrated(hirge)uit tow指分节驳船裂左右航之阿的最大水平吡离,如图 2 中 B值,恭船
图2分节驳船瓯长度和宽度
3.2.7分节骏船队平面尺度
plane dimensions of integrated(harge)unit tow指分节驳船队的长度与宽度。
3. 2.8分节驳驳队队形form ation f integruted(harge)fleet组成分节驳驳队的驳节排列型式。图3…种规则纵形。3. 2. 9
排Fuw
分节驳队以形中.驳节驳认船觉方向排列的为排,用米说朔驳节在驳鼠中的善尾位置,排的序号从较既垦首端的驳节算起。在娠则教队中,排和列一起表示驳队形状和人小。图3中 m代表排(m≥2 的然数)。3.2.10列column
分节驳既纵形中,驳节沿骏队船长方向排列的为列。用来说明驳节在驳队中的左右拉置。列的序专从驳队最左近的驳节算起。图代表列(为白然数)
分节驳既的排利列
WGB/T 42732000
一到式分节驳聚队integrated(harec)flectinine当 n一1,m2-2 的自然数的分竹驳驳队双列式分节驳驳队integruted(barge)rleet in twin cofumns3.2.121
当2,m2的然效的分驳版队
多列式分书驳驳队 inlegrated(harge)fleet in multiple columns3.2-13
当可这3,m2的自然数的分节驳驳以。3. 3 分节驳船致队形及顶推方式分节驳船队形formation of integrated(barge)unt tow3. 3.1
推船与分背骏驳组或的船似队形。合分节骏队以形forntationafmixedintegreted(harge)unittow3. 3. 2
t推船和不间尺度的数节组成的船队队形。半分节驳船队继以队形formallonotBemiintegrated(barge)unittow3. 3. 3
半分节较驳节和推骼的排列形式。3. 3. 3. 1
单元骏组 two-groupen unit harge首民龄节箱形端捐迹的一组同型半分节较。3. 3 3- 2 规则队形reguliar furmixtiun由若干单元毁继成矩形平面的半分节驳队形(JT/T401—1999)。3. 3. 3. 3
非想剑队形lrreularfurmetion
除规刻队外的半分节驳队形,如奇数据队形或者非矩形平雨队形(JT/T401—190.3. 3.4
正顶push on centre
推解位于分节驳拟尾端中间的质推方式,如图4。驳节
偏顶pashoffcentre
图4正项
推船位舞不在分节毁队据端中阅的须推方式,如图5。推船
3.4性能发相关要率
resistance nf unit harge
3.4.1驳节祖力
驳节运动时的水既方。
图5编项
分节驳骏队阻力resisianceof integrntedcbargsrlect3.4.2
分节激轻纵运动时的水阻方。
3. 4.3分节驳船拟阻力reaistance uf integrated(harge)unit tow分节驳船队运动时的水阻力:
骏节间连换阻力reststansce duete connectionof unitbarges3.4.4
分节驳船队运动时,轻间医成的滞水区雨产生的水阻力。3.4.5分节酸骏队湿表面面积wetted surface areaof integrated(harge)rleet分节竖毁队各驳节表面面积扣除水下重登部分后的总和,骏节
WGB/T42732000
wake fraction of integratedCharge)unit tow3.4.6
6分节蜕船队伴流分数
船队运动时,船队的伴流对螺旋桨进流速度的影响系数。3.4.7
分节驳船队连接刚性cosunectiunrigidilyofiotegrated(barge)uninlow分节驳船队在直线航行时驳节篇离推解中心的度。用各驳节中心线与推船中心线的最大炎角米衡蓝。
3. 4. 8驳节间相对偏角 axial devinting aogle lbetween fare anid ar unit barges分节驳船队航行时前后两驳节中心綫的夹角。3.4.9
驳节间相对升沉值relativebeavingvalueamongnitbarges分节驳驳队中各驳节间垂向的相对运动制度,3.5顶推、系结、航行设备
3.5、1 预推设备pughing arrangement在推船上专设为带动分节驱认作运赖作业、辅助操纵和其他作业的设备统称。主妥设备有项推架,项推杜、系结缆桩,系结羊角、紧织机械、系结娩囊等。推架式系结 towkneetype linkage3.5.2
血顶推架和承推材传递推力,形以主、交受频约束船队队形的项推系结方式。3-5.3
无缆系结ropelesslinkage
推船和被推驳间,除缩案(钢紫、纤维素)以外的各种系结的统称。3.5.4 系缩设备cnnnecting eguipment使驳节与驳节或驳节与推船联结成一整体的设备,由系结缆桩、系结羊角、紧缆机械、钢索和纤维索等组成。
3.5.5系结方式conneetingtype
谁船与分节驳队或驳节与驳节间联结成一整体队形时采用的方式。一般有缆素系结方式,机械系结方式,如柱连接、T 形连接等。6顶维架towknee
推船曾端及驳节端部传递推力的扎藥结构。3. 5. 7
承推染pushed Leam
设于竖节踏部,专用了传递推力和防撞的水心或竖向构件:3. 5. 8
顶推肘撑towingknee
设于驳节端部左右,其中心线与项推架中心线重合有一-定愈度由钢板组减,类似于三角射板的淳材构件。
3. 5. 9主绒main push-towitng rope按GB/T8242.1—1987中4.7,即项推系结部件中,保持项推船队联结、承妥一定预张力和回航时拉力的缆案。
3. 5. 10 操级缆 pushi-towing steering Trope按GH/F 8242.1
1987 中 4. 8,即预推系结部作中,增加顶握邮队回转性能的系毙。3. 5. 11系结继桩connecting bitt固定在甲板上,用以系驳节与骏节或竖节与推船连接缆绳的桃柱。一有滚动系结、系结羊冶、独桩,双十字桩等。
滚动系结缆桩rollerbit1
带有滚轮的系缓桩。当连接缆绷收紧或松驰时,离轮能随之转动。3.5.13
系结羊角kevel
形状如羊角的系结缆桩。
骚缆机械
tighten rope gear
bzsos.com3.5.15
GB/T 4273—2000
分节驳船队上·币以收紧或松地系结缆绳的专用机械,士要有手动媒式紧缆器和于动、电动或获压紧缆绞车两种形戏。
螺施式聚缆器screwtightenropegear置于缆索端部,利用螺杆松紧缆素的于动器具。紧缆绞车tighten ropc winch
固定在分节驳甲板上,世丁缆素端部,利用较车来松紧缆索的器具。分于动,电动或液儿种可移式航行灯具portablenavigatinglights种可以移动的航行灯具。常用的有可移式航行灯,抛铺灯等。3.6驳节结构
3.6.1黄方端板headlog
在驳节首端·用以防止驳节之间摩擦损坏的加厚的封板。3.6.2
尾方端板squard end reinforce plate在驳节尾端,用以防止驳节之间摩撤损坏的加厚的封板。3.6.3
创附板outhonrdaddcdplate
在船侧,用于防止两驳侧外板直接摩擦的附板。3.6.4
挡浪板hreakwater
推驳节首部甲板上,用以阻挡上浪水并将其排至两眩的档板。3. 7船队运输及管理
3.7.1分节驳顶推船队运输transportationonintegrated(barge)unittow由推船项推分节驳组成的船队进行货物水上运输,其基本体系由分节驳、推航错泊基地等组成
分节驳船队运行组织organization of integrated(burge)unit tow perations指航运部门对在定时期内船舶牛产活动的全面计划和安排。有两种形式:第一种,“航次循环缔队\,船驳循环搭配的形式.迈用于货源分散,到发点多,三角形组合航线运掩;第二种,“整队、定线、定推,达”,船驳固定搭配的形式,适用丁货源较稳定、流量较人的专线运输。3.7.3船驳固定搭配fixed coordination of pushboatand barges指分节驳项雅船队运辅巾营运管理带用的形式,在全航次中,骚驳固定期组,驳节居县设施,验队理货、货运质量均由推船承担。3.7.4册驳循环搭配coordinalion of merry-gn-rundpushingbarges推船按顺序每一航欲或往返期次换椭个驳队-经过几,个发船间隔后重复握已推过的驳以的运行组织方式。
3.7.5分节驳锚泊基地
E ancharage base for jntegrated bargc指供推驳停泊及作业的水域,也是落实无人分节驳有人管的其体单位。有两种型式:一种是拥有分节驳的航运部门设置的,以维修保养为主要们务的修埋错泊基地;另·种是负分节驳在港内技术作业的港务局设受的港口锚泊基地。3.7.6港口错泊基地an:horage base of post在分节驳船队运行的航线上,按港口吞吐任务的需费,在始发、到达和中途停带的港口,由港方设置的,肥置一定设务,如分节驳系拍至船、推船、交通船、发电和通讯设备等,建立供分节驳安全停靠、船队安接、养护、检惨、解队、编组他用的基地修理锚泊基地:anchoragehaseof repair3.7.7
供分节驳口常养扩继修,物料,配件及T,属其的领、管、用,安全普理等使用的苯地。3.7.8分节驳系泊蕉舶mooringpoatounforintegratedbarges位」港区水域,供分节驳系泊的逐船。6
GB/F 4273—2000
3.7.9基地作业点working point of base负贡分节驳摘泊某地各点的装卸作业和分节驳的管理工作,经常与调度取得联系,点与点,点与基地互杆配合,摘好分节驳管理工作的基层单位,3.7.10分节的调度dispatehing forintegratedbarge指航运部门组织指挥船舶运输生产活动的月常工作。分节驳的调度有二种:是:分总调、分调、港调。总调十要确定和组织跨区分节驳船队的运输分调主要组织区问分节驳船队运输:港调出要负责分节驳船队在港的安全带泊、编塑作业,督港航及港内基地、港拖、码头等之闻行交接。
是:层(公可)据、航调、港调。局(公司)调主要是确定和组织全易苔线和分节驳船队运输,定货支平衡计期等;航调(运行调度)关要层安全、合理,经挤地组织分节数船队的运输生产,执行月度平衡计划:港调(港口调度)负资分节驳在港口的作业和安全工作,做好港航衔接,3.7.11分节骏的交接handing over regime forintegrated barre分节驳船队进港靠治后,由航方(推船)间港方(错的基地)实行交接,殡既出航前,由港方向航方实行交接,交接内容主要有:分节驳的技术状况,主要设备和工属具是否完好-各驳的货运单及质量记录、航次总结等。
接交接属性不同可分为背运交接(港潜航交拨)、静埋交接和换班交接。分节致的养护maintenancefor integrated barge3+ 7. 12
指分节驳在营运中利所航行和三待停泊时间(待卸、待装,待)击丧住人(包括分节股船员剂错地上作船员)对分节致进行预防性维护保养工作。分节驳的养护分航行中的日常维修保养(以船员为工)和回后的航次检修保养(以销地工作船为注)两级。
3.7.13分书驳的修理repair ferintegratebarge分节驳的修理分为计划您理和事故储理两人类。3.8船队编组作业
3.8.1分节驳\甩头”“throw off bow\of integrated hargc指驳队谢整队形时使并择框靠准成同首,屋相接;或同列肯、距标接思成并排相靠的蕴组作业技术。
3.8.2分节驳\换头”“changebow\of integrated bargc指驳队调队形时使整个驳船队换头:或曾排驳与后排驳谣的编组作业技术。:com半分节半抢
半分节驳
半分营瑕欧…
半分节驳船欧编瓯队
半分节骏就
半分节舱日驳
半分节独型骏
半分节化学品驳
半分书甲板驳
半分节双壳驳
操缬绳
承推架
挡浪饭
单光骏组·
顶推架…
非规则形·
分节驳,
分节驳致队队形.
分苗驳驳认湿表面面积.
分节驳驳队阻力
分节驱船数件流分数….
分节收船队长度\
分节股船队队形
分节驳卵既连接期性
分节驳船队宽度
分节驳船以平面尺度·
港川镭基地·
滚动系结继桩
GB/T 4273-. 2000
附录A
(提示的附录)
中文案引
3. 3. 3. 1
+++++++* 3. 2. 8
. 3.4.7
半分节袖驳
驳节间连捞阻力
驳节间相对偏角·
驳节间相对升沉值,
聚节乎面尺度
驳将肯
殿节尾
叛节阻力·
船聚固定搭配·
韶骏循环搭配
倒推设备
项推时撑·
多列式分节驳驳队
分节较船队运行红织
分节驳既随力
分节的调理
分节驳的交接
分节驻的
分节胶的养护
分节驳顶推船队运輪
分节驳\换头
分节段锚泊基地
分节毁\阻头
分节驳系淀船
规则欧形.
- 3. 1- 4
++ 3. 4. 4
-...... 3. . 9
.3.1.8
.3.7.4
..... 3. 3.8
+. 3.7. 10
.. 3. 7. 12
. 3 7.1
.. 3.7.5
3. 3. 3. 2
W混合分节驳船队队形
紧綫机械
紧缆纹车
可移式航行师其
会分茂骏
全分节驳预以
首骏节
推架式系结
露瑕节-
尾底削长度
昆底剧高度
昆方端板
系编方或
系结燃桩
系结设备.**
系结羊角
核附板·
列式分驳驳队
GB/T 4273·-2000
基地作非点
螺疏式紧说器
金分节驳队
首方增板
双列式分节驳驳队
展封板沉深
民封板收进值
无缆系琦·
箱形驳节
斜首商度www.bzxz.net
教首强卡径
修理锚迫基地+
.... 3.1.13
.. 3. 5. 3
W非项
郝批半径
anchorage base for integrated bargeanehoragc base of post
anchorage hase of repair
GB/T 4273—2000
附景B
(提示的附录)
英文索引
axial deviating angle between fore and aft unit bargesB
bilge radius ol bow
bilgc radius af midship
bow of unit harge .
bowunitbarge
box shaped unit barge
breadith of integrated(barge)unit towbreakwater
\rhange how\pf integruted baigcolumn +..
connecaing hil
connecting eguipment
connert.ing iype ......
connection rigidity of integrated(barge Junit towcoorlination af mcrry go-round pushing baiges *++*+++*cut-uff height of stern
cut-off lengih of stern
dispatching for integrated bargeE
fixed coordlinatian of pushboat and bargesformation of integrated(barge)fleetformationof integrated(bergc)unittow10
14+1 3. 1. 19
. 3.1.9
*** 3. 1. 5
... 3. 1. 7
+* 3. 2. 6
* 3. 6. 4
++++*+ 3. 5. 1l
....... 3. 5. 5
+*+++ 3. 7. 4
... 3.1.11
W
小提示:此标准内容仅展示完整标准里的部分截取内容,若需要完整标准请到上方自行免费下载完整标准文档。
标准图片预览:





- 其它标准
- 热门标准
- 国家标准(GB)
- GB/T2828.1-2012 计数抽样检验程序 第1部分:按接收质量限(AQL)检索的逐批检验抽样计划
- GB/T3836.1-2021 爆炸性环境 第1部分:设备 通用要求
- GB/T18204.4-2000 公共场所毛巾、床上卧具微生物检验方法细菌总数测定
- GB/T23892.3-2009 滑动轴承 稳态条件下流体动压可倾瓦块止推轴承 第3部分:可倾瓦块止推轴承计算的许用值
- GB/T11839-1989 二氧化铀芯块中硼的测定 姜黄素萃取光度法
- GB/T6122.1-2002 圆角铣刀 第1部分:型式和尺寸
- GB/T7433-1987 对称电缆载波通信系统抗无线电广播和通信干扰的指标
- GB/T21238-2007 玻璃纤维增强塑料夹砂管
- GB50303-2015 建筑电气工程施工质量验收规范
- GB17945-2024 消防应急照明和疏散指示系统
- GB/T24974—2010 收费用手动栏杆
- GB/T9239-1988 刚性转子平衡品质 许用不平衡的确定
- GB/T15917.3-1995 金属镝及氧化镝化学分析方法 对氯苯基荧光酮--溴化十六烷基三甲基胺分光光度法测定钽量
- GB/T13985-1992 照相机操作力和强度
- GB/T6397-1986 金属拉伸试验试样
- 行业新闻
请牢记:“bzxz.net”即是“标准下载”四个汉字汉语拼音首字母与国际顶级域名“.net”的组合。 ©2025 标准下载网 www.bzxz.net 本站邮件:bzxznet@163.com
网站备案号:湘ICP备2025141790号-2
网站备案号:湘ICP备2025141790号-2