- 您的位置:
- 标准下载网 >>
- 标准分类 >>
- 电子行业标准(SJ) >>
- SJ/T 10891-1996 阴极射线管玻壳检验规范
标准号:
SJ/T 10891-1996
标准名称:
阴极射线管玻壳检验规范
标准类别:
电子行业标准(SJ)
标准状态:
已作废-
发布日期:
1996-11-01 -
实施日期:
1997-01-01 出版语种:
简体中文下载格式:
.rar.pdf下载大小:
1.14 MB
中标分类号:
电子元器件与信息技术>>电真空器件>>L38电子束管
部分标准内容:
UDC621.385.83.032.7
中华人民共和国国家标准
GB 8557-87
降为SJ/T10891-96
阴极射线管玻壳检验规范
Inspection stnadards on glass bulbsfor cathode-ray tubes
1987-12-31发布
国家标准局发布
TTTKKAca
1988-06-01实施
中华人民共和国国家标准
阴极射线管玻壳检验规范
Inspectionstnadards for glass bulbsfor cathode-ray tubes
本规范适用于阴极射线管玻壳(以下简称玻壳)的检验。本规范包括:
a。玻壳代号;
b.玻壳各部位名词木语;
c.玻壳检验规范,
1玻壳代号
玻壳代号由四部分组成:
第一部分
用汉语拼音字母\K\表
示玻壳
示例:K35J1
2玻克各部位名调术语
第二部分
用数字表示管屏最大外形
尺寸:圆形为直径;矩形
为对角线。(以cm为单位)
第三部分
GB8557-87
第四部分
用汉语拼音享母表示管屏形状特征:Y——圆形
J矩形
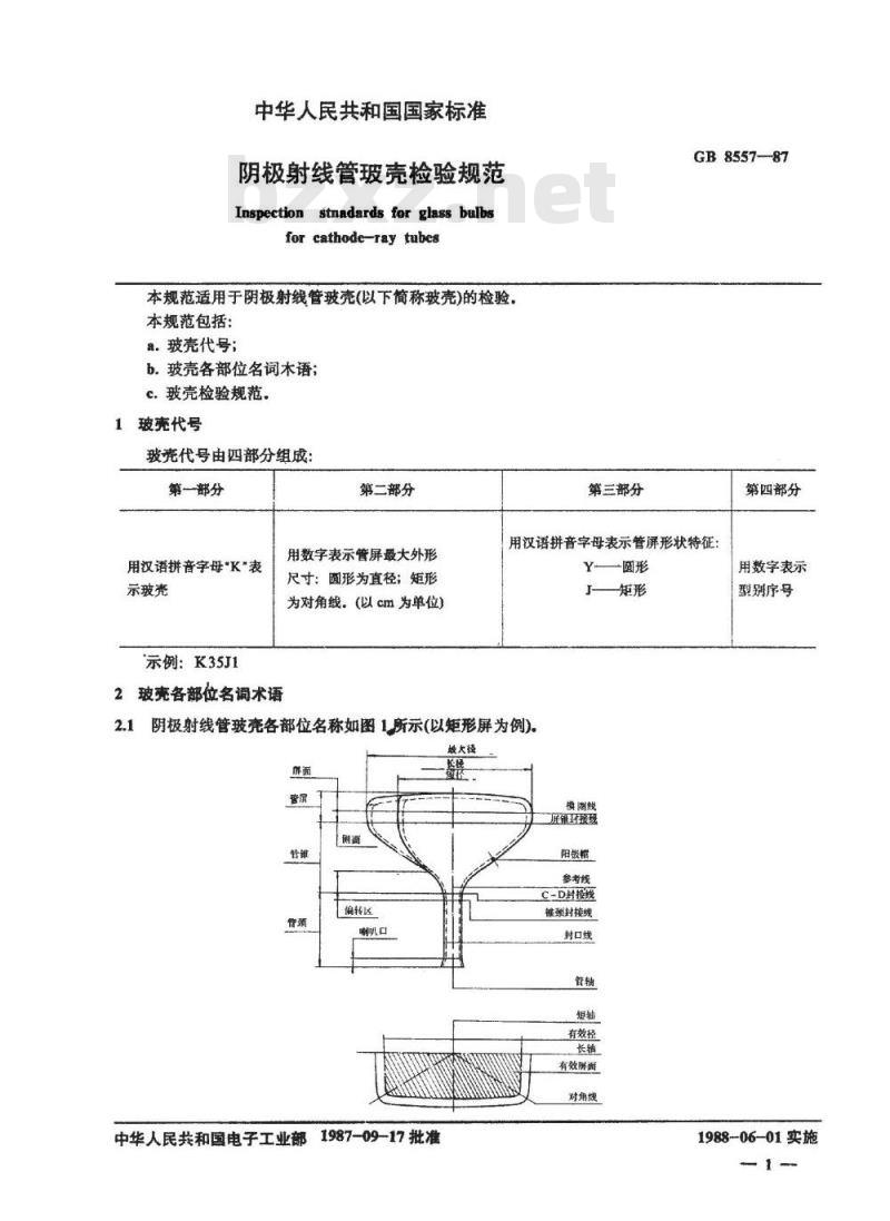
2.1阴极射线管玻亮各部位名称如图1所示(以矩形屏为例)。峨大径
偏转区
明汇口
中华人民和国电子工业部1987-09-17批准YYKAONTKa
模阁线
开工接线
阳级帽
参考线
C-D封投线
银颈封接线
封口线
有效径
有效屏面
对角线
用数字表示
型别序号
1988-06-01实施
2.2彩色显象管用管屏示意图如图2所示A区
支承点C
支承点B
GB8557-87
定位标记
封接面
引模圈线
封接面
封接端(倒角
支承点A
YYKAONrKAa
销钉参考线
2.3彩色显象管用管屏示意图如图3所示。GB8557-87
这承点人
2.4名词术语
盒。屏面
沿管轴平行方向所看到的管屏面部分,b。有效屏面
沿管轴平行方向所看到的有效使用的荧光面,e
月定位块
支承点C
支承点B
有效径
从无限远处观看荧光屏时,所看到的有效部位尺寸,模线
屏面与侧面的交界线,一般为管屏的最大部分,注:在玻壳模圈线处的外周长称为模腾线周长。e
模圈线与封接面之间的部分,或屏面以外与封接面之间的部分。封接线
管屏与管锥或管锥与管颈的封接界面线。名.·封接区
封接线附近可看到的熔封部分。h.
阳极帽
封接在管锥上的盘状金属端子,参考线
用参考线量规确定的玻壳基准线,i
偏转区
从锥体部位到管颈直线部位,其截面形状为圆形或近似圆形的部分。即由锥体一部分,或者由锥体一部分和管颈的一部分所构成的区域。k
C-D线
通过偏转部位的曲率中心的直线。1.喇叭口
管颈开口端的扩展部位。
YYKAONKCa
封口线
封接芯柱的位置线,
支承点
管屏与管锥封接所使用的基准点,0.定位标记
GB8557-87
管屏侧面区域上为区分支承点所设置的二根凸状线。封接面
管屏与管锥封接的端面。
管屏、管锥封接面边缘的倒角
封接平面
封接面所构成的平面。
支撑阴覃组件用的端子。
销钉平面
各销钉轴线所构成的平面。
u。定位块
供管屏与管锥封接而设置在锥体外侧表面上的凸块。销钉配置
在每个产品规范的结构概要栏中,应按以下规定给出销钉名称。例:
B-4销钉(修正4销钉,5-9-13—16)D—4销钉(1-5-8—13)
C-—3 销钉 (2--8—12)
第1项第2项
说明:
第1项
第3项
销钉位置的识别编号,除去I、O、Q外,按A、B、C.字母顺序排列.第2项
销钉数,确定的销钉数应与第3项的识别编号相对应,第3项
销钉位置的识别编号,从封接面观看管屏,用短轴、长轴、对角线分开16个部位,分割的各个部位以字母A、B、C为基准,按顺时针编号,奇数在轴线或对角线上,偶数在其中间部位,如图4所示。
销钉的轴线位置应与上述识别编号相对应。13
YYKAONYKCa
具体销钉配置示例见图5所示。
人-3销钉
(3销钉,4-9-14)
A-3销钉
(能正3链钉4-9-14)
B-3销钉
(邀3销钉,1-6-12)
C-3销钉
(变形3销钉,2-8-12)
D-3销钉
(变形3销钉,4-10-16)
E-3销钉
(3/4销钉,5-9-13)
GB8557-87
F-3销钉
(逆3/4销钉,
1-5-13)
A-4销钉
(4销钉,
159-13)
B-4销钉
够正4销钉,
5-9-13-16)
C-4销钉
(变形4销钉,
D-4销钉
(1-58-13)
E-4销钉
(5-10-13-16)
YYKAONTKAa
3玻壳检验规范
3.1通用要求
3.1.1优先顺序
GB8557-87
当本规范规定的通用规范与玻壳详细规范发生矛盾时。应以玻壳详细规范优先执行。3.1.2玻璃缺陷名词术语
封闭在玻璃内的气体部分(通常为球形。根据开关不同。名称亦有所不同)。b.破气泡
玻璃表面上的破碎气泡。或用指甲(或木针等)挤压破碎的气泡,且凹下去的那一部分。c.长气泡
在玻壳成型时被拉伸成的长条状气泡。d.气线
在玻壳成型时被拉伸成的线状气泡,e.不透明杂质
含在玻璃内的不透明缺陷的总称,f.结石
含在玻璃内的未熔化的或再结晶的配合料或耐火材料。通常,用肉眼可观察到这类不透明或白浊状的缺陷
g斑点
含有结石,且周围折射率不同于基体玻璃的部分。h.玻节
含在玻璃内,且可以用肉眼判断出其与周围玻璃的透光率有所差异的透明物。i.条纹
折射率不同于基体玻璃的筋状不均匀的玻璃部分。i.彩色条纹
含在玻璃内的铁锈、石墨、小气泡或微小结石等,且颜色不同于基体玻璃,呈条纹状的部分。k。碰伤
玻璃与其它物体相碰后所形成的伤痕或玻璃剥落部分1.划伤
玻璃表面被其它物体碰划后所形成线状的痕迹,m。擦伤
玻璃表面被其它物体磨擦后,虽未造成裂痕或划伤,但已失去透明度,并呈线状或模糊状的部分。
向玻璃内部延仲的局部炸裂。
部分玻璃从玻璃基体上分离留下的痕迹。p.底模痕
由于灰尘、玻璃料等异物落人模具或模具表面损伤,致使成型后留下的痕迹,q.剪痕
剪刀切断玻璃坏料时,残留在玻璃表面致使成型后留下的痕迹。通常为皱纹状。量。枝状痕
YYKAONYKCa
GB8557—87
剪刀切断不良时。使切口处玻璃形成薄膜。致使成型后玻璃表面上留下枝状的痕迹。s.玻璃粘附
以表面熔化状态附在玻璃基体表面上的微小玻璃块,t.冷纹
在玻壳成型时。由于玻璃冷却不均匀致使玻璃表面形成皱纹状的凹凸面。.登痕
玻璃重叠致使成型后留在玻璃界面线上的线状凹陷部分w.变形
玻璃基体偏离标准曲率所形成的凹凸不均匀的部分,W.雾痕
玻壳成型时,由于温度的关系,而在玻璃表面形成反射率不同的部分。x。脏污
玻璃表面被异物薄膜遮盖所形成的模糊不清的部分,y.油污
玻壳成型时,由于油碳化留在玻璃表面上的痕迹。通常为圆形的小点。Z.铁锈
含在玻璃内未扩展开的为透明的铁锈杂质。3.1.3其它名词术语
a.玻壳缺陷的尺寸为有效直径,用下式表示:有效直径=短径±长径(屈数四舍五人)2
3.1.4玻壳各部位划分
玻壳划分为管屏、管锥和管颈三个部分,管屏分为屏面和侧面两个部分。3.1.5玻壳各部位规范
3.1.5.1屏面规范
屏面划分为有效屏面和周边两个部分,有效屏面划分为A、B两个区域,其A区为有效屏面的中心区域,B区为有效屏面除去A区的剩余部分。A、B区尺寸的划分见表1、2、3、4和5的规定
YYKAONYKCa
(盈形)
(矩形)
(医形)
(矩形)
(墨形)
(距形)
(E型)
(绝形)
(医形)
(矩形)
有款所街区城
区城民寸
制余部分
140×197
剩余部分
(有效直径)
0.21~0.30
0.31~0.60
不透期象
质、敏气
0.16~0.30
0.41~0.60
0.76以上
0.31~0.50
0.51~0.65
0.51~0.80
0.66以上
1.01~1.25
0.76~1.25
0.66~1.25
充许数
GB8557-87
表1示波管和存储管
(有效直径)
不透明杂
质、气
构(有效
0.500.750.500.65
允许数
合计数
有效屏面缺陷规范表
医内的缺随的
气准(有
数直径)
0.20~0.30
0.20~0.40
0.25~0.60
0.50~0.75
0.25~0.75
不透明来
质、嵌气
范(有效
直径)
0.20~0.35
0.25~0.50
0.50~0.65
0.25~0.65
充样数
长气池”
0.10~0.20
0.20~0.35
0.20~0.40
0.20~0.40
0.13~0.25
0.26~0.50
0.13~0.25
0.26~0.50
3.0以下
4.0以下
6.0以下
12.0以下
6.0以下
19.0以下
9.0以下
注:1)50mm遇内的大缺席应作为=50mm图内的缺第充许数的一部分计数,西且按?50mm圈内的献照最不相互间隔判定,2)在规定长度以下的长气相用有效直格计第,百且作为大缺陷,小缺陷和50mm图内的缺陷允许数的一部分计数,但不按区城,缺陷录小相互同隔有效直格最大允许值判定,-8
YYkAoNYKAca
(版形)
(面形)
(距形)
(医形)
(矩形)
(测形)
(矩形)
(透形)
有热屏面区城
区城尺中
别余部分
60×80
剩余部分
剩余部分
90×120
剩余部分
剩余部分
127×178
剩余部分
聚余部分
(有效直径)
0.31~0.50
0.41~0.60
0.41~0.55
0.41~0.75
0.41~0.55
0.41~0.55
0.41~0.55
0.41~0.75
0.61~0.75
0.61~0.75
0.61~1.00
大缺陷
不透明杂质
破气瓶
(有效直径)
0.31~0.50
0.31~0.60
0.31~0.50
0.31~0.60
0.51~0.88
允作数
区城数
GB8557-87
表2黑白显象管和指示管玻亮有效屏面缺陷规范表小蒙阳
(有效直径)
YYKAoNYKAca
不透明杂质
(有效直径)
充许数
气(有
数直径)
0.25~0.40
50医内的缺陷1)
不透明杂
质,破气
润(有效
0.20~0.30
0.25~0.60
长气池2)
0.10~0.30
6.0以下
(矩影)
(超摄)
(离形)
(矩形)
(限形)
(能形)
有数屏园区城
区城尺社
127×178
剩余部分
剩余部分
140x197
制余部分
制余部分
165×222
别余都分
剩余部分
197×254
剩余部分
254×305
要余路分
(有效直征)
0.76以上
不避明
象馈、
破气池
(有效直径)
0.66以上
1.01~1.25
0.76以上
0.66~1.25
0.66以上
1.01~1.25
0.76~1.25
0.76以上
1.66~1.23
66以上
1.01~1.25
0.76~1.25
0.76以上
0.66~1.25
0.66以上
1.01~1.25
0.76~1.25
0.76以上
0.66~1.25
0.66以上
1.01~1.25
0.76~1.25
0.76以上
0.66~1.25
0.66以上
1.01~1.25
0.76~1.25
0.76以上
1.01~1.25
0.76~1.25
0.66~1.25
1.26~1.79
0.76~1.75
0.66~1.75
免许数
(有效直径)
0.50~0.75
GB8557-87
续表2
充许数
不通期
歌气池
(有效直径)
0.50~-0.45
注:1)650mm需内的大象陷应作为*50mm周内的缺陷光件数将一分计数,面丑签50mm图内的缺脑最小相或随判定,2)在集定长度以下的长准用有效直径计算,即几作为大款陷,小款陷和*50mm国内的就陷光许一部计数,任不放区蒙数—10
YYkAoNYKAca
(有效直径)
0.25~0.75
0.50~0.75
0.50~0.75
0.25~0.75
0.50~0.75
0.25~0.75
0.50~0.75
0.25~0.75
0.50~0.75
0.25~0.75
?50圆内的款陷!
不遵明
破气施
(有效直径)
0.50~0.65
0.50~0.65
0.50~0.65
0.25~0.65
0.50~0.65
0.25~0.65
0.50~0.65
0.25~0.65
0.50~0.65
0.25~0.65
0.50~0.65
0.25~0.65
充许数
蒙陷最小相互限质和大较脂有萨宜秘最大允许值判定长气施
0.13~0.25
0.13~0.25
0.13~0.25
0.26~0.50
0.13~0.25
0.26~0.50
0.13-0.25
0.26~0.50
0.13~0.25
0.13~0.25
0.13~0.25
0.26~0.50
0.13~0.25
0.26~0.50
0.13~0.25
0.26~0.50
0.26~0.50
0.13~0.25
0.13~0.29
0.26~0.50
0.13~0.25
12.0以下
6.0以下
19.0以下
9.0以下
12.0以下
6.0以下
19.0以下
9.0以下
12.0以下
6.0以下
-19.0以下
9.0以下
12.0以下
6.0以下
19.0以下
9.0以下
12.0以下
6.0以下
19.0以下
9.0以下
12.0以下
6.0以下
19.0以下
9.0以下
12.0以下
6.0以下
19.0以下
9.0以下
6.0以下
19.0以下
0以下
(矩形)
(距形)
E形)
(形)
(距形)
(矩形)
(矩胞)
(距形)
60×80
测余部分
90×120
剩余都分
127×178
剩余部分
127×178
剩余分
165×213
测余部分
187×238
测余部分
213×270
余部分
254×305
测余部分
GB 855787
表3彩色显象管玻亮有效屏面缺陷规范表大缺陷
(有效直构)
0.41~0.60
0.41~0.55
0.41~0.75
0.41~0.55
0.41~0.75
0.61~0.75
0.61~1.00
不到象
费、敏气施
(有效直径
0,31~0.50
0.51~0.65
0.76以上
0.76~1.25
0.76以上
0.76~1.25
0.76以上
0.76~1.25
0.76以上
0.76~1.25
0.76~1.25
1.26~1.75
允许数
(有效直径)
小快腩
不源明杂
质、破气油
有效直径)
0.51~0.75
0.25~0.50
0.51~0.75
0.51~0.75
0.25~0.50
0.51~0.75www.bzxz.net
0.25~0.50
0.51~0.75
0.25~0.50
0.51~0.75
0.51~0.75
0.51-0.75
0.51~0.75
允许数
争58国内的映快陷
(有效直径)
0.25~0.40
不透明杂
质,雅气油
(有效直径)
0.25~0.30
0.25~0.50
0.10~0.30
0.26~0.50
生:1)d50mm图内的大缺陷空作为450mm国内的缺陷允并数的一部分计数,且技*50mm照内的缺陷最小2)在境定长度以下的长气范用有效直径计第,面且作为大缺陷,小缺陷和650mm内的缺陷允许数的区域款、禁陷最小相互间隔有数直径最大允许值判定,YYkAoNYKAca
长气池”
6.0以下
12.7以下
19.1以上
12.7以上
19.1以上
12.7以上
19.1以下
12.7以下
19.1以下
12.7以下
19.1以下
允许数
小提示:此标准内容仅展示完整标准里的部分截取内容,若需要完整标准请到上方自行免费下载完整标准文档。
中华人民共和国国家标准
GB 8557-87
降为SJ/T10891-96
阴极射线管玻壳检验规范
Inspection stnadards on glass bulbsfor cathode-ray tubes
1987-12-31发布
国家标准局发布
TTTKKAca
1988-06-01实施
中华人民共和国国家标准
阴极射线管玻壳检验规范
Inspectionstnadards for glass bulbsfor cathode-ray tubes
本规范适用于阴极射线管玻壳(以下简称玻壳)的检验。本规范包括:
a。玻壳代号;
b.玻壳各部位名词木语;
c.玻壳检验规范,
1玻壳代号
玻壳代号由四部分组成:
第一部分
用汉语拼音字母\K\表
示玻壳
示例:K35J1
2玻克各部位名调术语
第二部分
用数字表示管屏最大外形
尺寸:圆形为直径;矩形
为对角线。(以cm为单位)
第三部分
GB8557-87
第四部分
用汉语拼音享母表示管屏形状特征:Y——圆形
J矩形
2.1阴极射线管玻亮各部位名称如图1所示(以矩形屏为例)。峨大径
偏转区
明汇口
中华人民和国电子工业部1987-09-17批准YYKAONTKa
模阁线
开工接线
阳级帽
参考线
C-D封投线
银颈封接线
封口线
有效径
有效屏面
对角线
用数字表示
型别序号
1988-06-01实施
2.2彩色显象管用管屏示意图如图2所示A区
支承点C
支承点B
GB8557-87
定位标记
封接面
引模圈线
封接面
封接端(倒角
支承点A
YYKAONrKAa
销钉参考线
2.3彩色显象管用管屏示意图如图3所示。GB8557-87
这承点人
2.4名词术语
盒。屏面
沿管轴平行方向所看到的管屏面部分,b。有效屏面
沿管轴平行方向所看到的有效使用的荧光面,e
月定位块
支承点C
支承点B
有效径
从无限远处观看荧光屏时,所看到的有效部位尺寸,模线
屏面与侧面的交界线,一般为管屏的最大部分,注:在玻壳模圈线处的外周长称为模腾线周长。e
模圈线与封接面之间的部分,或屏面以外与封接面之间的部分。封接线
管屏与管锥或管锥与管颈的封接界面线。名.·封接区
封接线附近可看到的熔封部分。h.
阳极帽
封接在管锥上的盘状金属端子,参考线
用参考线量规确定的玻壳基准线,i
偏转区
从锥体部位到管颈直线部位,其截面形状为圆形或近似圆形的部分。即由锥体一部分,或者由锥体一部分和管颈的一部分所构成的区域。k
C-D线
通过偏转部位的曲率中心的直线。1.喇叭口
管颈开口端的扩展部位。
YYKAONKCa
封口线
封接芯柱的位置线,
支承点
管屏与管锥封接所使用的基准点,0.定位标记
GB8557-87
管屏侧面区域上为区分支承点所设置的二根凸状线。封接面
管屏与管锥封接的端面。
管屏、管锥封接面边缘的倒角
封接平面
封接面所构成的平面。
支撑阴覃组件用的端子。
销钉平面
各销钉轴线所构成的平面。
u。定位块
供管屏与管锥封接而设置在锥体外侧表面上的凸块。销钉配置
在每个产品规范的结构概要栏中,应按以下规定给出销钉名称。例:
B-4销钉(修正4销钉,5-9-13—16)D—4销钉(1-5-8—13)
C-—3 销钉 (2--8—12)
第1项第2项
说明:
第1项
第3项
销钉位置的识别编号,除去I、O、Q外,按A、B、C.字母顺序排列.第2项
销钉数,确定的销钉数应与第3项的识别编号相对应,第3项
销钉位置的识别编号,从封接面观看管屏,用短轴、长轴、对角线分开16个部位,分割的各个部位以字母A、B、C为基准,按顺时针编号,奇数在轴线或对角线上,偶数在其中间部位,如图4所示。
销钉的轴线位置应与上述识别编号相对应。13
YYKAONYKCa
具体销钉配置示例见图5所示。
人-3销钉
(3销钉,4-9-14)
A-3销钉
(能正3链钉4-9-14)
B-3销钉
(邀3销钉,1-6-12)
C-3销钉
(变形3销钉,2-8-12)
D-3销钉
(变形3销钉,4-10-16)
E-3销钉
(3/4销钉,5-9-13)
GB8557-87
F-3销钉
(逆3/4销钉,
1-5-13)
A-4销钉
(4销钉,
159-13)
B-4销钉
够正4销钉,
5-9-13-16)
C-4销钉
(变形4销钉,
D-4销钉
(1-58-13)
E-4销钉
(5-10-13-16)
YYKAONTKAa
3玻壳检验规范
3.1通用要求
3.1.1优先顺序
GB8557-87
当本规范规定的通用规范与玻壳详细规范发生矛盾时。应以玻壳详细规范优先执行。3.1.2玻璃缺陷名词术语
封闭在玻璃内的气体部分(通常为球形。根据开关不同。名称亦有所不同)。b.破气泡
玻璃表面上的破碎气泡。或用指甲(或木针等)挤压破碎的气泡,且凹下去的那一部分。c.长气泡
在玻壳成型时被拉伸成的长条状气泡。d.气线
在玻壳成型时被拉伸成的线状气泡,e.不透明杂质
含在玻璃内的不透明缺陷的总称,f.结石
含在玻璃内的未熔化的或再结晶的配合料或耐火材料。通常,用肉眼可观察到这类不透明或白浊状的缺陷
g斑点
含有结石,且周围折射率不同于基体玻璃的部分。h.玻节
含在玻璃内,且可以用肉眼判断出其与周围玻璃的透光率有所差异的透明物。i.条纹
折射率不同于基体玻璃的筋状不均匀的玻璃部分。i.彩色条纹
含在玻璃内的铁锈、石墨、小气泡或微小结石等,且颜色不同于基体玻璃,呈条纹状的部分。k。碰伤
玻璃与其它物体相碰后所形成的伤痕或玻璃剥落部分1.划伤
玻璃表面被其它物体碰划后所形成线状的痕迹,m。擦伤
玻璃表面被其它物体磨擦后,虽未造成裂痕或划伤,但已失去透明度,并呈线状或模糊状的部分。
向玻璃内部延仲的局部炸裂。
部分玻璃从玻璃基体上分离留下的痕迹。p.底模痕
由于灰尘、玻璃料等异物落人模具或模具表面损伤,致使成型后留下的痕迹,q.剪痕
剪刀切断玻璃坏料时,残留在玻璃表面致使成型后留下的痕迹。通常为皱纹状。量。枝状痕
YYKAONYKCa
GB8557—87
剪刀切断不良时。使切口处玻璃形成薄膜。致使成型后玻璃表面上留下枝状的痕迹。s.玻璃粘附
以表面熔化状态附在玻璃基体表面上的微小玻璃块,t.冷纹
在玻壳成型时。由于玻璃冷却不均匀致使玻璃表面形成皱纹状的凹凸面。.登痕
玻璃重叠致使成型后留在玻璃界面线上的线状凹陷部分w.变形
玻璃基体偏离标准曲率所形成的凹凸不均匀的部分,W.雾痕
玻壳成型时,由于温度的关系,而在玻璃表面形成反射率不同的部分。x。脏污
玻璃表面被异物薄膜遮盖所形成的模糊不清的部分,y.油污
玻壳成型时,由于油碳化留在玻璃表面上的痕迹。通常为圆形的小点。Z.铁锈
含在玻璃内未扩展开的为透明的铁锈杂质。3.1.3其它名词术语
a.玻壳缺陷的尺寸为有效直径,用下式表示:有效直径=短径±长径(屈数四舍五人)2
3.1.4玻壳各部位划分
玻壳划分为管屏、管锥和管颈三个部分,管屏分为屏面和侧面两个部分。3.1.5玻壳各部位规范
3.1.5.1屏面规范
屏面划分为有效屏面和周边两个部分,有效屏面划分为A、B两个区域,其A区为有效屏面的中心区域,B区为有效屏面除去A区的剩余部分。A、B区尺寸的划分见表1、2、3、4和5的规定
YYKAONYKCa
(盈形)
(矩形)
(医形)
(矩形)
(墨形)
(距形)
(E型)
(绝形)
(医形)
(矩形)
有款所街区城
区城民寸
制余部分
140×197
剩余部分
(有效直径)
0.21~0.30
0.31~0.60
不透期象
质、敏气
0.16~0.30
0.41~0.60
0.76以上
0.31~0.50
0.51~0.65
0.51~0.80
0.66以上
1.01~1.25
0.76~1.25
0.66~1.25
充许数
GB8557-87
表1示波管和存储管
(有效直径)
不透明杂
质、气
构(有效
0.500.750.500.65
允许数
合计数
有效屏面缺陷规范表
医内的缺随的
气准(有
数直径)
0.20~0.30
0.20~0.40
0.25~0.60
0.50~0.75
0.25~0.75
不透明来
质、嵌气
范(有效
直径)
0.20~0.35
0.25~0.50
0.50~0.65
0.25~0.65
充样数
长气池”
0.10~0.20
0.20~0.35
0.20~0.40
0.20~0.40
0.13~0.25
0.26~0.50
0.13~0.25
0.26~0.50
3.0以下
4.0以下
6.0以下
12.0以下
6.0以下
19.0以下
9.0以下
注:1)50mm遇内的大缺席应作为=50mm图内的缺第充许数的一部分计数,西且按?50mm圈内的献照最不相互间隔判定,2)在规定长度以下的长气相用有效直格计第,百且作为大缺陷,小缺陷和50mm图内的缺陷允许数的一部分计数,但不按区城,缺陷录小相互同隔有效直格最大允许值判定,-8
YYkAoNYKAca
(版形)
(面形)
(距形)
(医形)
(矩形)
(测形)
(矩形)
(透形)
有热屏面区城
区城尺中
别余部分
60×80
剩余部分
剩余部分
90×120
剩余部分
剩余部分
127×178
剩余部分
聚余部分
(有效直径)
0.31~0.50
0.41~0.60
0.41~0.55
0.41~0.75
0.41~0.55
0.41~0.55
0.41~0.55
0.41~0.75
0.61~0.75
0.61~0.75
0.61~1.00
大缺陷
不透明杂质
破气瓶
(有效直径)
0.31~0.50
0.31~0.60
0.31~0.50
0.31~0.60
0.51~0.88
允作数
区城数
GB8557-87
表2黑白显象管和指示管玻亮有效屏面缺陷规范表小蒙阳
(有效直径)
YYKAoNYKAca
不透明杂质
(有效直径)
充许数
气(有
数直径)
0.25~0.40
50医内的缺陷1)
不透明杂
质,破气
润(有效
0.20~0.30
0.25~0.60
长气池2)
0.10~0.30
6.0以下
(矩影)
(超摄)
(离形)
(矩形)
(限形)
(能形)
有数屏园区城
区城尺社
127×178
剩余部分
剩余部分
140x197
制余部分
制余部分
165×222
别余都分
剩余部分
197×254
剩余部分
254×305
要余路分
(有效直征)
0.76以上
不避明
象馈、
破气池
(有效直径)
0.66以上
1.01~1.25
0.76以上
0.66~1.25
0.66以上
1.01~1.25
0.76~1.25
0.76以上
1.66~1.23
66以上
1.01~1.25
0.76~1.25
0.76以上
0.66~1.25
0.66以上
1.01~1.25
0.76~1.25
0.76以上
0.66~1.25
0.66以上
1.01~1.25
0.76~1.25
0.76以上
0.66~1.25
0.66以上
1.01~1.25
0.76~1.25
0.76以上
1.01~1.25
0.76~1.25
0.66~1.25
1.26~1.79
0.76~1.75
0.66~1.75
免许数
(有效直径)
0.50~0.75
GB8557-87
续表2
充许数
不通期
歌气池
(有效直径)
0.50~-0.45
注:1)650mm需内的大象陷应作为*50mm周内的缺陷光件数将一分计数,面丑签50mm图内的缺脑最小相或随判定,2)在集定长度以下的长准用有效直径计算,即几作为大款陷,小款陷和*50mm国内的就陷光许一部计数,任不放区蒙数—10
YYkAoNYKAca
(有效直径)
0.25~0.75
0.50~0.75
0.50~0.75
0.25~0.75
0.50~0.75
0.25~0.75
0.50~0.75
0.25~0.75
0.50~0.75
0.25~0.75
?50圆内的款陷!
不遵明
破气施
(有效直径)
0.50~0.65
0.50~0.65
0.50~0.65
0.25~0.65
0.50~0.65
0.25~0.65
0.50~0.65
0.25~0.65
0.50~0.65
0.25~0.65
0.50~0.65
0.25~0.65
充许数
蒙陷最小相互限质和大较脂有萨宜秘最大允许值判定长气施
0.13~0.25
0.13~0.25
0.13~0.25
0.26~0.50
0.13~0.25
0.26~0.50
0.13-0.25
0.26~0.50
0.13~0.25
0.13~0.25
0.13~0.25
0.26~0.50
0.13~0.25
0.26~0.50
0.13~0.25
0.26~0.50
0.26~0.50
0.13~0.25
0.13~0.29
0.26~0.50
0.13~0.25
12.0以下
6.0以下
19.0以下
9.0以下
12.0以下
6.0以下
19.0以下
9.0以下
12.0以下
6.0以下
-19.0以下
9.0以下
12.0以下
6.0以下
19.0以下
9.0以下
12.0以下
6.0以下
19.0以下
9.0以下
12.0以下
6.0以下
19.0以下
9.0以下
12.0以下
6.0以下
19.0以下
9.0以下
6.0以下
19.0以下
0以下
(矩形)
(距形)
E形)
(形)
(距形)
(矩形)
(矩胞)
(距形)
60×80
测余部分
90×120
剩余都分
127×178
剩余部分
127×178
剩余分
165×213
测余部分
187×238
测余部分
213×270
余部分
254×305
测余部分
GB 855787
表3彩色显象管玻亮有效屏面缺陷规范表大缺陷
(有效直构)
0.41~0.60
0.41~0.55
0.41~0.75
0.41~0.55
0.41~0.75
0.61~0.75
0.61~1.00
不到象
费、敏气施
(有效直径
0,31~0.50
0.51~0.65
0.76以上
0.76~1.25
0.76以上
0.76~1.25
0.76以上
0.76~1.25
0.76以上
0.76~1.25
0.76~1.25
1.26~1.75
允许数
(有效直径)
小快腩
不源明杂
质、破气油
有效直径)
0.51~0.75
0.25~0.50
0.51~0.75
0.51~0.75
0.25~0.50
0.51~0.75www.bzxz.net
0.25~0.50
0.51~0.75
0.25~0.50
0.51~0.75
0.51~0.75
0.51-0.75
0.51~0.75
允许数
争58国内的映快陷
(有效直径)
0.25~0.40
不透明杂
质,雅气油
(有效直径)
0.25~0.30
0.25~0.50
0.10~0.30
0.26~0.50
生:1)d50mm图内的大缺陷空作为450mm国内的缺陷允并数的一部分计数,且技*50mm照内的缺陷最小2)在境定长度以下的长气范用有效直径计第,面且作为大缺陷,小缺陷和650mm内的缺陷允许数的区域款、禁陷最小相互间隔有数直径最大允许值判定,YYkAoNYKAca
长气池”
6.0以下
12.7以下
19.1以上
12.7以上
19.1以上
12.7以上
19.1以下
12.7以下
19.1以下
12.7以下
19.1以下
允许数
小提示:此标准内容仅展示完整标准里的部分截取内容,若需要完整标准请到上方自行免费下载完整标准文档。
标准图片预览:





- 其它标准
- 热门标准
- 电子行业标准(SJ)
- SJ675-1983 DM-346电真空玻璃主要技术数据
- SJ50681.76-1994 SMC系列(不接电缆)插针接触件印制电路板用2级射频同轴插座连接器详细规范
- SJ/T31439-1994 除湿机完好要求和检查评定方法
- SJ/T10588.12-1994 DB-438型电子玻璃技术数据
- SJ1805-1981 2CC126型硅调频变容二极管
- SJ/T31445-1994 热力管道完好要求和检查评定方法
- SJ/T10783-1996 电子器件详细规范 半导体集成电路CD7176CP伴音中频放大电路(可供认证用)
- SJ1553-1980 测温型负温度系数热敏电阻器总技术条件
- SJ2241.7-1982 CWT9J型同心型微调电容器
- SJ2674-1986 电子器件详细规范 低功率非线绕固定电阻器RJ16型金属膜固定电阻器 评定水平E
- SJ3006.3-1988 组合冲模 下圆角刃口
- SJ3003.5-1988 组合冲模 圆形刃口
- SJ3020.3-1988 组合冲模 推板
- SJ50681.70-1994 N系列(接41.28mm半硬电缆)插孔接触件2级射频同轴插头连接器详细规范
- SJ20646-1997 混合集成电路DC/DC变换器测试方法
- 行业新闻
请牢记:“bzxz.net”即是“标准下载”四个汉字汉语拼音首字母与国际顶级域名“.net”的组合。 ©2025 标准下载网 www.bzxz.net 本站邮件:bzxznet@163.com
网站备案号:湘ICP备2025141790号-2
网站备案号:湘ICP备2025141790号-2