- 您的位置:
- 标准下载网 >>
- 标准分类 >>
- 国家标准(GB) >>
- GB/T 9578-1988 标准参比炭黑
标准号:
GB/T 9578-1988
标准名称:
标准参比炭黑
标准类别:
国家标准(GB)
标准状态:
已作废-
发布日期:
1988-06-29 -
实施日期:
1989-02-01 -
作废日期:
2002-12-01 出版语种:
简体中文下载格式:
.rar.pdf下载大小:
71.30 KB
替代情况:
被GB/T 9578-2002代替采标情况:
ASTM D1765-1986 NEQ
部分标准内容:
中华人民共和国国家标准
比炭黑
标准参
Standard refercnce black
1主题内容与适用范围
本标准规定了标准参比炭黑的标准值。本标准适用于制备标准胶料鉴定合成橡胶产品质量的标准参比炭黑。2引用标准
GB3780.1炭黑吸碘值的测定
GB3780.2炭黑邻米二甲酸二丁酯吸收值的测定GB3780.4炭黑邻苯二甲酸一丁酯吸收值的测定(压缩试样)GB3780.5炭黑比表面积的测定表面活性剂吸附法G3780.6炭黑着色强度的测定
GB3780.18炭黑在天然橡胶中配方及鉴定方法GB9580标推参比炭黑的鉴定方法3应用及意义
UDC 661.666.3
GB 9578—88
3.1标谁参比炭黑是-一种具有典型物化性能、质量均勺、性能稳定的橡胶用炭黑。可作为炭照生产厂橡胶加工厂验证试验重现性及再现性的标准物质。3.2标准参比炭黑用于标准配方中制备标准胶料以表征炭黑在橡胶中的物理机械性能。3.3标准参比炭黑是制订合成橡胶(丁苯橡胶、顺丁橡胶)产品国家标准及鉴定」举橡胶和顺丁橡胶产品质量的主要配合剂。
4标准参比炭黑的标准值
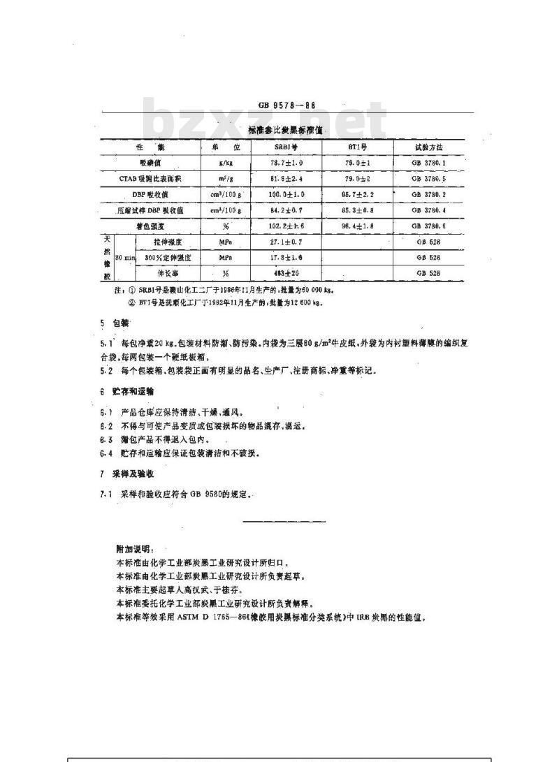
4.1标准参比炭黑SRB1号和BTI号的标准值见下表。中华人民共和国化学工业部1988-04-08批准1989-02-01实施
吸碘值
CTAB吸谢比表面积
DBP收值
压缩试样 DBP 吸收值
著色頭度
拉伸强度
30 min
300%定绅强度
伸长率
cm3/100g
cm=/100g
GB 9578-88
标准参比教黑标难值
SRB1号
78,7±1.0
81. 6±2.4
100. 0±1. 0
B4. 2 ±0. 7
102.2±h6
27.1±0.7
17.3±1.6
463±20www.bzxz.net
注,①SRB1号是蔽山化工二厂于1986年11月生产的,批量为60000k8。②BT1号是抚化工厂于1982年11月生产的,批量为12600k85包装
BT1号
95.7±2. 2
85. 3± 0. 8
96. 4±1. 8
试验方法
GB 3780.1
CB 3780.5
GB 3780. 2
GB 528
每包净熏20kg.包装材料防潮、防污染。内为三层80g/m*牛皮纸,外较为内衬塑料薄膜的编织复5.1
合接。每两包装一个硬纸板箱。5.2每个包装箱、包装按正面有明显的品名、生产厂,注册商标、净重等标记。6贮存和运输
6. 1产品仓库应保持清洁、干燥,通风。6.2不得与可使产品变质包装据坏的物品握存,握运,6.3谢包产品不得返入包内。
6.4配存和运输应保证包装清洁和不破损。7采样及验收
7.1采样和验收应符合GB9580的规定。附加说瞻:
本标准由化学工业部炭黑工业研究设计所归口。本标准由化学工业部炭熙工业研究设计所负责起草。本标准主要起草人高汉武、于桂芬。本标准委托化学工业部凝工业研究设计所负责解,本标准等效果用 ASTM D 1765一86橡胶用炭照标准分类系统》中 IRB炭黑的性能值。
小提示:此标准内容仅展示完整标准里的部分截取内容,若需要完整标准请到上方自行免费下载完整标准文档。
比炭黑
标准参
Standard refercnce black
1主题内容与适用范围
本标准规定了标准参比炭黑的标准值。本标准适用于制备标准胶料鉴定合成橡胶产品质量的标准参比炭黑。2引用标准
GB3780.1炭黑吸碘值的测定
GB3780.2炭黑邻米二甲酸二丁酯吸收值的测定GB3780.4炭黑邻苯二甲酸一丁酯吸收值的测定(压缩试样)GB3780.5炭黑比表面积的测定表面活性剂吸附法G3780.6炭黑着色强度的测定
GB3780.18炭黑在天然橡胶中配方及鉴定方法GB9580标推参比炭黑的鉴定方法3应用及意义
UDC 661.666.3
GB 9578—88
3.1标谁参比炭黑是-一种具有典型物化性能、质量均勺、性能稳定的橡胶用炭黑。可作为炭照生产厂橡胶加工厂验证试验重现性及再现性的标准物质。3.2标准参比炭黑用于标准配方中制备标准胶料以表征炭黑在橡胶中的物理机械性能。3.3标准参比炭黑是制订合成橡胶(丁苯橡胶、顺丁橡胶)产品国家标准及鉴定」举橡胶和顺丁橡胶产品质量的主要配合剂。
4标准参比炭黑的标准值
4.1标准参比炭黑SRB1号和BTI号的标准值见下表。中华人民共和国化学工业部1988-04-08批准1989-02-01实施
吸碘值
CTAB吸谢比表面积
DBP收值
压缩试样 DBP 吸收值
著色頭度
拉伸强度
30 min
300%定绅强度
伸长率
cm3/100g
cm=/100g
GB 9578-88
标准参比教黑标难值
SRB1号
78,7±1.0
81. 6±2.4
100. 0±1. 0
B4. 2 ±0. 7
102.2±h6
27.1±0.7
17.3±1.6
463±20www.bzxz.net
注,①SRB1号是蔽山化工二厂于1986年11月生产的,批量为60000k8。②BT1号是抚化工厂于1982年11月生产的,批量为12600k85包装
BT1号
95.7±2. 2
85. 3± 0. 8
96. 4±1. 8
试验方法
GB 3780.1
CB 3780.5
GB 3780. 2
GB 528
每包净熏20kg.包装材料防潮、防污染。内为三层80g/m*牛皮纸,外较为内衬塑料薄膜的编织复5.1
合接。每两包装一个硬纸板箱。5.2每个包装箱、包装按正面有明显的品名、生产厂,注册商标、净重等标记。6贮存和运输
6. 1产品仓库应保持清洁、干燥,通风。6.2不得与可使产品变质包装据坏的物品握存,握运,6.3谢包产品不得返入包内。
6.4配存和运输应保证包装清洁和不破损。7采样及验收
7.1采样和验收应符合GB9580的规定。附加说瞻:
本标准由化学工业部炭黑工业研究设计所归口。本标准由化学工业部炭熙工业研究设计所负责起草。本标准主要起草人高汉武、于桂芬。本标准委托化学工业部凝工业研究设计所负责解,本标准等效果用 ASTM D 1765一86橡胶用炭照标准分类系统》中 IRB炭黑的性能值。
小提示:此标准内容仅展示完整标准里的部分截取内容,若需要完整标准请到上方自行免费下载完整标准文档。
标准图片预览:


- 其它标准
- 热门标准
- 国家标准(GB)
- GB/T30917—2014 /ISo 29941:2010 天然胶乳橡胶避孕套中可迁移亚硝胺的测定
- GB/T12777-1999 金属波纹管膨胀节通用技术条件
- GB15193.5-2003 骨髓细胞微核试验
- GB/T29633.4-2020 南极地名 第4部分:罗马字母拼写
- GB/T39964-2021 造纸行业能源管理体系实施指南
- GB/T43929-2024 空间用纤维光学器件测试指南
- GB/T42970-2023 半导体集成电路 视频编解码电路测试方法
- GB/T43225-2023 空间物体登记要求
- GB15985-1995 丝虫病诊断标准及处理原则
- GB19159-2003 车用液化石油气
- GB/T7407-1997 中国及世界主要海运贸易港口代码
- GB1913.2-1990 漂白浸渍绝缘纸
- GB14287.4-2014 电气火灾监控系统 第4部分:故障电弧探测器
- GB5237.3-2008 铝合金建筑型材 第3部分:电泳涂漆型材
- GB/T9771.6-2020 通信用单模光纤 第6部分:宽波长段 光传输用非零色散单模光纤特性
- 行业新闻
请牢记:“bzxz.net”即是“标准下载”四个汉字汉语拼音首字母与国际顶级域名“.net”的组合。 ©2025 标准下载网 www.bzxz.net 本站邮件:bzxznet@163.com
网站备案号:湘ICP备2025141790号-2
网站备案号:湘ICP备2025141790号-2