- 您的位置:
- 标准下载网 >>
- 标准分类 >>
- 国家标准(GB) >>
- GB 5670.1-1985 旋转式喷头 型式与基本参数
标准号:
GB 5670.1-1985
标准名称:
旋转式喷头 型式与基本参数
标准类别:
国家标准(GB)
标准状态:
已作废-
实施日期:
1986-10-01 出版语种:
简体中文下载格式:
.rar.pdf下载大小:
1.42 MB
替代情况:
调整为JB/T 7867.1-1995采标情况:
ISO/DIS 7749/1-1983 NEQ
部分标准内容:
中华人民共和国国家标准
旋转式喷头
型式与基本参数
Rotating sprinklers-
Types and specifications
本标准适用于各种灌溉用的常用喷射仰角旋转式喷头,UDC 631.347-1
GB 5670.1—85
本标准参照采用国际标准IS0/DIS7749/1一1983《灌溉设备一旋转式喷头一第一部分设计与运行要求》。
1喷头型式与型号
旋转式喷头的型式按驱动机构的特点分类和命名。如摇臂式、叶轮式、挡片式等。1.2型号
旋转式喷头的型号由五部分组成,其意义如下:P
附加机械的名称代号,用大写汉语拼音字母表示喷嘴数(单嘴喷头可以省略)
型式代号:Y表示摇臂式,L表示叶轮式,D表示挡片式喷头
喷头进水口公称直径,mm
示例:
进水口公称直径为15mm的双喷嘴摇臂式喷头:15PY2
进水口公称直径为50mm、装有换向机构的双喷嘴叶轮式喷头:50PL2H
进水口公称直径为40mm的单喷嘴垂直摇臂式喷头。40PYC
2基本参数
常用喷射仰角旋转式喷头的基本参数应符合表1和表2中所列数值,2.2表1和表2中喷嘴直径一栏,对圆锥形喷嘴为出水口圆柱段的截面直径;对其他截面的喷嘴为国家标准局1985-11-25发布
1986-10-01实施
当量直径。当量直径用下式计算:式中:d-
喷嘴当量直径,mm;
一喷头实侧流量,m/h;
P——喷头的工作压力,bar
GB5670.1—85
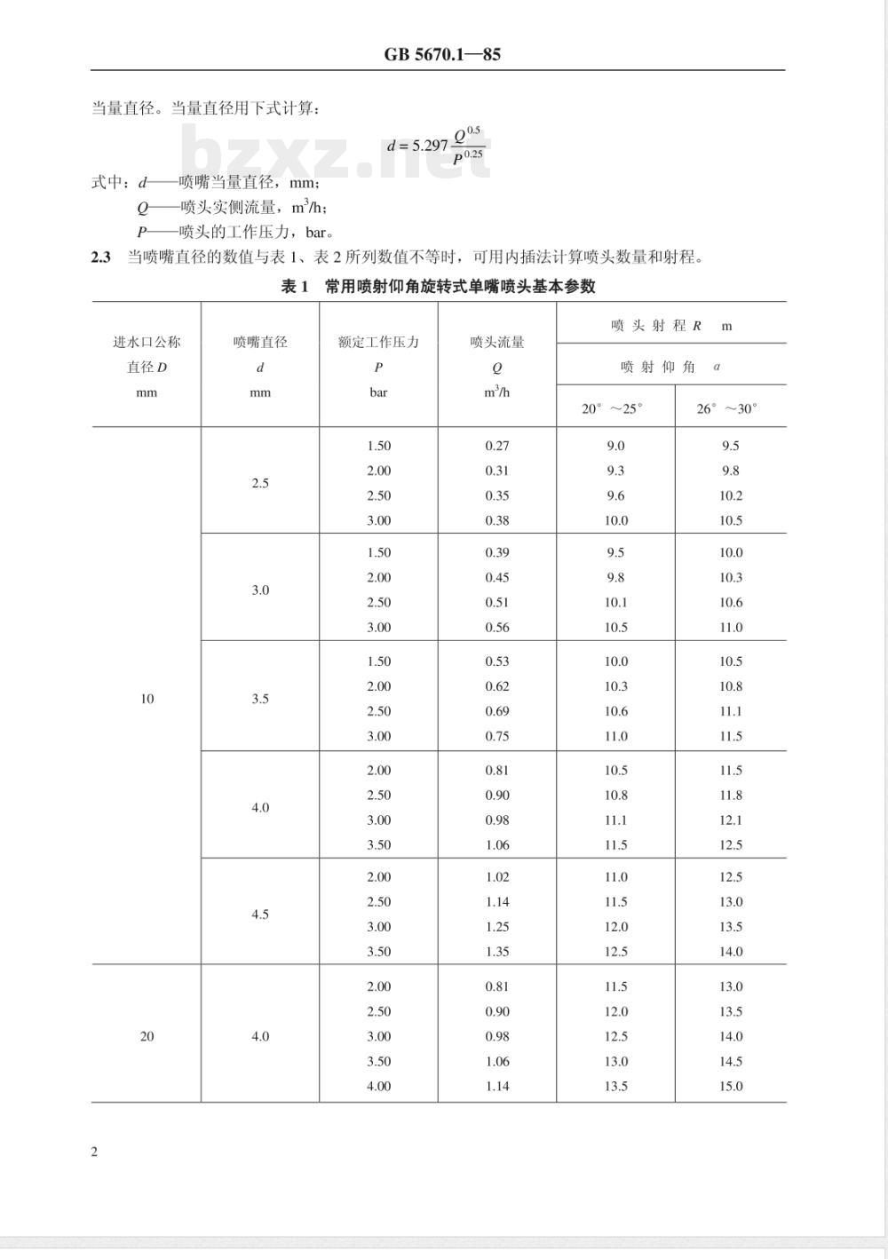
2.3当喷嘴直径的数值与表1、表2所列数值不等时,可用内插法计算喷头数量和射程。1常用喷射仰角旋转式单嘴喷头基本参数表1
进水口公称
直径D
喷嘴直径
额定工作压力
喷头流量
喷头射程R
喷射仰角
20°~25°
26°~30°
进水口公称
直径D
喷嘴直径
GB 5670.1—85
续表1
喷头流量
额定工作压力
喷头射程R
喷射仰角
20°~25°
26°~30°
进水口公称
直径D
喷嘴直径
GB 5670.1—85
续表1
额定工作压力
喷头流量
喷头射程R
喷射仰角
20°~25°
26°~30°
进水口公称
直径D
喷嘴直径
GB 5670.1—85
续表1
喷头流量
额定工作压力
喷头射程R
喷射仰角
20°~25°
26°~30°
进水口公称
直径D免费标准bzxz.net
喷嘴直径
GB 5670.1—85
续表1
额定工作压力
喷头流量
喷头射程R
喷射仰角
20°~25°
26°~30°
进水口公称
直径D
喷嘴直径
GB 5670.1—85
续表1
额定工作压力
喷头流量
喷头射程R
喷射仰角
20°~25°
26°~30°
进水口公称
直径D
喷嘴直径
GB 5670.1—85
续表1
额定工作压力
喷头流量
喷头射程R
喷射仰角
20°~25°
26°~30°
进水口公称
直径D
喷嘴直径
d主xd副
GB 5670.1—85
常用喷射仰角旋转式双嘴喷头基本参数额定工作压力
喷头流量
喷头射程R
喷射仰角
20°~25°
26°~30°
进水口公称
直径D
喷嘴直径
d主xd副
GB 5670.1—85
续表2
额定工作压力
喷头流量
喷头射程R
喷射仰角
20°~25°
26°~30°
进水口公称
直径D
喷嘴直径
d主xd副
GB 5670.1—85
续表2
额定工作压力
喷头流量
喷头射程R
喷射仰角α
20°~25°
26°~30°
小提示:此标准内容仅展示完整标准里的部分截取内容,若需要完整标准请到上方自行免费下载完整标准文档。
旋转式喷头
型式与基本参数
Rotating sprinklers-
Types and specifications
本标准适用于各种灌溉用的常用喷射仰角旋转式喷头,UDC 631.347-1
GB 5670.1—85
本标准参照采用国际标准IS0/DIS7749/1一1983《灌溉设备一旋转式喷头一第一部分设计与运行要求》。
1喷头型式与型号
旋转式喷头的型式按驱动机构的特点分类和命名。如摇臂式、叶轮式、挡片式等。1.2型号
旋转式喷头的型号由五部分组成,其意义如下:P
附加机械的名称代号,用大写汉语拼音字母表示喷嘴数(单嘴喷头可以省略)
型式代号:Y表示摇臂式,L表示叶轮式,D表示挡片式喷头
喷头进水口公称直径,mm
示例:
进水口公称直径为15mm的双喷嘴摇臂式喷头:15PY2
进水口公称直径为50mm、装有换向机构的双喷嘴叶轮式喷头:50PL2H
进水口公称直径为40mm的单喷嘴垂直摇臂式喷头。40PYC
2基本参数
常用喷射仰角旋转式喷头的基本参数应符合表1和表2中所列数值,2.2表1和表2中喷嘴直径一栏,对圆锥形喷嘴为出水口圆柱段的截面直径;对其他截面的喷嘴为国家标准局1985-11-25发布
1986-10-01实施
当量直径。当量直径用下式计算:式中:d-
喷嘴当量直径,mm;
一喷头实侧流量,m/h;
P——喷头的工作压力,bar
GB5670.1—85
2.3当喷嘴直径的数值与表1、表2所列数值不等时,可用内插法计算喷头数量和射程。1常用喷射仰角旋转式单嘴喷头基本参数表1
进水口公称
直径D
喷嘴直径
额定工作压力
喷头流量
喷头射程R
喷射仰角
20°~25°
26°~30°
进水口公称
直径D
喷嘴直径
GB 5670.1—85
续表1
喷头流量
额定工作压力
喷头射程R
喷射仰角
20°~25°
26°~30°
进水口公称
直径D
喷嘴直径
GB 5670.1—85
续表1
额定工作压力
喷头流量
喷头射程R
喷射仰角
20°~25°
26°~30°
进水口公称
直径D
喷嘴直径
GB 5670.1—85
续表1
喷头流量
额定工作压力
喷头射程R
喷射仰角
20°~25°
26°~30°
进水口公称
直径D免费标准bzxz.net
喷嘴直径
GB 5670.1—85
续表1
额定工作压力
喷头流量
喷头射程R
喷射仰角
20°~25°
26°~30°
进水口公称
直径D
喷嘴直径
GB 5670.1—85
续表1
额定工作压力
喷头流量
喷头射程R
喷射仰角
20°~25°
26°~30°
进水口公称
直径D
喷嘴直径
GB 5670.1—85
续表1
额定工作压力
喷头流量
喷头射程R
喷射仰角
20°~25°
26°~30°
进水口公称
直径D
喷嘴直径
d主xd副
GB 5670.1—85
常用喷射仰角旋转式双嘴喷头基本参数额定工作压力
喷头流量
喷头射程R
喷射仰角
20°~25°
26°~30°
进水口公称
直径D
喷嘴直径
d主xd副
GB 5670.1—85
续表2
额定工作压力
喷头流量
喷头射程R
喷射仰角
20°~25°
26°~30°
进水口公称
直径D
喷嘴直径
d主xd副
GB 5670.1—85
续表2
额定工作压力
喷头流量
喷头射程R
喷射仰角α
20°~25°
26°~30°
小提示:此标准内容仅展示完整标准里的部分截取内容,若需要完整标准请到上方自行免费下载完整标准文档。
标准图片预览:





- 其它标准
- 热门标准
- 国家标准(GB)
- GB/T30917—2014 /ISo 29941:2010 天然胶乳橡胶避孕套中可迁移亚硝胺的测定
- GB/T12777-1999 金属波纹管膨胀节通用技术条件
- GB15193.5-2003 骨髓细胞微核试验
- GB/T29633.4-2020 南极地名 第4部分:罗马字母拼写
- GB/T39964-2021 造纸行业能源管理体系实施指南
- GB/T43929-2024 空间用纤维光学器件测试指南
- GB/T43225-2023 空间物体登记要求
- GB15985-1995 丝虫病诊断标准及处理原则
- GB19159-2003 车用液化石油气
- GB/T7407-1997 中国及世界主要海运贸易港口代码
- GB1913.2-1990 漂白浸渍绝缘纸
- GB14287.4-2014 电气火灾监控系统 第4部分:故障电弧探测器
- GB5237.3-2008 铝合金建筑型材 第3部分:电泳涂漆型材
- GB/T9771.6-2020 通信用单模光纤 第6部分:宽波长段 光传输用非零色散单模光纤特性
- GB29140-2024 纯碱单位产品能源消耗限额
- 行业新闻
请牢记:“bzxz.net”即是“标准下载”四个汉字汉语拼音首字母与国际顶级域名“.net”的组合。 ©2025 标准下载网 www.bzxz.net 本站邮件:bzxznet@163.com
网站备案号:湘ICP备2025141790号-2
网站备案号:湘ICP备2025141790号-2