- 您的位置:
- 标准下载网 >>
- 标准分类 >>
- 化工行业标准(HG) >>
- HG/T 2738-1995 轮胎定型硫化机用平面二次包络环面蜗杆减速机系列与基本参数
标准号:
HG/T 2738-1995
标准名称:
轮胎定型硫化机用平面二次包络环面蜗杆减速机系列与基本参数
标准类别:
化工行业标准(HG)
英文名称:
Series and basic parameters of flat double enveloping toroidal worm reducers for tire shaping and vulcanizing machines标准状态:
已作废-
发布日期:
1995-07-05 -
实施日期:
1996-03-01 -
作废日期:
2004-08-01 出版语种:
简体中文下载格式:
.rar.pdf下载大小:
107.10 KB
手机扫码下载更方便
中标分类号:
化工>>化工机械与设备>>G95橡胶、塑料用机械
替代情况:
HG 5-1614-1986
部分标准内容:
中华人民共和国化工行业标准
HG/T2738-—95
轮胎定型硫化机用平面二次包络环面蜗杆减速机系列与基本参数
1995-0705发布
中华人民共和国化学工业部
精准换网m.baonno.con199603-01实施
中华人民共和国化工行业标准
轮胎定型硫化机用平面二次包络环面蜗杆减速机系列与基本参数
主题内容与适用范围
IIG/T2738--95
本标准规定了轮胎定型硫化机用平面二次包络环面蜗杆减速机的系列与基本参数。本标准适用于轮胎定型殖化机用的平面二次包络环面蜗杆减速机。系列
单级平面二次包络环面蜗杆减速机中心距.265,320,360,450mm。双级平面二次包络环面蜗托减速机中心距:140/280mm。型式
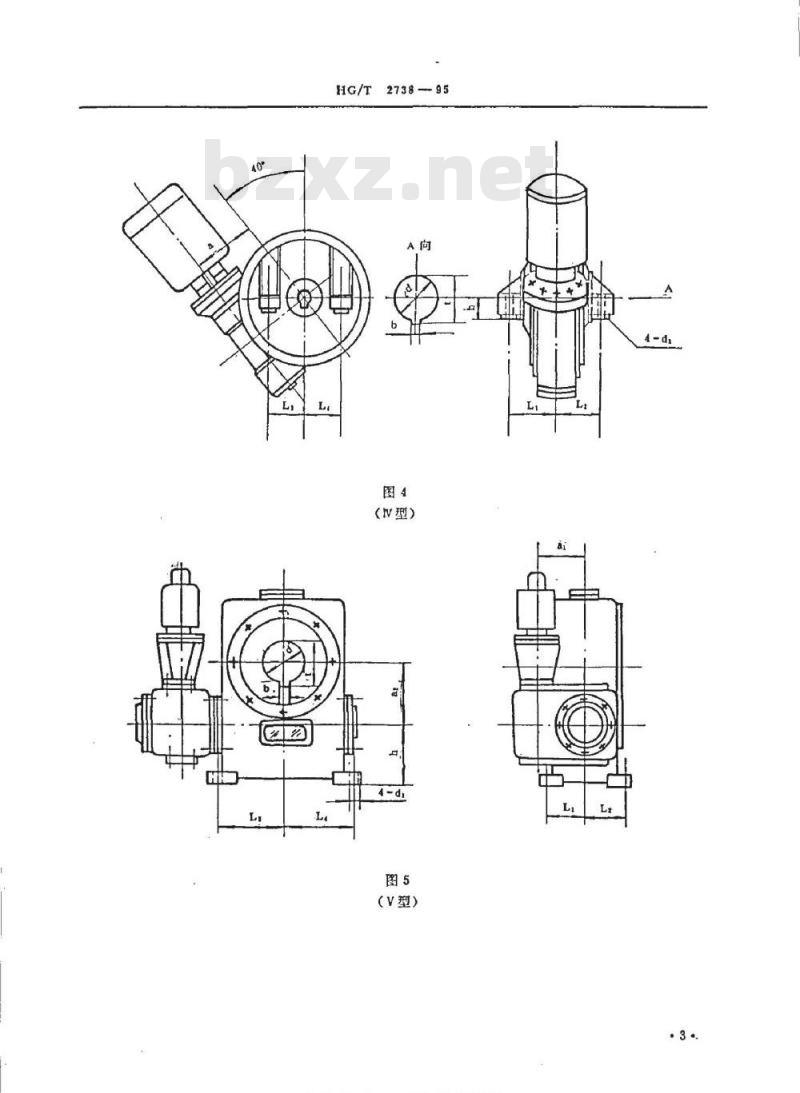
平面二次包络环面蜗杆减速机的型式见图1、图2、图3、图4、图5.基本参数
平面二次包络环面蜗杆减速机的基本参数及主要安装尺寸应符合表1、表2的规定。A向
(I型)
中华人民共和国化学工业部1995-07-05批准标准规网m
各类标湿行业资科免费下载
1996-03-01实施
273895
(I型)
(耳型)
标准执接网.mm.ba80vccHG/T2738-95
(v型)
(V型)
标准提热网mm.baeo
.各类标准行业资科免需下载
中心距
蜗杆分度
圆直径
HG/T2738—95
单级减速机
减速机电机
*轮胎定型硫化机专用电机(型号为JQLX或JZ2一H)。L
表2双级减速机
第一级传动
第二级传动
减速机
寸,mm
主要安装
212.5212.5320320
2612732
标准携获网mmba8080oca各类标准行业资科免费下载减速机
中心距a
140/280
140/280
附加说明:
传动比
HG/T2738—95
附录A
速机所适用的轮胎定型硫化机
(参考件)
用于轮胎定型疏化机
mm(in)
910(36)
1030(40.5)
1170(46)
1050(42)
1170(46)
1170(46)
1310(55)
1525(63.5)
1900(75)
1400(55)
2160(85)
2500(100)
2500(100)
1525(63.5)
1525(63.5)
本标准由中国化工装备总公司提出。最大合模力
1030(105)
1330(135)
1716(175)
1370(140)
1960(200)
2160(220)
2890(295)
4220(430)
6470(660)
2940(300)
8430(850)
(翻转传动用)
12750(1300)
4220(430)
4220(430)wwW.bzxz.Net
本标准由全国橡胶塑料机械标准化技术委员会橡胶机械标准化分技术委员会归口。本标准由北京橡胶工业研究设计院负责起草。本标准主要起草人赖维虎。
本标准自实施之日起原化工部标准HG5-1614-86作废。标准控控网m.besoso.ccm5
HG/T2738-—95
轮胎定型硫化机用平面二次包络环面蜗杆减速机系列与基本参数
1995-0705发布
中华人民共和国化学工业部
精准换网m.baonno.con199603-01实施
中华人民共和国化工行业标准
轮胎定型硫化机用平面二次包络环面蜗杆减速机系列与基本参数
主题内容与适用范围
IIG/T2738--95
本标准规定了轮胎定型硫化机用平面二次包络环面蜗杆减速机的系列与基本参数。本标准适用于轮胎定型殖化机用的平面二次包络环面蜗杆减速机。系列
单级平面二次包络环面蜗杆减速机中心距.265,320,360,450mm。双级平面二次包络环面蜗托减速机中心距:140/280mm。型式
平面二次包络环面蜗杆减速机的型式见图1、图2、图3、图4、图5.基本参数
平面二次包络环面蜗杆减速机的基本参数及主要安装尺寸应符合表1、表2的规定。A向
(I型)
中华人民共和国化学工业部1995-07-05批准标准规网m
各类标湿行业资科免费下载
1996-03-01实施
273895
(I型)
(耳型)
标准执接网.mm.ba80vccHG/T2738-95
(v型)
(V型)
标准提热网mm.baeo
.各类标准行业资科免需下载
中心距
蜗杆分度
圆直径
HG/T2738—95
单级减速机
减速机电机
*轮胎定型硫化机专用电机(型号为JQLX或JZ2一H)。L
表2双级减速机
第一级传动
第二级传动
减速机
寸,mm
主要安装
212.5212.5320320
2612732
标准携获网mmba8080oca各类标准行业资科免费下载减速机
中心距a
140/280
140/280
附加说明:
传动比
HG/T2738—95
附录A
速机所适用的轮胎定型硫化机
(参考件)
用于轮胎定型疏化机
mm(in)
910(36)
1030(40.5)
1170(46)
1050(42)
1170(46)
1170(46)
1310(55)
1525(63.5)
1900(75)
1400(55)
2160(85)
2500(100)
2500(100)
1525(63.5)
1525(63.5)
本标准由中国化工装备总公司提出。最大合模力
1030(105)
1330(135)
1716(175)
1370(140)
1960(200)
2160(220)
2890(295)
4220(430)
6470(660)
2940(300)
8430(850)
(翻转传动用)
12750(1300)
4220(430)
4220(430)wwW.bzxz.Net
本标准由全国橡胶塑料机械标准化技术委员会橡胶机械标准化分技术委员会归口。本标准由北京橡胶工业研究设计院负责起草。本标准主要起草人赖维虎。
本标准自实施之日起原化工部标准HG5-1614-86作废。标准控控网m.besoso.ccm5
小提示:此标准内容仅展示完整标准里的部分截取内容,若需要完整标准请到上方自行免费下载完整标准文档。
标准图片预览:





- 其它标准
- 热门标准
- 化工行业标准(HG)
- HG/T20592-2009 钢制管法兰(PN系列)
- HG/T20519-2009 代替 HG/T 20519-1992 化工工艺设计施工图内容和深度统一规定
- HG20571-2014 代替 HG 20571-1995 化工企业安全卫生设计规范
- HG/T5624-2019 工业用四羟甲基硫酸磷
- HG/T20615-2009 钢制管法兰(Class系列)
- HG/T20613-2009 钢制管法兰用紧固件(PN系列)
- HG/T20553-2011 代替 HG 20553-1993 化工配管用无缝及焊接钢管尺寸选用系列
- HG/T20206-2017 代替 HG 20206-1992 化工机器安装工程施工及验收规范(中小型活塞式压缩机)
- HG/T21547-2016 代替 HG 21547-1993 管道用钢制插板、垫环、8字盲板系列
- HG/T21574-2018 代替 HG/T 21574-2008 化工设备吊耳设计选用规范
- HG/T2373-2004 代替 HG/T 2373-1992 搪玻璃开式贮存容器
- HG20583-1998 钢制化工容器结构设计规定
- HG/T20606-2009 钢制管法兰用非金属平垫片(PN系列)
- HG/T20634-2009 钢制管法兰用紧固件(Class系列)
- HG/T20505-2014 过程测量与控制仪表的功能标志及图形符号
- 行业新闻
请牢记:“bzxz.net”即是“标准下载”四个汉字汉语拼音首字母与国际顶级域名“.net”的组合。 ©2025 标准下载网 www.bzxz.net 本站邮件:wymp4wang@gmail.com