- 您的位置:
- 标准下载网 >>
- 标准分类 >>
- 化工行业标准(HG) >>
- HG/T 2145.1-1991 搪玻璃手孔 平盖手孔
标准号:
HG/T 2145.1-1991
标准名称:
搪玻璃手孔 平盖手孔
标准类别:
化工行业标准(HG)
英文名称:
Glass-lined handholes, flat cover handholes标准状态:
已作废-
发布日期:
1991-08-19 -
实施日期:
1992-01-01 -
作废日期:
2009-07-01 出版语种:
简体中文下载格式:
.rar.pdf下载大小:
160.85 KB
标准ICS号:
化工技术>>化工设备>>71.120.99其他化工设备中标分类号:
化工>>化工机械与设备>>G94非金属化工机械设备
替代情况:
被HG/T 2145.1-2009代替
部分标准内容:
中华人民共和国化工行业标
糖玻璃手孔
!主题内容与适用范围
盖手孔
HG / T 2145. 1 -—91
本标罹规定了携玻璃设备用驱盖手孔的型武、基术参数及尺寸、技术嬰求等,本标适用乎公称压力小或等于1.0Pa介所激提为高小-21低或等1200的携玻璃平盖手孔。
2引用标准
GB97.1.平挚圈
GI5780六角头螺栓C级
GH 5782六角头螺栓A级和B级
GB 61701型六角螺压A级和B级
ZB G 94004塘玻璃设备技术条件:HG/T2105塘玻璃设备活套法兰IIG/T2143携玻璃设备管口
3·型式、基本参数及尺寸
3.1型式、盐本参数及尺寸见图1及表1、表2.中华人民共和国化学工业部1991-08-19批准1992-01-01 实施
GB5782
GB6170
HG /T 2105
HG/ T 2050
HG / T 2045. 1 -- 91
表明细装
华垫图
适套法荣
KTH 350-10 或 ZG 270- 500
软质材料
Q235-A
见尺寸表
塘玻璃
公称压力PN
3.2标记示例
公称直径bZxz.net
HG / T 2045. 1 91
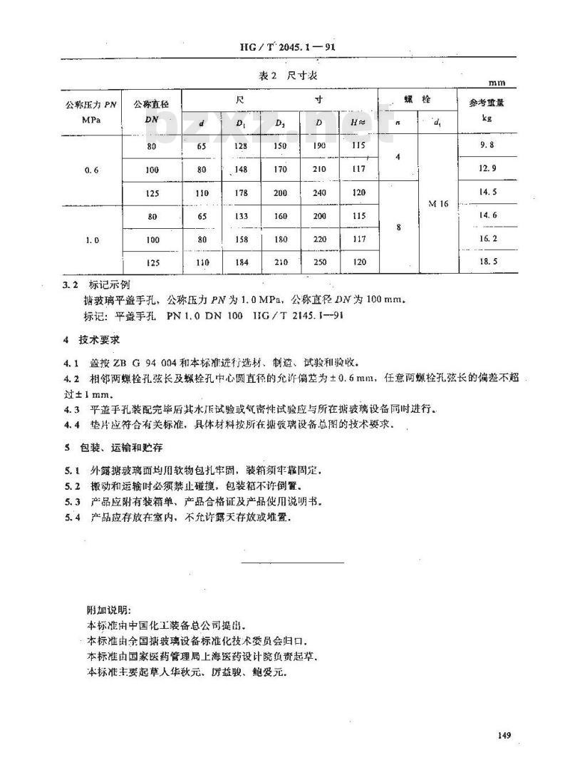
表2、尺寸表
塘玻璃平盖手孔,公称压力PN为1.0MPa,公称直DN为100mm.标记:平盖手孔 PN 1.0 DN 100 IIG /T 2145.1—-914技术要求
4.1盖按ZBG94004和本标准进行选材、制道、试验利验收、mm
参考重壁
4.相两螺栓孔弦长及螺栓孔中心圆直径的允许偏差为土0.6mm,任意两螺检孔弦长的偏差不超过±1mm.
4.3平盖乎孔装配完毕后其水正试验或气密性试验应与所在携玻璃设备同时进行4.4垫片应符合有关标准,具体材料按所在糖玻璃设备总图的技术要求.S、包装、运输和贮存
5.1外鳍塘玻璃面均用软物包扎牢固,装箱须牢靠固定,5.2搬动和运输时必须禁止碰撞,包装箱不许倒置。5.3产品应附有装箱单,产品合格证及产品使用说期书,5.4产品应存放在室内,不允许露天存放或堆置.附加说明:
本标准由中国化工装备总公司提街,本标准由余国据玻璃设备标准化技术委员会归口,本标雅由国家医药管理局上海医药设计院鱼费草,本标准主要起草人华秋元、厉益骏、鲍爱元,149
小提示:此标准内容仅展示完整标准里的部分截取内容,若需要完整标准请到上方自行免费下载完整标准文档。
糖玻璃手孔
!主题内容与适用范围
盖手孔
HG / T 2145. 1 -—91
本标罹规定了携玻璃设备用驱盖手孔的型武、基术参数及尺寸、技术嬰求等,本标适用乎公称压力小或等于1.0Pa介所激提为高小-21低或等1200的携玻璃平盖手孔。
2引用标准
GB97.1.平挚圈
GI5780六角头螺栓C级
GH 5782六角头螺栓A级和B级
GB 61701型六角螺压A级和B级
ZB G 94004塘玻璃设备技术条件:HG/T2105塘玻璃设备活套法兰IIG/T2143携玻璃设备管口
3·型式、基本参数及尺寸
3.1型式、盐本参数及尺寸见图1及表1、表2.中华人民共和国化学工业部1991-08-19批准1992-01-01 实施
GB5782
GB6170
HG /T 2105
HG/ T 2050
HG / T 2045. 1 -- 91
表明细装
华垫图
适套法荣
KTH 350-10 或 ZG 270- 500
软质材料
Q235-A
见尺寸表
塘玻璃
公称压力PN
3.2标记示例
公称直径bZxz.net
HG / T 2045. 1 91
表2、尺寸表
塘玻璃平盖手孔,公称压力PN为1.0MPa,公称直DN为100mm.标记:平盖手孔 PN 1.0 DN 100 IIG /T 2145.1—-914技术要求
4.1盖按ZBG94004和本标准进行选材、制道、试验利验收、mm
参考重壁
4.相两螺栓孔弦长及螺栓孔中心圆直径的允许偏差为土0.6mm,任意两螺检孔弦长的偏差不超过±1mm.
4.3平盖乎孔装配完毕后其水正试验或气密性试验应与所在携玻璃设备同时进行4.4垫片应符合有关标准,具体材料按所在糖玻璃设备总图的技术要求.S、包装、运输和贮存
5.1外鳍塘玻璃面均用软物包扎牢固,装箱须牢靠固定,5.2搬动和运输时必须禁止碰撞,包装箱不许倒置。5.3产品应附有装箱单,产品合格证及产品使用说期书,5.4产品应存放在室内,不允许露天存放或堆置.附加说明:
本标准由中国化工装备总公司提街,本标准由余国据玻璃设备标准化技术委员会归口,本标雅由国家医药管理局上海医药设计院鱼费草,本标准主要起草人华秋元、厉益骏、鲍爱元,149
小提示:此标准内容仅展示完整标准里的部分截取内容,若需要完整标准请到上方自行免费下载完整标准文档。
标准图片预览:



- 其它标准
- 热门标准
- 化工行业标准(HG)
- HG/T20518-2008 化工粉体工程设计通用规范
- HG/T3219-2009 代替 HG/T 3219-1999 搪玻璃平面阀
- HG∕T5056-2016 GB 7544在天然橡胶胶乳避孕套质量管理中的使用指南
- HG/T2956.5-2001 硼镁矿石中氧化亚铁含量的测定重铬酸钾 容量法
- HG/T2017-2011 代替 HG/T 2017-2000 普通运动鞋
- HG/T3276-2019 代替 HG/T 3276-2012 腐植酸铵肥料分析方法
- HG/T3449-1999 化学试剂 甲基红
- HG/T5036-2016 常温有机硫转化吸收催化剂催化性能试验方法
- HG/T2371-2003 代替 HG/T 2371-1992 搪玻璃开式搅拌容器
- HG/T3459-2003 化学试剂 顺丁烯二酸酐
- HG/T4221-2011 双组分室温硫化有机硅模具胶
- HG/T4323-2012 循环冷却水中军团菌的检测与计数
- HG/T3431-2010 代替 HG/T 3431-2001 酸性红 R(C. I. 酸性红 18)
- HG/T22805.1-2016 代替 HG 22805.1-1993 化工矿山企业施工图设计内容和深度的规范一地质●采矿专业
- HG/T4019-2008 化学试剂 间甲酚紫
- 行业新闻
请牢记:“bzxz.net”即是“标准下载”四个汉字汉语拼音首字母与国际顶级域名“.net”的组合。 ©2025 标准下载网 www.bzxz.net 本站邮件:bzxznet@163.com
网站备案号:湘ICP备2025141790号-2
网站备案号:湘ICP备2025141790号-2