- 您的位置:
- 标准下载网 >>
- 标准分类 >>
- 电子行业标准(SJ) >>
- SJ/T 10992-1996 电子器件详细规范 2CW412~473型硅电压调整二极管(可供认证用)
【电子行业标准(SJ)】 电子器件详细规范 2CW412~473型硅电压调整二极管(可供认证用)
本网站 发布时间:
2024-07-14 17:15:25
- SJ/T10992-1996
- 现行
- 点击下载此标准
标准号:
SJ/T 10992-1996
标准名称:
电子器件详细规范 2CW412~473型硅电压调整二极管(可供认证用)
标准类别:
电子行业标准(SJ)
标准状态:
现行-
发布日期:
1996-11-20 -
实施日期:
1997-01-01 出版语种:
简体中文下载格式:
.rar.pdf下载大小:
639.84 KB
替代情况:
原标准号GB 9595-88
点击下载
标准简介:
标准下载解压密码:www.bzxz.net
SJ/T 10992-1996 电子器件详细规范 2CW412~473型硅电压调整二极管(可供认证用) SJ/T10992-1996
部分标准内容:
UDC621.385.2
中华人民共和国国家标准
GB8595--88
降为SJ/T10992-96
电子元器件详细规范
2CW412~473型硅电压调整二极管Detail specification for electronic componentSilicon voltage-regulator diodesfortypes2CW412~473
1988-06-29发布
国家标准局发布
1989-03-01实施
中华人民共和国国家标准
电子元器件详细规范
2CW412~473型硅电压调整二极管Detail specification for electronic componentSilicon voltage-regulator diodes for types 2CW412~473(可供认证用)
本标准规定了2CW412~473型硅电压调整二极管的详细要求。本标准适用于2CW412~473型硅电压调整二极管。GB9595-—88
本标准是按GB6589《电压调整和电压基准二极管(包括温度补偿精密基准二极管)空白详细规范》制订的。符合GB4936.1《半导体分立器件总规范》Ⅱ类的要求。中华人民共和国电子工业部1988-03-09批准1989-03-01实施
国家标准局
评定器件质量的根据,GB4936.1《半导体分立器件总规范》
2CW412~473型详细规范
订货资料:见本规范第7章
1机桃说明
GB9595-88
外形标准,GB7581《半导体分立器件外形尺寸》中代号D2-02A
外形图和引出端识别:
最小值
标志,见本规范第6.1条
标称值
最大值
GB9595-—88
2简略说明
电压调整二极管,
半导体材料:硅
封装:玻璃(非空腔)
应用:在彩色电视机、无线电电子设备中作电压调整用。
3质量评定类别
参考数据
V+aom: 2.0~36V
Pt...500mW
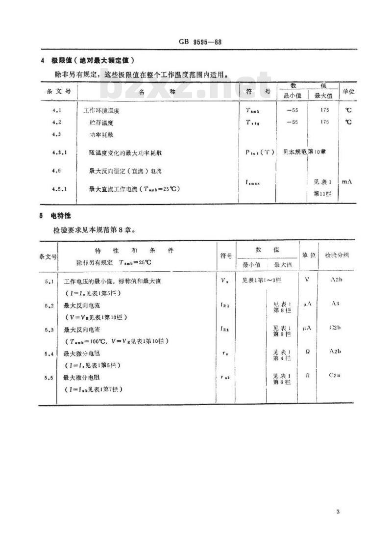
极限值(绝对最大额定值)
GB9595—88
除非另有规定,这些极限值在整个工作温度范围内适用。条文号
电特性
工作环境温度
贮存温度
功率耗散
随温度变化的最大功率耗散
晨大反向恒定(直流)电流
最大直流工作电流(Tm=25℃)
检验要求见本规范第8章。
条文号
除非另有规定T.mb=25℃
工作电压的最小值,标称值利最大值([=I,见表1第5栏)
最大反询电流
(V=Vr见表1第10栏)
最大反向电流
(Tamb=100℃,V=V见表1第10栏)最大微分电阻
(1=I,见表1第5档)
最大微分电阻
(1=I见表1第7栏)
Ptot(T)
最小值
最小值
最大值
见本规范第10章
见表1
第11栏
最大值
见表1第1~3栏
见表!
第8栏
见表1
第9栏
见表!
见表1
第6栏
检验分组
GB9595-88
(工作电压工作电压工作电压最大微分实
电参数!
最小值
标称值
2CW412
2CW413
2CW414
2CW415
2CW416
2CW417
2CW418
2CW419
2CW420
2CW421
2CW422
2CW423
2CW424
:CW426
2CW427
2CW428
2CW429
2CW430
2CW431
2CW-32
2CW433
2CW434
ECW435
2CW436
2CW438
2CW429
2CW441
\CW442
I=I,
电参数规范表
晨大微分
(mA)
作最大反向高温最大
反向电流
(uA)
(μA)
100℃
最大直流
空作电流
工作电压工作电压
电参数
2CW443
2CW444
2CW445
2CW446
2CW447
2CW448
2CW449
2CW460
20W451
2CW452
2CW453
2CW454
2CW455
2CW456
2CW-157
2CW458
2CW459
2CW460
2CW461
2CW462
2CW463
2CW404
2CW-65
2CW466
2CW467
2CW468
2CW469
2CW470
2CW471
2CW472
2CW473
标称值
GB9595--88
续表1
工作电流最大微分
最大值
(mA)
最大微分
(m4)
最大反司高温最大反
友司电流
(uA)
I(HA)
100℃
最天直流
作电流
6标志
6.1器件上的标志
引出端识别:色环,
简略型号:例如:w412,
制造厂代号或商标。
6.2包装盒(袋)上的标志
GB9595--88
器件名称、型号(和简略型号)和质量类别:制造厂名称、代号和商标,
检验批识别代码,
d。其它
7订货资料
a。型号,
b.本规范编号,
c。其它。
8试验条件和检验要求
本章中除非另有规定,引用的条文号对应于GB4936.1的条文号,测试方法引自GB4936.1第6.1.1条。
A组一逐批
全部试验都是非破坏性的(3.6.6)条
检验或试验
Ai分组
外部口检
A2a分组
不工作器件
反南电流
A2b分组
工作电压
微分电阻
A3分组
反向电流
引用标准
除非另有规定,T.b=25℃
(见GB4936.1第4章)
VR见表1第10栏
I,见装1第5栏
,见表1第5栏
VR见表1第10档
检验要求
最小值
最大值
标志晰,表面无机
械损伤
极性颠倒
IR>100IRI
(IRi见表1第8栏)
见表1第1~3栏
见表1第4栏
见表1第8栏
B组一
GB9595-88
一逐批
只有标明(D)的试验是破坏性的(3.6.6)条
Iamb-25℃
除非另有规定
检验或试验
B1分组
B3分组
引出端强度
弯曲(D)
B4分组
可焊性
85分组
温度变化
继之以
交变湿热(D)
最后测试
工作电压
微分电阻
B8分组
电耐久性
最后测试
工作电压
微分电阻
CRRL分组
引用标准
(见GB4936.1第4章)
GB4937,1
GB4937
GB4937,
GB2423.42)
GB49383
方法!
外加力:2.5N
受试引出端数:2
试验b
TA-U℃,TB-10U℃
严格度:1
循环次数;10次
严酷等级,温度55℃,周期数:2d恢复条件:正常的试验大气条件按A2b分组
按A2b分组
工作寿命,时间168h
I,x(见表第11栏)
管体与电接点之间的引线长度为10~15mm
按A2b分组
按A2b分组
就B3、B4、B5和B8分组提供计数检查结果检验要求
最小值
最大值
按本规范第1章
无损伤
按GB4937,4)
按A2b分组
按A2b分组
按A2b分组
按A2b分组
注:1)GB4937《半导体分立器件机械和气候试验方法》2)GB2423.4《电工电子产品基本环境试验规程试验Db:交变湿热试验方法》五类
3)GB4938《半导体分立器件接收和可靠性》4)如试捡结果有争议时,可采用GB2423.32《电工电子产品基本环境试验规程润湿称量法的可焊性试检方法7
GB9595—88
C组—周期
只有标注(D)的试验是破坏性的(3.6.6)条
检验或试验
C1分组
C2a分组
微分电阻
C2b分组
辰向电流
C3分组
引出端强度,
拉力(D)
C4分组
耐焊接热(D)
瑕后测试,
工作电压
微分电阻
C7分组
交变湿热(D)
最后测试,
工作电压
微分电阻
引用标准
GB4937
注:1)USL:A2b分组规范的最大值。8
除非另有规定,Tamb=25℃
(见GB4936.1第4章)
I,见表1第7栏
Vr见表1第10栏,T,mb=100℃
外加力,5N
受试引出端数:2
方法A
按A2b分组
按A2b分组
严酷等级:温度55℃,周期数6d恢复条件,正常的试验大气条件按A2b分组
按A2b分组
检验要求
最小值
最大值
按本规范第1章
见表1第6档
见表1第9栏
按GB4937,
按A2b分组
按A2b分组
检验或试验
C8分组
电酮久性
最后测试:
工作电压
微分电阻
Cs分组
高温贮存(D)
最后测试
工作电用
微分电阻
C11分组
标志耐久性
CRRL分组
9D组试验
不要求。
10附加资料
附加说明:
引用标准www.bzxz.net
GB4938
GB4937,
GB4937,
GB9595-88
除非另有规定,T.mb=25℃
(见GB4938.1第4章)
工作寿命,时间,1000h,1,=1m*x(见表1第11栏)
管体与电接点之间的引线长度为10~15mm
按A2b分组
按A2b分组
T...=1i5℃.时间,1000h
按A2b分组
按A2b分组
方法2
溶液:A型
就C2、C3、C4、C6、C7和C9分组提供计数检查结果;提供C8分组前后V.的计量检查结果。Po(mw)
本标准由上海无线电十七厂负责起草。本标准主要起草人:徐跃邦
检验要求
最小值
最大值
按A2b分组
按A2b分组
按GB4937
功率耗散降额曲线
Tanb(C)
小提示:此标准内容仅展示完整标准里的部分截取内容,若需要完整标准请到上方自行免费下载完整标准文档。
中华人民共和国国家标准
GB8595--88
降为SJ/T10992-96
电子元器件详细规范
2CW412~473型硅电压调整二极管Detail specification for electronic componentSilicon voltage-regulator diodesfortypes2CW412~473
1988-06-29发布
国家标准局发布
1989-03-01实施
中华人民共和国国家标准
电子元器件详细规范
2CW412~473型硅电压调整二极管Detail specification for electronic componentSilicon voltage-regulator diodes for types 2CW412~473(可供认证用)
本标准规定了2CW412~473型硅电压调整二极管的详细要求。本标准适用于2CW412~473型硅电压调整二极管。GB9595-—88
本标准是按GB6589《电压调整和电压基准二极管(包括温度补偿精密基准二极管)空白详细规范》制订的。符合GB4936.1《半导体分立器件总规范》Ⅱ类的要求。中华人民共和国电子工业部1988-03-09批准1989-03-01实施
国家标准局
评定器件质量的根据,GB4936.1《半导体分立器件总规范》
2CW412~473型详细规范
订货资料:见本规范第7章
1机桃说明
GB9595-88
外形标准,GB7581《半导体分立器件外形尺寸》中代号D2-02A
外形图和引出端识别:
最小值
标志,见本规范第6.1条
标称值
最大值
GB9595-—88
2简略说明
电压调整二极管,
半导体材料:硅
封装:玻璃(非空腔)
应用:在彩色电视机、无线电电子设备中作电压调整用。
3质量评定类别
参考数据
V+aom: 2.0~36V
Pt...500mW
极限值(绝对最大额定值)
GB9595—88
除非另有规定,这些极限值在整个工作温度范围内适用。条文号
电特性
工作环境温度
贮存温度
功率耗散
随温度变化的最大功率耗散
晨大反向恒定(直流)电流
最大直流工作电流(Tm=25℃)
检验要求见本规范第8章。
条文号
除非另有规定T.mb=25℃
工作电压的最小值,标称值利最大值([=I,见表1第5栏)
最大反询电流
(V=Vr见表1第10栏)
最大反向电流
(Tamb=100℃,V=V见表1第10栏)最大微分电阻
(1=I,见表1第5档)
最大微分电阻
(1=I见表1第7栏)
Ptot(T)
最小值
最小值
最大值
见本规范第10章
见表1
第11栏
最大值
见表1第1~3栏
见表!
第8栏
见表1
第9栏
见表!
见表1
第6栏
检验分组
GB9595-88
(工作电压工作电压工作电压最大微分实
电参数!
最小值
标称值
2CW412
2CW413
2CW414
2CW415
2CW416
2CW417
2CW418
2CW419
2CW420
2CW421
2CW422
2CW423
2CW424
:CW426
2CW427
2CW428
2CW429
2CW430
2CW431
2CW-32
2CW433
2CW434
ECW435
2CW436
2CW438
2CW429
2CW441
\CW442
I=I,
电参数规范表
晨大微分
(mA)
作最大反向高温最大
反向电流
(uA)
(μA)
100℃
最大直流
空作电流
工作电压工作电压
电参数
2CW443
2CW444
2CW445
2CW446
2CW447
2CW448
2CW449
2CW460
20W451
2CW452
2CW453
2CW454
2CW455
2CW456
2CW-157
2CW458
2CW459
2CW460
2CW461
2CW462
2CW463
2CW404
2CW-65
2CW466
2CW467
2CW468
2CW469
2CW470
2CW471
2CW472
2CW473
标称值
GB9595--88
续表1
工作电流最大微分
最大值
(mA)
最大微分
(m4)
最大反司高温最大反
友司电流
(uA)
I(HA)
100℃
最天直流
作电流
6标志
6.1器件上的标志
引出端识别:色环,
简略型号:例如:w412,
制造厂代号或商标。
6.2包装盒(袋)上的标志
GB9595--88
器件名称、型号(和简略型号)和质量类别:制造厂名称、代号和商标,
检验批识别代码,
d。其它
7订货资料
a。型号,
b.本规范编号,
c。其它。
8试验条件和检验要求
本章中除非另有规定,引用的条文号对应于GB4936.1的条文号,测试方法引自GB4936.1第6.1.1条。
A组一逐批
全部试验都是非破坏性的(3.6.6)条
检验或试验
Ai分组
外部口检
A2a分组
不工作器件
反南电流
A2b分组
工作电压
微分电阻
A3分组
反向电流
引用标准
除非另有规定,T.b=25℃
(见GB4936.1第4章)
VR见表1第10栏
I,见装1第5栏
,见表1第5栏
VR见表1第10档
检验要求
最小值
最大值
标志晰,表面无机
械损伤
极性颠倒
IR>100IRI
(IRi见表1第8栏)
见表1第1~3栏
见表1第4栏
见表1第8栏
B组一
GB9595-88
一逐批
只有标明(D)的试验是破坏性的(3.6.6)条
Iamb-25℃
除非另有规定
检验或试验
B1分组
B3分组
引出端强度
弯曲(D)
B4分组
可焊性
85分组
温度变化
继之以
交变湿热(D)
最后测试
工作电压
微分电阻
B8分组
电耐久性
最后测试
工作电压
微分电阻
CRRL分组
引用标准
(见GB4936.1第4章)
GB4937,1
GB4937
GB4937,
GB2423.42)
GB49383
方法!
外加力:2.5N
受试引出端数:2
试验b
TA-U℃,TB-10U℃
严格度:1
循环次数;10次
严酷等级,温度55℃,周期数:2d恢复条件:正常的试验大气条件按A2b分组
按A2b分组
工作寿命,时间168h
I,x(见表第11栏)
管体与电接点之间的引线长度为10~15mm
按A2b分组
按A2b分组
就B3、B4、B5和B8分组提供计数检查结果检验要求
最小值
最大值
按本规范第1章
无损伤
按GB4937,4)
按A2b分组
按A2b分组
按A2b分组
按A2b分组
注:1)GB4937《半导体分立器件机械和气候试验方法》2)GB2423.4《电工电子产品基本环境试验规程试验Db:交变湿热试验方法》五类
3)GB4938《半导体分立器件接收和可靠性》4)如试捡结果有争议时,可采用GB2423.32《电工电子产品基本环境试验规程润湿称量法的可焊性试检方法7
GB9595—88
C组—周期
只有标注(D)的试验是破坏性的(3.6.6)条
检验或试验
C1分组
C2a分组
微分电阻
C2b分组
辰向电流
C3分组
引出端强度,
拉力(D)
C4分组
耐焊接热(D)
瑕后测试,
工作电压
微分电阻
C7分组
交变湿热(D)
最后测试,
工作电压
微分电阻
引用标准
GB4937
注:1)USL:A2b分组规范的最大值。8
除非另有规定,Tamb=25℃
(见GB4936.1第4章)
I,见表1第7栏
Vr见表1第10栏,T,mb=100℃
外加力,5N
受试引出端数:2
方法A
按A2b分组
按A2b分组
严酷等级:温度55℃,周期数6d恢复条件,正常的试验大气条件按A2b分组
按A2b分组
检验要求
最小值
最大值
按本规范第1章
见表1第6档
见表1第9栏
按GB4937,
按A2b分组
按A2b分组
检验或试验
C8分组
电酮久性
最后测试:
工作电压
微分电阻
Cs分组
高温贮存(D)
最后测试
工作电用
微分电阻
C11分组
标志耐久性
CRRL分组
9D组试验
不要求。
10附加资料
附加说明:
引用标准www.bzxz.net
GB4938
GB4937,
GB4937,
GB9595-88
除非另有规定,T.mb=25℃
(见GB4938.1第4章)
工作寿命,时间,1000h,1,=1m*x(见表1第11栏)
管体与电接点之间的引线长度为10~15mm
按A2b分组
按A2b分组
T...=1i5℃.时间,1000h
按A2b分组
按A2b分组
方法2
溶液:A型
就C2、C3、C4、C6、C7和C9分组提供计数检查结果;提供C8分组前后V.的计量检查结果。Po(mw)
本标准由上海无线电十七厂负责起草。本标准主要起草人:徐跃邦
检验要求
最小值
最大值
按A2b分组
按A2b分组
按GB4937
功率耗散降额曲线
Tanb(C)
小提示:此标准内容仅展示完整标准里的部分截取内容,若需要完整标准请到上方自行免费下载完整标准文档。
标准图片预览:





- 热门标准
- 电子行业标准(SJ)
- SJ50681.76-1994 SMC系列(不接电缆)插针接触件印制电路板用2级射频同轴插座连接器详细规范
- SJ/T31439-1994 除湿机完好要求和检查评定方法
- SJ/T31341-1994 LOGPOINT2型灯光插件台完好要求和检查评定方法
- SJ/T31344-1994 GP3.5kW高频感应加热机完好要求和检查评定方法
- SJ/T31399-1994 避雷器完好要求和检查评定方法
- SJ/T10586.3-1994 DW-217型电子玻璃技术数据
- SJ/T10588.12-1994 DB-438型电子玻璃技术数据
- SJ1805-1981 2CC126型硅调频变容二极管
- SJ2241.7-1982 CWT9J型同心型微调电容器
- SJ3006.3-1988 组合冲模 下圆角刃口
- SJ/T9551.2-1993 薄膜介质装有整体C类预调电容器的A类调谐可变电容器质量分等标准
- SJ/T31445-1994 热力管道完好要求和检查评定方法
- SJ/T10783-1996 电子器件详细规范 半导体集成电路CD7176CP伴音中频放大电路(可供认证用)
- SJ1553-1980 测温型负温度系数热敏电阻器总技术条件
- SJ2477-1984 发射管灯丝断续通电试验方法
- 行业新闻
请牢记:“bzxz.net”即是“标准下载”四个汉字汉语拼音首字母与国际顶级域名“.net”的组合。 ©2025 标准下载网 www.bzxz.net 本站邮件:bzxznet@163.com
网站备案号:湘ICP备2025141790号-2
网站备案号:湘ICP备2025141790号-2