- 您的位置:
- 标准下载网 >>
- 标准分类 >>
- 电子行业标准(SJ) >>
- SJ/T 10455-1993 厚膜混合集成电路用铜导体浆料
标准号:
SJ/T 10455-1993
标准名称:
厚膜混合集成电路用铜导体浆料
标准类别:
电子行业标准(SJ)
英文名称:
Copper conductor paste for thick film hybrid integrated circuits标准状态:
已作废-
发布日期:
1993-12-17 -
实施日期:
1994-06-01 -
作废日期:
2021-04-01 出版语种:
简体中文下载格式:
.rar.pdf下载大小:
145.46 KB
替代情况:
被SJ/T 10455-2020代替
部分标准内容:
中华人民共和国电子行业标准
SJ/T 10455-93
厚膜混合集成电路用铜导体浆料Coppcr conduetor pasle fer lhiekfilm hybrid integrated circuiis1993-12-17发布
1994-06-01实施
中华人民共和国电子工业部
中华人民共和国电子行业标准
厚膜混合集成电路用铜导体浆料Copper conpctor paale for thickmilm bybrid irtegroted cireuits1主题内容与适用范围
1.1主题内容
S3/T10455-93
木标准见定了孕尊准合案成出路用铜学什装料(以下简称聚料)的技术要求,试验方法、整验规则.包装,始存及运输。
1.2返用范串
本标准追用丁厚膜混合集成电露准调导体浆料。2引用标准
GB2421
G0 2423.28
GD 8976
3术要求
3.1紫料特性
电工电子产品片车环境试验规程电工电子产品基本环境试验规
试险T;够悼试验方法
膜成电路秘合膜单或路总现宠
版电子器计试骏行指和程厅
浆料特性应符合表1的规定,
表1浆料持比
3.2浆料成模烂能
料成膜性应符合表2的现定。
早体求料至对的决色一致
125~20
中华人民共和国良子工业部1993-12-17批准as
1994-06-01实施
4试验方法
4.1环条件
践分群享
烧结服事度
可择性
SJ/T10455-93
表2素料成膜性
商能财存后
抗穿料浸折性
初始匠
高起爬存站
阅严惜
热开金
高避吧存店
御始追
高温归存店
世随要求
15--18
除另有规定外.所心试验均应在GB2421所规定的正带大气柔件(温度15~35七,相对湿度45%~75%,气压86~106kPa)下进行。4.2样品制备
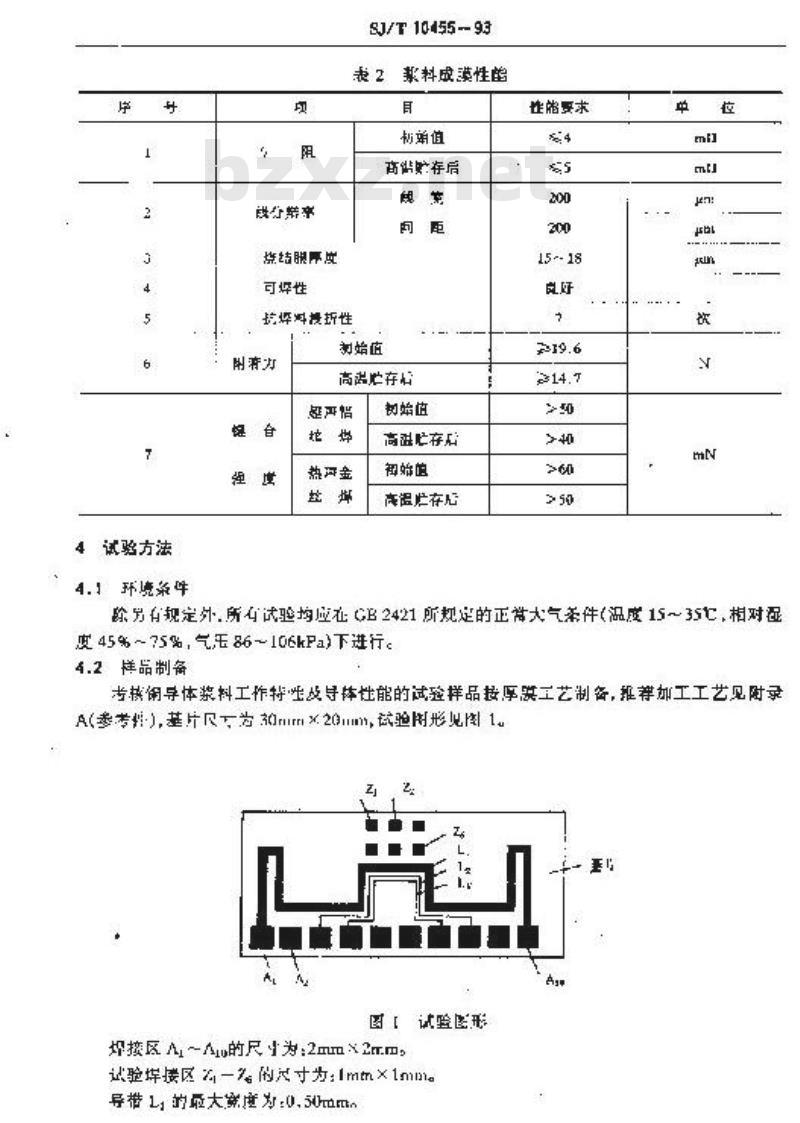
考模闭导体浆料工作特生及导体性能的试验样品按厚装工艺制备,推荐加工工艺见附录A(参考),基片尺一为3()mm×20mm,试验用形见图12
图【试险医形
好接区A~Au的尺为:2mmx2mm,
试验埠接区2一%。的尺寸为:Imtn×1mm。导带L,的量大案度为:0.50mma导带L的最大宠度为:0.21mm。
导带1的款宽度为:0.20mm
S3/T10455-93
导带L,与L之间的最小间随为:0.30mm。导带L,与,之间的是小间距为:.20mmu.到量仅群
a,粘境计:
b+咨服表;
s.测量显微馆:
膜厚测试仪;
e拉力;
「、克方计。
4.4外观
浆料外观用目视检查,应筱合表!的规定。4.5析度
用绝对工作筑转粘度计进行测量,恒温水裙温度为25=1亿,剪切速度为10r/min4.6电阻
导电带印制线推学为上/=1州(上一导带长度,女一寻带就度)。准样品导电带折两端用欧表测医电阳值,按下式计弃方电阻:R=R/100
式中:R.导电膜方电阻,ml:
—,端电阻测量值,
7线分
用室欧表测禁或二券应导证。
联测翌微镜谢量L,成L,的线宽,L,与L,之间的距离,并观案L,与L闻不得连接,或用举欧表进行测盘,1,和之间个得异通。4.8游结膜厚度
用膜厚测试仪或其他精度相当的仪器测量学体膜序度,谢量误差1.5%。4.9可焊性
可期仆试验在A,-A19上进行。接照岁896策4.5.10.1希方咨,将试验等片试验区域的一边湿入煤摘,没入时回5±0.55,径润而积80%以上为良好。当浸入焊相时,充许试验基片做凝授的水平就乘直运动。4.10抗焊料没折唑
抗焊料径折性试验按本规范4.9杀进行并做以下变更:没人时问为10±s;
b.进行以上操作,每次冷却到15-35,再重友进行.如有一个焊区共50%的而积被料折掉,也失效。
4.11附力
附节力按别再试验来确定,在A-A区上进行。试验引线果用0.8mm的铺够引线,接图2的方法弯曲。SI/T 10455-93
试胞基片
图2别高试险
梁埃区人
按GB242320第4.6条预处理基片,将基片质热刘30±S七。试验引线用焊剂役润后,到妞区(抖2)携时间51试验引线应弯或角度±1垂直于基片平雨在宝温(15--35七)下整存16h后进行测量,用拉力机以移分钟10.-20mm的机定理度从垂点基片方向作上拉。接下述损坏模式进行区别:导电带及焊料拉离:
b。试验可引载从焊料上效益下:e.声片被拉碎裂
好质6、心则允许策或调换样品后最做该项试验。4.12银合强度
按GJR548法2011试承件D进行试醛,引线链合在~Z上的任意点上。引线直经火:25μmu
4.13高盗此存
将样品改人150±2t的烘辅中存放96h商调忙的品液出后恢复24h进行测量。力阻、附者力、额合驱度应待合表2规定。5检验规则
5.1检验批
SJ/T10455-93
每配制一次浆料为一个验批,以检验批中随机抽取适量浆料并制各受检样品,样品制备见4.2系。
5.2交收检验
按表3表4中的B规定进行逐批检晚,B组检验应在A组检验合格后进行,5.3周期检验
试跑样品应以代表期出随凯油取,接衣3和表4的规定和A,.C组的顺序进行周期检验并合格。试验过科中,血出独不合格,其后的试验不再选行并认为固期检将灯不合格。固删拉验每率年逃行一次,当制造工艺或原材料作成大更改时,也要进行试验。表3浆料指性检塑
方阻(钉筑份)
烧结胆厚度
附著(初低)
链合强度(初的值)
可在选
抗化料能抵性
高作断存
试后放测
5.4冷判据
方州路
附者J
检按为法
成膜后导体性肥检验
要求涤款
方法条款
受试择品数量
落引够效让,至
核3片
(按好风计》
20(拦区升)
【按线数计)
允许不介势品数
试整结果应径合本现范的要求。如发现不荐会本现范要求时,则皮从间批浆料中世制每州倍数量的品,对不合摘的项回进行复验,如减验仍本合格,如认对该批浆料不合格。6标患,包装、贮存及运输
6.1标志
日.1.1除合减要求的特殊标记外,每个施工及处包装成注明,4:产品名称:
数暨;
制造厂名称;
d、生产日期、批号。
SI/J1045593
6.1.2每个内包装上应谢加盖抢员印章前合格证。6.2包装
导休浆料应采用聚乙塑料瓶密封包装。6.3些
导体浆料位存放在猎洁、下爆、避免口晒的场所,存献刷度不高于25℃,相对湿度不大平75%,有效期为半年。
6.4运输此内容来自标准下载网
包装好的导体浆料可以任何方式冠辅,但需逛免口、雨琳或其他污染A1基片96%氧化铅蒸片。
51/T10455-93
附景A
试样的推荐加工工艺
【参考件】
A2印制A325 自:网,推存乳胶厚度12.-20ga,印制速度20/sA3干燥
退知后在室痘下效间5一[urnin,在120t空气中于燥1-·15ainA4烷结在氛气炉内烧鸡,载气含量小于10?10-*烧结周期为15min,峰值盐鹿tIprain排荞烧结曲线加制A1
sot:/m
家育#
下降速军
HanC/m.in
时间(min
区A1烯结也线
A5锈焊月60/4)银/铅或60/38/2铝/铅/银焊料,中肯情性摘剂焊换,PF01型、A6热声金些焊潮度范制100--200TA7超声铝丝焊与贵金同导信比,要较高的功收和较短药时间附加说明:
本标准电1.收部标准化研究所归口本标准巾电了工业部标准化商究所和电子工业部华东照电子技术研究所及4310厂负宽起草。
求标准主要草人:叶国华、下正义、周吉兰、韩艳芬、形要莲。
小提示:此标准内容仅展示完整标准里的部分截取内容,若需要完整标准请到上方自行免费下载完整标准文档。
SJ/T 10455-93
厚膜混合集成电路用铜导体浆料Coppcr conduetor pasle fer lhiekfilm hybrid integrated circuiis1993-12-17发布
1994-06-01实施
中华人民共和国电子工业部
中华人民共和国电子行业标准
厚膜混合集成电路用铜导体浆料Copper conpctor paale for thickmilm bybrid irtegroted cireuits1主题内容与适用范围
1.1主题内容
S3/T10455-93
木标准见定了孕尊准合案成出路用铜学什装料(以下简称聚料)的技术要求,试验方法、整验规则.包装,始存及运输。
1.2返用范串
本标准追用丁厚膜混合集成电露准调导体浆料。2引用标准
GB2421
G0 2423.28
GD 8976
3术要求
3.1紫料特性
电工电子产品片车环境试验规程电工电子产品基本环境试验规
试险T;够悼试验方法
膜成电路秘合膜单或路总现宠
版电子器计试骏行指和程厅
浆料特性应符合表1的规定,
表1浆料持比
3.2浆料成模烂能
料成膜性应符合表2的现定。
早体求料至对的决色一致
125~20
中华人民共和国良子工业部1993-12-17批准as
1994-06-01实施
4试验方法
4.1环条件
践分群享
烧结服事度
可择性
SJ/T10455-93
表2素料成膜性
商能财存后
抗穿料浸折性
初始匠
高起爬存站
阅严惜
热开金
高避吧存店
御始追
高温归存店
世随要求
15--18
除另有规定外.所心试验均应在GB2421所规定的正带大气柔件(温度15~35七,相对湿度45%~75%,气压86~106kPa)下进行。4.2样品制备
考模闭导体浆料工作特生及导体性能的试验样品按厚装工艺制备,推荐加工工艺见附录A(参考),基片尺一为3()mm×20mm,试验用形见图12
图【试险医形
好接区A~Au的尺为:2mmx2mm,
试验埠接区2一%。的尺寸为:Imtn×1mm。导带L,的量大案度为:0.50mma导带L的最大宠度为:0.21mm。
导带1的款宽度为:0.20mm
S3/T10455-93
导带L,与L之间的最小间随为:0.30mm。导带L,与,之间的是小间距为:.20mmu.到量仅群
a,粘境计:
b+咨服表;
s.测量显微馆:
膜厚测试仪;
e拉力;
「、克方计。
4.4外观
浆料外观用目视检查,应筱合表!的规定。4.5析度
用绝对工作筑转粘度计进行测量,恒温水裙温度为25=1亿,剪切速度为10r/min4.6电阻
导电带印制线推学为上/=1州(上一导带长度,女一寻带就度)。准样品导电带折两端用欧表测医电阳值,按下式计弃方电阻:R=R/100
式中:R.导电膜方电阻,ml:
—,端电阻测量值,
7线分
用室欧表测禁或二券应导证。
联测翌微镜谢量L,成L,的线宽,L,与L,之间的距离,并观案L,与L闻不得连接,或用举欧表进行测盘,1,和之间个得异通。4.8游结膜厚度
用膜厚测试仪或其他精度相当的仪器测量学体膜序度,谢量误差1.5%。4.9可焊性
可期仆试验在A,-A19上进行。接照岁896策4.5.10.1希方咨,将试验等片试验区域的一边湿入煤摘,没入时回5±0.55,径润而积80%以上为良好。当浸入焊相时,充许试验基片做凝授的水平就乘直运动。4.10抗焊料没折唑
抗焊料径折性试验按本规范4.9杀进行并做以下变更:没人时问为10±s;
b.进行以上操作,每次冷却到15-35,再重友进行.如有一个焊区共50%的而积被料折掉,也失效。
4.11附力
附节力按别再试验来确定,在A-A区上进行。试验引线果用0.8mm的铺够引线,接图2的方法弯曲。SI/T 10455-93
试胞基片
图2别高试险
梁埃区人
按GB242320第4.6条预处理基片,将基片质热刘30±S七。试验引线用焊剂役润后,到妞区(抖2)携时间51试验引线应弯或角度±1垂直于基片平雨在宝温(15--35七)下整存16h后进行测量,用拉力机以移分钟10.-20mm的机定理度从垂点基片方向作上拉。接下述损坏模式进行区别:导电带及焊料拉离:
b。试验可引载从焊料上效益下:e.声片被拉碎裂
好质6、心则允许策或调换样品后最做该项试验。4.12银合强度
按GJR548法2011试承件D进行试醛,引线链合在~Z上的任意点上。引线直经火:25μmu
4.13高盗此存
将样品改人150±2t的烘辅中存放96h商调忙的品液出后恢复24h进行测量。力阻、附者力、额合驱度应待合表2规定。5检验规则
5.1检验批
SJ/T10455-93
每配制一次浆料为一个验批,以检验批中随机抽取适量浆料并制各受检样品,样品制备见4.2系。
5.2交收检验
按表3表4中的B规定进行逐批检晚,B组检验应在A组检验合格后进行,5.3周期检验
试跑样品应以代表期出随凯油取,接衣3和表4的规定和A,.C组的顺序进行周期检验并合格。试验过科中,血出独不合格,其后的试验不再选行并认为固期检将灯不合格。固删拉验每率年逃行一次,当制造工艺或原材料作成大更改时,也要进行试验。表3浆料指性检塑
方阻(钉筑份)
烧结胆厚度
附著(初低)
链合强度(初的值)
可在选
抗化料能抵性
高作断存
试后放测
5.4冷判据
方州路
附者J
检按为法
成膜后导体性肥检验
要求涤款
方法条款
受试择品数量
落引够效让,至
核3片
(按好风计》
20(拦区升)
【按线数计)
允许不介势品数
试整结果应径合本现范的要求。如发现不荐会本现范要求时,则皮从间批浆料中世制每州倍数量的品,对不合摘的项回进行复验,如减验仍本合格,如认对该批浆料不合格。6标患,包装、贮存及运输
6.1标志
日.1.1除合减要求的特殊标记外,每个施工及处包装成注明,4:产品名称:
数暨;
制造厂名称;
d、生产日期、批号。
SI/J1045593
6.1.2每个内包装上应谢加盖抢员印章前合格证。6.2包装
导休浆料应采用聚乙塑料瓶密封包装。6.3些
导体浆料位存放在猎洁、下爆、避免口晒的场所,存献刷度不高于25℃,相对湿度不大平75%,有效期为半年。
6.4运输此内容来自标准下载网
包装好的导体浆料可以任何方式冠辅,但需逛免口、雨琳或其他污染A1基片96%氧化铅蒸片。
51/T10455-93
附景A
试样的推荐加工工艺
【参考件】
A2印制A325 自:网,推存乳胶厚度12.-20ga,印制速度20/sA3干燥
退知后在室痘下效间5一[urnin,在120t空气中于燥1-·15ainA4烷结在氛气炉内烧鸡,载气含量小于10?10-*烧结周期为15min,峰值盐鹿tIprain排荞烧结曲线加制A1
sot:/m
家育#
下降速军
HanC/m.in
时间(min
区A1烯结也线
A5锈焊月60/4)银/铅或60/38/2铝/铅/银焊料,中肯情性摘剂焊换,PF01型、A6热声金些焊潮度范制100--200TA7超声铝丝焊与贵金同导信比,要较高的功收和较短药时间附加说明:
本标准电1.收部标准化研究所归口本标准巾电了工业部标准化商究所和电子工业部华东照电子技术研究所及4310厂负宽起草。
求标准主要草人:叶国华、下正义、周吉兰、韩艳芬、形要莲。
小提示:此标准内容仅展示完整标准里的部分截取内容,若需要完整标准请到上方自行免费下载完整标准文档。
标准图片预览:





- 其它标准
- 热门标准
- 电子行业标准(SJ)
- SJ50681.65-1994 TNC系列(接半硬电缆)插孔接触件法兰安装2级射频同轴插座连接器详细规范
- SJ/T11247-2001 永磁铁氧体瓦形磁体公差及外形缺陷
- SJ995-75 双动冲床引伸模 落料凹模 引伸凹模
- SJ20792-2000 微通道板光电倍增管测试方法
- SJ1807-1981 2CC120(122、124)~2CC420(422、424)型硅调谐变容二极管
- SJ1736-1981 通信用送话器电声试验方法
- SJ3234-1989 电子材料真空放气性能的动态测试方法
- SJ20897-2003 聚对二甲苯气相沉积涂敷工艺规范
- SJ/T31049-1994 电瓶车完好要求和检查评定方法
- SJ/T10586.3-1994 DW-217型电子玻璃技术数据
- SJ/T10783-1996 电子器件详细规范 半导体集成电路CD7176CP伴音中频放大电路(可供认证用)
- SJ1553-1980 测温型负温度系数热敏电阻器总技术条件
- SJ1805-1981 2CC126型硅调频变容二极管
- SJ3004.7-1988 组合冲模 异形刃口
- SJ/T1146-1993 电容器用有机薄膜体积电阻率试验方法
- 行业新闻
请牢记:“bzxz.net”即是“标准下载”四个汉字汉语拼音首字母与国际顶级域名“.net”的组合。 ©2025 标准下载网 www.bzxz.net 本站邮件:bzxznet@163.com
网站备案号:湘ICP备2025141790号-2
网站备案号:湘ICP备2025141790号-2