- 您的位置:
- 标准下载网 >>
- 标准分类 >>
- 电力行业标准(DL) >>
- DL/T 787-2001 火电厂用15CrMo钢珠光体球化评级标准
标准号:
DL/T 787-2001
标准名称:
火电厂用15CrMo钢珠光体球化评级标准
标准类别:
电力行业标准(DL)
标准状态:
现行-
发布日期:
2001-12-26 -
实施日期:
2002-05-01 出版语种:
简体中文下载格式:
.rar.pdf下载大小:
6.73 MB
标准ICS号:
能源和热传导工程>>27.100电站综合中标分类号:
冶金>>金属理化性能试验方法>>H20金属理化性能试验方法综合
点击下载
标准简介:
标准下载解压密码:www.bzxz.net
本标准规定了火力发电厂用15CrMo钢珠光体球化的评级方法本标准适用于按GB5310标准供货和国外同类型高压锅炉用15CrMO无缝钢管,在高温下长期使用后的珠光体球化等级评定,也适用于相同类型钢种的构件在高温下长期使用后的珠光体球化等级评定。 DL/T 787-2001 火电厂用15CrMo钢珠光体球化评级标准 DL/T787-2001
部分标准内容:
ICS 27.100此内容来自标准下载网
备案号:9792—2002
中华人民共和国电力行业标准
DL/T 787--2001
火力发电厂用15CrMo钢
珠光体球化评级标准
The gradational standard of spherularpearlite for 15CrMo steel used in fossil power plant2001-12-26发布
2002-05-01实施
中华人民共和国国家经济贸易委员会发布DL/T 787—2001
1范围
2引用标准
3试样制备
4球化级别评定方法
附录A(提示的附录)15CrMoG钢化学成分、力学性能和高温性能附录B(提示的附录)15CrMo钢各球化级别与其常温性能的相应数据(平均值)附录C(提示的附录)15CrMo钢各球化级别与其高温短时性能的相应数据(平均值)8
附录D(提示的附录)15CrMo钢各球化级别的碳化物相结构及碳化物相中Mo元素百分含量..11附录E(提示的附录)550℃时15CrMo钢各球化级别的高温持久强度12
1范围
中华人民共和国电力行业标准
火力发电厂用15CrMo钢珠
光体球化评级标准
The gradational standard of spherular pearlite for 15CrMosteel used in fossil power plant本标准规定了火力发电厂用15CrMo钢珠光体球化的评级方法。DL/T787—2001
本标准适用于按GB5310标准供货和国外同类型高压锅炉用15CrMo无缝钢管,在高温下长期使用后的珠光体球化等级评定,也适用于相同类型钢种的构件在高温下长期使用后的珠光体球化等级评定。2引用标准
下列标准所包含的条文,通过在本标准中引用而构成为本标准的条文。本标准出版时,所示版本均为有效。所有标准都会被修订,使用本标准的各方应探讨使用下列标准最新版本的可能性。GB5310--1995高压锅炉用无缝钢管GB/T13298--1991金相显微组织检验方法DL/T6521998金相复型技术工艺导则3试样制备
3.1取样金相试样
3.1.1取样方法
自钢管上切取的试样检验面可为管件的纵截面或横截面,对于小径管试样应包含管件的整个壁厚截面。对于厚壁管可取内壁、芯部、外壁3块试样,试样沿管壁厚度的累计值须大于管壁厚度的二分之一。试样不宜用火焰切割,若用火焰切割的管件应去除热影响区。3.1.2研磨
试样经砂轮平整后,以180号、320号、400号、500号、600号水砂纸依次粗磨,然后以01号、02号、03号金相砂纸精磨或用金相精磨机磨制。为保证检验面平整,避免研磨时试样边缘倒角,试样可采用镶嵌或用夹具等措施。
3.1.3初浸蚀
浸蚀液为3%~5%硝酸酒精溶液。
浸蚀时间约5s~10s。
3.1.3.3清洗。
3.1.4机械抛光与浸蚀
3.1.4.1宜采用机械抛光法,去除研磨划痕及畸变层,例如用中厚呢、绒布加抛光膏(粉)进行。若畸变层较难去除,可采用3~4次抛光一浸蚀交替重复进行。3.1.4.2浸蚀。
组织显示采用3%~5%硝酸酒精溶液浸蚀,浸蚀时间约为10s,使浸蚀面略呈灰白色即可,随即清洗,吹干。
中华人民共和国国家经济贸易委员会2001-12-26批准2002-05-01 实施
DL/T787—2001
取样金相试样制备方法应按GB/T13298的规定执行。3.2现场复型金相试样
3.2.1用机械方法完全去除检查面的表面氧化层及脱碳层,然后用打磨工具进行磨制,研磨顺序同3.1.2。
3.2.2抛光。
可根据实际情况及现场条件选择机械抛光、电解抛光或化学抛光。3.2.3浸蚀。
同3.1.4.2,浸蚀时间可略长一些,使检查面浸蚀程度比取样试样略深。3.2.4复型。
3.2.4.1复型材料。
复型片可采用厚度为80μum~100μm醋酸纤维素(AC纸)或其他类似材料,溶剂为丙酮类有机溶剂。
3.2.4.2复型制作。
在复型片与金相磨面间充以溶剂,复型片与金属表面间应无气泡、间隙,贴合紧密。3.2.4.3待复型样品干燥后,自检查面上小心取下复型片,固定在玻璃板或硬纸板上即可观察。为提高复型样品的对比度,可采用对复型片以重金属喷涂投影或有色复型材料。现场复型金相制备方法应按DL/T652的规定执行。4球化级别评定方法
球化级别评定采用与标准图谱对比的方法。在金相显微镜500×的倍率下进行球化级别的评定。必要时,也可在更高倍率下观察珠光体形态的细节。4.1球化级别。
从原始状态至完全球化共分为5个级别,组织特征见表1。表115CrMo钢球光体球化组织特征球化程度
未球化(供货态)
倾向性球化
轻度球化
中度球化
完全球化
球化级别
组织特征
珠光体区域明显,珠光体中的碳化物呈层片状珠光体区域完整,层片状碳化物开始分散,趋于球状化,晶界有少量碳化物
珠光体区域较完整,部分碳化物呈粒状,晶界碳化物的数量增加
珠光体区域尚保留其形态,珠光体中的碳化物多数呈粒状,密度减小,晶界碳化物出现链状珠光体区域形态特征消失,只留有少量粒状碳化物,晶界碳化物聚集,粒度明显增大图号
4.2评定时,应首先在显微镜下将试样作全面观察,选择具有代表性的视场与本标准评级图谱进行比较,在同一检查面上所选择的视场数应不少于3个。4.3若所观察到的球化级别介于两个级别之间,允许用半级来表示。如:1.5级,2.5级等。4.4在试样观察中,若发现有球化不均匀现象,如属个别现象,应以占优势(即相同级别的视场面积≥90%时)的球化级别作为评定结果;若不均匀性现象较为普遍,则以球化程度严重的球化级别作为评定结果,并以文字表述不均匀性。4.515CrMo钢的化学成分、力学性能、高温性能参见附录A。4.615CrMo钢珠光体球化级别与其相应的常温性能、碳化物相结构以及碳化物相中Mo元素的百分含量、高温短时性能和高温持久强度分别参见附录B、附录C、附录D和附录E,供材质评估时参考。2
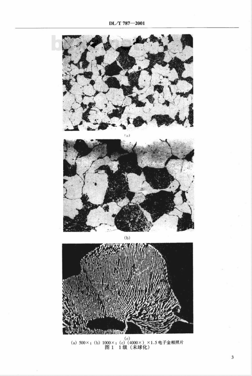
DL/T787-2001
(a)500×;(b)1000×;(c)(4000×)×1.5电子金相照片图11级(未球化)
DL/T787—2001
(a)500×;(b)1000×;(c)(4000×)×1.5电子金相照片图22级(倾向性球化)
DL/T787—2001
×1.5电子金相照片
(a)500×;(b)1000×:(c)(4000×)图33级(轻度球化)
DL/T787-2001
(a)500×;(b)1000×;(c)(4000×)×1.5电子金相照片图44级(中度球化)
DL/T787—2001
(a)500×;(b)1000×;(c)(4000×)×1.5电子金相照片图55级(完全球化)
附录A(提示的附录)
15CrMoG钢化学成分、力学性能和高温性能15CrMoG钢化学成分见表A1。
表A115CrMoG钢化学成分
技术条件
GB5310
15CrMoG
0.12~0.18
0.40~0.70
15CrMoG钢的力学性能见表A2。
0.17~0.37
0.80~1.10
表A215CrMoG钢的力学性能
技术条件
GB5310
15CrMoG
热处理制度
正火+回火
900℃~960℃正火
680℃720℃回火
试样取向
抗拉强度ob
440~640
0.40~0.55
屈服点as
≥225
注:当热轧15CrMoG钢管的终轧温度符合上述正火温度时可以终轧代替正火A315CrMoG钢的高温性能见表A3。s
伸长率3s
表A315CrMoG钢的高温性能(GB5310-1995附录A、B)热处理状态
900℃~960℃
680℃~720℃
注:原标准如此
试验温度
屈服强度60.2
≥269
≥256
≥242
≥228
≥216
≥198
试验温度
冲击功Akv
持久强度io5
附录B(提示的附录)
15CrMo钢各球化级别与其常温性能的相应数据(平均值)15CrMo钢各球化级别与其常温性能的相应数据(平均值)见表B。表B15CrMo钢各球化级别与其常温性能的相应数据(平均值)球化级别
性能指标
抗拉强度b
屈服强度60.2
伸长率85
断面收缩率山
硬度HB
显微硬度
(铁素体)
小提示:此标准内容仅展示完整标准里的部分截取内容,若需要完整标准请到上方自行免费下载完整标准文档。
备案号:9792—2002
中华人民共和国电力行业标准
DL/T 787--2001
火力发电厂用15CrMo钢
珠光体球化评级标准
The gradational standard of spherularpearlite for 15CrMo steel used in fossil power plant2001-12-26发布
2002-05-01实施
中华人民共和国国家经济贸易委员会发布DL/T 787—2001
1范围
2引用标准
3试样制备
4球化级别评定方法
附录A(提示的附录)15CrMoG钢化学成分、力学性能和高温性能附录B(提示的附录)15CrMo钢各球化级别与其常温性能的相应数据(平均值)附录C(提示的附录)15CrMo钢各球化级别与其高温短时性能的相应数据(平均值)8
附录D(提示的附录)15CrMo钢各球化级别的碳化物相结构及碳化物相中Mo元素百分含量..11附录E(提示的附录)550℃时15CrMo钢各球化级别的高温持久强度12
1范围
中华人民共和国电力行业标准
火力发电厂用15CrMo钢珠
光体球化评级标准
The gradational standard of spherular pearlite for 15CrMosteel used in fossil power plant本标准规定了火力发电厂用15CrMo钢珠光体球化的评级方法。DL/T787—2001
本标准适用于按GB5310标准供货和国外同类型高压锅炉用15CrMo无缝钢管,在高温下长期使用后的珠光体球化等级评定,也适用于相同类型钢种的构件在高温下长期使用后的珠光体球化等级评定。2引用标准
下列标准所包含的条文,通过在本标准中引用而构成为本标准的条文。本标准出版时,所示版本均为有效。所有标准都会被修订,使用本标准的各方应探讨使用下列标准最新版本的可能性。GB5310--1995高压锅炉用无缝钢管GB/T13298--1991金相显微组织检验方法DL/T6521998金相复型技术工艺导则3试样制备
3.1取样金相试样
3.1.1取样方法
自钢管上切取的试样检验面可为管件的纵截面或横截面,对于小径管试样应包含管件的整个壁厚截面。对于厚壁管可取内壁、芯部、外壁3块试样,试样沿管壁厚度的累计值须大于管壁厚度的二分之一。试样不宜用火焰切割,若用火焰切割的管件应去除热影响区。3.1.2研磨
试样经砂轮平整后,以180号、320号、400号、500号、600号水砂纸依次粗磨,然后以01号、02号、03号金相砂纸精磨或用金相精磨机磨制。为保证检验面平整,避免研磨时试样边缘倒角,试样可采用镶嵌或用夹具等措施。
3.1.3初浸蚀
浸蚀液为3%~5%硝酸酒精溶液。
浸蚀时间约5s~10s。
3.1.3.3清洗。
3.1.4机械抛光与浸蚀
3.1.4.1宜采用机械抛光法,去除研磨划痕及畸变层,例如用中厚呢、绒布加抛光膏(粉)进行。若畸变层较难去除,可采用3~4次抛光一浸蚀交替重复进行。3.1.4.2浸蚀。
组织显示采用3%~5%硝酸酒精溶液浸蚀,浸蚀时间约为10s,使浸蚀面略呈灰白色即可,随即清洗,吹干。
中华人民共和国国家经济贸易委员会2001-12-26批准2002-05-01 实施
DL/T787—2001
取样金相试样制备方法应按GB/T13298的规定执行。3.2现场复型金相试样
3.2.1用机械方法完全去除检查面的表面氧化层及脱碳层,然后用打磨工具进行磨制,研磨顺序同3.1.2。
3.2.2抛光。
可根据实际情况及现场条件选择机械抛光、电解抛光或化学抛光。3.2.3浸蚀。
同3.1.4.2,浸蚀时间可略长一些,使检查面浸蚀程度比取样试样略深。3.2.4复型。
3.2.4.1复型材料。
复型片可采用厚度为80μum~100μm醋酸纤维素(AC纸)或其他类似材料,溶剂为丙酮类有机溶剂。
3.2.4.2复型制作。
在复型片与金相磨面间充以溶剂,复型片与金属表面间应无气泡、间隙,贴合紧密。3.2.4.3待复型样品干燥后,自检查面上小心取下复型片,固定在玻璃板或硬纸板上即可观察。为提高复型样品的对比度,可采用对复型片以重金属喷涂投影或有色复型材料。现场复型金相制备方法应按DL/T652的规定执行。4球化级别评定方法
球化级别评定采用与标准图谱对比的方法。在金相显微镜500×的倍率下进行球化级别的评定。必要时,也可在更高倍率下观察珠光体形态的细节。4.1球化级别。
从原始状态至完全球化共分为5个级别,组织特征见表1。表115CrMo钢球光体球化组织特征球化程度
未球化(供货态)
倾向性球化
轻度球化
中度球化
完全球化
球化级别
组织特征
珠光体区域明显,珠光体中的碳化物呈层片状珠光体区域完整,层片状碳化物开始分散,趋于球状化,晶界有少量碳化物
珠光体区域较完整,部分碳化物呈粒状,晶界碳化物的数量增加
珠光体区域尚保留其形态,珠光体中的碳化物多数呈粒状,密度减小,晶界碳化物出现链状珠光体区域形态特征消失,只留有少量粒状碳化物,晶界碳化物聚集,粒度明显增大图号
4.2评定时,应首先在显微镜下将试样作全面观察,选择具有代表性的视场与本标准评级图谱进行比较,在同一检查面上所选择的视场数应不少于3个。4.3若所观察到的球化级别介于两个级别之间,允许用半级来表示。如:1.5级,2.5级等。4.4在试样观察中,若发现有球化不均匀现象,如属个别现象,应以占优势(即相同级别的视场面积≥90%时)的球化级别作为评定结果;若不均匀性现象较为普遍,则以球化程度严重的球化级别作为评定结果,并以文字表述不均匀性。4.515CrMo钢的化学成分、力学性能、高温性能参见附录A。4.615CrMo钢珠光体球化级别与其相应的常温性能、碳化物相结构以及碳化物相中Mo元素的百分含量、高温短时性能和高温持久强度分别参见附录B、附录C、附录D和附录E,供材质评估时参考。2
DL/T787-2001
(a)500×;(b)1000×;(c)(4000×)×1.5电子金相照片图11级(未球化)
DL/T787—2001
(a)500×;(b)1000×;(c)(4000×)×1.5电子金相照片图22级(倾向性球化)
DL/T787—2001
×1.5电子金相照片
(a)500×;(b)1000×:(c)(4000×)图33级(轻度球化)
DL/T787-2001
(a)500×;(b)1000×;(c)(4000×)×1.5电子金相照片图44级(中度球化)
DL/T787—2001
(a)500×;(b)1000×;(c)(4000×)×1.5电子金相照片图55级(完全球化)
附录A(提示的附录)
15CrMoG钢化学成分、力学性能和高温性能15CrMoG钢化学成分见表A1。
表A115CrMoG钢化学成分
技术条件
GB5310
15CrMoG
0.12~0.18
0.40~0.70
15CrMoG钢的力学性能见表A2。
0.17~0.37
0.80~1.10
表A215CrMoG钢的力学性能
技术条件
GB5310
15CrMoG
热处理制度
正火+回火
900℃~960℃正火
680℃720℃回火
试样取向
抗拉强度ob
440~640
0.40~0.55
屈服点as
≥225
注:当热轧15CrMoG钢管的终轧温度符合上述正火温度时可以终轧代替正火A315CrMoG钢的高温性能见表A3。s
伸长率3s
表A315CrMoG钢的高温性能(GB5310-1995附录A、B)热处理状态
900℃~960℃
680℃~720℃
注:原标准如此
试验温度
屈服强度60.2
≥269
≥256
≥242
≥228
≥216
≥198
试验温度
冲击功Akv
持久强度io5
附录B(提示的附录)
15CrMo钢各球化级别与其常温性能的相应数据(平均值)15CrMo钢各球化级别与其常温性能的相应数据(平均值)见表B。表B15CrMo钢各球化级别与其常温性能的相应数据(平均值)球化级别
性能指标
抗拉强度b
屈服强度60.2
伸长率85
断面收缩率山
硬度HB
显微硬度
(铁素体)
小提示:此标准内容仅展示完整标准里的部分截取内容,若需要完整标准请到上方自行免费下载完整标准文档。
标准图片预览:





- 其它标准
- 热门标准
- 电力行业标准(DL)
- DL/T634.5101-2002 远动设备及系统 第5101部分:传输规约 基本远动任务配套标准
- DL/T5483-2013 火力发电厂再生水深度处理设计规范
- DL5009.3-2013 电力建设安全工作规程 第3部分:变电站
- DL/T787-2001 火电厂用15CrMo钢珠光体球化评级标准
- DL/T5096-2008 电力工程钻探技术规程
- DL/T567.7-2007 火力发电厂燃料试验方法 第7部分:灰及渣中硫的测定和燃煤可燃硫的计算
- DL/T695-2014 电站钢制对焊管件
- DL5162-2013 水电水利工程施工安全防护设施技术规范
- DL/T5168-2002 110kV~500 kV架空电力线路工程施工质量及评定规程
- DL/T912-2005 超临界火力发电机组水汽质量标准
- DL/T5033-2006 输电线路对电信线路危险和干扰影响防护设计规程
- DL/T5461.13-2013 火力发电厂施工图设计文件内容深度规定 第13部分水工工艺
- DL/T5198-2004 水电水利工程岩壁梁施工规程
- DL/T716-2000 电站隔膜阀选用导则
- DL/T5157-2002 电力系统调度通信交换网设计技术规程
- 行业新闻
请牢记:“bzxz.net”即是“标准下载”四个汉字汉语拼音首字母与国际顶级域名“.net”的组合。 ©2025 标准下载网 www.bzxz.net 本站邮件:bzxznet@163.com
网站备案号:湘ICP备2025141790号-2
网站备案号:湘ICP备2025141790号-2