【国家标准(GB)】 交流额定电压3KV及以下铁路机车 车辆用电缆(电线) 天然丁苯橡皮绝缘铁路机车 车辆用电缆(电线)
本网站 发布时间:
2024-07-16 11:20:47
- GB12528.2-1990
- 已作废
- 点击下载此标准
标准号:
GB 12528.2-1990
标准名称:
交流额定电压3KV及以下铁路机车 车辆用电缆(电线) 天然丁苯橡皮绝缘铁路机车 车辆用电缆(电线)
标准类别:
国家标准(GB)
标准状态:
已作废-
实施日期:
1991-08-01 出版语种:
简体中文下载格式:
.rar.pdf下载大小:
128.41 KB
替代情况:
调整为JB/T 8145.1-1995
点击下载
标准简介:
标准下载解压密码:www.bzxz.net
GB 12528.2-1990 交流额定电压3KV及以下铁路机车 车辆用电缆(电线) 天然丁苯橡皮绝缘铁路机车 车辆用电缆(电线) GB12528.2-1990
部分标准内容:
中华人民共和国国家标准
交流额定电压3kV及以下铁路机车车辆用电缆(电线)
天然丁苯橡皮绝缘铁路机车
车辆用电缆(电线)
Insulated cables(wires )for railwayvehicles of rated voltages up to and including 3 kvNatural-styrenbutadiene rubber insulatedcables (wires) for railway vehicles主题内容与适用范围
GB12528.2-—90
本标准规定了天然丁苯橡皮绝缘铁路机车车辆用电缆(电线)产品品种、技术要求及检验规则。本标准适用于交流额定电压1.5kV及以下的天然了苯绝缘铁路机车车辆用电缆(电线)。电缆(电线)除应符合本标准规定的要求外,还应符合GB12528.1的规定。2使用特性
2.π额定电压为750V和1.5kV。
2.2电缆的长期允许工作温度应不大于70℃。2.3电缆可在受矿物油污染,但无燃料油污染的场合使用。2.4电缆敷设时的允许弯曲半径
电缆外径(D)为20mm及以下者应不小于3D;电缆外径(D)为20mm以上者应不小于5D。3型号
铜芯天然厂苯橡皮绝缘氯T橡皮护套铁路机车车辆用电缆(电线)型号为:DCXF/2。4规格
电缆的规格如表1。
表1规格
额定电压,V
国家技术监督局1990-11·07批准芯
标称截面,mm2
结构参数表号
1991-08-01实施
5技术要求
GB 12528.2--90
电缆的技术要求应符合表2、表3规定。表2DCXF/2型750V铜芯天然丁苯橡皮绝缘氯丁橡皮护套机车车辆用电缆(电线)导体标称截面
导体规格
绝缘标称厚度
护套标称厚度
平均外径
导体标称截面
导体标称截面
导体规格
GB12528.2--90
续表2
绝缘标称厚度
护套标称厚度
DCXF/2型1.5kV铜芯天然丁苯橡皮绝缘氟丁橡皮护套机车车辆用电缆(电线)导体规格
绝缘标称厚度
护套标称厚度
平均外径
平均外径
导体标称截面
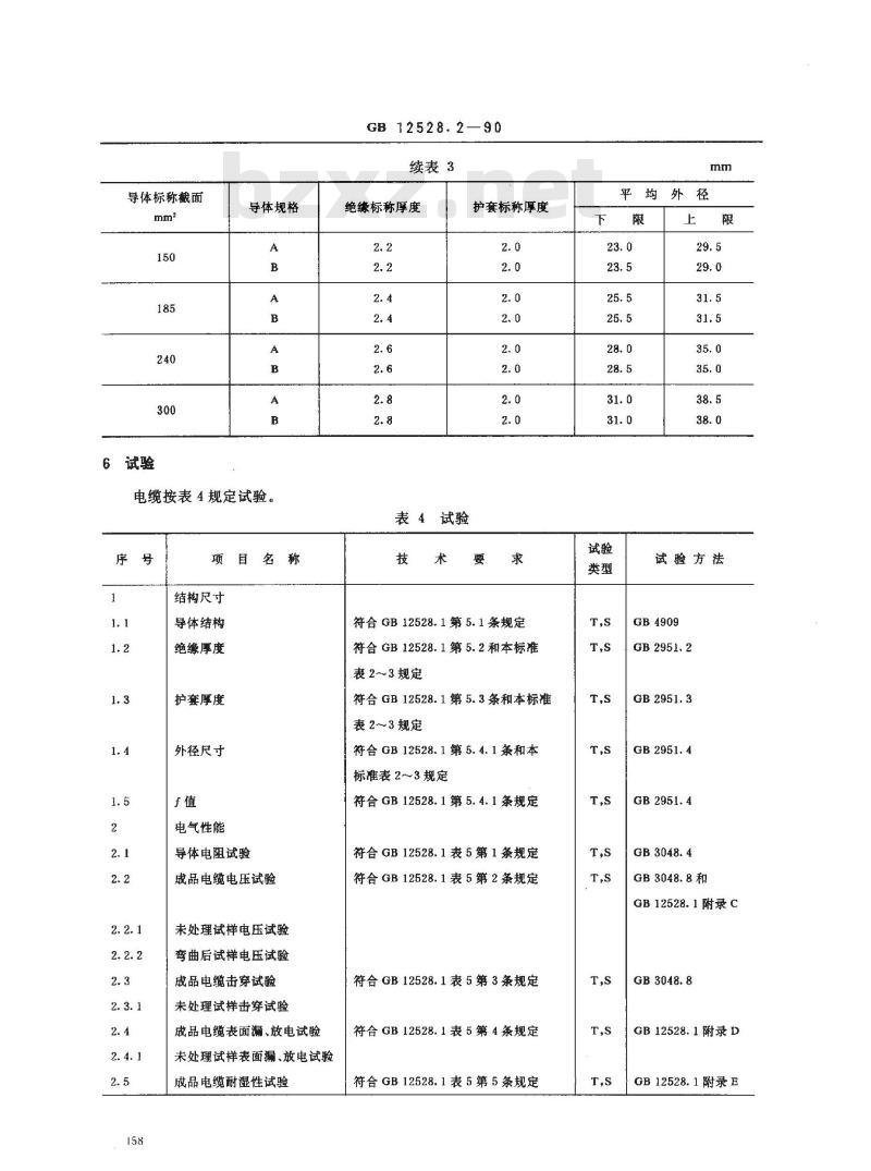
6试验
导体规格
电缆按表4规定试验。
项目名称
结构尺寸
导体结构
绝缘厚度
护套厚度
外径尺寸
电气性能
导体电阻试验
成品电缆电压试验
未处理试样电压试验
弯曲后试样电压试验
成品电缆击穿试验
未处理试样击穿试验
成品电缆表面漏、放电试验
未处理试样表面漏、放电试验
成品电缆耐湿性试验
GB12528.2—90
续表3
绝缘标称厚度
表4试验
护套标称厚度
术要求
符合GB12528.1第5.1条规定
符合GB12528.1第5.2和本标准
表2~~3规定
符合GB12528.1第5.3条和本标准表2~3规定
符合GB12528.1第5.4.1条和本
标准表 2~3 规定
符合GB12528.1第5.4.1条规定
符合GB12528.1表5第1条规定
符合GB12528.1表5第2条规定
符合GB12528.1表5第3条规定
符合GB12528.1表5第4条规定
符合GB12528.1表5第5条规定
平均外径
试验方法
GB4909
GB 2951.2
GB 2951. 4
GB 3048. 4
GB 3048. 8 和
GB12528.1附录C
GB 3048. 8
GB12528.1附录D
GB12528.1附录E
项目名称
绝缴机械物理性能
老化前后抗张强度
老化前后断裂伸长率
耐臭氧试验
低温卷绕试验
未处理试样低温卷绕试验
经空气箱老化后的试样低温
卷绕试验
低温拉伸试验wwW.bzxz.Net
未处理试样低温拉伸试验
经空气箱老化后的试样低温
拉伸试验
护套机械物理性能
老化前后抗张强度
老化前后断裂伸长率
耐矿物油试验
耐臭氧试验
低温卷绕试验
未处理试样低温卷绕试验
经空气箱老化后的试样低
温卷绕试验
低温拉伸试验
未处理试样低温拉伸试验
经空气箱老化后的试样低
温拉伸试验
燃烧试验
未处理试样的燃烧试验
GB 12528.2—90
续表4
符合GB12528.1表3第1条规定
符合GB12528.1表3第1条规定
符合GB12528.1表3第2条规定
符合GB12528.1表3第3条规定
符合GB12528.1表3第4条规定
符合GB12528.1表4第1条规定
符合GB12528.1表4第1条规定
符合GB12528.1表4第2条规定
符合GB12528.1表4第4条规定
符合GB12528.1表4第6条规定
符合GB12528.1表4第7条规定
符合GB12528.1第5.4.5条规定
试验方法
GB 2951. 5 和
GB 2951, 7
GB 2951. 5 和
GB 2951.7
GB2951.35
GB2951.12
GB2951,13
GB 2951. 6 和
GB 2951.7
GB 2951. 6 和
GB 2951. 7
GB2951.15和
GB12528.1附录B
GB2951、35
GB 2951. 12
GB2951.13
GB 12528.1第
项目名称
经浸矿物油处理后的试样
燃烧试验
印刷标志耐擦试验
附加说明:
312528.2-90
续表4
符合GB12528.1第8.1条规定
本标准由中华人民共和国机械电子工业部提出,机电部上海电缆研究所归口。本标准由上海电缆研究所负责起草。本标准主要起草人忻济民、孙正华、李雪明、刘随临、张景林。460
试验方法
GB12528.1第
小提示:此标准内容仅展示完整标准里的部分截取内容,若需要完整标准请到上方自行免费下载完整标准文档。
交流额定电压3kV及以下铁路机车车辆用电缆(电线)
天然丁苯橡皮绝缘铁路机车
车辆用电缆(电线)
Insulated cables(wires )for railwayvehicles of rated voltages up to and including 3 kvNatural-styrenbutadiene rubber insulatedcables (wires) for railway vehicles主题内容与适用范围
GB12528.2-—90
本标准规定了天然丁苯橡皮绝缘铁路机车车辆用电缆(电线)产品品种、技术要求及检验规则。本标准适用于交流额定电压1.5kV及以下的天然了苯绝缘铁路机车车辆用电缆(电线)。电缆(电线)除应符合本标准规定的要求外,还应符合GB12528.1的规定。2使用特性
2.π额定电压为750V和1.5kV。
2.2电缆的长期允许工作温度应不大于70℃。2.3电缆可在受矿物油污染,但无燃料油污染的场合使用。2.4电缆敷设时的允许弯曲半径
电缆外径(D)为20mm及以下者应不小于3D;电缆外径(D)为20mm以上者应不小于5D。3型号
铜芯天然厂苯橡皮绝缘氯T橡皮护套铁路机车车辆用电缆(电线)型号为:DCXF/2。4规格
电缆的规格如表1。
表1规格
额定电压,V
国家技术监督局1990-11·07批准芯
标称截面,mm2
结构参数表号
1991-08-01实施
5技术要求
GB 12528.2--90
电缆的技术要求应符合表2、表3规定。表2DCXF/2型750V铜芯天然丁苯橡皮绝缘氯丁橡皮护套机车车辆用电缆(电线)导体标称截面
导体规格
绝缘标称厚度
护套标称厚度
平均外径
导体标称截面
导体标称截面
导体规格
GB12528.2--90
续表2
绝缘标称厚度
护套标称厚度
DCXF/2型1.5kV铜芯天然丁苯橡皮绝缘氟丁橡皮护套机车车辆用电缆(电线)导体规格
绝缘标称厚度
护套标称厚度
平均外径
平均外径
导体标称截面
6试验
导体规格
电缆按表4规定试验。
项目名称
结构尺寸
导体结构
绝缘厚度
护套厚度
外径尺寸
电气性能
导体电阻试验
成品电缆电压试验
未处理试样电压试验
弯曲后试样电压试验
成品电缆击穿试验
未处理试样击穿试验
成品电缆表面漏、放电试验
未处理试样表面漏、放电试验
成品电缆耐湿性试验
GB12528.2—90
续表3
绝缘标称厚度
表4试验
护套标称厚度
术要求
符合GB12528.1第5.1条规定
符合GB12528.1第5.2和本标准
表2~~3规定
符合GB12528.1第5.3条和本标准表2~3规定
符合GB12528.1第5.4.1条和本
标准表 2~3 规定
符合GB12528.1第5.4.1条规定
符合GB12528.1表5第1条规定
符合GB12528.1表5第2条规定
符合GB12528.1表5第3条规定
符合GB12528.1表5第4条规定
符合GB12528.1表5第5条规定
平均外径
试验方法
GB4909
GB 2951.2
GB 2951. 4
GB 3048. 4
GB 3048. 8 和
GB12528.1附录C
GB 3048. 8
GB12528.1附录D
GB12528.1附录E
项目名称
绝缴机械物理性能
老化前后抗张强度
老化前后断裂伸长率
耐臭氧试验
低温卷绕试验
未处理试样低温卷绕试验
经空气箱老化后的试样低温
卷绕试验
低温拉伸试验wwW.bzxz.Net
未处理试样低温拉伸试验
经空气箱老化后的试样低温
拉伸试验
护套机械物理性能
老化前后抗张强度
老化前后断裂伸长率
耐矿物油试验
耐臭氧试验
低温卷绕试验
未处理试样低温卷绕试验
经空气箱老化后的试样低
温卷绕试验
低温拉伸试验
未处理试样低温拉伸试验
经空气箱老化后的试样低
温拉伸试验
燃烧试验
未处理试样的燃烧试验
GB 12528.2—90
续表4
符合GB12528.1表3第1条规定
符合GB12528.1表3第1条规定
符合GB12528.1表3第2条规定
符合GB12528.1表3第3条规定
符合GB12528.1表3第4条规定
符合GB12528.1表4第1条规定
符合GB12528.1表4第1条规定
符合GB12528.1表4第2条规定
符合GB12528.1表4第4条规定
符合GB12528.1表4第6条规定
符合GB12528.1表4第7条规定
符合GB12528.1第5.4.5条规定
试验方法
GB 2951. 5 和
GB 2951, 7
GB 2951. 5 和
GB 2951.7
GB2951.35
GB2951.12
GB2951,13
GB 2951. 6 和
GB 2951.7
GB 2951. 6 和
GB 2951. 7
GB2951.15和
GB12528.1附录B
GB2951、35
GB 2951. 12
GB2951.13
GB 12528.1第
项目名称
经浸矿物油处理后的试样
燃烧试验
印刷标志耐擦试验
附加说明:
312528.2-90
续表4
符合GB12528.1第8.1条规定
本标准由中华人民共和国机械电子工业部提出,机电部上海电缆研究所归口。本标准由上海电缆研究所负责起草。本标准主要起草人忻济民、孙正华、李雪明、刘随临、张景林。460
试验方法
GB12528.1第
小提示:此标准内容仅展示完整标准里的部分截取内容,若需要完整标准请到上方自行免费下载完整标准文档。
标准图片预览:





- 热门标准
- 国家标准(GB)
- GB29140-2024 纯碱单位产品能源消耗限额
- GB/T29633.4-2020 南极地名 第4部分:罗马字母拼写
- GB15193.5-2003 骨髓细胞微核试验
- GB/T15773-1995 水土保持综合治理 验收规范
- GB/T15412-1994 应用电视摄像机云台通用技术条件
- GB28129-2011 乙羧氟草醚原药
- GB/T42970-2023 半导体集成电路 视频编解码电路测试方法
- GB/T18721.4-2024 印刷技术 印前数据交换 第4部分:显示用宽色域标准彩色图像数据 [Adobe RGB (1998)/SCID]
- GB/T9771.6-2020 通信用单模光纤 第6部分:宽波长段 光传输用非零色散单模光纤特性
- GB5237.3-2008 铝合金建筑型材 第3部分:电泳涂漆型材
- GB/T10599-1998 多绳摩擦式提升机
- GB3302-1982 日用陶瓷器验收、包装、标志、运输、储存规则
- GB/T30007-2022 船舶和海上技术 通过分析测速试航数据以确定速度和功率性能的评估导则
- GB30530-2024 二甲基硅氧烷单位产品能源消耗限额
- GB/T39249-2020 橡胶和塑料软管及非增强软管织物增强型 低温压扁试验
- 行业新闻
请牢记:“bzxz.net”即是“标准下载”四个汉字汉语拼音首字母与国际顶级域名“.net”的组合。 ©2025 标准下载网 www.bzxz.net 本站邮件:bzxznet@163.com
网站备案号:湘ICP备2025141790号-2
网站备案号:湘ICP备2025141790号-2