- 您的位置:
- 标准下载网 >>
- 标准分类 >>
- 国家标准(GB) >>
- GB 4124.6-1984 船用手提灯类型、参数和主要尺寸
标准号:
GB 4124.6-1984
标准名称:
船用手提灯类型、参数和主要尺寸
标准类别:
国家标准(GB)
标准状态:
已作废-
实施日期:
1984-12-01 出版语种:
简体中文下载格式:
.rar.pdf下载大小:
79.36 KB
中标分类号:
船舶>>船舶电气、观通、导航设备>>U63床用照明与其他电器
替代情况:
调整为CB/T 3852.6-1999
点击下载
标准简介:
标准下载解压密码:www.bzxz.net
CB/T 3852.6-1999 GB 4124.6-1984 船用手提灯类型、参数和主要尺寸 GB4124.6-1984
部分标准内容:
中华人民共和国国家标准
船用手提灯
类型、参数和主要尺寸
The types, parameters and mainslzes of portable hand-lampsfor marlae dse
UDC 628.94f此内容来自标准下载网
: 626.12.06
GB4124.6—84
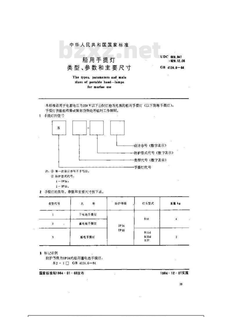
本标准适用于电源电压为250V以下白炽灯泡为光源的船用手提灯(以下简称手提灯)。手提灯供船舶检修或装卸货物处所临时工作照明。1手提灯的型5
设计序号(数字表示)
防护型式代号(数表示)
类型代号(数字表示)
注:① 第一次设计序号不予写出。2防护型式代号:
1—IP34 1
2 — 1P55。
2手提灯的类型、参数和主要尺寸按下表。类型代号
标记示例
干电池手提灯
凿电池于提灯
船电手提炉
防护等级为IP34的船用蓄电池手提灯:$2 - 1 GE 4124.6—84
家标准局1984-01-03发布
防的等级
手提灯代号
灯头型式
重量 ke
1984- 12-01实施
GB4124.6--84
1于提灯应符合GB3027—82《船用白炽照明灯技术条件》和下列规定:4.1易受机械损伤的船电于提灯面罩玻璃,应加保护网罩。4.2船电手提灯应安装手提用的把手和吊钩,其结构应采用双重绝缘。4.3船也手提灯应进行跌落试验,白500mm高度落在6mm以上厚度的钢板上,在垂直方向二次,水半为向次跃落后,仍能可靠工作。4.4解巾手提灯应采用船用灯泡。附加说明:
本标准内牛国解胎工业总公司提出,出船舶专用电器专业组归口。本标准由上海市灯具研究所和大连灯具广起草,本标准要起草人杨其和,李连去。自本标准实施之3起,原部标准CB346—64作废。30
小提示:此标准内容仅展示完整标准里的部分截取内容,若需要完整标准请到上方自行免费下载完整标准文档。
船用手提灯
类型、参数和主要尺寸
The types, parameters and mainslzes of portable hand-lampsfor marlae dse
UDC 628.94f此内容来自标准下载网
: 626.12.06
GB4124.6—84
本标准适用于电源电压为250V以下白炽灯泡为光源的船用手提灯(以下简称手提灯)。手提灯供船舶检修或装卸货物处所临时工作照明。1手提灯的型5
设计序号(数字表示)
防护型式代号(数表示)
类型代号(数字表示)
注:① 第一次设计序号不予写出。2防护型式代号:
1—IP34 1
2 — 1P55。
2手提灯的类型、参数和主要尺寸按下表。类型代号
标记示例
干电池手提灯
凿电池于提灯
船电手提炉
防护等级为IP34的船用蓄电池手提灯:$2 - 1 GE 4124.6—84
家标准局1984-01-03发布
防的等级
手提灯代号
灯头型式
重量 ke
1984- 12-01实施
GB4124.6--84
1于提灯应符合GB3027—82《船用白炽照明灯技术条件》和下列规定:4.1易受机械损伤的船电于提灯面罩玻璃,应加保护网罩。4.2船电手提灯应安装手提用的把手和吊钩,其结构应采用双重绝缘。4.3船也手提灯应进行跌落试验,白500mm高度落在6mm以上厚度的钢板上,在垂直方向二次,水半为向次跃落后,仍能可靠工作。4.4解巾手提灯应采用船用灯泡。附加说明:
本标准内牛国解胎工业总公司提出,出船舶专用电器专业组归口。本标准由上海市灯具研究所和大连灯具广起草,本标准要起草人杨其和,李连去。自本标准实施之3起,原部标准CB346—64作废。30
小提示:此标准内容仅展示完整标准里的部分截取内容,若需要完整标准请到上方自行免费下载完整标准文档。
标准图片预览:


- 其它标准
- 热门标准
- 国家标准(GB)
- GB/T30917—2014 /ISo 29941:2010 天然胶乳橡胶避孕套中可迁移亚硝胺的测定
- GB/T12777-1999 金属波纹管膨胀节通用技术条件
- GB/T29633.4-2020 南极地名 第4部分:罗马字母拼写
- GB15193.5-2003 骨髓细胞微核试验
- GB30530-2024 二甲基硅氧烷单位产品能源消耗限额
- GB/T43225-2023 空间物体登记要求
- GB4706.3-1986 家用和类似用途电器的安全食物搅碎器及类似用途电器的特殊要求
- GB15985-1995 丝虫病诊断标准及处理原则
- GB19159-2003 车用液化石油气
- GB/T7407-1997 中国及世界主要海运贸易港口代码
- GB1913.2-1990 漂白浸渍绝缘纸
- GB/T15425-1994 贸易单128条码
- GB5237.3-2008 铝合金建筑型材 第3部分:电泳涂漆型材
- GB/T39964-2021 造纸行业能源管理体系实施指南
- GB/T9771.6-2020 通信用单模光纤 第6部分:宽波长段 光传输用非零色散单模光纤特性
- 行业新闻
请牢记:“bzxz.net”即是“标准下载”四个汉字汉语拼音首字母与国际顶级域名“.net”的组合。 ©2025 标准下载网 www.bzxz.net 本站邮件:bzxznet@163.com
网站备案号:湘ICP备2025141790号-2
网站备案号:湘ICP备2025141790号-2