- 您的位置:
- 标准下载网 >>
- 标准分类 >>
- 化工行业标准(HG) >>
- HG/T 3679-2000 电解槽金属阳极涂层用三氯化钌
标准号:
HG/T 3679-2000
标准名称:
电解槽金属阳极涂层用三氯化钌
标准类别:
化工行业标准(HG)
英文名称:
Ruthenium trichloride for electrolytic cell metal anode coating标准状态:
现行-
发布日期:
2000-06-05 -
实施日期:
2001-03-01 出版语种:
简体中文下载格式:
.rar.pdf下载大小:
187.97 KB
部分标准内容:
1C871.060.50
普案号:75082000
中华人民共和国化工行业标准
HG/T 36792000
电解槽金属阳极涂层用三氯化钉Ruthenium trichloride for dimensinally stable anode coatingin electrolyzer
2000-06-05发布
2001-03-01实施
国家石油和化学工业发布
IG/36792000
本标准层以满足电解格金风阳极像层生产的应用要求为目的而制定的。标谁提出的质盘要求和质前接制方估,主费是育国内的实际情说,专者了国内部计企业标准和主要牛产企业产品检验结果。同时,根据国内实际生产水平以及应用的不同娄求,将出件三氯化分为1型和1型。:型适用于要求比较高的领境,如离子脱电解措金属阳极涂层等,1型适用于一般要求的。
本标准出中华人光共和回原化学工业部技术监督司提出。本标准由全国化学标准化技术委员会颠藏分技术委员会归口:木标唯起章单位:缔西化工研究院,荫芦舟金属阳概页量检侧中心、上海贵证文化用品有限公司,所而市银阿化工厂、上贸科氏T业技术材料有限公司,本标准要超草人:壶套来王文、郭数静明、张涛本标准为首发布。
中华人民共和国化工行业标准
电解槽金属阳极涂层用三氛化钉Ruthenium trichloridefor dimensionally tublenode costisgin electrolyzer
1范围
HG/T36792000
本标准规定电解槽金晨阳极途层用款化钉产品的要求、试验方法、检验股则,包整、标志及安全
本标惟进用十以金属钉粉或订化合物为主要原料,用饮氯翻销法制备的,土要用十金两阳拨涂层生产的三氯化行固态物成盐龄水群泄,分了式Rul,
相对分于质压207.4元(核1995年国际相对原十质量)2引用标准
下列标兼所包含的条文,适过在本标准中引用而构成为本称准的条文,本标准山版时,所示点木与为有效,所有标准都会读订,使用本标准的各力应深时使而下刻标准最新版本的可性:G190—1550
危险货物装标志
.GB/TS01-
GH/T 632
GB/T 613—198H
GB/T619—1988
G/T:2501989
GB/T G69?
G3/T9723-1988
GB 15346—1!
3产品分类
北学试剂
化学试剂
薪定分析(睿量分析)用标准将液的制备杂质测定标准溶拟的制备
试监方法中所用试剂及制品的制备化学就剂
化学试剂
采样及验改规则
报限数值的表示方祛和判定方决分析试验室用水规格和试融方公(10)369:1987)化学试溯
火焰原广强汝光谐达通则
包装必标志
化学试判
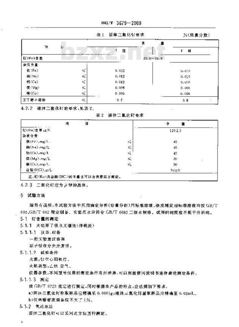
被服产品的品种分为固体一化钉和料体二氯化钉(三氯化钉盐改水溶液)4要求
4.1外观及性状
固体三氯化钉为带米泽的品体到粒,其额忽因含水盘的不同而有类再,一般呈灰揭色成瞻红色,极激鲜,游于水萨中,在热水中分舒液体三氯化钉为红碗色,具有很强的酸性,可与水、醇闲答.4.2技术要求
4.2.1体三瓶化们的娶求,见表1。国家石油和化学工业局200-06-05批准2001-0301实施
订(Ku)合量
钠:N
钙(Ca)
正丁原不落灯
4.2.?滦体三知化年的要求,叫表2.巩
杂质心量
铁纳(A).mg/1
w(t'n),mgil
供(Mg).my/L
蓝盛(IC)
HG/T 3679—2000
固林三想化钉要求
35.0-38.0
表2液休三氧化钉要求
正:灯(Ru)及盐融(HC:)的量也可以由需效力附定4.2.3二氧化钉使为9型的品体。5试验方法
%(压量分数)
心I:DK
除·有说明,木试验方法中所用满定分析(客景分析)用标准落谦.杂遗测害用标准离变均按GB门601、GB/T6U2规定例备,实验水应符合GB/T6682三级水规格。试辨的度虚不干分析纯。5.1钉含盘的测定
5-1.1火焰原了吸汝充诺法(仲裁法)5.1.1.1议器、故各
一般实验查收需和
子啦收分光光度计。
5.1. 1.7试验条件
光源,订空心明极灯.
火帮类型:之炔空气
收器参微:不同型号仪游的意定条件有所券异,可以提据使用说明书选料量佳剧定条性:5.1.1.3测
按GH/T9723执究进行洲定.同时根据本产品的特点,应达到如下要求,)固件三氯化针多取样品应籍确至0.(001g滤体三氯化订取样品应精通至U.心5mL.b)仪群精密度假垂应不太,1%,5.1.2气还原法
固依三氯化钉叫以采用此方偿进行测定。5.3-2.1方法原理
HG/13679—2000
试样在定温度下气化,牛成钉的其化物,在高避下测氢还愿皮金属。主要反应如下,RuCl, zH.O+O,→RuO,(RuO)+HClIH,ORuO,+2H,Ru+2H,0
Ru,O,+3H,2Ru-3H.0
5.1.2-2仪器段备
一般实验室仪器和
北南或石英
氨气发牛器。
流盛计。
硫酸洗气瓶。
督式心炉,温度可以控制
5.1.2.3分析步独
你取U.3~心.5样品(精确垒0.0001g)在性单的错圳中将均竭和样品移人音式心炉内并在电炉的人出报人装硫酸的洗气瓶,管式电炉通电加热,在120~150保持2h(或用洪箱使样品在120~10下焙烘2l肩,币整人管式电炉内):在(0(士50)C通氢气1.5h,氢气殊量保持0.51./mm.使样品在十燥环竞下冷却、准确秘量及内萨物至恒压,5.1.2.4分相结果的表述
比质整百分数去示的含最(X)按式(1)计算:%)=\×100wwW.bzxz.Net
式中:。
并品质量g1
始原后的金寓虾和带据的质盘限。注,因火三氧化可中仅合有款量杂质,其质量远小于行的质景,所以订含量中杂质所量可以忽感不计。5.1.2.5充片差
取不少于两个的行试样洲定错果的算术乎均值为测定结果。其相对偏差应不人丁1头。5.2杂质测定
深用火原于吸收光谱法测定。
5.2.1收带放备
同5.1.1。
5.2.2试验系作
光源:与划定余质元帝相对应的空心阴微灯火缩类型,乙决-空气。
仅器参数:不间型梦仪器的测实件有所差异,可以根据使用说明书选择最佳测定条件。5.2-3测定
接GBT 装规定进行酬定,
5.3正丁醇不溶物的测定
5.3.1仅群、教咨
胜实验室收器和
资世据
高放,益度可保持在(50士)
5.3.2试剂
上丁醇。
HG/T 3679—2000
5.3.3分析步期
称收0.3~~0.5g样品(精确至1.000g),加止丁确30m在字下使样品落解,游解时间不能超过1h,下快座定量冰低过滤,用正丁选课至滤无色,样施抵修人恒的瓷地期中,选行下燥后,置人高祖护中经慢加燃,在(只5010)保持1h,企干燥器内持却,移至恒再。5.3.4分析结果的表述
以的烧残陷的质量自分数表示的止丁尊不铬物(X,)接式(2>升藓:Xs%>=m:×10m
式中股:
淡渔和瓷非璃的新景,8!
禁涡的正量R;
t—群品的质量-多.
5. 4 酸者量的测定
5.4.1方适原理
用滴定然达测定将度中氧的总量,扣除根铅测得的三化订中钉含整计算出的氯景,再转换为盐较(I的,
5.4.2试辅和材料
谢氢花钠:30g/1.。
硝,65%~GR%。
能融括示剂:12g/L.
氧化纳标准落跑cNaOH)O,mnl/I路酸钥指乐剂:50g/T..
码酸银标准满定解液:ctAgNO,)=0.1mo!5.4.3分析步媒
取2mL的样品(V。)十烧杯中,加人20ml.水和12ml.的调氧化钠,加热煮沸并保持扭溢1h后,进行过川水将装样品的烧杯和滤液的容器进行情饮,将涨液和先谦特人25Om(V.)睿量版,加人4m的悄酸,用水释至变度整勾,我取53.00m山(V,>该溶液于维形瓶中,加酚指示剂2滴,用氢氧化纳标准清定落液进行滴定至泽滤为滤粉色再加语酸钾指示剂1.51l.周硝酸银标准商定膏液(V,)滴定立微红色为终点,
5.4.4分扩结果的表述
以母升溶兼中含盐酸(HCI)的质量()表示盐酸个盘(X,)格式(3)计单)X,=1C3(PP
共中,=105P
3氧量轻费为盐酸(JICI)的过的需数,即像(HCI>的康尔质量(36.45)\靠(CI)的李尔式中1.03
质量(35,5>的比值:
新算为氧化钉的系教,即三款化舒(RuC中款的凸有(3Cl=106.35)与钉的占有量101.c7的比值;
测得的试群中红含匠,多门.5
销酸恨标准滴实溶液的能度,mal/L:试样-mL.:
处稀释样品游液的盘,L:
HG/T36792000
:-从格邦弹品液中联止用十润定的盈LV,———消耗酸银标准滴定落液的且,L35.45—一抓的率尔质量/mol
6检验规则
6.1产品必测经过牛产单位质量检险部门控验,牛产单位应保证所有的产品都符合本标准的要求.并出具质量合格证明方可出厂。
6.2生产单位产品的采样按CE/T519规定的方式送行。包装前,后体二氧化钉皮在烘十弃誉内,分中心,边做中心垒边您二点分别采样进行检验,每个样战的质盘应不少于3g,液体样品量应不少于5UmL,包装后,接GB/T15--1988中3.4的实采样,每个样屏的采折盘m包装商。样品必须置丁耐酸的容设内密封,做好标记。其中一部分样品用于稳验,员·部分封存,封存时间应不少下三个月。
6.3用产应以产品包装上标注的批次为兼进存采样,并按GR/门619的规定进行采样和整收。6.4接第章中规定的试验方法进行检验,以三个杆品检验结果的算术平均值为该世产品的格验站果。
6.5按H125一19中.2规定的值比较法判定成晚结果是否付合要求,了包装及标志
找GB15346的定.
7.1包装
7.1.1内包装:做沐三氧化钉可以根据具体情况选开第1美,第1类包装单位·按B-3的么装形式进行。液体二氧化钉皮选烊第5类包装单位,按NB-49的包装形式进行.7.1.2外包装:在不损以内包装的前提下,可以根据耳体情况进行选择。7.1.3产品出厂必须附有质整证明书;内等他括该批产品的各项指标前实际检验绍果,7.2产品标志
7.2.1产品的每十包赖单你上部独粘贴标志,7.2.2标志1必频标明:产品名称(中文.英文)、产品标难编号、分于式和相对分子质量,质量级别.钉实测告目和杂市的最高含过、产品件状、净音量成休积、生产口期、批、生产单位茗称、地证、商标。满库三毫化钉应自R190规定的降性物品标心。7.2.3标志文学,必领印清些、整齐。除生产准号,牛产百期放钉实测含量可采月标方式外,其他内穿不得采用杯打、书等方式。标杰要保证新贴牢固、端上、光整,清洁。8安全
8.1固体三氧化钉极易喂期,使用及接触时应避免造亏染,8.2浓体三氯化灯属强酸性腐蚀性构品,使用及尴撼时应采取相应的措施。
小提示:此标准内容仅展示完整标准里的部分截取内容,若需要完整标准请到上方自行免费下载完整标准文档。
普案号:75082000
中华人民共和国化工行业标准
HG/T 36792000
电解槽金属阳极涂层用三氯化钉Ruthenium trichloride for dimensinally stable anode coatingin electrolyzer
2000-06-05发布
2001-03-01实施
国家石油和化学工业发布
IG/36792000
本标准层以满足电解格金风阳极像层生产的应用要求为目的而制定的。标谁提出的质盘要求和质前接制方估,主费是育国内的实际情说,专者了国内部计企业标准和主要牛产企业产品检验结果。同时,根据国内实际生产水平以及应用的不同娄求,将出件三氯化分为1型和1型。:型适用于要求比较高的领境,如离子脱电解措金属阳极涂层等,1型适用于一般要求的。
本标准出中华人光共和回原化学工业部技术监督司提出。本标准由全国化学标准化技术委员会颠藏分技术委员会归口:木标唯起章单位:缔西化工研究院,荫芦舟金属阳概页量检侧中心、上海贵证文化用品有限公司,所而市银阿化工厂、上贸科氏T业技术材料有限公司,本标准要超草人:壶套来王文、郭数静明、张涛本标准为首发布。
中华人民共和国化工行业标准
电解槽金属阳极涂层用三氛化钉Ruthenium trichloridefor dimensionally tublenode costisgin electrolyzer
1范围
HG/T36792000
本标准规定电解槽金晨阳极途层用款化钉产品的要求、试验方法、检验股则,包整、标志及安全
本标惟进用十以金属钉粉或订化合物为主要原料,用饮氯翻销法制备的,土要用十金两阳拨涂层生产的三氯化行固态物成盐龄水群泄,分了式Rul,
相对分于质压207.4元(核1995年国际相对原十质量)2引用标准
下列标兼所包含的条文,适过在本标准中引用而构成为本称准的条文,本标准山版时,所示点木与为有效,所有标准都会读订,使用本标准的各力应深时使而下刻标准最新版本的可性:G190—1550
危险货物装标志
.GB/TS01-
GH/T 632
GB/T 613—198H
GB/T619—1988
G/T:2501989
GB/T G69?
G3/T9723-1988
GB 15346—1!
3产品分类
北学试剂
化学试剂
薪定分析(睿量分析)用标准将液的制备杂质测定标准溶拟的制备
试监方法中所用试剂及制品的制备化学就剂
化学试剂
采样及验改规则
报限数值的表示方祛和判定方决分析试验室用水规格和试融方公(10)369:1987)化学试溯
火焰原广强汝光谐达通则
包装必标志
化学试判
被服产品的品种分为固体一化钉和料体二氯化钉(三氯化钉盐改水溶液)4要求
4.1外观及性状
固体三氯化钉为带米泽的品体到粒,其额忽因含水盘的不同而有类再,一般呈灰揭色成瞻红色,极激鲜,游于水萨中,在热水中分舒液体三氯化钉为红碗色,具有很强的酸性,可与水、醇闲答.4.2技术要求
4.2.1体三瓶化们的娶求,见表1。国家石油和化学工业局200-06-05批准2001-0301实施
订(Ku)合量
钠:N
钙(Ca)
正丁原不落灯
4.2.?滦体三知化年的要求,叫表2.巩
杂质心量
铁
w(t'n),mgil
供(Mg).my/L
蓝盛(IC)
HG/T 3679—2000
固林三想化钉要求
35.0-38.0
表2液休三氧化钉要求
正:灯(Ru)及盐融(HC:)的量也可以由需效力附定4.2.3二氧化钉使为9型的品体。5试验方法
%(压量分数)
心I:DK
除·有说明,木试验方法中所用满定分析(客景分析)用标准落谦.杂遗测害用标准离变均按GB门601、GB/T6U2规定例备,实验水应符合GB/T6682三级水规格。试辨的度虚不干分析纯。5.1钉含盘的测定
5-1.1火焰原了吸汝充诺法(仲裁法)5.1.1.1议器、故各
一般实验查收需和
子啦收分光光度计。
5.1. 1.7试验条件
光源,订空心明极灯.
火帮类型:之炔空气
收器参微:不同型号仪游的意定条件有所券异,可以提据使用说明书选料量佳剧定条性:5.1.1.3测
按GH/T9723执究进行洲定.同时根据本产品的特点,应达到如下要求,)固件三氯化针多取样品应籍确至0.(001g滤体三氯化订取样品应精通至U.心5mL.b)仪群精密度假垂应不太,1%,5.1.2气还原法
固依三氯化钉叫以采用此方偿进行测定。5.3-2.1方法原理
HG/13679—2000
试样在定温度下气化,牛成钉的其化物,在高避下测氢还愿皮金属。主要反应如下,RuCl, zH.O+O,→RuO,(RuO)+HClIH,ORuO,+2H,Ru+2H,0
Ru,O,+3H,2Ru-3H.0
5.1.2-2仪器段备
一般实验室仪器和
北南或石英
氨气发牛器。
流盛计。
硫酸洗气瓶。
督式心炉,温度可以控制
5.1.2.3分析步独
你取U.3~心.5样品(精确垒0.0001g)在性单的错圳中将均竭和样品移人音式心炉内并在电炉的人出报人装硫酸的洗气瓶,管式电炉通电加热,在120~150保持2h(或用洪箱使样品在120~10下焙烘2l肩,币整人管式电炉内):在(0(士50)C通氢气1.5h,氢气殊量保持0.51./mm.使样品在十燥环竞下冷却、准确秘量及内萨物至恒压,5.1.2.4分相结果的表述
比质整百分数去示的含最(X)按式(1)计算:%)=\×100wwW.bzxz.Net
式中:。
并品质量g1
始原后的金寓虾和带据的质盘限。注,因火三氧化可中仅合有款量杂质,其质量远小于行的质景,所以订含量中杂质所量可以忽感不计。5.1.2.5充片差
取不少于两个的行试样洲定错果的算术乎均值为测定结果。其相对偏差应不人丁1头。5.2杂质测定
深用火原于吸收光谱法测定。
5.2.1收带放备
同5.1.1。
5.2.2试验系作
光源:与划定余质元帝相对应的空心阴微灯火缩类型,乙决-空气。
仅器参数:不间型梦仪器的测实件有所差异,可以根据使用说明书选择最佳测定条件。5.2-3测定
接GBT 装规定进行酬定,
5.3正丁醇不溶物的测定
5.3.1仅群、教咨
胜实验室收器和
资世据
高放,益度可保持在(50士)
5.3.2试剂
上丁醇。
HG/T 3679—2000
5.3.3分析步期
称收0.3~~0.5g样品(精确至1.000g),加止丁确30m在字下使样品落解,游解时间不能超过1h,下快座定量冰低过滤,用正丁选课至滤无色,样施抵修人恒的瓷地期中,选行下燥后,置人高祖护中经慢加燃,在(只5010)保持1h,企干燥器内持却,移至恒再。5.3.4分析结果的表述
以的烧残陷的质量自分数表示的止丁尊不铬物(X,)接式(2>升藓:Xs%>=m:×10m
式中股:
淡渔和瓷非璃的新景,8!
禁涡的正量R;
t—群品的质量-多.
5. 4 酸者量的测定
5.4.1方适原理
用滴定然达测定将度中氧的总量,扣除根铅测得的三化订中钉含整计算出的氯景,再转换为盐较(I的,
5.4.2试辅和材料
谢氢花钠:30g/1.。
硝,65%~GR%。
能融括示剂:12g/L.
氧化纳标准落跑cNaOH)O,mnl/I路酸钥指乐剂:50g/T..
码酸银标准满定解液:ctAgNO,)=0.1mo!5.4.3分析步媒
取2mL的样品(V。)十烧杯中,加人20ml.水和12ml.的调氧化钠,加热煮沸并保持扭溢1h后,进行过川水将装样品的烧杯和滤液的容器进行情饮,将涨液和先谦特人25Om(V.)睿量版,加人4m的悄酸,用水释至变度整勾,我取53.00m山(V,>该溶液于维形瓶中,加酚指示剂2滴,用氢氧化纳标准清定落液进行滴定至泽滤为滤粉色再加语酸钾指示剂1.51l.周硝酸银标准商定膏液(V,)滴定立微红色为终点,
5.4.4分扩结果的表述
以母升溶兼中含盐酸(HCI)的质量()表示盐酸个盘(X,)格式(3)计单)X,=1C3(PP
共中,=105P
3氧量轻费为盐酸(JICI)的过的需数,即像(HCI>的康尔质量(36.45)\靠(CI)的李尔式中1.03
质量(35,5>的比值:
新算为氧化钉的系教,即三款化舒(RuC中款的凸有(3Cl=106.35)与钉的占有量101.c7的比值;
测得的试群中红含匠,多门.5
销酸恨标准滴实溶液的能度,mal/L:试样-mL.:
处稀释样品游液的盘,L:
HG/T36792000
:-从格邦弹品液中联止用十润定的盈LV,———消耗酸银标准滴定落液的且,L35.45—一抓的率尔质量/mol
6检验规则
6.1产品必测经过牛产单位质量检险部门控验,牛产单位应保证所有的产品都符合本标准的要求.并出具质量合格证明方可出厂。
6.2生产单位产品的采样按CE/T519规定的方式送行。包装前,后体二氧化钉皮在烘十弃誉内,分中心,边做中心垒边您二点分别采样进行检验,每个样战的质盘应不少于3g,液体样品量应不少于5UmL,包装后,接GB/T15--1988中3.4的实采样,每个样屏的采折盘m包装商。样品必须置丁耐酸的容设内密封,做好标记。其中一部分样品用于稳验,员·部分封存,封存时间应不少下三个月。
6.3用产应以产品包装上标注的批次为兼进存采样,并按GR/门619的规定进行采样和整收。6.4接第章中规定的试验方法进行检验,以三个杆品检验结果的算术平均值为该世产品的格验站果。
6.5按H125一19中.2规定的值比较法判定成晚结果是否付合要求,了包装及标志
找GB15346的定.
7.1包装
7.1.1内包装:做沐三氧化钉可以根据具体情况选开第1美,第1类包装单位·按B-3的么装形式进行。液体二氧化钉皮选烊第5类包装单位,按NB-49的包装形式进行.7.1.2外包装:在不损以内包装的前提下,可以根据耳体情况进行选择。7.1.3产品出厂必须附有质整证明书;内等他括该批产品的各项指标前实际检验绍果,7.2产品标志
7.2.1产品的每十包赖单你上部独粘贴标志,7.2.2标志1必频标明:产品名称(中文.英文)、产品标难编号、分于式和相对分子质量,质量级别.钉实测告目和杂市的最高含过、产品件状、净音量成休积、生产口期、批、生产单位茗称、地证、商标。满库三毫化钉应自R190规定的降性物品标心。7.2.3标志文学,必领印清些、整齐。除生产准号,牛产百期放钉实测含量可采月标方式外,其他内穿不得采用杯打、书等方式。标杰要保证新贴牢固、端上、光整,清洁。8安全
8.1固体三氧化钉极易喂期,使用及接触时应避免造亏染,8.2浓体三氯化灯属强酸性腐蚀性构品,使用及尴撼时应采取相应的措施。
小提示:此标准内容仅展示完整标准里的部分截取内容,若需要完整标准请到上方自行免费下载完整标准文档。
标准图片预览:





- 其它标准
- 热门标准
- 化工行业标准(HG)
- HG/T2442-2001 洗衣机V带
- HG/T21524-2014 水平吊盖带颈对焊法兰人孔
- HG/T3534-2011 代替 HG/T 3534-2003 工业循环冷却水污垢和腐蚀产物中酸不溶物、磷、铁、铝、钙、镁、锌、铜含量测定方法
- HG3671-2000 吡虫啉可湿性粉剂
- HG2208-1991 甲霜灵可湿性粉剂
- HG/T2058.1-1991 搪玻璃温度计套
- HG/T2411-1992 鞋底材料90°屈挠试验方法
- HG/T2784-1996 工业用亚硫酸铵
- HG/T2343-2012 硫化促进剂ETU
- HG/T4519-2013 碱式碳酸钴
- HG/T20704.3-2000 机泵专业工程设计阶段的工作程序
- HG2975-1989 气体分析 标准混合气 混合物制备证书
- HG2207-1991 甲霜灵粉剂
- HG/T2192-1991 喷砂橡胶软管
- HG/T2546-1993 导热油-400(联苯-联苯醚混合物)
- 行业新闻
请牢记:“bzxz.net”即是“标准下载”四个汉字汉语拼音首字母与国际顶级域名“.net”的组合。 ©2025 标准下载网 www.bzxz.net 本站邮件:bzxznet@163.com
网站备案号:湘ICP备2025141790号-2
网站备案号:湘ICP备2025141790号-2