- 您的位置:
- 标准下载网 >>
- 标准分类 >>
- 国家标准(GB) >>
- GB/T 997-2003 旋转电机结构及安装型式(IM代号)
标准号:
GB/T 997-2003
标准名称:
旋转电机结构及安装型式(IM代号)
标准类别:
国家标准(GB)
标准状态:
已作废-
发布日期:
2003-10-09 -
实施日期:
2004-05-01 -
作废日期:
2008-12-01 出版语种:
简体中文下载格式:
.rar.pdf下载大小:
708.73 KB
替代情况:
替代GB/T 997-1981;被GB/T 997-2008代替采标情况:
IEC 60034-7:1992,IDT
点击下载
标准简介:
标准下载解压密码:www.bzxz.net
本标准规定了旋转电机的结构及安装型式的IM代号。两种代号规定如下:代号1(见第2章):字母数字代号适用于具有端盖式轴承和一个轴伸的电机。代号2(见第3章):全数字代号适用于更广的电机型式,包括代号1涉及的电机型式代号2中未列入的电机型式应作完整的文字说明。代号1和代号2之间的关系见附录A。 GB/T 997-2003 旋转电机结构及安装型式(IM代号) GB/T997-2003
部分标准内容:
1CS 29.160.20
中华人民共和国国家标准
GB/T 9972003/IEC 60034-7:1992代替 GB/T 997—1981
旋转电机结构及安装型式(IM代号)Classification of types of construction and mounting arrangements for rotatingelectrical machines (IM code)IEC 60034-7:1992.IDT)
2003-10-09发布
中华人民共和国
国家质量监督检验检疫总局
2004-05-01实施
GB/T 997—2003/IEC 60034-7:1992本标准等同采用IEC60034-71992。前言
本标准是对GB/T997—1981的修订,并自实施之H起代替GB/T997—1981。本标准与GB/T997—1981椎比较技术内容的主要改变为:1)在代号1卧式安装电机的代号中,增加了IMB25。2)在代号1立式安装电机的代号中:取消IMV21,在IMV15和IMV36中增加了凸缘上无通孔的安装结树。
在代号 2立式安装电机的代号中,增加了 IM 2401;对IM7430和IM 7530改为均具有整块底板和分块底板的安装型式。
本标准手1981年首饮发布,本次修订后,从实施之日起邸代替GB/T997—1981。本标推的附录 A是资料性附录。本标准为推荐性标准。
本标准由中国电器工业协会提出。本标准由全国旋转电机棕准化技术委贯会(CSBTS/TC26)归口。本标准由上海电器科学研究所起草。本标准起草人:律相方。
1范围和定义
1.1范围
GB/T 997-2003/1EC 60034-7 :1992旋转电机结构及安装型式(IM代号)本标准规定了转电机的结构及安装型式的IM代号。两种代号规定如下:
代号1见第2章):字母数字代号适用于具有端盖式轴承和一个轴伸的电机。代号2(见第3章):全数字代号适用于更广的电机型式,包括代号1涉及的电机型式。代号2中未列入的电机型式应作完整的文字说明。代号1和代号2之间的关系见附录A。1.2定义
本标准应用下列定义:
结构型式type of construction有关面定用构件、轴承装置和轴伸等电机部件的构成情况(见GB/T2900.25)。1.2.2
安装型式mouoting arrangement用轴线方向和固定状说全面表达电机安装方式的情说(见GB/T2900.25),1.2.3
轴伸 shaft extension
伸出电机轴承外用以接装其他机械的轴段(见GB/T2900.25)。注:轴承可为电机上的或为机和甜加轴承的组会体。1. 2. 4
电机的传动端(D 端)drive-end of a machine (D-end)指电机的轴端-端(见GB/T2900.25)。注:通带指电动机的传动端和发电机的被传动端。对有些电机,上述定义悬不充分的,此时,D端的规定如下:a)电机具有不同直径的双轴伸:直径大的一螨为D螨;1)电机具有二个圆柱形轴伸和一个相同真径的圆锥形轴伸:圆柱形轴伸一尴为D端:c)其他型式的电机:如适用,按B1971的规定,否卿,按协议规定。注:如轴伸上带有出的凸缘,其外径即为轴径。1.2.5
电机的非传动端(N 端)non-drive end of the machine (N-cnd)相对于传动端的另一端(见GB/T2900,25)。2代号1(字母数字代号)
2.1卧式安装电机的代号
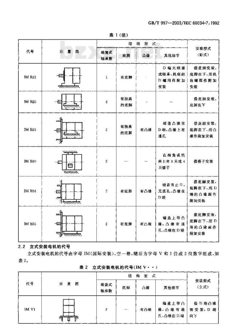
卧式安装电机的代号由字母IM《国际安装)空一格,随后为字母B和1位或2位数字组成,如表1。CB/T 997--2003/1EC 60034-7 : 1992表 1 卧式安装电机代号(IM B··)结构型式
IM B14
示意图
端盖式bzxz.net
轴承数
有腐脚
有底脚
有底脚
有底脚
有凸缘
有凸缘
有凸缘
其他细节
蒸上柑凸
够,凸缘有通
死,凸缘在D端
D端无端盏
或轴承
D端有特乐
的凸缘
蝶蒙有止口,
无通孔,凸在
安装型式
(卧式)
借庭脚安装,
底脚在下
借 D螺凸缓
面安装
借底脚安装,
风D端庭脚
在左达
情底脚安获,
从 D归看底脚
在右边
借底脚安装。
底脚在上
借D端的机
座面安装
借D端的凸
缘面安装
懂的凸
球面安装
IM BI5
IM 825
JM B35
示意图
2.2立式安装电机的代号
表1(缕)
GB/T 997—2003/1EC 60034-7:1992结构
端难式
轴承数
有底脚
有抬高
的底脚
有抬高
的底脚
有底脚
有凸缘
有凸缘
有凸缕
其细节
D蝙无端盘
敷轴承,机糜的
T 端用作附加
端盖凸缘在
D端,点缘,上有
在端萄或机
库上存 3 只或 4
只搭子
端羞有正口,
无通形,凸缘在
端盖上带凸
豫,凸缘有通
孔,凸像在 D
安装型式
(卧式)
借底脚安装,
脚在下,用机
座端面作附加
惜底脚安装,
嵌脚在下
惜底脚安装,
底脚在下,用总
缘作附加安装
借椿子安装
惜底脚安装,
底即在下,用 D
端的凸缘面作
附加安装
储底脚安装,
底脚在下,用 P
端的止像面作
附加安装
立式安装电机的代号由字母 IM(国际安装),空一格,随后为字母 V和 1 位或 2 位数字组戒,如表2。
表2立式安装电机的代号(IM。·)结构型式
示意图
轴承数
有凸缘
其地细节
端盖上带凸
缘,凸缘有通
孔-凸缘在 D端
安装型式
(立式)
借端凸缘
面安装,D 端
GB/T 997—2003/IEC 60034-7 : 1992代号
IM V10
IM V14
示意图
表2(续)
结构型式
蹦盖式
有庭脚
有底脚
有凸缘
有凸缘
有凸緣
有凸缘
有凸缘
其他细节
端盖上带凸
鐵,凸象有通
我缘在N端
端盖上带凸
缘,凸乐有通
我,凸在端
端盖上带凸
,凸缘上有通
我,也缘在端
D端无端盖
最瓣承
D端无端盖
戒轴承
D端有特殊
的凸缘
D 端有特殊
的凸缘
安装型式
(立式)
猎N端凸缘
面安装,卫端
循方端凸缘
面安,D端
惜N端凸缘
面安装,D满
借底脚安装,
D端向下
借底脚安装,
D端向上
猎 D 端机墨
端面安装,I>端
谱 D 端机座
端面安装,端
借端凸缘
面安装,D
借D端凸缘
面安装,』端
[M V15
IM V19
IM V30
IM V31
乐意图
凄2 (续)
轴承数
GB/T 9972003/1EC 60034-7:1992型
有底脚
有凸缘
有凸浆
有凸缘
有底脚
有凸缘
其他细节
D 端端盖上
带凸缘,凸缘有
端盖上带止
日,无孔,凸
缘在D端
D端有特殊
的凸缘
端差带止口,
安装型式
(立式)
情底脚安装、
有D端的凸够
面作加娄,
D端向下
借N璐凸缘
面安装,D 端
借D端凸缘
无通孔,凸缘在
[面安装,D姗
端善上带止
口,无通孔,凸
在端盖或机
魔上有3只贼4
只搭子
在端盖或机
座上有 3只或 4
只搭子
端盖上带凸
缘,凸缘在D
塑,有道孔
端盖上带止
口,无通礼,凸
缴在D蜡
循D凸缘
面安装,』端
猎搭子安装·
17端向下
循搭子安装,
D端向.上
借底脚安装,
用口煨凸缴面
作附加安装,D
竭向上
E/T997—-2003/IEC 60034-7:19923代号2(金数字代号)
3.1我号
电机的代号由代号字母IM(国际安装),空一格,随后为4位数字组成,第 1,第 2 和第 3 位数学表示结构的状况(见 3. 2 和 3. 4)。第 4位数字装示抽神的型式(见3.3)。3.2第1位数字的意义
第 1 位数字的意义规定于表 3。表 3 第 1 位数字的童义
第1位数字
无安据
底脚安装电机,仅有端盖式轴承艾
底脚和凸缘安装电机,仅有端盖式轴承凸安装电机,仅有端益式轴承,一个端盖带凸鳞凸缘安装电机·仅有端盘式轴承,有一个凸缘,凸缘不在端盖上,而在机座或其他部件上
无轴承电机
具有端盖式轴承和座式轴承的电机只有座式轴承的电机
第】位数字为1至4以外结构型战的立式电机特殊安装型式的电机
3. 3第 4 位数字的意义
第 4 位数李的意义规定于表 4。表 4第 4 位数字的惠义
第4位数字
3.4第2位和第3位数字的意义
无轴伸
一个圆生型轴伸
两个圆型轴
一个圆维型轴伸
两个圆锥塑轴伸
·个带凸缘的轴伸
两个带凸缘的轴伸
D端为带凸缘的轴伸,N蝴为圆柱型轴伸无安排
其他类型的轴伸
对第 2 位和第 3 位
数字的相关表
第2位和第 3位数字的意义规定于表 5~表13,其与第 1位数字的联系见表 3。3.5代号示例
在表5~表13中,以示意图说明广常见的结构及安装型式,并且以4位数字给出其各自的代号。其他的第4位数字也适用(见表4),无示意图说期的情况并不表示其代号不可获得。各个数字的意义安排于合适的表中,可结合形成有效的代号。其中有些代号可能是不切实际的。轴
电机结构
(齿轮箱)
正常底御
(无齿轮
抬高底御
{无羚
正常底御
(无齿轮
.............
抬高底脚
(无齿轮
无安排
无安排
正常底脚,
平行手输
人轴的齿
止常底脚。
带输出轴
干辅人
轴右面的
步轮籍
无安排
无安排
第2位数学
GB/T997-2003/1EC 60034-7:1992表 5第1位数字为1时第2 位和第3 位数字的商文(底脚安装电机,仅有端盖式轴承)代号和示意图(见3.5)
第3位数字
卧式,底
脚在下
IM 1001
IM i1c1
IM 1201
[M 130]
IM1501
IM 170t
D端向下
IM loli
IM 1211
.........
IM 1611
FM 1711
州于运行在第3位数字为0
D端上
IM Ic31
IM1231
JM1631
IM1731
加于运行住第3位数字为0
D端在
左,底脚
在背面
IM1051
IM1251
IM1651
JM1751
D端在
右底脚
在背面
IM 1061
卧式底
脚在上
IM 1071
IM1261IM1271
中中國
IM 1661
IM1671
IM 1761
IM 1771
用于运行在第3位数学为0'1356#和
不包括第3位数宇0!8(轴的慢斜不作定)GB/T 997—2003/IEC 60034-7: 1992表 6 第 1 位数字为 2 时第 2 位和第 3 位数字的义(底脚和凸缘安装电机,仅有端盖式轴承)电机结构
凸缘数
帮凸缘
上通孔
缘,凸缘
有通孔
“个占
缘.凸缘
无通孔
缘,西缘
有通孔
三个凸
无通孔
缘,凸缘
有通孔
无安排
无安排
第2做数宇
卧式,庭
脚在下
IM 2001
IM2131
IM2202
IM2302
IM 2401
端向下
IM 2011
IM 2111
JM 2212
IM2312
避历于运行在第3位数宁为0和1
代号利示竞图(见 3. 5)
第3位数字
D端向上
IM 2031
1M2131
IM 2232
1M2332
适用于运行在第3位数字为0,
左,底脚
在背面
JM2051
1M 151
1>端在
右·底脚
在背面
FM 2061
IM2161
IM2252
IM2352
IM2262
IM2362
卧式,底
脚在上
IM 2071
IM2171
IM2272
IM2372
适用于运行在第3位数宰为61-3·5、6和?o
不包括第3位数字0:8<轴的倾斜不作规定)轴承数
电机结构
GB/T 997-2003/1EC 60034-7:1992表 7 第 1 位数字为 3 时第 2 和第 3 位数字的意义(凸缘安装电机,仅有端盖式轴承,一个端盖带凸缘)第
凸缘位置「凸缘有道孔
D端有裙
式卢缘,
为端盖的
—部分·
凸缘面朝尚
2位效字
1M3001
IM3101
IM3201
IM 3301
IM3501
IM3601
iM 3701
第2位数字为8.除其有裙式凸录外与第2位数字为0相同,代号和示意图(见3.5)
端向下
IM3011
第 3位数字
到端向上
IM3031
IM3131
IM 3711
IM 381
适第于运行在第3位数窄为0和1
IM 3331
1M3431
1M3531
IM3731
适朋于运行在第3位数学为0
··称
5至 8
无安推
不包括弟3位数字0!9人轴的懒斜不作规定】GB/T 9972003/IEC 60034-7: 1992表 8 第 1 位数字为 4 时第 2 位和第 3 位数字的意义(凸缘安装电机,仅有盖轴承,有-个凸缘凸不在端盖上,面在机座或其他部件上)电机结构
轴承数
凸缘位置
凸录有通孔
无安据
凸缭面朝向
G2位数字
IM4201
代号和示益图(见 3. 5)
D端向下
第位数字
口攀向上
IM 401
中中国
IM 4301
适用乎运行在第3位墅字为91
[M 44I
1M4401
喝母中
IM 4511
1M4501
IM4601
IM 470
IM 4711
由由申
IM 4431
IM4531
用于运行在第,
*3位数学为0
无安排
不包括第3位数字04(轴的概斜不锶定)
小提示:此标准内容仅展示完整标准里的部分截取内容,若需要完整标准请到上方自行免费下载完整标准文档。
中华人民共和国国家标准
GB/T 9972003/IEC 60034-7:1992代替 GB/T 997—1981
旋转电机结构及安装型式(IM代号)Classification of types of construction and mounting arrangements for rotatingelectrical machines (IM code)IEC 60034-7:1992.IDT)
2003-10-09发布
中华人民共和国
国家质量监督检验检疫总局
2004-05-01实施
GB/T 997—2003/IEC 60034-7:1992本标准等同采用IEC60034-71992。前言
本标准是对GB/T997—1981的修订,并自实施之H起代替GB/T997—1981。本标准与GB/T997—1981椎比较技术内容的主要改变为:1)在代号1卧式安装电机的代号中,增加了IMB25。2)在代号1立式安装电机的代号中:取消IMV21,在IMV15和IMV36中增加了凸缘上无通孔的安装结树。
在代号 2立式安装电机的代号中,增加了 IM 2401;对IM7430和IM 7530改为均具有整块底板和分块底板的安装型式。
本标准手1981年首饮发布,本次修订后,从实施之日起邸代替GB/T997—1981。本标推的附录 A是资料性附录。本标准为推荐性标准。
本标准由中国电器工业协会提出。本标准由全国旋转电机棕准化技术委贯会(CSBTS/TC26)归口。本标准由上海电器科学研究所起草。本标准起草人:律相方。
1范围和定义
1.1范围
GB/T 997-2003/1EC 60034-7 :1992旋转电机结构及安装型式(IM代号)本标准规定了转电机的结构及安装型式的IM代号。两种代号规定如下:
代号1见第2章):字母数字代号适用于具有端盖式轴承和一个轴伸的电机。代号2(见第3章):全数字代号适用于更广的电机型式,包括代号1涉及的电机型式。代号2中未列入的电机型式应作完整的文字说明。代号1和代号2之间的关系见附录A。1.2定义
本标准应用下列定义:
结构型式type of construction有关面定用构件、轴承装置和轴伸等电机部件的构成情况(见GB/T2900.25)。1.2.2
安装型式mouoting arrangement用轴线方向和固定状说全面表达电机安装方式的情说(见GB/T2900.25),1.2.3
轴伸 shaft extension
伸出电机轴承外用以接装其他机械的轴段(见GB/T2900.25)。注:轴承可为电机上的或为机和甜加轴承的组会体。1. 2. 4
电机的传动端(D 端)drive-end of a machine (D-end)指电机的轴端-端(见GB/T2900.25)。注:通带指电动机的传动端和发电机的被传动端。对有些电机,上述定义悬不充分的,此时,D端的规定如下:a)电机具有不同直径的双轴伸:直径大的一螨为D螨;1)电机具有二个圆柱形轴伸和一个相同真径的圆锥形轴伸:圆柱形轴伸一尴为D端:c)其他型式的电机:如适用,按B1971的规定,否卿,按协议规定。注:如轴伸上带有出的凸缘,其外径即为轴径。1.2.5
电机的非传动端(N 端)non-drive end of the machine (N-cnd)相对于传动端的另一端(见GB/T2900,25)。2代号1(字母数字代号)
2.1卧式安装电机的代号
卧式安装电机的代号由字母IM《国际安装)空一格,随后为字母B和1位或2位数字组成,如表1。CB/T 997--2003/1EC 60034-7 : 1992表 1 卧式安装电机代号(IM B··)结构型式
IM B14
示意图
端盖式bzxz.net
轴承数
有腐脚
有底脚
有底脚
有底脚
有凸缘
有凸缘
有凸缘
其他细节
蒸上柑凸
够,凸缘有通
死,凸缘在D端
D端无端盏
或轴承
D端有特乐
的凸缘
蝶蒙有止口,
无通孔,凸在
安装型式
(卧式)
借庭脚安装,
底脚在下
借 D螺凸缓
面安装
借底脚安装,
风D端庭脚
在左达
情底脚安获,
从 D归看底脚
在右边
借底脚安装。
底脚在上
借D端的机
座面安装
借D端的凸
缘面安装
懂的凸
球面安装
IM BI5
IM 825
JM B35
示意图
2.2立式安装电机的代号
表1(缕)
GB/T 997—2003/1EC 60034-7:1992结构
端难式
轴承数
有底脚
有抬高
的底脚
有抬高
的底脚
有底脚
有凸缘
有凸缘
有凸缕
其细节
D蝙无端盘
敷轴承,机糜的
T 端用作附加
端盖凸缘在
D端,点缘,上有
在端萄或机
库上存 3 只或 4
只搭子
端羞有正口,
无通形,凸缘在
端盖上带凸
豫,凸缘有通
孔,凸像在 D
安装型式
(卧式)
借底脚安装,
脚在下,用机
座端面作附加
惜底脚安装,
嵌脚在下
惜底脚安装,
底脚在下,用总
缘作附加安装
借椿子安装
惜底脚安装,
底即在下,用 D
端的凸缘面作
附加安装
储底脚安装,
底脚在下,用 P
端的止像面作
附加安装
立式安装电机的代号由字母 IM(国际安装),空一格,随后为字母 V和 1 位或 2 位数字组戒,如表2。
表2立式安装电机的代号(IM。·)结构型式
示意图
轴承数
有凸缘
其地细节
端盖上带凸
缘,凸缘有通
孔-凸缘在 D端
安装型式
(立式)
借端凸缘
面安装,D 端
GB/T 997—2003/IEC 60034-7 : 1992代号
IM V10
IM V14
示意图
表2(续)
结构型式
蹦盖式
有庭脚
有底脚
有凸缘
有凸缘
有凸緣
有凸缘
有凸缘
其他细节
端盖上带凸
鐵,凸象有通
我缘在N端
端盖上带凸
缘,凸乐有通
我,凸在端
端盖上带凸
,凸缘上有通
我,也缘在端
D端无端盖
最瓣承
D端无端盖
戒轴承
D端有特殊
的凸缘
D 端有特殊
的凸缘
安装型式
(立式)
猎N端凸缘
面安装,卫端
循方端凸缘
面安,D端
惜N端凸缘
面安装,D满
借底脚安装,
D端向下
借底脚安装,
D端向上
猎 D 端机墨
端面安装,I>端
谱 D 端机座
端面安装,端
借端凸缘
面安装,D
借D端凸缘
面安装,』端
[M V15
IM V19
IM V30
IM V31
乐意图
凄2 (续)
轴承数
GB/T 9972003/1EC 60034-7:1992型
有底脚
有凸缘
有凸浆
有凸缘
有底脚
有凸缘
其他细节
D 端端盖上
带凸缘,凸缘有
端盖上带止
日,无孔,凸
缘在D端
D端有特殊
的凸缘
端差带止口,
安装型式
(立式)
情底脚安装、
有D端的凸够
面作加娄,
D端向下
借N璐凸缘
面安装,D 端
借D端凸缘
无通孔,凸缘在
[面安装,D姗
端善上带止
口,无通孔,凸
在端盖或机
魔上有3只贼4
只搭子
在端盖或机
座上有 3只或 4
只搭子
端盖上带凸
缘,凸缘在D
塑,有道孔
端盖上带止
口,无通礼,凸
缴在D蜡
循D凸缘
面安装,』端
猎搭子安装·
17端向下
循搭子安装,
D端向.上
借底脚安装,
用口煨凸缴面
作附加安装,D
竭向上
E/T997—-2003/IEC 60034-7:19923代号2(金数字代号)
3.1我号
电机的代号由代号字母IM(国际安装),空一格,随后为4位数字组成,第 1,第 2 和第 3 位数学表示结构的状况(见 3. 2 和 3. 4)。第 4位数字装示抽神的型式(见3.3)。3.2第1位数字的意义
第 1 位数字的意义规定于表 3。表 3 第 1 位数字的童义
第1位数字
无安据
底脚安装电机,仅有端盖式轴承艾
底脚和凸缘安装电机,仅有端盖式轴承凸安装电机,仅有端益式轴承,一个端盖带凸鳞凸缘安装电机·仅有端盘式轴承,有一个凸缘,凸缘不在端盖上,而在机座或其他部件上
无轴承电机
具有端盖式轴承和座式轴承的电机只有座式轴承的电机
第】位数字为1至4以外结构型战的立式电机特殊安装型式的电机
3. 3第 4 位数字的意义
第 4 位数李的意义规定于表 4。表 4第 4 位数字的惠义
第4位数字
3.4第2位和第3位数字的意义
无轴伸
一个圆生型轴伸
两个圆型轴
一个圆维型轴伸
两个圆锥塑轴伸
·个带凸缘的轴伸
两个带凸缘的轴伸
D端为带凸缘的轴伸,N蝴为圆柱型轴伸无安排
其他类型的轴伸
对第 2 位和第 3 位
数字的相关表
第2位和第 3位数字的意义规定于表 5~表13,其与第 1位数字的联系见表 3。3.5代号示例
在表5~表13中,以示意图说明广常见的结构及安装型式,并且以4位数字给出其各自的代号。其他的第4位数字也适用(见表4),无示意图说期的情况并不表示其代号不可获得。各个数字的意义安排于合适的表中,可结合形成有效的代号。其中有些代号可能是不切实际的。轴
电机结构
(齿轮箱)
正常底御
(无齿轮
抬高底御
{无羚
正常底御
(无齿轮
.............
抬高底脚
(无齿轮
无安排
无安排
正常底脚,
平行手输
人轴的齿
止常底脚。
带输出轴
干辅人
轴右面的
步轮籍
无安排
无安排
第2位数学
GB/T997-2003/1EC 60034-7:1992表 5第1位数字为1时第2 位和第3 位数字的商文(底脚安装电机,仅有端盖式轴承)代号和示意图(见3.5)
第3位数字
卧式,底
脚在下
IM 1001
IM i1c1
IM 1201
[M 130]
IM1501
IM 170t
D端向下
IM loli
IM 1211
.........
IM 1611
FM 1711
州于运行在第3位数字为0
D端上
IM Ic31
IM1231
JM1631
IM1731
加于运行住第3位数字为0
D端在
左,底脚
在背面
IM1051
IM1251
IM1651
JM1751
D端在
右底脚
在背面
IM 1061
卧式底
脚在上
IM 1071
IM1261IM1271
中中國
IM 1661
IM1671
IM 1761
IM 1771
用于运行在第3位数学为0'1356#和
不包括第3位数宇0!8(轴的慢斜不作定)GB/T 997—2003/IEC 60034-7: 1992表 6 第 1 位数字为 2 时第 2 位和第 3 位数字的义(底脚和凸缘安装电机,仅有端盖式轴承)电机结构
凸缘数
帮凸缘
上通孔
缘,凸缘
有通孔
“个占
缘.凸缘
无通孔
缘,西缘
有通孔
三个凸
无通孔
缘,凸缘
有通孔
无安排
无安排
第2做数宇
卧式,庭
脚在下
IM 2001
IM2131
IM2202
IM2302
IM 2401
端向下
IM 2011
IM 2111
JM 2212
IM2312
避历于运行在第3位数宁为0和1
代号利示竞图(见 3. 5)
第3位数字
D端向上
IM 2031
1M2131
IM 2232
1M2332
适用于运行在第3位数字为0,
左,底脚
在背面
JM2051
1M 151
1>端在
右·底脚
在背面
FM 2061
IM2161
IM2252
IM2352
IM2262
IM2362
卧式,底
脚在上
IM 2071
IM2171
IM2272
IM2372
适用于运行在第3位数宰为61-3·5、6和?o
不包括第3位数字0:8<轴的倾斜不作规定)轴承数
电机结构
GB/T 997-2003/1EC 60034-7:1992表 7 第 1 位数字为 3 时第 2 和第 3 位数字的意义(凸缘安装电机,仅有端盖式轴承,一个端盖带凸缘)第
凸缘位置「凸缘有道孔
D端有裙
式卢缘,
为端盖的
—部分·
凸缘面朝尚
2位效字
1M3001
IM3101
IM3201
IM 3301
IM3501
IM3601
iM 3701
第2位数字为8.除其有裙式凸录外与第2位数字为0相同,代号和示意图(见3.5)
端向下
IM3011
第 3位数字
到端向上
IM3031
IM3131
IM 3711
IM 381
适第于运行在第3位数窄为0和1
IM 3331
1M3431
1M3531
IM3731
适朋于运行在第3位数学为0
··称
5至 8
无安推
不包括弟3位数字0!9人轴的懒斜不作规定】GB/T 9972003/IEC 60034-7: 1992表 8 第 1 位数字为 4 时第 2 位和第 3 位数字的意义(凸缘安装电机,仅有盖轴承,有-个凸缘凸不在端盖上,面在机座或其他部件上)电机结构
轴承数
凸缘位置
凸录有通孔
无安据
凸缭面朝向
G2位数字
IM4201
代号和示益图(见 3. 5)
D端向下
第位数字
口攀向上
IM 401
中中国
IM 4301
适用乎运行在第3位墅字为91
[M 44I
1M4401
喝母中
IM 4511
1M4501
IM4601
IM 470
IM 4711
由由申
IM 4431
IM4531
用于运行在第,
*3位数学为0
无安排
不包括第3位数字04(轴的概斜不锶定)
小提示:此标准内容仅展示完整标准里的部分截取内容,若需要完整标准请到上方自行免费下载完整标准文档。
标准图片预览:





- 热门标准
- 国家标准(GB)
- GB/T2828.1-2012 计数抽样检验程序 第1部分:按接收质量限(AQL)检索的逐批检验抽样计划
- GB/T38604.4-2020 公共信息导向系统 评价要求 第4部分:公共汽电车车站
- GB1330-1988 光学零件镀膜 窄带干涉滤光膜
- GB/T20726-2006 半导体探测器X射线能谱仪通则
- GB/T12498-1990GB/T12499-1990 铷原子频率标准通用技术条件及测试方法[合订本]
- GB/T50010-2010 混凝土结构设计标准(2024年版)
- GB/T5211.7-1985 颜料耐碱性测定法
- GB4382-1984 立式接触式干涉仪
- GB/T23563.4-2009 冲模滚动导向钢板模架 第4部分:四导柱模架
- GB/T24678.2-2009 植物保护机械 担架式宽幅远射程喷雾机
- GB∕T18569.1-2020 机械安全 减小由机械排放的有害物质对健康的风险 第1部分:用于机械制造商的原则和规范
- GB6497-86地 用太阳电池标定的一般规定
- GB/T39561.5-2020 数控装备互联互通及互操作第5部分:工业机器人对象字典
- GB/T8617.1-1988 调频广播编码器技术参数和测量方法立体声
- GB7000.8-1997 游泳池和类似场所用灯具安全要求
- 行业新闻
请牢记:“bzxz.net”即是“标准下载”四个汉字汉语拼音首字母与国际顶级域名“.net”的组合。 ©2025 标准下载网 www.bzxz.net 本站邮件:bzxznet@163.com
网站备案号:湘ICP备2025141790号-2
网站备案号:湘ICP备2025141790号-2