- 您的位置:
- 标准下载网 >>
- 标准分类 >>
- 国家标准(GB) >>
- GB/T 897-1988 双头螺柱bm=1d
标准号:
GB/T 897-1988
标准名称:
双头螺柱bm=1d
标准类别:
国家标准(GB)
标准状态:
现行-
发布日期:
1988-02-06 -
实施日期:
1989-01-01 出版语种:
简体中文下载格式:
.rar.pdf下载大小:
119.80 KB
替代情况:
GB 897-1976
部分标准内容:
主题内容
中华人民共和国国家标准
双头螺柱
bm= 1 d
Donble end stnda--b, =1 d
本标准规定了螺纹真径为M5~M4B、bm=1d的双头螺柱。2引用标准
普通螺纹基本尺寸
GB 197
普通螺纹公差与配合
过渡配合螺纹
GB 1167
GB2紧固件外螺纹零件的末端
GB 3098.6
紧固件机械性能螺栓、螺钉、螺柱紧固件机械性能不锈钢螺栓、螺钉、螺柱和螺母GB3103.1
紧固件公差螺栓、螺钉和螺母
GB5267
螺纹紧固件电镀层
GB 5779.1
GB 5779.3
GB1237
紧固件表面缺陷一螺栓、螺钉和螺柱一一般要求紧固件表面缺陷一螺栓、螺钉和螺柱一特殊要求紧固件的标记方法
紧固件验收检查,标志与包装
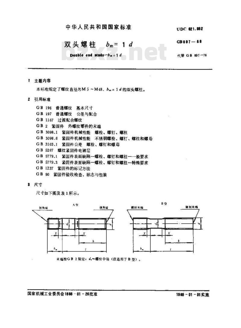
尺寸如下图及表1所示。
例角端
规制末端
末端按GB2规定:d,~螺纹中径(仅适用于B型)。国家机械工业委员会18器-01-26批准日型
UDC 21.882
GB器T—8
代替GB897-76
握制末晰
1989-01-01实施
螺纹规格d
GB197-88
17.5719.48
螺纹规格d
(65)
(M22)
GB 897—88
续表1
21.4823 .48
尽可能不采用括号内的规格。
粗牙距。
. 35.38
折线之间为通用规格范围。
当-<5mm时、旋螺母端应制成例圆端,或在端面中心制出凹点③
允许采用细牙螺纹和过渡配合螺纹。您
(M39)
4技术条件
技术条件如表2所示。
曾通螺纹bZxz.net
过渡配含螺纹
机械性能
5标记
GB897-88
产品等级
5.1标记方法按GB1237规定。
5.2标记示例:
不锈钢
GE196.GB197
GM, G2M
4.8.5.8.6.B.8.8,t0.9.12.9
GB 3103.1
(i)不经处理
②甄化
A2-5 A2- 70
淘镀伴纯化GB5276
GB5779,1、GB5779.3
两端均为粗牙普通螺纹,d=10mm,7=50mm,性能等级为4.8级、不经表面处理、B型、bm=1d的双头螺柱的标记,
螺柱G 897
M10× 50
旋人机体一端为粗牙普通螺纹,旋爆母--端为螺距=1mm的细牙普通螺纹,d=10mm、1=50mm,性能等级为4.8级、不经表面处理、A 型、bm=1 d的双头螺柱的标记。螺托 GB 897 AM10-M10×1×50
疑人机体端为过渡配合螺纹的第-种配合,旋螺母一端为粗牙普通螺纹,d=10mm、I=50mm、性能等级为8.8级,镀锌钝化、B型、bm=1d的双头螺柱的标记:螺柱GB 897 GM10 -M10×50 -8.8-Zn-D谢加说明:
本标准由全国紧固件标准化技术委员会提出。本标准由国家机械工业委员会标准化研究所归口。本标准由国家机械工业委员会标准化研究所负责起草。
小提示:此标准内容仅展示完整标准里的部分截取内容,若需要完整标准请到上方自行免费下载完整标准文档。
中华人民共和国国家标准
双头螺柱
bm= 1 d
Donble end stnda--b, =1 d
本标准规定了螺纹真径为M5~M4B、bm=1d的双头螺柱。2引用标准
普通螺纹基本尺寸
GB 197
普通螺纹公差与配合
过渡配合螺纹
GB 1167
GB2紧固件外螺纹零件的末端
GB 3098.6
紧固件机械性能螺栓、螺钉、螺柱紧固件机械性能不锈钢螺栓、螺钉、螺柱和螺母GB3103.1
紧固件公差螺栓、螺钉和螺母
GB5267
螺纹紧固件电镀层
GB 5779.1
GB 5779.3
GB1237
紧固件表面缺陷一螺栓、螺钉和螺柱一一般要求紧固件表面缺陷一螺栓、螺钉和螺柱一特殊要求紧固件的标记方法
紧固件验收检查,标志与包装
尺寸如下图及表1所示。
例角端
规制末端
末端按GB2规定:d,~螺纹中径(仅适用于B型)。国家机械工业委员会18器-01-26批准日型
UDC 21.882
GB器T—8
代替GB897-76
握制末晰
1989-01-01实施
螺纹规格d
GB197-88
17.5719.48
螺纹规格d
(65)
(M22)
GB 897—88
续表1
21.4823 .48
尽可能不采用括号内的规格。
粗牙距。
. 35.38
折线之间为通用规格范围。
当-<5mm时、旋螺母端应制成例圆端,或在端面中心制出凹点③
允许采用细牙螺纹和过渡配合螺纹。您
(M39)
4技术条件
技术条件如表2所示。
曾通螺纹bZxz.net
过渡配含螺纹
机械性能
5标记
GB897-88
产品等级
5.1标记方法按GB1237规定。
5.2标记示例:
不锈钢
GE196.GB197
GM, G2M
4.8.5.8.6.B.8.8,t0.9.12.9
GB 3103.1
(i)不经处理
②甄化
A2-5 A2- 70
淘镀伴纯化GB5276
GB5779,1、GB5779.3
两端均为粗牙普通螺纹,d=10mm,7=50mm,性能等级为4.8级、不经表面处理、B型、bm=1d的双头螺柱的标记,
螺柱G 897
M10× 50
旋人机体一端为粗牙普通螺纹,旋爆母--端为螺距=1mm的细牙普通螺纹,d=10mm、1=50mm,性能等级为4.8级、不经表面处理、A 型、bm=1 d的双头螺柱的标记。螺托 GB 897 AM10-M10×1×50
疑人机体端为过渡配合螺纹的第-种配合,旋螺母一端为粗牙普通螺纹,d=10mm、I=50mm、性能等级为8.8级,镀锌钝化、B型、bm=1d的双头螺柱的标记:螺柱GB 897 GM10 -M10×50 -8.8-Zn-D谢加说明:
本标准由全国紧固件标准化技术委员会提出。本标准由国家机械工业委员会标准化研究所归口。本标准由国家机械工业委员会标准化研究所负责起草。
小提示:此标准内容仅展示完整标准里的部分截取内容,若需要完整标准请到上方自行免费下载完整标准文档。
标准图片预览:




- 其它标准
- 上一篇: GB 896-1986 开口挡圈
- 下一篇: GB/T 898-1988 双头螺柱bm=1.25d
- 热门标准
- 国家标准(GB)
- GB/T42822-2023 美术用品中初级芳香胺的测定方法
- GB/T5204-2008 核电厂安全系统定期试验与监测
- GB/T42854-2023 民用飞机客户培训飞行模拟机通用技术规范
- GB/T14362-1993 铝质舷梯翻梯装置
- GB/T12293-1990 水果、蔬菜制品 可滴定酸度的测定
- GB50752-2012 电子辐射工程技术规范
- GB/T15268-1994 桑蚕鲜茧
- GB/T15449-1995 管壳额定开关用场效应晶体管空白详细规范
- GB/T16284.2-1996 信息技术 文本通信 面向信报的文本交换系统 第2部分:总体结构
- GB/T18204.4-2000 公共场所毛巾、床上卧具微生物检验方法细菌总数测定
- GB8552-1987 电子器件详细规范 低功率非线绕固定电阻器 RJ13型金属膜固定电阻器评定水平E(可供认证用)
- GB5606.3-2005 卷烟 第3部分:包装、卷制技术要求及贮运
- GB∕T40032-2021 电动汽车换电安全要求
- GB/T43880.3-2024 服务型制造 导则 第3部分:资源管理
- GB18030-2000 信息技术 信息交换用汉字编码字符集基本集的扩充
- 行业新闻
请牢记:“bzxz.net”即是“标准下载”四个汉字汉语拼音首字母与国际顶级域名“.net”的组合。 ©2025 标准下载网 www.bzxz.net 本站邮件:bzxznet@163.com
网站备案号:湘ICP备2025141790号-2
网站备案号:湘ICP备2025141790号-2