- 您的位置:
- 标准下载网 >>
- 标准分类 >>
- 国家标准(GB) >>
- GB/T 884-1986 螺钉锁紧挡圈
标准号:
GB/T 884-1986
标准名称:
螺钉锁紧挡圈
标准类别:
国家标准(GB)
标准状态:
现行-
发布日期:
1986-07-02 -
实施日期:
1987-06-01 出版语种:
简体中文下载格式:
.rar.pdf下载大小:
55.84 KB
替代情况:
替代GB 884-1976
点击下载
标准简介:
标准下载解压密码:www.bzxz.net
本标准适用于在轴上固定零(部)件时用螺钉锁紧的挡圈。本标准规定了公称直径d=8~200mm的螺钉锁紧挡圈。 GB/T 884-1986 螺钉锁紧挡圈 GB/T884-1986
部分标准内容:
中华人民共和国国家标准
螺钉锁紧挡圈
Lockringwithscrew
本标准适用于在轴上固定零(部)件时用螺钉锁紧的挡圈。本标准规定了公称直径d=8~200mm的螺钉锁紧挡圈。引用标准
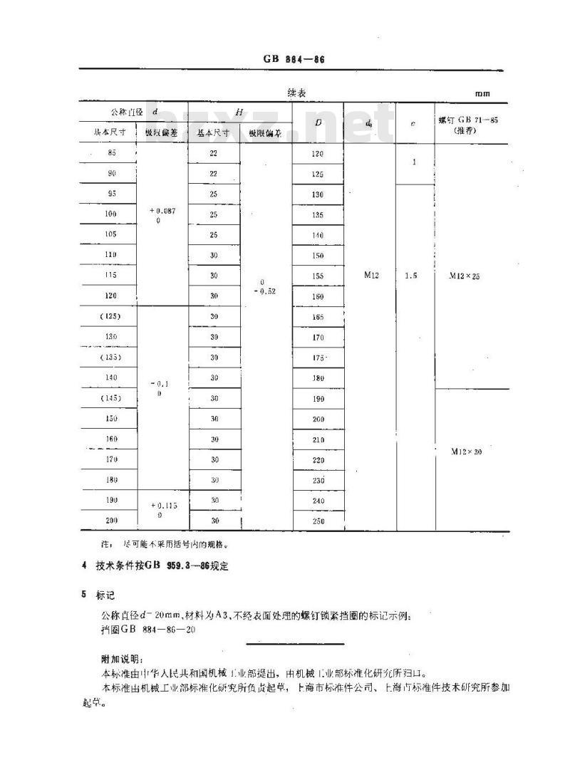
GB959.3一86挡圈技术条件一切制挡圈。3尺寸
t,5×45
国家标准局1986-07-02发布
UDC 821.085
GB 004-#6
代替 GB 8B4-76
198706-01实施
公称直径d
基本尺寸
极限偏差
基本尺寸
GB 884—86
极限偏差
螺钉GB 71—85
(推荐)
M6 ×1u
M8 ×12
M10×16
M10×20
M13×25
公称径d
站本尺寸
极限偏差
基本尺寸
注,尽可能不采用括号内的规格。4技术条件按GB959.3-86规定
5标记
GB884—86
极限偏萃
- 0,52
公称直径d-20m巾,材料为A3,不经表面处理的螺钉锁紧挡圈的标记示例挡圈GB884—86—20
附加说明:
本标准由中华人民共和国机械\业部提出,由机械1业部标准化研充所归口。mm
螺红 GB 71--85Www.bzxZ.net
(推荐)
M12×25
M12×30
本标准出机械工业部标准化研究所负资起草,上海市标准件公司、上海市标准件技术研究所参加起草。
小提示:此标准内容仅展示完整标准里的部分截取内容,若需要完整标准请到上方自行免费下载完整标准文档。
螺钉锁紧挡圈
Lockringwithscrew
本标准适用于在轴上固定零(部)件时用螺钉锁紧的挡圈。本标准规定了公称直径d=8~200mm的螺钉锁紧挡圈。引用标准
GB959.3一86挡圈技术条件一切制挡圈。3尺寸
t,5×45
国家标准局1986-07-02发布
UDC 821.085
GB 004-#6
代替 GB 8B4-76
198706-01实施
公称直径d
基本尺寸
极限偏差
基本尺寸
GB 884—86
极限偏差
螺钉GB 71—85
(推荐)
M6 ×1u
M8 ×12
M10×16
M10×20
M13×25
公称径d
站本尺寸
极限偏差
基本尺寸
注,尽可能不采用括号内的规格。4技术条件按GB959.3-86规定
5标记
GB884—86
极限偏萃
- 0,52
公称直径d-20m巾,材料为A3,不经表面处理的螺钉锁紧挡圈的标记示例挡圈GB884—86—20
附加说明:
本标准由中华人民共和国机械\业部提出,由机械1业部标准化研充所归口。mm
螺红 GB 71--85Www.bzxZ.net
(推荐)
M12×25
M12×30
本标准出机械工业部标准化研究所负资起草,上海市标准件公司、上海市标准件技术研究所参加起草。
小提示:此标准内容仅展示完整标准里的部分截取内容,若需要完整标准请到上方自行免费下载完整标准文档。
标准图片预览:



- 其它标准
- 上一篇: GB/T 883-1986 锥销锁紧挡圈
- 下一篇: GB/T 885-1986 带锁圈的螺钉锁紧挡圈
- 热门标准
- 国家标准(GB)
- GB/T2828.1-2012 计数抽样检验程序 第1部分:按接收质量限(AQL)检索的逐批检验抽样计划
- GB/T8566-2022 系统与软件工程 软件生存周期过程
- GB175-2023 通用硅酸盐水泥
- GB/T30917—2014 /ISo 29941:2010 天然胶乳橡胶避孕套中可迁移亚硝胺的测定
- GB/T9124.1-2019 钢制管法兰 第1部分:PN 系列
- GB/T1182-2018 产品几何技术规范(GPS) 几何公差 形状、方向、位置和跳动公差标注
- GB/T12777-1999 金属波纹管膨胀节通用技术条件
- GB/T29633.4-2020 南极地名 第4部分:罗马字母拼写
- GB/T30544.5-2014 纳米科技 术语 第5部分纳米/生物界面
- GB15985-1995 丝虫病诊断标准及处理原则
- GB16844-1997 普通照明用自镇流灯的安全要求
- GB/T7407-1997 中国及世界主要海运贸易港口代码
- GB/T6113.104-2008 无线电骚扰和抗扰度测量设备和测量方法规范 第1-4部分: 无线电骚扰和抗扰度测量设备 辅助设备 辐射骚扰
- GB/T50062-2008 电力装置的继电保护和自动装置设计规范
- GB50116-2013 火灾自动报警系统设计规范
- 行业新闻
请牢记:“bzxz.net”即是“标准下载”四个汉字汉语拼音首字母与国际顶级域名“.net”的组合。 ©2025 标准下载网 www.bzxz.net 本站邮件:bzxznet@163.com
网站备案号:湘ICP备2025141790号-2
网站备案号:湘ICP备2025141790号-2